непрвильно раставил фьюзы Что делать?

INQURY

Сложилась такая нихорошая ситуация Прошивал мегу и неправильно раставил фьюзы
Было сказано поставить
Вам необходимо отметить:
CKOPT
BOOTSZ1
BOOTSZ0
остальные “галочки” снять
Получилось наоборот потому что данные даны для программатора Понипрог
А я пошил другим програматором теперь мега нечитается
Что мона сделать
Програматор uniprof
Устройство вот p-45.narod.ru/mega8.html

МаркАнтоний

Вы включили бит под названием RSTDISBL вот что про него пишут.

RSTDISBL — бит, отключающий сигнал внешнего сброса от вывода микроконтроллера и подключающий к нему схему порта ввода-вывода. Этот бит имеется только в тех МК, у которых вывод аппаратного сброса совмещен с одинм из портов ввода-вывода. Это бит, ошибочная установка которого может лишить вас возможности программирвоать МК по SPI, т. к. наличие сигнала сброса — обязательное условие включения режима программирования микроконтроллера. По возможности не устанавливайте этот бит, если намерены продолжать работать с МК при помощи последовательных программаторов. Переустановка этого бита возможна только при помощи параллельного программатора (или выскоквольтного последовательного программатора для некоторых моделей).

Теперь Вас спасёт только высоковольтный програматор.

INQURY

Подкажите как правильно выставить биты шас МК перепаяю! Есть запасной ))))

dollop
МаркАнтоний:

Вы включили бит под названием RSTDISBL вот что про него пишут.
Теперь Вас спасёт только высоковольтный програматор.

Мне кажется, что этот фьюз так просто не поставить/убрать. (в понипроге он не активен). Тут скорее всего просто-напросто настроилось тактирование от внешнего источника. Лечится подачей на вход XTAL1 микроконтроллера сигнала с частотой 500кГц-2Мгц (мож и другие, я обычно 1Мгц подаю). Если использовать avreal то там такая функция доступна прям с программатора с вывода led.
Удачи.

Хвост_Слона

Полностью согласен. Через последовательное програмирование фуз РЕСЕТДИСАБЛЕ реально не поставить. А если 0 и 1 перепутать кристалл однозначно пойдет на внешнее тактирование. Рецепт см. выше.

INQURY

блин поменял кристал, поставил наоборот фузы! Опять перестал читатся так как правильно выставить?

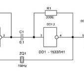
Схемку генератора на 1 мегагерц неподкинете? никогда так над мегой еще неиздевался!

dollop

Там же по приведенной вами же ссылке черным по белому написано, как нужно поставить фьюзы.
Вы когда второй и последующие разы пытаетесь прошивать/считывать контроллер к нему кварц с обвеской подсоединен? С завода мега настроена на внутренний генератор, при установке фьюзов, мега настраивается на кварцевый генератор.

ЗЫ. В качестве генератора использовал аттини2313 с соответствующей прошивкой 😃
А вообще, смотрите в сторону avreal real.kiev.ua/avreal/langswitch_lang/ru/

INQURY

подсойденен кварц! Может кврц неработает? Щас другой попробую поставить!

Спаибо за подсказочку Квац был недопаян! Читается)))) ЩС НЕКС будку пробовать заливать

dollop

“Электроника - наука о контактах. Все неисправности в ней делятся на 2 категории: есть контакт там, где его быть не должно или нет контакта там, где он должен быть. Вывод: половина поломок устраняется постукиванием, другая половина потряхиванием!” Копирайт не_помню_чей

ЗЫ. На будущее. В новый контроллер культурнее заливать сначала hex, а потом ставить фьюзы. А то ньюансы всякие бывают. Вдруг защиту ставить надумаете, глядь - защита стоит, а прошивочка не залита. Обидно

INQURY

Залил Некс Чето все равно неправильно делаю или напаял чето неправильно! Дисплей чуш показывает! Ну глянте плиз правильно поставил фузы эти
rcopen.com/files/4b9963269970730077e79687

dollop

Ну там в явном виде не указано, что означает галка 1 или 0. Могу наверняка сказать, когда увижу те фьюзы, что считываются при помощи этого программатора с девственно новой меги

Почитал хелп от юнипроф. И о…ел. Цитирую
“Смелая попытка работать с FUSE битами в почти человеческом представлении. Во первых, далеко не на всех контроллерах я это проверял, а расположение и команды у многих сильно различаются… И вообще тут надо быть осторожным, потому что необдуманной изменение FUSE может за собой повлечь невозможность ISP программирования вообще, особенно в линейке classic. Помните, что включенный FUSE - это FUSE без галочки! И вообще, перед тем как править FUSE - почитайте как следует даташит!”

Посему делаем вывод, что пользоваться этим чудо-программатором лучше ненада, ну а фьюзы на вашей картинке поставлены правильно. spien я не считаю, так как этим программатором он не шьется

dollop

Ну, похоже на правду, кроме cklel0-cklel3. Должны быть по-другому у новой. Ну еще lock’и загадочные… Или вы их не считали? Там (в первой группе) ничего не трогайте.
Ну а во второй и третьей ставьте так, как в посте 10

INQURY

Все пасибо! Только схемку внешнего генератора скиньте плиз! поиграюсь завтра уже глаза закрываются!

ubd

Я думаю там микруху можно любую, любой инвертор, да же нашу ЛА3, соединив входы.

Syberian
dollop:

пользоваться этим чудо-программатором лучше ненада

Согласен!
Самый внятный программатор, который я видел, это AVRstudio. Там не нужно париться, что означает установленная галочка, “programmed-unprogrammed”, а тупо написан список из всех возможных опций генератора, и можно выбрать только один пункт.

EagleB3

Вот так читаются “мои” фузы через AVREAL:
BODLEVEL = 0
BODEN = 0
SUT = 3
CKSEL = F
BLB1 = 3
BLB0 = 3
OCDEN = 1
JTAGEN = 1
CKOPT = 0
EESAVE = 0
BOOTSZ = 3
BOOTRST = 1
M103C = 1
WDTON = 1

Причем 1 это 1, а 0 - это ноль. Реальное значение бита в регистре.

…Но EESAVE =0 - это по моим потребностям; = память защищена от стирания командой программатора.

Sergey87
Хвост_Слона:

Полностью согласен. Через последовательное програмирование фуз РЕСЕТДИСАБЛЕ реально не поставить.

Я программатором AVRISP запросто могу его поставить, при этом это становится последний сеанс связи с контроллером, даже проверка фьюзов сразу после записи уже не работает. Но шить этот фьюз ISP программатор может.
Прогал так несколько девайсов на тини 13, где нога ресета использовалась как ГПИО.