Продвинутый приемник 850-1450 мгц.

serpantins

пардон, а слона то я и не увидел

Панкратов_Сергей:

?? Что используется - в 3-м посту. Исходник - в 8-м посту.

Дми-III-й

Хочу попробовать как-то адаптировать прошивку сабжа к Атмеге 8 16AU, как думаете получится? Какие грабли могут быть?
Нашел удобный девайс пилотажевский программатор регулей чтобы использовать в качестве блока управления приемником, там правда внутри индикатор какой то дюже китайский, но даташит с примерами его опроса я нашел. Там уже и кнопки есть и корпус и экран и выход…
Сергей, что скажете?



HATUUL

Почемуто с TA1322Fn запускаться не хочет.

avisenja

вроде они по даташиту чуть отличаются TA1322Fn и SP5055, в плане управления.

Панкратов_Сергей
avisenja:

вроде они по даташиту чуть отличаются TA1322Fn и SP5055, в плане управления.

Я мельком глянул - разницы не увидел . Вроде все так же.
Проверьте на ноге , которая задает адрес в зависимости от напряжения на ней - ноль ли чистый ?
Ну и осцилографом ткнуться SDA и SSL .

avisenja

Когда-то, года три назад…, я собирал панорамник и то-же была проблемка с тюнером, оказалось, что было отличие в коде управления синтезатором, с битом АСК пришлось повозюкаться.

Вот большая тема по тюнерам, может что найдёте полезного.

9 days later
avisenja

Чего-бы с этим панорамником ещё придумать???😃

Oliver
avisenja:

Чего-бы с этим панорамником ещё придумать???

Что это?

avisenja

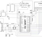
Это панорамный индикатор 850-2150 МГц, на базе аналогового тюнера, ПИКушника и графического индикатора 128х64.
Можно к тюнеру прилепить видео выход и использовать как ТВ приемник для телеметрии.

7 days later
avisenja

*To Edward_tlt*

А можно вас попросить фотки вашего передатчика - в большом разрешении, интересует как организована фазовая модуляция видеосигнала.

P.S. пока нашел сдесь

avisenja

UPS…😃
Разобрался, там видео в варикап подано, а думал по другому.
Вопрос снят

Панкратов_Сергей
avisenja:

Чего-бы с этим панорамником ещё придумать???

Чуть доработать , написать програмку - и можно получить антенный трекер и ( или ) индикатор нахождения модели относительно места запуска.

avisenja:

, интересует как организована фазовая модуляция видеосигнала.

Парадокс… может показаться.😃
В ЧМ передатчиках встречаются решения где модулируют фазу.
А вот в FM обычно модулируют по частоте.

avisenja

*индикатор нахождения модели относительно места запуска* - мне этот наворот пока не интересен.😦

Допишу наверное😇…, подпрограмку управления десиком:), пусть в антенном МШУ канальные фильтра переключает, а то нога ЛНБ на тюнере совсем не используется (непорядок😁).

Панкратов_Сергей
avisenja:

пусть в МШУ канальные фильтра переключает,

Или бестолковая затея - или по стоимости дороже чугунного моста.

8 days later
avisenja

нашёл такую железячьку, кто чего, полезного про ниё знает.

Панкратов_Сергей

Определяете активные элементы , ищете даташит на них . На фото я не могу определить - что написано на элементах.
Но - потом в 99,99% убеждаетесь в том - что усилитель этот для наших целей не подходит , потому как и шумит сильно и динамика слабая.

27 days later
Edward_tlt

Сергей, а давайте и с видеопередавалкой что нить сделаем? Говорите

TSA5520 простой для управления.

это ладно, попробую разобраться по дш, а вот сама реализация идеи как видится? Прикручивать к передатчику дисплей с кнопками это не айс… В мыслях, что должен внешний блочок типа программатора подключаться для настройки частоты

Панкратов_Сергей

С временем совсем туго , своих задумок полно нереализованных.

Вкратце должно быть так
В микроконтроллере , установленным на передатчике оставляется часть кода , берущая из регистров пзу данные о частоте и прописывающая в ТSA5520 . Часть кода , отвечающая за индикацию и кнопки удаляется но дописывается код , с помощью которого будет приниматься данные о желаемой частоте от другого микроконтроллера и внесение их в регистры пзу.
В внешнем микроконтроллере, если грубо , меняется часть кода по отправке данных в синтезатор на код отправки данных микроконтроллер передатчика .

15 days later
targetorsk
avisenja:

Это панорамный индикатор 850-2150 МГц, на базе аналогового тюнера, ПИКушника и графического индикатора 128х64.
Можно к тюнеру прилепить видео выход и использовать как ТВ приемник для телеметрии.

А прошивочкой где разжиться можно?

6 months later
alexeykozin
Панкратов_Сергей:
  1. Хотя нагрузка для выхода RSSI по даташиту может быть 47 ком, а вход микроконтроллера имеет явно большее сопротивление, помня о проблеме упомянутой Антоном поставил повторитель на LM358.

имхо лишнее - в аналоговом режиме вход ардуины мегаомный, а чтобы защитить выход от воздействия на него пина ардуины с “неправильным скетчем” где пин в режиме выхода или в момент прошивки - просто поставить последовательно 47ком чтобы 0 или 1 не пожгли его