Передатчик китайской видеокамеры

drweb
Driver-NN:

Во-первых, за год цены сильно изменились,
во-вторых, как и год назад на нашем радиорынке мощных видеопередатчиков так и не появилось.
50 мВт в китайском исчислении в счет не берутся, да и камера в которую вставлены эти пердатчики не выдерживает никакой критики.
Мой передатчик без проблем дает 500 метров и со стандартными антеннами. С одинарным зигзагом с рефлектором на приемнике - дает километра 2. Только меня интересует устойчивая связь на 8-10 км., вот и занимаюсь всякой фигней 😃

Добрый день,

Подскажите пожалуйста по какой схеме делали этот передатчик для камеры,
если возможно скинте на мыло инфо про ваш передатчик,
я тоже люблю телеметрию автопилот и всякие такие дела, может Вас заинтересует мои проделанные работы.

С уважением Эльмир

Dave

Изучив вопрос вдоль и поперек сделал, для себя, некоторые общие выводы. Например:
Отдельный от камеры передатчик есть гут.
Если этот передатчик - с кварцем - 2 раза гут.
Все камеры со встроенными передатчиками - без кварцев (или я не прав??), но не всегда плохого качества (см. www.rc-tech.ch но ЦЕНЫ!!).

К чему я это все?
Просто очень хочется камерку на свою е-скай Ламу прилепить 😁
Ну не поднимет она отдельный передатчик. А хочется ну очень-очень.
Китайскаю за 2т.р. - не вариант. Там ж ничего видно не будет. Сразу после 1й кап стены в офисе.

Мож кто разумеет где взять радио-камерку нормального качества и не сильно тяжелую, а?

leliksan

Просто очень хочется камерку на свою е-скай Ламу прилепить

Пробовал китайскую камерку с встроенным передатчиком на 1 транзисторе ставить на трекс, для верта дальность достаточна, проблема с ориентацией антенны, надо подбирать по месту иначе сигнал модулируется даже деревянными лопастями. Прикольно конечно, но управлять вертом через камеру нереально без кучи всяческой телеметрии( да и с ней не реально). В обчем переставил её на самолёт, пробная запись тут , правда сильно ужатая. Покупал всю ботву комплектом камера+приемник примерно за 1500р.
С уважением.

Dave
leliksan:

но управлять вертом через камеру нереально без кучи всяческой телеметрии( да и с ней не реально).

Согласен. Управлять вертолетом - полный unreal, только в том то и дело что это Лама. Управлять почти ничем не надо 😃
Я после верта стандартной схемы, просто обалдевал от этого соосника.
Но это я отвлекся.
Про камеру. 1.2 гГц? С ручкой подстройки на приемнике? Если не секрет, где брали?

leliksan

Брал в электронном раю на пражской, в подвале. На прошлой неделе был там, но этот павильон не нашёл, правда, не помню где он был и многие были закрыты. Там вообще постоянная перетусовка происходит, сегодня есть, завтра нет.
С уважением.

1 year later
serg10101
nokia27:

я себе брал отдельный передатчик, как написано 800mw, тоже китай , 1.2ггц,стоит 40$ с приемником и маленькой камерой с доставкой в Россию

по земле устойчивый сигнал 450-500м со своими куцыми антенками что на передатчике что на приемнике

к приемникам продаются яги www.inesun.com/list_1.asp?id=2051

и кстати у самих киатйцев никогда не видел чтобы на встроенных в камеру передатчиках писали 200mw, обычно 20-50mw больше не видел

Увидел и был ошарашен-приобрел такойже передатчик, выходного транхистора нет, есть перемычка с базы на колектор, дальность примерно такая же!

Lucifer=

а ссылки на сиё чудо нет ? Или поделитесь - где брали.

HATUUL

Где-то у меня воляются две рации на 8 километров с частотой 800мегогерц.
А что если из них сделать видео передатчик,приёмник?
обе весят по гдето 80 грам,а без корпуса 30.

dmitryu

Рацию для передачи видео переделать не получится - она сильно заточена под узкополосный сигнал и при “переделке” от неё ничего не останется.
Продай их и купи то, что надо.

HATUUL

Вы хотите сказать что сам видеосигнал на второй стороне,без переделки ,исказится так что телевизионый приёмник не поймет что это видеосигнал?
Простыми словами.

dmitryu

Видеосигнал через УПЧ радиостанции просто не пройдёт. Совсем.

HATUUL

Извеняюсь ещё раз за тупой вопрос.Почему?

dmitryu

Ширина полосы пропускания УПЧ телеприёмника - несколько МГц, а радиостанции - несколько кГц. Разница - на три порядка.

HATUUL

Теперь понятно,тогда и вправду не выйдет,а жаль.
Спасибо.

5 months later
Raziel

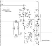
Расскажу как я бы сделал для себя усилитель радиосигнала для видеокамеры ват на 8. Выходной каскад - двухтактный на 2-х транзисторах, работающих в режиме B. Симметричный сигнал с выхода трансформируем ТДЛ’ом в несимметричный в пропорции 1/4, в этом случае можно получить 8 ват на антенне 50 ом при малом напряжении питания усилителя - 2 липо (7,4 В). Так же нет проблем с настройками, так как нет резонансных контуров, а ТДЛ - широкополосен. На входе каскада так-же ставим симметрирующий ТДЛ, если до него сигнал несимметричный. Если передатчик работает в дециметровом диапазоне на частотах не выше 500 МГц, я выбрал-бы транзисторы 2sk2975. С них можно получить мощи по 5 Вт с каждого. Не напоминает Вам ничего такая схема усилителя с такими транзисторами? 😃 Такой широкополосный усилитель сделали в радиостанции FT-817.
Вот схема усилителя, который называется “FINAL UNIT”, а так же и ТДЛы на его входе и выходе:

Превьюхи кликабельны! 😃

Панкратов_Сергей
Raziel:

Расскажу как я бы сделал для себя усилитель радиосигнала для видеокамеры ват на 8. Так же нет проблем с настройками, так как нет резонансных контуров, а ТДЛ - широкополосен. На входе каскада так-же ставим симметрирующий ТДЛ, если до него сигнал несимметричный.
Превьюхи кликабельны! 😃

Нет проблем с настройками ?
Это может быть только в том случае если Вы используете готовое фабричное изделие.Не вводите людей в заблуждение.
ТДЛ -широкополосен ??? Видимо вы просто читали но сами ничего не делали .
Только вывод от него 1 или 2 мм -и вся его широкополосность на 1ГГц будет потеряна.
Подобное повторить на диапазон 900 мгц - почти невозможно.
Для этих задач используют уже готовые сборки.

Raziel
Панкратов_Сергей:

Не вводите людей в заблуждение.
ТДЛ -широкополосен ??? Видимо вы просто читали но сами ничего не делали .
Только вывод от него 1 или 2 мм -и вся его широкополосность на 1ГГц будет потеряна.
Подобное повторить на диапазон 900 мгц - почти невозможно.
Для этих задач используют уже готовые сборки.

1 или 2 мм - это вы жжоте (если конечно делать их не разумно - то да). Видимо это Вы не делали подобного. А без микросборок, как Вы видите, обошлась даже серьёзная фирма Yaesu, а уж радиолюбители и подавно их не будут ставить, если у них конечно нет готовой микросборки. Я сам такой усилитель сделал на 144 и 433 МГц ( SSB ). И работает неплохо. 5 Вт в нагрузку отдаёт.
На счёт широкополосности не понял! Неужели Вы считаете, что с согласующими контурами, или с обычными трансформаторами проще достичь той же широкополосности?
Ещё интересно, на 500 МГц значит такое сделать можно, а на 900 - нет?
(кстати я и не предлагал делать это на 900 МГц)
Всё-же считаю именно такой вариант проще всего сделать до 500 МГц, если нужен мощный и линейный усилитель. Однотактный резонансный - Можт и попроще, если есть опыт.

Панкратов_Сергей

Не прослывите с первых постов на этом форуме оленеводом.

  1. Посмотрите название темы -так вот речь идет об устройствах на частоты 900 и выше - на меньших частотах этого не делают. Не в тему пишете.
  2. По такой схемотехнике на 900 мощностью 5-10 Вт делать никто не будет.
    Слишком много проблем. Если имеете пример - то фото давайте -обсудим.
    Без примера готовой рабочей конструкции - просто треп.
Raziel

на 900 и выше нету, как-нибудь сделаю. И линейность усилителя, судя по схеме автора, не обязательна, раз модуляция FM. Можт однотактный попробую. Каскада 3 наверна, не меньше будет, если там 20 мВт всего 😃

8 months later
Sony
fol:

нужно увеличить дальность устойчивого приема. Способа два, и они классические. Первый, это увеличение выходной мощности. Второй, это увеличение эффективности излучения.

Есть и третий - повысить эффективность приемника.