Передатчик китайской видеокамеры

Driver-NN

Очень хочется увеличить мощность передатчика в китайской видеокамере 200 мВт 1,2 ГГц.
Вопрос к знатокам ВЧ-техники - можно ли увеличить мощность уменьшением сопротивления R13
или повышением напряжения питания?
Все катушки там сделаны печатным способом прямо на плате и регулировке не подлежат.
Выходной транзистор без теплоотвода, сейчас греется до “теплого”.

fol

Безусловно, увеличение напряжения питания приведет к росту выходного (ВЧ) напряжения
, а значит увеличеню мощности. Вопрос на сколько? При этом возможен уход частоты,
а это уже проблема. Но попробовать можно. Важно не спалить выходной транзистор.
Уменьшить номинал R13 тоже можно, рост будет, но скорее всего не очень большой.
Не представляю что там за плата и какие элементы, скорее всего SMD. Поэтому чтоб не поползли
дорожке при перепайке рекомендую просто зашунтировать резистор R13
конденсатором емкостью несколько сотен пикофарад.
Удачи. Задымит - я не виноват.

Driver-NN
fol:

Безусловно, увеличение напряжения питания приведет к росту выходного (ВЧ) напряжения
, а значит увеличеню мощности. Вопрос на сколько? При этом возможен уход частоты,
а это уже проблема. Но попробовать можно. Важно не спалить выходной транзистор.
Уменьшить номинал R13 тоже можно, рост будет, но скорее всего не очень большой.
Не представляю что там за плата и какие элементы, скорее всего SMD. Поэтому чтоб не поползли
дорожке при перепайке рекомендую просто зашунтировать резистор R13
конденсатором емкостью несколько сотен пикофарад.
Удачи. Задымит - я не виноват.

Спасибо! Попробую с увеличения напруги…

Плата там действительно мелковата ( см. фото ).
Может посоветуете, как сделать усилитель для этой штуки,
типа дополнительного каскада на транзисторах или твердотельном ВЧ-модуле?

FGV
Driver-NN:

Может посоветуете, как сделать усилитель для этой штуки,
типа дополнительного каскада на транзисторах или твердотельном ВЧ-модуле?

питание поднять моща увеличится не на много, даже не заметишь %)
насчёт шунта конденсатором можно спалить выходной транзистор…
самое реальное прикрутить ещё один каскад на транзисторе, аналогично предыдущему, правда номиналы надо считать, чего делать к сожалению не умею…

Панкратов_Сергей

Проще купить отдельный передатчик.
Усилить будет очень сложно-схема будет очень неустойчивой-будут посторонние возбуждения.
А 200 миливаттами там и не пахнет -максимум 20.
Пару лет назад экспериментировал.
Остановился на отдельном передатчике купленном в GS.

fol

Всем привет. То что оконечник качает 200 мвт, это конечно вопрос. Но не меньший вопрос - куда качает? Дело в том что человеку нужно увеличить дальность устойчивого приема. Способа два, и они классические. Первый, это увеличение выходной мощности. Второй, это увеличение эффективности излучения. То есть как ни поднимай выход ВЧ, если антенна гов… то и толку мало. Причем желательно позаниматься антеными системами как на стороне передатчика так и на стороне приемника. Этого часто бывает достаточно, и увеличения мощи не требуется. Кроме того не забывайте, у человека дистанционная видюха, и уж куда он ее ставит… что смотрит…? А увеличив ВЧ мощность (каким либо из предложенных способов) ему потребуется автомобильный аккумулятор. И тогда он возможно уже не сможет ставить свою теле-видео куда ставил.
Вот. Всем привет.

Driver-NN
fol:

А увеличив ВЧ мощность (каким либо из предложенных способов) ему потребуется автомобильный аккумулятор. И тогда он возможно уже не сможет ставить свою теле-видео куда ставил.

С питанкой - не проблема.
Сейчас для питания камеры используется липолка 3S1P на 640 ма/ч,
которая без проблем прокормит передатчик ватта на 2.
С антенной на камере скорее всего есть проблемы, так как пердатчик греется.
Если не трудно, подскажите, как настроить передающую антенну на 1,2 МГц?
Я внимательно прочитал рекомендации Глайдера о настройке укороченной антенны
на 35-40 МГц по току потребления передатчика, но сомневаюсь, что это прокатит на 1,2 МГц.

И еще, есть описание передатчика для диапазона ДМВ ( vrtp.ru/index.php?act=categories&CODE=article&arti… ).
Как на Ваш взгляд, этот передатчик мощнее китайской фитюльки? И если да, то на сколько?

drDen

Здесь где-то на форуме была схема усилителя для китайской видеокамеры….поищи в темах про видеосъемку с мождели…………

serj

Сделай индикатор поля из микроамперметра, свч диода и 2-х кусочков проволоки по 7 см.
по нему сможешь настроить свою антенну

Driver-NN

Пока новости такие - отдал камеру знакомому для настройки и проверки. Их контора занимается разработками в области охранных систем с радиоканалом и имеет неплохое измерительное оборудование. Оказалось, что настраивать там особо нечего, так как передатчик фактически излучает 18 мВт , что и близко не похоже на заявленные 200 мВт.
Видимо китайцы вспомнили, как писали на всяких магнитофончиках типа “балалайка” дикие цифры 200W на динамиках, которые больше 2-х ватт не могут дать по определению. Вот и с камерами та же история.
Сейчас думаю над изготовлением самодельного передатчика на ДМВ-диапазон, так как тратить деньги на китайские поделки после такой н…ки просто жаба душит!
Так вот купишь за 100 баксов передатчик на 1,5 Вт, а там окажется 0,1 Вт, и опять будешь думать, что тебя поимели 😦 .

Панкратов_Сергей

Жили б рядом -дал бы на пользование свой передатчик.
Лежит без дела - а на результат посмотреть бы хотелось.

Doka
Driver-NN:

Очень хочется увеличить мощность передатчика в китайской видеокамере 200 мВт 1,2 ГГц…

если не секрет - на что ловите эти 1,2 ГГц ?
у стандартного ТВ-тюнера ограничение сверху - 870 МГц.

Driver-NN
Doka:

если не секрет - на что ловите эти 1,2 ГГц ?
у стандартного ТВ-тюнера ограничение сверху - 870 МГц.

В комплекте с камерой идет приемник. Я покупал тут www.turbotwister.ru/camprice3.htm комплект NW802. Сейчас хочу сплавить эту байду на местном радиорынке “по спекулятивной цене”.
У нас эти камеры дифицит и стоят до 100 баксов.

Doka
Driver-NN:

В комплекте с камерой идет приемник. Я покупал тут www.turbotwister.ru/camprice3.htm комплект NW802. Сейчас хочу сплавить эту байду на местном радиорынке “по спекулятивной цене”.
У нас эти камеры дифицит и стоят до 100 баксов.

cпасибо. пользительная ссылочка…
но насчет увеличения мощности передатчика - я бы не стал…
нехороший диапазон 1.2ГГц - госьсвязьнадзор может покрупному “наехать” : чем с большей мощностью вы работаете - тем заметнее вы становитесь
ЗЫ: кстати, что собираетесь использовать как альтернативу данной системе?

serj

если 50-мвт - то госсвязь надзора можно не опасаться… 😃 А вот 500, 800мвт, и выше- особенно возле крупных аэропортов- вполне 😃. Забить этим ДМЕ конечно же нельзя, но не увидеть помеху, перекрывающую аж 20 каналов, они не не могут 😃 и при частом повторении вполне могут начать искать.
у нас в Питере этими г…-ными камерами все просто завалено. от 1200р.

кстати, сама камера в китае, без радиоканала стоит 5-6$- (матрица +кренка+корпус+ ообъектив)

Doka
serj:

если 50-мвт - то госсвязь надзора можно не опасаться… 😃 А вот 500, 800мвт, и выше- особенно возле крупных аэропортов- вполне 😃. Забить этим ДМЕ конечно же нельзя, но не увидеть помеху, перекрывающую аж 20 каналов, они не не могут 😃 и при частом повторении вполне могут начать искать.

насчет этого не буду продолжать - бо есть опасность скатиться в околофлеймовый оффтопик =)

serj:

у нас в Питере этими г…-ными камерами все просто завалено. от 1200р.
кстати, сама камера в китае, без радиоканала стоит 5-6$- (матрица +кренка+корпус+ ообъектив)

да что там китай! у нас в мск как запчасть к мобильному камеры продаются - таже матрица+корпус+объектив - в зависимости от разрешения от 5 до 15 уе
преимущество для авиации -малый вес (1.4г.) габариты соответствующие
недостаток - плохая документированность. питание от 1.8V .последовательный цифр.интерфейс - LVDS18 - данные идут на частоте 120МГц - нужна специальная “обвязка”, чтобы вынимать их 😦
но есть перспектива - гнать всё в цифре через ВайФай - благо за 2.4ГГц никто по шапке не настучит!

Driver-NN
Doka:

но есть перспектива - гнать всё в цифре через ВайФай - благо за 2.4ГГц никто по шапке не настучит!

Кстати, на счет больших частот - 1.2 и 2.4 ГГц применять на самолете не есть хорошо, так как связь напрочь теряется при некоторой ориентации антенны передатчика. Даже бальзовый фюзел или крыло умудряются экранировать антенну, так как габариты больше длины волны.
По этому я сейчас и думаю перейтти на более низкие частоты типа ДМВ в начале диапазона. Прием планируется вести на штатный тюнер телевизора или видеоплеера, да и с антенной приемника проблем не будет, так как всяких “Дельт” по 200 руб. на радиорынке навалом…

Doka
Driver-NN:

Кстати, на счет больших частот - 1.2 и 2.4 ГГц применять на самолете не есть хорошо, так как связь напрочь теряется при некоторой ориентации антенны передатчика. Даже бальзовый фюзел или крыло умудряются экранировать антенну, так как габариты больше длины волны.

дык!. естественно!.. только если применять на ДМВ антенну схожей конструкции (на передачу) то эффект будет такой же… всеже порядки длин волн примерно такие же…
на 2.4ГГц можно уже не довольствоваться ТОЛЬКО полуволновым вибратором - а использовать полноценную направленную антенну (светящую вниз) - благо габариты позволяют…
… в сети тысячи конструкций любительских антенн для ВайФай - основа одной из распространенных направленны х -это лист фольгированного стеклотекстолита 140х140мм - т.е. как раз-таки тот самый “противовес-экран”…
максимум диаграммы направленности перпендикулярен проскости листа

Driver-NN

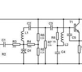
Сляпал сегодня передатчик “по мотивам” этой схемы vrtp.ru/index.php?act=categories&CODE=article&arti… .
После непродолжительного траханья с настройкой, все нормально заработало, качество картинки близко к идеальному, НО мощность сигнала очень слабая. При выносе передатчика в другую комнату на экране появляется снег, а на внешнюю антенну (которая на крыше стоит) вообще еле-еле ловится. На выходе вместо КТ3101 стоит КТ610 с дросселем в коллекторе вместо резистора на 240 Ом. Дальше его раскачивать некуда, и так сильно теплый.
Антенну пробовал настраивать откусыванием от 35 см по 5 мм, пробовал телескоп задвигать-раздвигать, кондер перед антенной крутил по всякому, результат - описан выше.
Весь девайс потребляет ток 90 мА при напряжении питания 12В, частота 783 мГц. По грубой оценке получается, что приемник сливает в антенну миливатт 20, а жрет при этом больше ватта!
Как отправить всю эту дурь в антенну - пока не знаю.
Подскажите, пожалста, что я не так делаю?

Панкратов_Сергей

Зря затеялись с АМ передатчиком.

  1. Для получения картинки схожева качества с ЧМ мощность передатчика должна быть
    более чем на порядок больше.
  2. Для АМ нужна высокая линейность усилителя.Т е режим А с большими токами покоя.
    реально в промышленных схемах КПД выходного каскада не более 15-20 %.
    Для ЧМ линейность пофигу -хороший КПД.
    Т.е получаем потребление выходного каскада для АМ раз в 20-100 более чем для ЧМ для
    получения такого же качества картинки.
    По этой причине в космосе ЧМ.
    Или ММДС- при мощности 20 вт на канал накрывают ту-же территорию что АМ 1000вт.
    По вашей схеме.
    Именно этот чип не использовал.
    Но по всей видимости на выходе у него не более25 мв.
    А на антенне нужно хотя бы 2,5В-примерно 90мВт.
    Не такая простая задача.
    Проще всего использовать микросборку от магистральных усилителей кабельных сетей.
    С приемлемой линейностью можно иметь 100-150 мВт на одном канале.
    Но это тупиковый путь.

Поправлюсь -обычная ММДС - с АМ модуляцией.
У нее выигрыш за счет антенн с большим усилением.
Есть разновидность Митрис с ЧМ.
Вот на ней мощности порядка 200мВт а зона охвата та-же.

klen_s
Панкратов_Сергей:

Для АМ нужна высокая линейность усилителя.Т е режим А с большими токами покоя.
реально в промышленных схемах КПД выходного каскада не более 15-20 %.

Даже добавить нечего. больше 50% кпд по определению неаозможно получить в режиме A.
Что вобщем и хрен с ним.

Насамам деле в этой схеме выходной транзистор в режиме А не работает. 47к в базе КТ610 дает режим с отсечкой. Можно попробывать уменьшить сопротивление этого резистора и подоткрыть транзистор - мощность должна увеличится, но если транзистор и антенна не согласованна то эфетк может быть и обратный - жрать будет больше по любому и далеко уже не ватт.

Есть вариант сделать мостовую схему из двух транзисторов, помойму все так и делают когда линейную амплитудную характеристику нада получить с более менее нормальным КПД. Все усилители мощности звука так сделаны.

Я щас обдумываю решить проблему в корне - появились кодеки которые зажимают поток с CCD матриц в кадры формата JPEG2000 и сильно сужают полосу сигнала, с другой стороны мои знакомые из МТУСИ уже передают в цифре чернобелую картинку 10 кадров в секунду через трансивер CHIPCON CC1020. Вобщем я думаю скоро сделам - кто будет первый не известно но такое ЖУТКОЕ отстования в области развития авиамодельной электроники просто изумляет и не позволяет остатся в стороне. Какойто сраный футабовский передатчик, который смеют называть “компьюторным” стоит кучу денег… да он ваще ничего не стоит…кусок пласмассы и аккамулятор…остальное уже давно стоит 1 бакс …

Driver-NN
klen_s:

Насамам деле в этой схеме выходной транзистор в режиме А не работает. 47к в базе КТ610 дает режим с отсечкой. Можно попробывать уменьшить сопротивление этого резистора и подоткрыть транзистор - мощность должна увеличится, но если транзистор и антенна не согласованна то эфетк может быть и обратный - жрать будет больше по любому и далеко уже не ватт.

Так я первым делом уменьшил этот резистор до 22К, увеличил кондерчик на базе до 100 пик и вместо резистора в эмиттере поставил дроссель на 100 мкГ. Транзистор раскачан прилично, греется до сильно теплого. Проблема в согласовании с антенной. Хотя и сейчас дальность и качество картинки уже не хуже, чем у китайской фитюли на 1,2 ГГц.
Пробовал настраивать антенну по току потребления - не получилось. Теперь вот думаю сделать простенький волномер. Посоветуйте, пожалуйста, какой длины сделать “уши” у волномера для 750 МГц (длина волны, 2/3 или 1/2)?
____________________________________

p.s. Полностью с Вами согласен, что маюсь дурью и положительного результата не будет. Но сам процесс увлекает. Раньше я никогда ВЧ не занимался, только цифрой (измерительная аппаратура типа АЦП-комп-софт).

Панкратов_Сергей

Сложно что-то посоветовать.
Может у вас паразитное возбуждение.
Может несогласование.
Из своего прошлого опыта-
Для получения выходной мощности 100 мВт на 40 ТВ канале использовал КТ913.
Режим- питание 12 В ток коллектора 90 ма.При меньшем нарушается синхронизацияиз-за недостаточной линейности.
Усиление около9 дБ.Более не вытянуть. В качестве возбудителя использовал модулятор от кабельной станции Планар с выходным уровнем 120 дБ(примерно 12 мВт).
На метровых каналах использовал КТ934.
Усиление до 16 дБ. Питание 20 В. Ток 200 мА
Вообще такие вещи практически невозможно настроить без ИЧХ.
Я пользовался Х1-42 или Х1-50.

Driver-NN

Короче, добрался я до нормальных приборов, настроил самопальный пердатчик. Дальность и качество картнки получились как у китайской камеры на 200 мВт. В принципе, неплохой результат, но выводы следующие:

  1. Не нужно связываться с АМ, так как передатчик имеет сильно низкий КПД
  2. Даже жалких 2 каскада усиления невозможно настроить без хорошей аппаратуры
  3. Если кто надумает сам делать передатчик для видео - забейте. Купите китайский на 1500 мВт и будет счастье 😃
Prikupets
Driver-NN:
  1. Если кто надумает сам делать передатчик для видео - забейте. Купите китайский на 1500 мВт и будет счастье 😃

И какая дальность будет на 1500 мВт (в китайских единицах измерения) без спец. антенны, на штатной штыревой ?