Разветвитель AV сигнала
Ищеться схемка активного AV разветвителя.
На подобие: www.rangevideo.com/index.php?main_page=product_inf…
Может кто что подскажет???
Проще простого : www.masterkit.ru/main/set.php?num=387
Проще простого : www.masterkit.ru/main/set.php?num=387
Присоединяюсь. Особенно если разъемы не ставить. 😉
Актуальная тема.
А то использовал вот такой переходник

Выводил изображение на ЖК-экран и на устройство записи. Яркость падала вдвое.
Проще простого : www.masterkit.ru/main/set.php?num=387
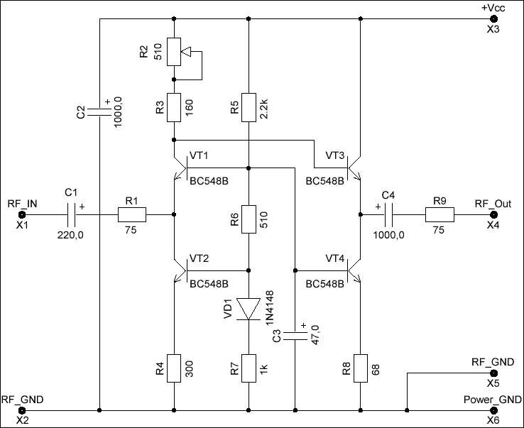
Номиналов деталей не указано:(
Я так полагаю что номиналы будут такими как здесь:www.masterkit.ru/info/magshow.php?num=267
а конкретно здесь: www.masterkit.ru/images/magazines/RD_6_8_2s.gif
А на три выхода роздано через резюки по 75 Ом?
вот еще схемка www.chipinfo.ru/literature/radio/199901/p13.html
вот еще схемка l
Главных отличий от предыдущей- два 😁
Двухполярное питание (где его взять в полевых условиях?)
И чистая “теоретичность”: у “Мастеркита”- все изделия производятся серийно и работают 😒
А здесь- разработка на “кончике пера”.
Зачем “буферить” звук- вообще не понятно: входное сопротивление любого усилителя- не меньше 10ком, можно вешать хоть пять потребителей- выход приёмника их потянет.😈
Номиналов деталей не указано:(
через резюки по 75 Ом?
Эти 75 ом- имеют два назначения: при КЗ в одной из линий- не посадить сигнал в 2х других.
И второе- разделить сигнал пополам (на входном сопротивлении монитора)
Зачем- не знаю 😍
Эти 75 ом- имеют два назначения: при КЗ в одной из линий- не посадить сигнал в 2х других.
И второе- разделить сигнал пополам (на входном сопротивлении монитора)
Зачем- не знаю 😍
Стандарт AV сигнала предусматривает 1 В размаха на 75 Ом. Кабель передающий сигнал должен иметь волновое сопротивление 75 Ом. Когда Rвхода=Rвыхода=Zкабеля - все согласованно.
Стандарт AV сигнала предусматривает 1 В размаха на 75 Ом. Кабель передающий сигнал должен иметь волновое сопротивление 75 Ом. Когда Rвхода=Rвыхода=Zкабеля - все согласованно.
Ну, волновое сопротивление ( Z) и резистор 75 ом- вещи несколько разные 😒
Здесь то всё это (на частоте 4,43 Мгц) роли не играет: главное, чтобы выходное сопротивление разветвителя- было как можно меньше- этим определяется его
нагрузочная способность.
Уж поверьте на слово, я с этими штуками имел много -много дел 😎
Ну, волновое сопротивление ( Z) и резистор 75 ом- вещи несколько разные 😒
Учитвая, что L и C выхода данной схемы в рабочем диапазоне частот относительно малы, Rl~=0; Rc >> 75 Ом, Z схемы = R = 75 Ом.
Здесь то всё это (на частоте 4,43 Мгц) роли не играет: главное, чтобы выходное сопротивление разветвителя- было как можно меньше- этим определяется его
нагрузочная способность.
Уж поверьте на слово, я с этими штуками имел много -много дел 😎
Попробуйте не согласовывать видеокабель длиной 10-15 м, и почувствуйте разницу. 😉
Попробуйте не согласовывать видеокабель длиной 10-15 м, и почувствуйте разницу. 😉
Лет…дцать использую для монтажа систем видеонаблюдения кабель 4х канальный (плоский) 4х0,12 Подольского завода, предназначенный для НЧ сигналов (провод многожильный, каждая жила- в своём экране,Ф 3мм) 😁
Обычная камера работает на него без всяких согласований до 150 метров.
Проверено многократно 😒
А вот особо талантливые, которые используют коаксиал РК75- “хорощий, заграничний” (иногда приходишь на объект- а там уже всё проложено! 😆)- как раз и “чувствуют разницу”.
Но, если есть охота согласовать- против неё не попрёшь! 😍
А как это делают в “лучших домах”?
[QUOTE=blade;1384431]Главных отличий от предыдущей- два 😁
Двухполярное питание (где его взять в полевых условиях?)
И чистая “теоретичность”: у “Мастеркита”- все изделия производятся серийно и работают 😒
А здесь- разработка на “кончике пера”.
Зачем “буферить” звук- вообще не понятно: входное сопротивление любого усилителя- не меньше 10ком, можно вешать хоть пять потребителей- выход приёмника их потянет.😈
Нащет двуполярки недосмотрел,а вот нащет звука-не ппробламка выбросить микруху, да и на двух транзисторах работать будет не хуже чем мастеркитовкая.
blade верно говорит. Низкочастотный сигнал может просто по параллельным проводам передаваться отлично, какое там волновое сопротивление ему не важно. Главное, чтобы его электрическое сопротивление было разумным и сигнал просто не затух из-за омических потерь. Но если кабель не в другой город тянете, это не важно.
Например большинство людей при прокладке проводов в самолете для видео сигнала используют обычные 3х жильные провода для сервомашинок, иногда витые, иногда плоские. Соединяют обычными контактами, никаких коаксиальных проводов. А уж если кто использует коаксиал, то только для защиты от помех.
blade верно говорит. Низкочастотный сигнал может просто по параллельным проводам передаваться отлично, какое там волновое сопротивление ему не важно.
Волновые эффекты начинают сказываться, когда длинна волны сигнала сопоставима с длинной кабеля. Низкочастотынй сигнал точно так-же отражается и вычитается в несогласованном кабеле. Для 4.5 Мгц длинным считется кабель от 50 м
Например большинство людей при прокладке проводов в самолете для видео сигнала используют обычные 3х жильные провода для сервомашинок, иногда витые, иногда плоские. Соединяют обычными контактами, никаких коаксиальных проводов. А уж если кто использует коаксиал, то только для защиты от помех.
Я же не про модель говорил. Речь шла о схемотехнике, о том зачем на входе и выходе разветвителя установлены резисторы по 75 Ом? Просто - это грамотно спроектированная схема, рассчитанная на общий случай, в том числе и на передачу AV сигнала на сотни метров.