Отдельностоящий (выносной) модуль РУ для FPV.

Papercut

Приветствую, коллеги!

Решил вот описать данный агрегат, который недавно (в начале лета) сваял и активно использовал в полетах.
Основное назначение девайса:

  • беспроводной вынос антенны РУ на достаточно большое расстояние от тушки пилота, дабы эта тушка не заслоняла собой и не ослабляла\экранировала сигнал РУ.
  • зафиксированное положение антенны РУ для обеспечения максимальной зоны покрытия.
  • использование нескольких передатчиков РУ разных диапазонов\производителей без необходимости производить сложные переключения.
  • установка на антенный трекер - в перспективе, при этом проводов до пульта не потребуется.

    Составные части:
  • приемник FrSky D8R-XP 2.4GHz с serial PPM выходом.
  • передатчик РУ FrSky DIY-V8HT 2.4GHz с входом serial PPM.
  • передатчик РУ RockwellHobby (1slon.ru) 433MHz с входом serial PPM.
  • BEC 5V 2A для питания приемника.
  • цифровой вольтметр для котроля напряжения батареи.
  • батарея 1500mAh 3S.
  • двухпозиционный переключатель для переключения питания между передатчиками.
  • корпус от мертвого Вай-Фай роутера Акорп - опционально)
  • кучка проводов, паяльник и прямые руки)

Принцип работы вроде очевиден, вкратце.
Пульт биндится с приемником. С PPM выхода приемника сигнал поступает на выбранный передатчик, (я провода сигнальные переключаю вручную, но можно и переключатель поставить) на который надо не забыть подать питание используя переключатель питания. Далее сигнал преспокойно идет на пепелац.
Модуль имеет крепление для установки на штатив. Можно при желании и возможности вообще на какую-нить мачту водрузить)
Антенна навинчивается в соответствии с используемым в данный момент передатчиком. Две одновременно навинчивать конечно не нужно.
Батареи 1500мАч 3S хватает часов на 12 непрерывной работы как минимум, заряжаю редко и по мере необходимости, по вольтметру без труда определяется текущее состояние батареи.
Модели не требующие такой дальности управления биндятся напрямую к пульту, чтобы не таскать с собой эту коробку без необходимости.

Предупреждая вопросы и критику относительно взаимовлияния двух одновременно работающих передатчиков (пульт и модуль) - не переживайте, все современные аппаратуры имеют технологии “прыгания” по частотам и друг на друга практически не влияют.

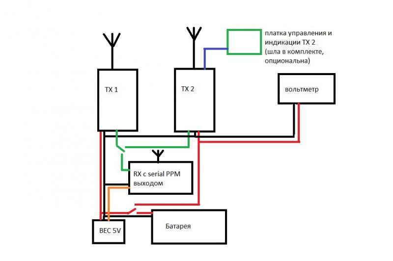
Схема подключений прилагается. Легенда:

  • красный - питание 12В.
  • оранжевый - питание 5В.
  • черный - “земля”.
  • зеленый - сигнальный.
  • синий - провод до опциональной платки управления FrSky
    Питание подключается на балансирный разъем батареи ввиду его меньших габаритов.

Естественно составные агрегата могут быть любыми, главное, чтобы приемник имел выход serial PPM. Вместо такого приемника можно использовать связку: любой приемник + PPM encoder.

Фото со всех ракурсов прилагаю.

Что стоит иметь ввиду и минусы агрегата:

  • настройки ФейлСейф записываются в аппаратуру на самолете, но нужно иметь ввиду, что при отказе пульта ФейлСейф не сработает, т.к. связь самолета с модулем при этом не пропадет.
    Настройки ФейлСейф для случая отказа пульта записываются в приемник модуля и должны более-менее совпадать для разных моделей, что вобщем-то вполне достижимо, т.к. эти настройки как правило устанавливают рулевые плоскости в нейтральное положение. В общем иметь ввиду и проверять этот момент, особенно при наличии серьезных значений триммеров. Наличие активной стабилизации и автопилота этот момент нивелирует.
  • не забывать, что сигнал на самолет идет не с пульта, а с модуля. А то я как-то пошел в поле, ведя самолет от третьего лица, ушел метров на 100 от коробки и получил потерю связи.

В остальном все прекрасно. Готов выслушать аргументированную критику\конструктивные предложения.

KBV

а в чем ноу-хау? у нас половина с ретрансляторами летает) что их два?))

Papercut
KBV:

а в чем ноу-хау? у нас половина с ретрансляторами летает) что их два?))

Просто не нашел похожей темы в пределах разумных листаний форума.
А так конечно ничего нового, для новичков полезно будет. Вот и решил поделиться.

KBV

У меня ЛРС Эксперт, он питается от 12в, поэтому отличия от вашей схемы:
-на питании стоит DCDC StepUp-StepDown для включения от автомобиля - в авто дикие броски напряжения при включении двигателя и вентиллятора. Стаб в любом случае дает 12 вольт.
-тумблер на питание - переключает DCDC и прямой вход (для работы от 3S) т.к. при работе DCDC передатчик не видит разряда батарей
-маааленький куллер на обдув передатчика
-всё 😃

В вашей схеме - я бы сделал переключение передатчков перемычкой внутри, т.е. чтобы нужно было разобрать прибор. С целью- избежать случайного переключения и отложилось в голове необходимость переставить антенну)
А вообще, если есть такая необходимость, лучше сделать 2 разных ретранслятора. На поле не должно быть выбора куда крутить антенну 😃

Papercut
KBV:

В вашей схеме - я бы сделал переключение передатчков перемычкой внутри, т.е. чтобы нужно было разобрать прибор. С целью- избежать случайного переключения и не забыть переставить антенну.

У меня оно там фактически так и есть, чтобы включить другой передатчик нужно один провод с разъема сдернуть, а другой на его место включить. Случайно не переключишь. Или Вы про переключатель питания?

KBV:

А вообще, если есть такая необходимость, лучше сделать 2 разных ретранслятора. На поле не должно быть выбора куда крутить антенну

А я наоборот решил минимизировать количество коробок 😃

KBV:

на питании стоит DCDC StepUp-StepDown

Подкиньте линк на такой девайс, если не сложно. Мне что-то либо степ-ап, либо степ-даун попадались, иметь в одном флаконе такую штуку было бы очень хорошо.

KBV
Papercut:

Подкиньте линк на такой девайс, если не сложно. Мне что-то либо степ-ап, либо степ-даун попадались, иметь в одном флаконе такую штуку было бы очень хорошо.

на ebay.com введите “stepup stepdown” 😉

type_2

а для футабы как сделать такую штуку? простой ретранслятор. это нужен приемник футабовский с ппм выходом или как?

Papercut
type_2:

а для футабы как сделать такую штуку? простой ретранслятор. это нужен приемник футабовский с ппм выходом или как?

Или приемник с PPM выходом, или обычный приемник + PPM Encoder.

type_2

где взять или одно или другое? 😃

Papercut
type_2:

где взять или одно или другое?

У меня Футабы не было и не планируется, так что ничего посоветовать не могу. PPM Encoder точно продает тот чувак, который Expert LRS делает.

CaSpeR=

если модуль у футабы съемный, то можно на его место поставить фриску, а уже с приемника фриски гнать ппм на родной футабовский модуль, а если не съемный, то овчина выделки не стоит. да и вообще мне кажется, что ретранслятор имеет смысл делать только для lrs.

Tahorg
type_2:

где взять или одно или другое? 😃

Купите Ардуино Нано. 10 баксов. Прошивок в мире море, хотите - дам свою, с которой сам сейчас летаю.

Glebus65

Я не знал про такой вариант (Ардуино) - может тут покажите Ваш вариант? С прошивкой.
У самого Футаба с энкодером, брал тут. Это Эксперта и есть энкодер. Для любой ЛРСки подходит.

Dacor
type_2:

где взять или одно или другое?

Приемник ФрСкай для Футабы (протокол FASST) - есть выход CPPM.

Tahorg
Glebus65:

Я не знал про такой вариант (Ардуино) - может тут покажите Ваш вариант? С прошивкой.
У самого Футаба с энкодером, брал тут. Это Эксперта и есть энкодер. Для любой ЛРСки подходит.

Мой вариант - приемник мультиплекс и к нему ардуино мини 5v/16MHz, 8 каналов заведены на ноги ардуины - вроде как 2,3,5,6,7,8,11,12 и ppm сигнал с ноги 9 идет в LRS. Но у меня мини, так как есть в доме FTDI, а при его отсутствии лучше нано - там есть USB порт. Питание приемника с 5В пина ардуины, все запитано той-же 3х баночной липолькой, что и LRS.

Если есть энкодер эксперта, то чтоб его и дальше не пользовать.

dima043

Я читал что многие штыревые антенны на этот диапазон (433) рассчитаны работать в центре крыши автомобиля или стоя на листе металла такой величины. Я свой Rmilec так и ставлю.
А как быть с выносным модулем в этом случае ?

KBV

странный вопрос) антенны, которые расчитаны на работу на крыше- должны там и работать. Их легко узнать по магнитному основанию)))

бывают правда еще “врезные”, для вкручивания в отверстие в крыше- их тоже легко узнать по характерному кронштейну с болтом)

Papercut
dima043:

Я читал что многие штыревые антенны на этот диапазон (433) рассчитаны работать в центре крыши автомобиля или стоя на листе металла такой величины. Я свой Rmilec так и ставлю.
А как быть с выносным модулем в этом случае ?

У того же Эксперта в инструкции к магнитной антенне написано, что нужно устанавливать на металлическое основание, например крышу авто или любой металлический лист размерами не менее 10х10 см. Плюс ко всему эта антенна с достаточно длинным шнурком идет, так что я проблем приляпать ее на какой-нить лист металла не вижу)

Akadem

На 1slon.ru есть видео-ролик о возможностях их системы…там два пульта подключены к одному ТХ-модулю.
Возник вопрос- на какое расстояние возможно передать сигнал РРМ по проводам от кодера до ТХ-модуля( от основной платы до модуля ТХ)?
Спасибо!
извиняюсь…можно бы спросить там, но вдруг кто то сталкивался…

Airwolf
Papercut:

У того же Эксперта в инструкции к магнитной антенне написано, что нужно устанавливать на металлическое основание, например крышу авто или любой металлический лист размерами не менее 10х10 см.

У меня так.

Yden

я тоже в ближайшее время собрался сколхозить ретранслятор точнее два один 2.4----> 433(frsky—rmilec), другой 1.2---->5.8(lawmate—2 нано модуля на 5.8 с фокстеча)
т.е получится что у меня в поле будут все частоты 433,1.2,2.4,5.8 и все задействованы по идее должно работать , кто нибудь делал как всё это хозяйство вместе себя чувствует ?

Papercut
Yden:

кто нибудь делал как всё это хозяйство вместе себя чувствует ?

На 1.2 трансивер стоит наверное на всякий случай Low Pass фильтр присобачить, а в остальном - почему бы и нет.
Видео ретрансляторами не занимался, у меня телек - мне без надобности. Так что заключение чисто умозрительное)

Yden

я до того как купил лрску летал на фрскае и с 1.2 видео никаких проблем до 500 метров не было , а тут расстояние будет максимум метров 30 , так что вроде должно нормально работать , доедет комплектуха соберу отпишусь, ну и тут ещё плюдс в том что приёмник 2.4 будет оставаться на земле а самолёт с передатчиком на 1.2 улетать так что условия должны быть ещё лучше

schs
Yden:

кто нибудь делал как всё это хозяйство вместе себя чувствует ?

Постоянно так и используется, проблем нет.
Сейчас в качестве LRS - expert, videotx на очки - родной передатчик 5.8 от Fatshark.

type_2
Yden:

т.е получится что у меня в поле будут все частоты 433,1.2,2.4,5.8 и все задействованы по идее должно работать , кто нибудь делал как всё это хозяйство вместе себя чувствует ?

да нормально все 😃