Activity

Драйвер для коллекторного двигателя на полевых транзисторах

Так давно пора. У тебя эта первоначальная стадия затягивается на долго. Я тебя уже пытался вовлечь в мир микроконтроллеров… Так ты что то отказался…

Сейчас тоже работаю над созданием прошивки - на С++ оказалось все не так уж сложно, как я предполагал. По крайней мере передатчик не должен занть много сил. С приемником, мож прийдется повозится, а так - нет ничего сверхсложного.
3 дня позанимался, уже кое-что могу в плане АЦП, функций, прерываний 😃
Попробуйте, Blaster, к тому же не такое уж и неинтересное занятие, и схема упрощается до немогу 😉

Драйвер для коллекторного двигателя на полевых транзисторах

Для наших целей вполне неплохая идея использовать винт с изменяемым шагом. Что коробки передач, что вариаторы - нам чужды. Вы наверное с разделом ошиблись, вам в автомодели надо… Может там что и подскажут.

Ну, это я так сказать просто спросил - для общего развития 😃
про схему на стандартной логике, действительно РЕСПЕКТ 😃

Драйвер для коллекторного двигателя на полевых транзисторах

Как делают на автомодельных регуляторах. Кнопочек там ни каких не делают, и отдельных канало пропорциональных то же. Алгоритм такой, если поехал вперёд, ехал, ехал, и вдруг резко назад, то задний ход не включиться, а включиться сначала тормоз, если нужно пехать назад, то отпускаем ручку на нейтраль и опять даём назад, вот тогда едет назад.

Точно, спасибо за совет - сам не догадался 😃 респект!!!
Про ШИМ: IR4428 я поисчу конечно, но ежели не найду, прийдется делать 95% ШИМ.

2Blaster:
Ваша схема поражает кол-вом деталей и, возможно, продуманностью конструкции (вы извините просто я не такой прошареный, чтобы разобраться в этом), но меня просто интересовал простой драйвер двигателя и решение о торможении. как говорил главный конструктор танка Т-34 “Самая надежная деталь это та, которой нет” 😃
Да, к вам вопрос: Бывают ли автоматические трансмиссии для моделей с мех. переключением, а не с электронным? Почему не используете вариатор, мне кажется для таких целей вполне неплохая идея.

Драйвер для коллекторного двигателя на полевых транзисторах

Да, если делать притормаживание, или мягкий тормоз, так и делают.

Только зачем для тормоза делать ещё один канал?

Я бы посоветовал бы что то, только я не знаю как у вас реализованны органы управления на передатчике. Переменные резисторы R1 и R2, что из себя представляют? Двух координатный джойстик?

Два мотора - видимо управение по “танковой” системе с двумя гусиницами?

Опишите что у вас и как… Мож что посоветую…

А по схеме посоветую вот что, см схему внизу. Запитывайте схему питания процессора и приёмника, от аккумулятора не на прямую, а через диод-шотки. Так хорошо фильтруются помехи, от двигателей, кстати дросель то же не помешает, у вас он есть.
И используйте не 78L05, а стабилизаторы с низким падением - LM2940CT-5.0, LM2931-5.0T и т.д.
Поверь от двух моторов там такая помеха будет стоять по питанию… Можешь потом сам осциллографом посмотреть…

Ещё диоды защитят от переполюсовки цифровую часть и драйвера, самое дорогое.

Джойстики из себя представляют 2 механически не связанных между собой длинных (не круглые) переменных рез-ра. К ним подсоединены пружины, чтобы возвращались в среднее положение.
Идею по торможению понял - вы наверное хотели скзать, можно предусмотреть кнопочку, при нажатии которой мои рез-ры будут работать не на ускорение, а на торможение))) интересная мысля!!!
Про питание: буду юзать 2931. За совет про диоды спасибо.

На дискретной апе серво привода не существует !

Ну это понятно, что не бывает, иначе как менять угол 😃
Правда у меня не серва будет, а двигатели постоянного тока. Сила тока там не очень большая (до 2,5-3А), просто хотел на полевиках, чтобы поменьше были потери в транзисторах (КПД коллекторников и так не очень большой, учитывая их вес) и просто попрактиковаться 😃
И как уже писал, определился с выбором.

P.S.Как сделаю, пришлю фотки 😃 (но, думается, не раньше чем через пару месяцев, т.к. написание прошивки - еще та мука для меня)

Драйвер для коллекторного двигателя на полевых транзисторах

Чет не понял ничего в приложенной схеме… Что означает “чип сервы” на который подается сигнал “pulse”? На сайте паяльника несколько другая тема, т.к. там все на старинных элементах посторено,и, скорее всего ТТЛ логике на биполрных транзисторах, а хотелось бы на полевых.
В принципе, с драйвером определился - буду использовать IR2101 (входы без инверсии) и n-канальные ФЕТы. в наших магазинах их много и достаточно доступно.

Драйвер для коллекторного двигателя на полевых транзисторах

😃
спасибо, это то что надо! Покопался в вышеприведенных материалах, в принципе рег-ры более-менее однотипны (Н-мост). то, что проверена - хорошо 😃 Буду ее пробовать. Думаю, можно даже сделать “притормаживание” подавая ШИМ на B и D, но тогда нужно городить еще 1 пропорциональный канал…
Еще раз спасибо!

Драйвер для коллекторного двигателя на полевых транзисторах

ubd, спасибо большое!!!, ваша инфа + поиск = очень многое понял про полевые транзисторы 😃 😃

Почему именно вход ШИМ, да ещё и направление вращения 1 или 0.
Объясните всё по пордку, что ходите, короче всю схему в студию, что стоит за входом ШИМ.

Возможно что можно предложить более простой вариант, и не городить схемы непонятные. Велосипед изобретать то зачем…

Я извиняюсь что сразу не привел схему, просто думал, что вопрос легко решится, а здесь прийдется чуть пораздумать…
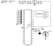
Описание:
Для построения хочу использовать ATmega16 в приемнике и в передатчике. (Мне советовали использовать з серии 48…168, но мне с 16-й мегой проще работать, т.к. я ее уже немного знаю). Обмен данными будет осуществлятся через USART в асинхронном режиме.
2 пропорциональных канала используются для управления вышеупомянутыми двигателями. Двигатели с реверсом, т.е. при среднем положении ручки регулятора не вращаются. Остальные каналы - дискретные, будут работать на нагрузки (светодиоды). В дальнейшем планирую еще и дисплей на передатчик прикрутить. Но сначала начну с простого😒

Если можно, то посоветуйте пожалуйста как правильно сделать драйвера моторов)))

P.S. В приемнике на приемный модуль забыл питание 5В нарисовать 😃

Драйвер для коллекторного двигателя на полевых транзисторах

Моторы будут использоваться в небольшом автомобильчике. Коллекторные еще и потому, что их можно легко найти: автомобильные омыватели, ЦЗ, привода дворников. + еще достоинство, что в таких девайсах сразу получаем редуктор 😃
0 или1 - ну это я придумал, думал, может так легче будет подобрать драйвер…
По схеме немного не понятно: зачем нужны IR4428? Там стоит операционный усилитель и все… ФЕТы типа IRF7311 управляются логическим напряжением, их можно подключать напрямую к МК. Я думал можно сделать как на вложенной схеме.

P.S. желательно еще предусмотреть торможение.

P.P.S. Нашел мостовые МС управления коллекторниками (которые у нас продаются! 😃) www.gaw.ru/html.cgi/txt/publ/…/rohm_revers.htm На рис. 1 схема с использованием биполярных тр-ров. Можно ли как-нибудь подключить вместо них полевики:)

Драйвер для коллекторного двигателя на полевых транзисторах

Драйвера есть разные, под н канальные феты, под п+н. В самодельная электронника\контроллер безколлекторного двигателя почти через страницу обсуждаются разные драйвера с разными ключами. Посмотрите. Вам вместо 3-х фаз надо будет собрать две…

А кпд лучше повышать выкидыванием коллекторников!

Я расчитывал на н+п. Фаз 2. Что можно применить вместо коллекторников? Шаговые тяжеловаты будут…

Драйвер для коллекторного двигателя на полевых транзисторах

Здравствуйте!
Правила читал, в поиске искал (наперед извиняюсь перед модераторами если чего не так) 😃
Проблема следующая:
Нужен драйвер управления коллекторным электродвигателем, который будет собран на полевых транзисторах. Направление вращения задается сигналом 0 или 1 (вперед/назад)
Почему на полевых?

  • В моем проекте будет использоваться 2 двигателя для движения, поэтому хочется минимализировать потери в транзисторах и увеличить КПД цепи “транзистор - двигатель”.

Параметры двигателя:
питание 12В мощьность до 15Вт.

Схема:
Управление построено на ATmega16. Задействовано 2 выхода на ШИМ (на 1-й и 2-й двигатель).

Схемы на TC4469 и TA8428 встречал, однако:

  1. эти МС для меня достать проблематично (нет в нашем городе в продаже)
  2. TA8428 это мостовой усилитель на БИПОЛЯРНЫХ транзисторах.
  3. Нашел в магазине отличные МДП-сборки (irf7389), состоящие из 2-х транзисторов разной проводимости, суммарное сопротивление которых = 0,09 Ома 😁

Просьба помочь со схемой драйвера на доступной МС 😃 или драйвер на одиночных элементах😍.
Спасибо