бортовой стартер, делов то… самолет то немаленький…
бортовой стартер, делов то… самолет то немаленький…
Случаем на знаете где такой найти под 20сс бензиныч?
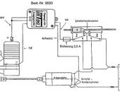
На этом пипилаце установлен бортовой эл стартер. Тема очень и очень интересная. Вариаций существует достаточно много. Принцип достаточно простой, фото тому подтвержение. Классические системы on-board стартеров ( отдельный электромотор стартера, понижающий двухступенчатый(плнетарный) редуктор очень хорошо работают. Но есть же ещё и так называемые династартеры( на момент запуск стартер, во время работы он же генератор) 😎 и . последнее фото комбинированный вариант (генератор и стартер установлены отдельно).
Сам хочу попробовать бортовую систему, но всё руки не доходят… Думаю всёже скоро возьмусь за Saito FG-36, а к сезону хотелось попробовать и DA-50 c “системой в коке”.
Бортовые стартеры клссического типа производит компанияFEMA
Вот только фото криво легли- очень устал, торопился-извиняйте.
Кто-нибудь пробовал сделать такой самостоятельно?
Нужен наверное еще регулятор к мотору.
если мотор коллекторный - то тоько микрик на несколко ампер…
В общем то и микрик можно, FEMA используют и регулятор для коллекторника, может и не случайно. Вся сложность для самостоятельного изготовления не в подборе чисел редукоторов, не в изготовлении креплений и корпуса и не в весе полученного блага - всё дело в ведомой шестерне ( которая вешается на вал двигателя), в поиске подходящей обгонки, изготовлению втулок, дистанц шайб итд…короче сам узел привода двигателя через обгонную муфту. Может быть что найти подходящую обгонку совсем не получится, вопрос упирается в изготовление втулки, которая должна намертво фиксироваться от проворота и в тоже время сниматься при необходимости- по ней будет работать обгонка, плюс ко всему всё это нужно отцентровать, ну и не забыть надежно закрепит проп(уже на более коротком вале). Других трудностей на мой взгляд нет.
{"assets_hash":"a8b26fa7f6e768b07a72c8c9aadb9422","page_data":{"users":{"3fb2a43c3df955007779595f":{"_id":"3fb2a43c3df955007779595f","hid":2452,"name":"pentajazz","nick":"pentajazz","avatar_id":null,"css":""},"4445ca243df955007778b9d8":{"_id":"4445ca243df955007778b9d8","hid":13526,"name":"kolmol","nick":"kolmol","avatar_id":null,"css":""},"4756bbff3df955007777f636":{"_id":"4756bbff3df955007777f636","hid":29686,"name":"liisvi","nick":"liisvi","avatar_id":null,"css":""}},"settings":{"can_see_ip":false,"can_report_abuse":false,"can_see_hellbanned":false,"forum_can_view":true,"forum_can_reply":false,"forum_edit_max_time":30,"forum_can_close_topic":false,"forum_show_ignored":false,"forum_mod_can_delete_topics":false,"forum_mod_can_hard_delete_topics":false,"forum_mod_can_see_hard_deleted_topics":false,"forum_mod_can_edit_posts":false,"forum_mod_can_pin_topic":false,"forum_mod_can_edit_titles":false,"forum_mod_can_close_topic":false,"can_vote":false,"forum_mod_can_add_infractions":false,"forum_topic_title_min_length":10,"forum_reply_old_post_threshold":30,"votes_add_max_time":168,"forum_show_post_interval":7,"can_see_deleted_users":false},"section":{"_id":"61c9a54c3df9550077bb50c3","hid":1,"title":"Самолёты с ДВС. Общие вопросы","parent":"61c9a54c3df9550077bb518c","description":"Простые самолёты с двигателями внутреннего сгорания для тренировочных полетов.","is_category":false,"is_votable":true,"is_writable":true,"cache":{"topic_count":3153,"post_count":46960,"last_post":"66b8f075c68e4ffcbc0d8bb1","last_topic":"668c30cd563b07d6031abf5d","last_topic_hid":572480,"last_topic_title":"Колеса-дутики от Техноспорта.","last_ts":"2024-08-11T17:10:13.011Z","last_user":"5f2fbbe83df95500776f4a70"}},"topic":{"_id":"494015bd3df9550077a463aa","hid":124454,"title":"Удаленный стар двигателя!","views_count":2334,"last_post_counter":7,"cache":{"post_count":7,"first_post":"494015bd3df9550077a46feb","first_ts":"2008-12-10T19:17:17.000Z","first_user":"4445ca243df955007778b9d8","last_post":"49483fa43df9550077a46ff7","last_post_hid":7,"last_ts":"2008-12-16T23:54:12.000Z","last_user":"4756bbff3df955007777f636"},"st":1,"section":"61c9a54c3df9550077bb50c3"},"subscription":null,"pagination":{"total":7,"per_page":25,"chunk_offset":0},"posts_list_before_post":["paginator","datediff"]},"locale":"en-US","user_id":"000000000000000000000000","user_hid":0,"user_name":"","user_nick":"","user_avatar":null,"is_member":false,"settings":{"can_access_acp":false,"can_use_dialogs":false,"hide_heavy_content":false},"unread_dialogs":false,"footer":{"rules":{"to":"common.rules"},"contacts":{"to":"rco-nodeca.contacts"}},"navbar":{"tracker":{"to":"users.tracker","autoselect":false,"priority":10},"forum":{"to":"forum.index"},"blogs":{"to":"blogs.index"},"clubs":{"to":"clubs.index"},"market":{"to":"market.index.buy"}},"recaptcha":{"public_key":"6LcyTs0dAAAAADW_1wxPfl0IHuXxBG7vMSSX26Z4"},"layout":"common.layout"}