Обсуждение статьи о новом приемнике

DmitryS

Я использовал разьемы от: СОМ(LTP)-портов, СГ-5 (советский круглый разьем с 5-7 дырками),и ГРПМ2 (случайно купил на борохолке) последний оказался самым лучшим, хотя должного натяга все равно не создает (пришлось немного обжать)

abalex

Разъем для кварца: как вариант - от компьютерных разъемов, которые на квадратные штырьки надеваются ( на плоские кабели для IDE наколоты, или на проводах от кнопки RESET и т.п. ) - вытащить из пластмассы и впаять. Там, правда, при пайке есть тонкости, и м.б. они не все одинаковые. Которые я использовал - имеют два прижимных лепестка ( они непосредственно ногу кварца сжимают ).
И еще - они в плане выглядят как квадратная трубка с разрезом, так разрез я снаружи запаял, чтобы меньше разжималось.

pictor88

Расковырял несколько компьютерных разъёмов и нашёл подходящий 😃
Спасибо!

Теперь о настройке…
В КТ1 всё как надо, хотя при сложенной антенне передатчика сигнал пропадает на расстоянии 5 метров. Если антенна выдвинута сантиметров на 10, то передатчик можно носить по всей квартире и с сигналом всё ОК. Это нормально? Позже проверю при полностью развёрнутых антеннах на большем расстоянии, надеюсь что будет работать. Да, у меня LASER 4.

А вот в КТ2 осциллограмма после подбора резистора R5 не очень похожа на ожидаемую. Вернее похожа, но на ней присутсвует ещё один сигнал - импульсы около 4 мс, которые влияют на уровень “полезного” сигнала. Резисторы R7 b R8 у меня отсутствуют, так как декодер будет на ПИКе.

Заметил, что если приложить отвёртку к экрану катушки L1 или к одному из выводов 16, 13 DA1, то осциллограмма в КТ2 в точности воспроизводит ожидаемую.

Если кто знает где засада, поделитесь pls.

pictor88

Поправка к предыдущему посту - сигнал, похожий на первую осциллограмму наблюдается не в КТ1, как я написал, а на 9-й ноге DA1. Только амплитуда намного выше.

В КТ1 сигнал есть, но его амплитуда “плавает” - верх осциллограммы представляет собой не прямую линию а волну.

Что не так?

pictor88

Всё, мужики, заработало!!! 😃 😃 😃
И дальность со свёрнутой антенной появилась. Бегаю по всей квартире и жужжу машинками 😈

Для настройки пользовался “Oscilloscope for Windows” и кабелем от наушников. Так что у кого нету осциллографа, не опускайте руки 😃

Авторам - РЕСПЕКТ!!!

2 months later
pictor88

А кто-нибудь делал УРЧ к этому приёмнику? Если да, то поделитесь плз, схемой.
Без УРЧ, через 150-160 метров по земле, сервы начинают дрожать 😦

Modris
pictor88:

А кто-нибудь делал УРЧ к этому приёмнику? Если да, то поделитесь плз, схемой.
Без УРЧ, через 150-160 метров по земле, сервы начинают дрожать 😦

Uzhe davno sobirajus delatj kak na saite Radioteh , no ksozheljeniju njekak ruki njedohodjat 😦 , poskoljku platu nado zanova razrabativatj i MC3371 v nashih krajah uzhe njedostatj. vot jeslji bi naiti normaljnuju mikruhu na podobije etoi… 😃

Dlja eljkroljotov do 1m vpolnje i takova prijemnji4ka hvatajet, bez УРЧ.

pictor88
Modris:

Uzhe davno sobirajus delatj kak na saite Radioteh

То что надо, спасибо! 😃

Modris:

Dlja eljkroljotov do 1m vpolnje i takova prijemnji4ka hvatajet, bez УРЧ.

У меня двс-ка и хочется большей дальности.

14 days later
pictor88
Modris:

Uzhe davno sobirajus delatj kak na saite Radioteh

Сделал УРЧ по данной схеме. Вместо непонятного транзистора к241 использовал кп303Е. Дальность осталась та же, что и с голой 3371 😦. Схема рабочая, кто-нибудь собирал? Где могут быть грабли?

Спасибо.

V_Alex

Попробуйте собрать первый вариант на КТ368. Только С3 заменить на 5-10 пФ и переподключить его на точку соединения С1-L1 (без промежуточного ответвления), а R2 заменить на 470-680 Ом. Что-то подобное сделано в УРЧ приемника “Пилотаж-8”. Настраивать аккуратно, схема склонна к самовозбуждению. Если есть желание экспериментировать с полевиками - можете попробовать BF998. “Лишний” затвор - на землю через параллельно включенные резистор 10-15 кОм и конденсатор на 1000 пФ.

22 days later
Denn

Здравствуйте!
Хочу поделиться некоторыми соображениями по поводу изготовления и настройки самодельных приёмников.
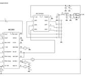
Недавно я закончил изготовление приёмника на МС3361CD и PIC на 5 каналов. В процессе работы было много экспериментов, подборов номиналов деталей и т.д.
Несколько общих замечаний:
Настройку приёмника можно проводить с вывернутой антенной передатчика, как писал Глайдер ( вроде бы ) : специально проверял - оконечный транзистор греется значительно слабее, чем при полностью вытянутой антенне.
Большое значение имеет кварц - т. е. для разных изготовителей должна быть разная настройка приёмника ( поясню позже ). Настроенный приёмник с кварцем GWS не работает с кварцем Graupner !!! Вероятно, если применить в приёмнике внешний гетеродин на транзисторе, то разница может снизиться.
Несмотря на простоту схемы приёмника, там есть много нюансов, которые надо учитывать.
В результате работы получился приёмник по чувствительности одинаковый с Graupner C18 ( очень хороший приёмник ). Дальность действия по земле с передатчиком без антенны ( т.е. излучал кусок провода 8 см от ВЧ блока до антенны ) составила более 50 м.
Чувствительность в микровольтах точно замерить трудно , но она около 0,5 - 0,8 мкВ.
Теперь о приёмнике.
Использован ВЧ усилитель, который повышает уровень входного сигнала в 2-3 раза. Я пробовал разные схемы усилителя ВЧ и остановился на этой из-за её работоспособности. Схемы с удлиннительной катушкой и вторым контуром мне не понравились из-за слабого усиления и склонности к самовозбуждению. Я мерил амплитуду выходного сигнала ВЧ усилителя с расстройкой 1-2 МГц от несущей частоты. При этом уровень сигнала уменьшался всего на 3-7% от максимального на несущей частоте. Поэтому я решил, что селективность входного контура не эффективна и можно обойтись одним контуром. Я поставил готовый контур от беспроводного телефона со встроенным конденсатором. Вместо 2SK544 можно использовать 2SK212.
ПЧ фильтр использован с буквой I - полоса пропускания 2,5 кГц ( т.к. других у меня нет). Видимо из-за узкой полосы пропускания и разброса параметров кварца GWS возникли проблемы с настройкой. Пришлось подбирать конденсаторы С7 и С11, чтобы получить на выходе отрицательные импульсы нужной амплитуды. Чувствительность приёмника при этом была хуже 20 мкВ.
Но в одном журнале была похожая схема приёмника конденсатором, параллельным кварцу ЧМ детектора (С10). Я решил выяснить, для чего он нужен. ПРИ ПОДКЛЮЧЕНИИ КОНДЕНСАТОРА ЧУВСТВИТЕЛЬНОСТЬ РЕЗКО ВОЗРОСЛА!!! Я думаю за счёт расстройки детектора произошло совпадение частот ПЧ и детектора. Если раньше сигнал на С14 был такой, как будто шла мощная помеха, то теперь он стал чистым!
На 10 ногу микросхемы поступают отрицательные импульсы амплитудой около 1 вольта ( что странно, должно быть 0,2-0,4В ), а далее внутренним усилителем микросхемы они усиливаются и инвертируются. Резистором R8 нужно подобрать постоянное напряжение смещения так, чтобы на 11 ноге микросхемы появились импульсы маплитудой 3,3 В. Значение резистора может быть от 560 КОм до 1 МОм.
PIC процессор производит обработку входных сигналов и выдачу сигналов на рулевые машинки. Эта схема и прошивки взяты из интернета www.homepages.paradise.net.nz/…/decoder.html , называется " Smart PPM Decoder ". Хочу предупредить, кто не силён в английском: есть несколько прошивок с разными параметрами и свойствами. Я сначала не разобрался и был очень удивлён, когда пошёл на улицу мерить дальность работы и ушёл метров на 250, а приёмник держал рулевую машинку даже без дрожания. Оказалось, что в прошивке есть режим failsafe, т.е. при включении приёмник запоминает положение машинок и при пропадании сигнала ставит все машинки в это положение! При появлении нормального сигнала работа приёмника восстанавливается автоматически. Исключением может быть канал газа - газ может убраться сам, а после появления хорошего сигнала он не будет работать , пока на передатчике не убрать газ, после чего всё работает. Вариант прошивки можно выбрать, их там 6 или 8 шт.
Вещь приятная и полезная!
Вывод: сделать приёмник самому можно, но надо быть осторожным в выборе комплектующих и работать без их замены на другие.
Крайне необходим осциллограф для нормальной настройки.
Успехов!

ubd

А кто нибуть не задумывался об изготовлении приёмника с PCM дешифратором?

Я за этой веткой давно слежу, вроди бы такого вопроса ещё ни кто не задавал…

V_Alex

На самодельных PCM-приемниках народ уже вовсю летает на RCCombat. В этой теме их нет, поскольку тема (по сути - RC"лягушатник") им неинтересна.
В PCM нужно повторять систему кодировки для каждой фирмы отдельно. “Взлом” - довольно большой объем дурной работы, ИМХО не имеющей смысла без хорошего RC-тракта.

17 days later
pictor88

Добрый день.
Собрал приёмник по схеме которую прислал Denn. Сигнал на выходе есть, но он отличается полярностью от ожидаемого. Как я понимаю надо подобрать С11, С7, R4 и/или заменить ZQ2.

Если декодер будет на PIC-е, есть ли смысл париться с подбором деталей? Ведь будет проще использовать в декодере прошивку для обратной полярности. Или это сказывается на чувствительности и стабильности приёмника?

Спасибо.

11 days later
Denn

Кроме перечисленных можно попробовать подобрать С10. Если можно определить чувствительность приёмника и она будет достаточной, то действительно проще поменять прошивку.

16 days later
pictor88

Собрал приёмник на mc3371 + дешифратор на PIC-е (12F675). Работает, но машинки подрагивают. При увеличении дистанции между приёмником и передатчиком дрожь усиливается, хотя осциллограмма в точке КТ2 остаётся прежней. Собрал 2 приёмника, один из них на макетной плате - результат тот же 😦. Случайно обнаружил, что при подключении питания PIC-а к разным точкам плюсовой шины, уровень подрагивания мащинок изменяется. Запитал PIC через дроссель (470мкГн), дрожь сильно сократилась, но всё-таки присутсвует. Действительно ли PIC может вносить помехи по питанию? Как от этого избавиться?

Думаю собрать дешифратор на CD4015, хочу убедиться что козявки именно в дешифраторе.

ubd

Попробуй с плюса питания проца кондёр 47Н на минус бросить. Возможно дросель будет не нужен. Хотя с ним лучше будет.

pictor88
ubd:

Попробуй с плюса питания проца кондёр 47Н на минус бросить. Возможно дросель будет не нужен. Хотя с ним лучше будет.

Кондёр не помог. Собрал декодер на CD4015. На расстоянии 1-2 метров работает хорошо. С увеличением расстояния появляется дрожь в машинках.

Катушку перематывал, пробовал оба каркаса - на 8 и 11,5 мм. Настойка вроде нормальная - есть позиция, когда вкручивание/выкручивание сердечника ухудшает форму сигнала. Добавление конденсатора с 8-й ножки на землю и подбор резистора R1 ничего не меняют.

Если есть какие-нибудь идеи, присылайте 😃.

ubd

На 9 ноге посмотри форму сигнала. Она не должна быть кривая.
Если кривая, нужно в передатчике девиацию частоты подстроить. Там обязательно есть подстроечный резистор.

Хотя возможно что, на несколько килоГерц, передатчик или приёмник, не на частоте. Если есть частотометр, убедись что передатчик на частоте. И приёмник проверь, если есть генератор ВЧ сигналов.

V_Alex

Какой передатчик используется при настройке, какие кварцы? Огласите весь список, пжжжалста.
Тогда и будем советовать. Приемник собирался по статье или с “улучшениями”?
Макетная плата - вообще не показатель. На ней все будет работать совершенно по-другому.

pictor88
V_Alex:

Какой передатчик используется при настройке, какие кварцы? Огласите весь список, пжжжалста.
Тогда и будем советовать. Приемник собирался по статье или с “улучшениями”?
Макетная плата - вообще не показатель. На ней все будет работать совершенно по-другому.

Предатчик : Hitec Laser 4
Кварцы : пара Hitec 35Mhz, пара Jeti 35Mhz

Передатчик со штатным и другим(Jeti) приёмником работает отлично, при использовании любой пары кварцев.

Первый приёмник собирался по статье. “Улучшением” было использование декодера на PIC. Так как дальность составила около 120-150 метров по земле, добавил УРЧ по схеме от Denn на 2SK544. Плату для этого пришлось изменить. С УРЧ дальность существенно увеличилась, но появилась дрожь в машинках, проявляющаяся даже на небольших (до 10м) расстояниях.

Вчера пробовал настроить входной контур прослушивая сигнала через наушники. Громкость не изменялась во время удаления передатчика от 1 до 10 метров, даже после отключения котура с антенной с 16 ноги mc3371 😵. Ещё через 3-4 метра появлялись шумы, дальше сигнал пропадал.

Если передатчик удалён на 10м или меньше, то ни подстройка сердечника, ни изменения номинала С2 не влияют на звук в наушниках!!! 😮

Всё делалось на макетной плате, по схеме с сайта(без урч). Длина проводников не большая.

ubd

Я думаю входной контур нужно точнее на частоту подстроить. Дело в том что, сердечник в катушке изменяет резонансную частоту контура в небольших пределах. Если сердечником не получается подогнать частоту, то подбирай конденсатор. Лучше в место постоянного, временно подключить переменный на 5-25 пф. Седечник поставить чуть выше среднего положения и кодёром точно настроить на максимальную чувствительность. Чувствительность без УРЧ должна получиться около 5 мкВ.
Потом, замерить получившуюся ёмкость прибором, и поставить постоянный на ту же еёмкость. И опять точно подстроить, уже сердечником, на максимальную чувствительность.

Дело в том что приборы нужны, тогда получается очень качественный приёмник. Я таких уже штук 10 собрал. Все работают как заводские…

V_Alex

Видимо этот УВЧ больше шума в схему закачивает, чем сигнала. Надо еще один контур ставить на входе микросхемы. И настройку вести на приборах на слабом сигнале. Наушники - это уже перебор 😈
Также возможны проблемы с питанием. Или неправильно расположены блокировочные конденсаторы между плюсом и минусом на самой плате.
И еще, гетеродинную часть (обвязка 1 и 2 ног) лучше собирать по статье.

pictor88
V_Alex:

Видимо этот УВЧ больше шума в схему закачивает, чем сигнала. Надо еще один контур ставить на входе микросхемы. И настройку вести на приборах на слабом сигнале. Наушники - это уже перебор 😈
Также возможны проблемы с питанием. Или неправильно расположены блокировочные конденсаторы между плюсом и минусом на самой плате.
И еще, гетеродинную часть (обвязка 1 и 2 ног) лучше собирать по статье.

Приёмник сейчас без УВЧ, всё точно по схеме из статьи. Про наушники здесь писали, поэтому и решил попробовать 😃.
Вчера обнаружил что одна ножка кварца болтается 😕, после замены на другую пару кварцев всё заработало по-другому. Сейча на близком расстоянии машинки не дрожат. Дрожь появляется при удалении передатчика метров на 15 (через 3 котельцовые стенки).

В статье пишут про настройку приёмника при удалении в 30 метров. На этом расстоянии машинки не должны дрожать вообще?

ubd

Со сложенной антенной, метров 40 должно всё стабильно работать и машинки не дрожать. И это при условии прямой видимости в поле, если модель лежит на земле.

Если этим требованиям не отвечает, смотри настройку контура. Видимо не точно, кондёр нужно подобрать.

Я уже говорил, что таких приёмников уже около 10 штук собрал, так вот появился опыт. Настройка всех приёмников сводилась в подборе импульса в пределах 0,3-0,4 мсек, и настройки контура.

Контур настраиваю так: подключаю к приёмнику ВЧ-генератор и ставлю на нём выход около 200 мкв. Припаиваю к девятой ноге наушники и слушаю. Должен быть слышен сигнал 1 кГц, который модулирует генератор. Начинаю постепенно уменьшать выходной сигнал генератора, пока не появятся шумы. Как появились шумы, настраиваю входной контур. Опять уменьшаю выход генератора до 5 мкВ и ещё точнее подстраиваю входной контур.

В общем то всё. Если при 5 мкВ работает, дальность действия будет максимальная. Я точно не проверял, но отказа ниразу не было. Модель отпускал довольно таки далеко.

Так что с помощью наушников, то же можно с большим успехом производить настройку…