Опторазвязка на ISO721,ISO722
у нее входное напряжение питания 3,3В
почитай внимательнее ты можешь запитывать и от 5в( а тоснее от3 до 5,5в)
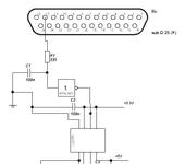
Я так думаю что земли соединять нужно через высоковольтный конденсатор (как например сделано в блоках питания) но никак не напрямую. Между LPT портом и ISO721 можно соорудить нечто такое:

Разумеется номиналы резисторов нужно пересчитать под токи для ISO721.
Ммммм… Сэр, вы меня слегка ввели в заблуждение, или я чегото не понимаю?
Насколько я понимаю ВХОД на мелкосхему цифра то бишь 5В.
А питание входа 3.3В Т.е. Подтяжка должна идти к 5В на степ и дир.
А питание входа мелкосхемы от 3.3 Или я чото не понял?
Вот так буит правильно?
И то что к драйверу, там надо ставить конденсатор или подтягивающий резистор, или еще чего нить?
И надо ли (можно ли) земли входа и выхода соединять
Неправильно.
Гальваническая развязка - это когда части устройства никак не связаны электрически, у них нет ни общей земли, ни общего питания.
Поэтому первое, чем надо озаботиться - это питание части схемы со стороны приема сигнала от LPT (74hc14 и входные цепи ISO). Это может быть либо отдельный трансформатор, либо отдельная обмотка трансформатора со своим стабилизатором, либо преобразователь напряжения с изолированным от входа выходом.
Про напряжение питания:
см. таблицу RECOMMENDED OPERATING CONDITIONS на стр.3, первая же строка
VCC Supply voltage(1), VCC1, VCC2 - 3 (минимум) … 5,5 (максимум),
так что смело можешь питать от 5 В и никакого дополнительного согласования с LPT по уровням не надо.
Про 74hc14 - ее, вместе с ФНЧ (RC ее входах), можно ставить или не ставить, в зависимости от уровня помех. Если ставить - то одинаковые цепи на все сигналы от LPT, чтобы не было разбежки во времени.
Т.е. я могу запитать входную часть от компа, а выходную от драйвера?
А земли ведь по кабелю ЛПТшному все одно соединены?
Или ее надо разорвать?
Т.е. я могу запитать входную часть от компа, а выходную от драйвера?
Можно. VCC1 ISO - к +5 компьютера, VCC2 - к +5 питания драйверов.
А земли ведь по кабелю ЛПТшному все одно соединены?
Или ее надо разорвать?
Земля LPT идет только до общего входов ISO (GND1), после ISO общий, соединяемый с общим драйвера - GND2.
И, Юрий, в твоей схеме 100n на входе 74hc14 - слишком много, ее нужно уменьшить как минимум раз в 10, иначе короткие STEP да еще с более-менее высокой частотой (для микрошага) через такой ФНЧ не пройдут.
Лучше всего, для начала эти конденсаторы вообще не ставить или поставить небольшие: 200-300 пФ, а уж потом, если будут проблемы с помехами, увеличивать емкость.
Вообще с помехами лучше бороться опто развязкой: сигнал в линиях токовый, он гораздо устойчивее к помехам.
Насколько я понимаю ВХОД на мелкосхему цифра то бишь 5В.
А питание входа 3.3В Т.е. Подтяжка должна идти к 5В на степ и дир.
А питание входа мелкосхемы от 3.3 Или я чото не понял?
А это и есть согласование входного сигнала в 5В с LPT с входами микросхемы с питанием 3.3В
diglook и ATLab правильно написали, если питание может быть 5В то и голову морочить не надо.
Вообще с помехами лучше бороться опторазвязкой: сигнал в линиях токовый, он гораздо устойчивее к помехам.
Это так, но ISO не опторазвязка. И полосу имеет в 150МГц - все помехи твои будут. Но если нужно именно ее использовать, то я поставил бы только подтяжку на входе.
Вот если гуглем пошарить третья ссылка да еще на русском www.terraelectronica.ru/files/notes/s061023.pdf
читай рисунок №3 и сделай тютелька в тютельку, шаг влево или вправо - расстреляю! Общий 1 и общий 2 это разные, на то она и гальваническая развязка.
В общем у меня драйверы отдельные на каждую ось, и в принципе имеют опторазвязку на входе.
Но, поскольку они отдельно, то нужна интерфейсная плата. Вот я ей и заморочился.
Не хотелось бы лепить просто переходник для разъемов, ежели можно
на нем соорудить управление шпинделем и управление лимитами и Хоме (благо дело свободные пины на ЛПТ есть)
Может подскажете на правильной ли я дороге?
Т.е. на схеме Подключение шпинделя и три варианта Лимитов Хоме.
Что из этого правильно буит? Или ничего?
Не соображу откуда питать левую часть, откуда правую изоляторов для шпинделя.
По лимитам, если ставить изолятор (Вариант по X. хотя не уверен в его нужности),
то левую можно запитать от отдельного источника питания или от компа, а правую от драйверов.
Если изолятор не ставить (Вариант по Y,Z) , то нужно ли лепить ФНЧ (RC) фильтр?
Ну дык… 😦 И как правильно X, Y или Z
И для шпинделя я нарисовал поближе к истине?
И как правильно X, Y или Z
Я же не знаю на чем у ВАС будут сделаны датчики ХОМ и ЛИМИТ.
Шпиндель верно
Не соображу откуда питать левую часть, откуда правую изоляторов для шпинделя.
GOOD DAY
думаю правильно будет запитать
левую часть (комповую) от USB (+5В).
GOOD LUCK