Вопрос о возврате энергии в батарею при тормозе

Kostya

Здравствуйте.

Как известно вопрос времени езды(полета, плавания) весьма важен.

Посему зная, что электричечкий двигатель является также генератором энергии возник вопрос - как можно во время тормоза возвращать энергию в батарею. Оговорюсь что эта фича будет интересна наверное только авто любителям.

Почитал на сайте Новака, что в их бесколлекторной датчиковой Super Sport серии реализована такая фича.

При тестах своего Schulze U-Force 75 от компьютерного блока питания тоже обнаружилось что он делает также (при тормозе вырубался блок от обратного тока, пока не поставил диод).

Известно, что тормоз в бесколлекторном вар-те реализуется путем открытия нижних ключей двух из трех фаз, но как подать обратно на батарею наводимое напряжение, да еще и повышенное + для разных типов акков разные алгоритмы заряда 😃 😵 😲 😮 😃

Вопрос к знающим людям, особенно к авторам статей о регуляторах - как это схемотехнически реализуется??? желательно в бесколлекторном варианте, хотя на худой конец и в коллекторном, принцип то один.

Спасибо.

ViktorF

Даже если такую схему можно реализовать, то зачем?
Что, в полете так много торможения, что можно существенно подзарядить аккумулятор за это время?
Ну, пару процентов. Стоит ли оно того?

Kostya
ViktorF:

Даже если такую схему можно реализовать, то зачем?
Что, в полете так много торможения, что можно существенно подзарядить аккумулятор за это время?
Ну, пару процентов. Стоит ли оно того?

Не, ну я ж сказал, что это имеет смысл только для ездящих.

ViktorF

Для настоящих автолюбителей такое существует на электромобилях и может быть на гибридных.
А для модельных тоже целесообразность сомнительна. Не тот характер поездок, скажем так. Не стоим на светофорах, не мечемся в пробках. Видел я как ездят - все время газ почти на полном, иногда перед поворотом сбрасывают, чтобы не кувыркнуться. Некогда здесь заряжаться однако 😃

flysnake

К сожалению, простыми способами аккумулятор от двигателя не подзарядишь. Модельные двигатели даже на самых больших оборотах дают меньшее напряжение, чем имеет аккумулятор. Так что, для зарядки аккумулятора машина должа ехать быстрее, чем на максимальной скорости. Решение этой задачи, естественно есть (схема, повышающая напряжение), но в моделях это не имеет смысла.

rrteam
flysnake:

К сожалению, простыми способами аккумулятор от двигателя не подзарядишь. Модельные двигатели даже на самых больших оборотах дают меньшее напряжение, чем имеет аккумулятор. Так что, для зарядки аккумулятора машина должа ехать быстрее, чем на максимальной скорости. Решение этой задачи, естественно есть (схема, повышающая напряжение), но в моделях это не имеет смысла.

О! уже хорошо!
Скоро вы от экономии прейдёте к противоположному- как вложить+50 проц мощности за 2-3 сек!
Удачи. 😃

ksk

Народ схемная реализация этой фичи элементарная и не стоит таких заморочек. Скажу больше - возвращая энергию в аккумулятор вы бережете силовые ключи. В машинах двигатель может на тормозе выдать дикую энергию, гораздо больше аккумуляторов и производителям, особенно БК контроллеров гораздо выгоднеене рассеивать все в тепло а перекачивать в аккумуляторы. А ответ на изначально заданный вопрос вытекает из курса ОТЦ. Если насытить индуктивность двигателя током, то при отключении ключа создающего этот ток возникнет выброс напряжения который внутренними диодами направляется прямо в аккумуляторы. Картинку рисовать лень. Тоже и в БК закорачиваем все три фазы на землю, отпускаем, закорачиваем , отпускаем и т.д… А все остальные фразы типа “фирма реализовала” - рекламная шутка. Фирмы обычно ничего нового не придумывают.

Санёк

Насколько я знаю, в регуляторах фирмы ФУТАБА, а именно в FP-10(110) такая схема реализована! Когда включается тормоз (рекурверация), аккумулятор подзаряжается.

vovic
Kostya:

Вопрос к знающим людям, особенно к авторам статей о регуляторах - как это схемотехнически реализуется??? желательно в бесколлекторном варианте, хотя на худой конец и в коллекторном, принцип то один.

Решается это не схемотехнически, а программно-технически. При переводе в режим торможения обмотки коммутируются не в фазе, а в противофазе. И коротить ничего не надо. Это - у БК. У регуляторов коллекторных моторов еще проще - реверсное включение.
Однако, рекуперация - очень опасная штука, почему практически в модельных регуляторах и не нашла широкого применения. Если реверс потока энергии по каким-либо причинам затруднен, то запросто могут выгореть ключи из-за двукратного перенапряжения. Не все аккумуляторы легко справляются с импульсами зарядного тока, который по величине может многократно превысить разрядный. При значительном импульсе напряжения на батарее - взрываются электролиты на входе регулятора, потому как на двукратное перенапряжение они, как правило, не рассчитаны.

Кстати, в электровозах, настоящих, целая навороченная система управления рекуперацией энергии. Потому как - опасная это штука.

Эксперименты, описанные в первом посте годятся не для всякого регулятора хода. Регуляторы некоторых изготовителей при включении через диод начисто выгорают. Будьте внимательны!

ksk
vovic:

Решается это не схемотехнически, а программно-технически. При переводе в режим торможения обмотки коммутируются не в фазе, а в противофазе. И коротить ничего не надо. Это - у БК. У регуляторов коллекторных моторов еще проще - реверсное включение.
Однако, рекуперация - очень опасная штука, почему практически в модельных регуляторах и не нашла широкого применения. Если реверс потока энергии по каким-либо причинам затруднен, то запросто могут выгореть ключи из-за  двукратного перенапряжения. Не все аккумуляторы легко справляются с импульсами зарядного тока, который по величине может многократно превысить разрядный. При значительном импульсе напряжения на батарее - взрываются электролиты на входе регулятора, потому как на двукратное перенапряжение они, как правило, не рассчитаны.

Кстати, в электровозах, настоящих, целая навороченная система управления рекуперацией энергии. Потому как - опасная это штука.

Эксперименты, описанные в первом посте годятся не для всякого регулятора хода. Регуляторы некоторых изготовителей при включении через диод начисто выгорают. Будьте внимательны!

Ради рекуперации реверс на коллекторном двигателе никто не делает. это осуществляется тормозным транзистором просто он не постоянно работает а импульсами. Если кто-то думает что это не так пусть купит книжку по ОТЦ.

GriffinRU

Как делается на регуляторах для коллекторных двигателей описано в статье про регуляторы на форуме. См. Здесь

Регуляторы для б.к. моторов посторены по мостовой схеме где в каждом полевике есть защитный диод, что в свою очередь создает диодный мост для б.к. мотора. Но так как при нормальных условиях обороты мотора при накате не превышают оборотов при полном газе, то диодики будут прикрыты напряжением батареи, что в свою очередь препятствует торможению зарядкой тоже. Поэтому ключами начинают коротить фазы друг на дружку, производя эффект АБС(импульсами), а они в свою очередь из-за крутизны фронтов образуют скачки напряжения, которые выше по напряжению, чем напряжение батареи питания. Отсюда можно выработать режим при котором будет происходить зарядка батареи этими бросками и соответственно можно ограничить ток заряда. Ну и как говорил VOVIC система ни без недостатков, так как броски напряжения зависят от нагрузки на валу и при определенных стечениях обстоятельств, может произойти пробой либо полевика либо диода. Не говоря о простом перегреве аккумов, но это встречается редко, обычно вылетают (высыхают) электролиты на питании, которые как раз для этого и стоят, чтобы сглаживать броски напряжения.

Артур

P.S. Это так на пальцах, а там может быть и всё глубже. Будем измерять очень скоро 😃

Kostya
vovic:

Решается это не схемотехнически, а программно-технически. При переводе в режим торможения обмотки коммутируются не в фазе, а в противофазе. И коротить ничего не надо. Это - у БК. У регуляторов коллекторных моторов еще проще - реверсное включение.!

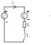
Если я вас правильно понял, то на картинке левый рисунок изображает нормальное включение батареи и мотора, а правый - рекуперацию. Но разве так подаются напряжение на батарею при заряде ???

vovic

Не, не так.
Картинки в статье видели? Возьмем нереверсивный регулятор с тормозом. На режиме тяги ЭДС самоиндукции встречна поданному напряжению. Когда на режиме тормоза основной ключ закрыт, а тормозной открыт, - полярность ЭДС на моторе остается той же - мотор то крутится в ту же сторону. Ток через мотор начинает течь в противоположную сторону. Т.е. по картинке - не сверху вниз, как в режиме тяги, а снизу вверх. (Ток течет всегда от плюса к минусу). Если в момент закрытия тормозного ключа программа в контроллере откроет основной ключ, то в силу индуктивности обмоток мотора ток некоторое время будет продолжать течь через мотор в том же направлении - снизу вверх. (Там есть и паразитный диод, который пропустит ток подзаряда и без открытия этого ключа, но он не очень хорошего качества, этот паразитный диод, - я об этом писал в статье). А поскольку ему некуда больше деваться, как идти в аккумулятор - он туда и идет, подзаряжая батарею. Это и есть рекуперация.

В реверсивном регуляторе для этого режима аналогично задействуются ключи противоположных плеч моста. В бесколлекторных - тоже аналогично, но фазировка управления ключей трехфазного моста - противоположна тяговому режиму.
Суть во всех случаях одна, напряжение для рекуперации поднимается выше импульсным методом.

Что, вообще говоря - очень плохо. Если аккумулятор съест этот импульсный подзаряд, - то и ладно. А если нет, - лишняя энергия может повыжигать все нафиг. 😦

Kostya

Понятно, но почему в Б.К. моторах

vovic:

В бесколлекторных - тоже аналогично, но фазировка управления ключей трехфазного моста - противоположна тяговому режиму.

если по аналогии, то в б.к. при тормозе мы закорачиваем 2 нижних плеча, включаем фазы для создания момента в моторе в том же направлении, закорачиваем 2 нижних, включаем… Я сделал рисунок с ваших слов ( в том смысле что я не перерисовывал мотор, а перерисовал полярность включения) - противоположная фазировка - или может ее следует иначе понимать??

CKYHC
Kostya

… Как известно вопрос времени езды(полета, плавания) весьма важен.

Можно подискутировать?

Действительно так важно время езды? Неужели существующие аккумуляторы при возможности взять их на борт довольно большое количество - так уж ограничивают время езды?
Ладно вертолет - там каждый грам на счету.
Неужели у автомоделей с электродвижком - очень сильно давит ресурс аккумулятора?
Если разговор о гонках - то там вроде нет проблемы со времене езды - все у всех примерно одинаковое.
А если просто сам для себя - то что там мешает поменять аккумулятор?

Итак - первое - определить цель и возможный выигрышь. (Многие работы удается сократить и сделать более эффективно - если заранее правильно определить границы задачи).

Для самолета/планера накапливать энергию торможением довольно проблематично и не совсем оправдано, т.к. снижение модели которое будет с этим связано не компенсировать выигранной энергией (иначе КПД должен быть выше 100 % - ведь есть еще потери помимо самого преобразования энергии).
Единственно (в лучшем случае) когда это может пригодиться - это когда высоко вверху закончился запас энергии в аккумуляторах, а модель требует при посадке работающего мотора. Тогда теоретически можно за время снижения накопить энергию на посадку - но это во-первых довольно сложно (куча факторов, долгая тренировка и т.д.), а во-вторых доводить такую модель до этого критического момента - уже не правильно.

Про вертолет - аналогично. Ему работающий мотор нужен практически всегда, исключение - авторотация - но она сама по себе является таким аккумулятором энергии. А при малых высотах - как авторотация, так и попытка накопить энергию на двигателе - малоэффективны.

Плавающие модели - там еще хуже. Очень низкий КПД у плавающей модели при накоплении энергии от ходового винта (его еще раскрутить надо).

Остаются только модели, которые ездят по земле. Снова повторю вопрос - неужели так критично их время работы от существующих аккумуляторов?
Не проще будет взять пару десятков лишних грамм аккумуляторов - и на том выиграть время поездки. Уж больно не простой будет схема контролирующая заряд аккумуляторов от торможения двигателем - в противном случае можно сильно сократить их время жизни и в общем итоге проиграть.

На счет ДВС на автомоделях - не знаю - возможно ли такое. У современных автомобилей (реальных) есть такая фишка:
Существуют минимальные рабочие обороты двигателя. Эти обороты касаются только характеристик двигателя и что логично не зависят от включенной передачи.
Так вот - при торможении двигателем (нет давления на педаль газа) и включенной передаче - если обороты двигателя больше определенных (эта граница чуть-чуть больше минимальных рабочих оборотов) - электроника на современных автомобилях в этом случае полностью перекрывает подачу топлива (т.е. двигатель крутится только за счет инерции движения автомобиля). Автомобиль постепенно тормозится - и как только обороты падают ниже определенной границы - подача топлива снова включается.
Это - реальный способ съэкономить топливо при торможении двигателем - вот только не знаю - применим ли он для моделей с ДВС - т.к. потери у них больше, чем у реальных автомобилей.

Удачи!
Андрей

GriffinRU
CKYHC:

Можно подискутировать?

Действительно так важно время езды? Неужели существующие аккумуляторы при возможности взять их на борт довольно большое количество - так уж ограничивают время езды?
Ладно вертолет - там каждый грам на счету.
Неужели у автомоделей с электродвижком - очень сильно давит ресурс аккумулятора?
Если разговор о гонках - то там вроде нет проблемы со времене езды - все у всех примерно одинаковое.
А если просто сам для себя - то что там мешает поменять аккумулятор?

Итак - первое - определить цель и возможный выигрышь. (Многие работы удается сократить и сделать более эффективно - если заранее правильно определить границы задачи).

Для самолета/планера накапливать энергию торможением довольно проблематично и не совсем оправдано, т.к. снижение модели которое будет с этим связано не компенсировать выигранной энергией (иначе КПД должен быть выше 100 % - ведь есть еще потери помимо самого преобразования энергии).
Единственно (в лучшем случае) когда это может пригодиться - это когда высоко вверху закончился запас энергии в аккумуляторах, а модель требует при посадке работающего мотора. Тогда теоретически можно за время снижения накопить энергию на посадку - но это во-первых довольно сложно (куча факторов, долгая тренировка и т.д.), а во-вторых доводить такую модель до этого критического момента - уже не правильно.

Про вертолет - аналогично. Ему работающий мотор нужен практически всегда, исключение - авторотация - но она сама по себе является таким аккумулятором энергии. А при малых высотах - как авторотация, так и попытка накопить энергию на двигателе - малоэффективны.

Плавающие модели - там еще хуже. Очень низкий КПД у плавающей модели при накоплении энергии от ходового винта (его еще раскрутить надо).

Остаются только модели, которые ездят по земле. Снова повторю вопрос - неужели так критично их время работы от существующих аккумуляторов?
Не проще будет взять пару десятков лишних грамм аккумуляторов - и на том выиграть время поездки. Уж больно не простой будет схема контролирующая заряд аккумуляторов от торможения двигателем - в противном случае можно сильно сократить их время жизни и в общем итоге проиграть.

На счет ДВС на автомоделях - не знаю - возможно ли такое. У современных автомобилей (реальных) есть такая фишка:
Существуют минимальные рабочие обороты двигателя. Эти обороты касаются только характеристик двигателя и что логично не зависят от включенной передачи.
Так вот - при торможении двигателем (нет давления на педаль газа) и включенной передаче - если обороты двигателя больше определенных (эта граница чуть-чуть больше минимальных рабочих оборотов) - электроника на современных автомобилях в этом случае полностью перекрывает подачу топлива (т.е. двигатель крутится только за счет инерции движения автомобиля). Автомобиль постепенно тормозится - и как только обороты падают ниже определенной границы - подача топлива снова включается.
Это - реальный способ съэкономить топливо при торможении двигателем - вот только не знаю - применим ли он для моделей с ДВС - т.к. потери у них больше, чем у реальных автомобилей.

Удачи!
Андрей

Очень интересно, но зачем всё в кучу сваливать, ведь в первом посту явно было сказано для АВТОМОДЕЛИ.
Но насчет лишних аккумов на автомодель без проблем вы загнули очень сильно! Если конечно у вас есть супер батарейки, поделитесь информашкой.
А то вот переделывать модель из 1/10 в 1/4 масштаб из-за батареек не хотца

Артур

rrteam
GriffinRU:

Очень интересно, но зачем всё в кучу сваливать, ведь в первом посту явно было сказано для АВТОМОДЕЛИ.
Но насчет лишних аккумов на автомодель без проблем вы загнули очень сильно! Если конечно у вас есть супер батарейки, поделитесь информашкой.
А то вот переделывать модель из 1/10 в 1/4 масштаб из-за батареек не хотца

Артур

А я уже…тут… влез с другим предложением - как скажем на коллекторном моторе поднять мощность на 30-50 проц при имеющихся акку помимо механического изменения тайминга? И на очень короткое время- скажем пройти близкого кругового…
Думаю - данное приложение к колёсам имеет не меньший приоритет… 😒
Я тут схемку набросал, но интересно послушать и других. 😉

Добавлено

CKYHC

Плавающие модели - там еще хуже. Очень низкий КПД у плавающей модели при накоплении энергии от ходового винта (его еще раскрутить надо).

А на самолете что, больше?
Если касается собственно модели, то качества = 6, мы скорее уже достигли.
Под словом “качество” - соотношение Cу\Сх а не качество модели…
Этому могут позавидовать и некоторые авиаторы… (не планеристы конечно) 😃

CKYHC

По поводу поднятия мощности - если именно не хватает пиковой мощности (т.е. мотор позволяет, а аккумулятор не может) - можно попытаться накачивать конденсатор, а потом его в нужном случае разряжать. Только кто будет решать - когда этот случай настал? 😉

По поводу аккумуляторов для авто - встречный вопрос - какие аккумуляторы сейчас используются на электромобилях? (Просто я не в курсе - даже немного самому интересно). То что я видел - это здоровые спарки из MiMH аккумуляторов - довольно крупные,тяжелые - и ни в какое сравнение не идут, например, с хорошими LiPo аккумуляторами. Но может там в чем другом фишка?

Удачи!
Андрей