Насос

Majestic

Ребята, приветствую!

Достался мне автомобильный насос. Шальная голова рукам покоя не дает, хочу приспособить его под работу с вакуумом. Но никак не могу понять, как заставить его работать на всасывание. Простое перекидивание контактов толку не дает, правда там стоит какой то элемент. Размерами с четверть коробка и на нем написано 12V Flasher - что это такое не понятно. Может он и не дает мотору крутиться в обратку.
Если есть какие-либо мысли буду рад выслушать

sillver
Majestic:

Ребята, приветствую!

Достался мне автомобильный насос. Шальная голова рукам покоя не дает, хочу приспособить его под работу с вакуумом. Но никак не могу понять, как заставить его работать на всасывание. Простое перекидивание контактов толку не дает, правда там стоит какой то элемент. Размерами с четверть коробка и на нем написано 12V Flasher - что это такое не понятно. Может он и не дает мотору крутиться в обратку.
Если есть какие-либо мысли буду рад выслушать

Проблема не в направлении вращения, а в клапанах 😉

foxfly
Majestic:

Так их там нет.
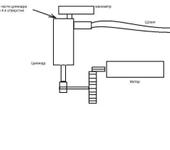
Вот такая схема

Ну, и чего там непонятного? В штуцере, который приделан к шлангу, должен лежать подпружиненый шарик - обратный клапан. Он не дает воздуху, который поршень в него затолкал, вылезать обратно.
А вот 4 отверстия в торце цилиндра- обязаны быть прикрыты изнутри “ромашкой” из тонкой стали- это- клапан “на всасывание”, который воздух в цилиндр снаружи впускает, а обратно- не выпускает! Значит там, где он “достался” его разбирали и этот клапан- выронили.
А вакуум из него не сделаешь: слишком производительность маленькая и мощность движка. Да и смазывать его все время надо чтобы “пара” не сгорела.

Majestic
foxfly:

Ну, и чего там непонятного? В штуцере, который приделан к шлангу, должен лежать подпружиненый шарик - обратный клапан.

Понял, отковыряю 😃

foxfly:

А вот 4 отверстия в торце цилиндра- обязаны быть прикрыты изнутри “ромашкой” из тонкой стали- это- клапан “на всасывание”, который воздух в цилиндр снаружи впускает, а обратно- не выпускает! Значит там, где он “достался” его разбирали и этот клапан- выронили.
А вакуум из него не сделаешь: слишком производительность маленькая и мощность движка. Да и смазывать его все время надо чтобы “пара” не сгорела.

Есть она там, “ромашка”. Я не говорил, что ее там нет.
А по производительности, так это что же он 7 атм качать может в камеру, а выкачивать хотябы одну не может??? 😃
Большая производительность не нужна, избыок можно и обычным пылесосом выкачать, а вот чтобы прижал и пузырей небыло это то, что надо. В добавок могу сказать, что огромных усилий тоже не требуется т.к. редко больше 4-5 слоев клею, а уж их то он прожмет

В любом случае спасибо за совет со штуцером

sillver

Заглуши “Ромашку” поставь второй штуцер с обратным клапаном и будет тебе вакум только по производительности БОЛЬШОЙ ВОПРОС

dimetrijx

Проще взять компрессор от холодильника , режим работы продолжительный да и в минус дает порядка 0,8 атм.
А этот насос не сможет работать на вакуум, так как манжет резиновый развернут верх.

Pavelrb

у меня компрессор сделан на базе какого-то автомобильного, двухцилиндрового. пришлось попариться, добавить к нему жидкостное охл., автоматику и др.
я его использую лишь как компрессор(нагнетатель)
но на woodtools была тема про компрессоры, там кто-то писал, что использовали такой же компрессор для склейки вроде бы серфингов или как там они называются… в смысле именно для разрежения.
как там писали, к компрессору подключали проточную воду для охлаждения и он работал несколько часов до полного отвердевания клея.
по их словам, давал такое разрежение(заготовки ложили в какой-то мешок), что аж заготовки трещали.

Pavelrb

вопрос в тему. достались мне немецкие пневмоцилиндры. давление 10 бар, диаметр поршня без разборки примерно 20мм на одном, ход 50 мм, второй то же, но 2 спаралелленных цилиндра, ход 50 мм. что-то рука не поднимается использовать их на раздраконивание для чпу, тем более есть своя столярка, куда их можно всунуть, к примеру, на обр. связки окон как прижим или еще куда…фигово, что столярку поставить некуда… так получилось… стоит под прикрытым небом без работы… но все же- жалко их раздраконивать, шлифануть такие же детали недолго… либо подобных вещей хватает… не заваливаться железом? ваше мнение?