Собираю автомодель
медленно процесс идет - но выходит здорово! двигатель вполне пойдет коллекторный из недорогих, как и регулятор. изготовить аммо труда большого не составит, конструктивно это простой элемент. люминь конечно неоправданно тяжел, но модель хоббийная и вся в люмине будет просто блеск.
пишите чаще! буду следить за темой. удачи.
Ну не так уж и долго, я не топикстартер, просто решил написать в этом топике, что бы свой не заводить…
Взялся чертить и пилить в середине февраля и то вечерами после работы…
СТУПИЦЫ НАПИЛЬНИКОМ ТОЧИЛИ ИЛИ НА ТОКАРНОМ?
Круглое токарным, остальное - фрезерная приставка к токарнику сверлильный и напильник…
Прикупил аммо от тамии, придется переделать среднюю стойку, снимаю размеры…
Так же от нее взял диски с резиной, поставлю их расточив диски и ступицу…
Ну не так уж и долго, я не топикстартер, просто решил написать в этом топике, что бы свой не заводить…
Взялся чертить и пилить в середине февраля и то вечерами после работы…
виноват. засмотрелся на фото, подумал что человек давно начавший проект медленно продвигается вперед. времени всем не хватает, либо не хватает денегB-). вопрос по станку - это первый опыт? насколько сложно освоить бытовой токарник для несложных деталей?
На счет сложности незнаю, я еще в молодости в школе, на “УПК” получил 3 разряд фрезеровщика-токаря, но прошло более 20 лет, хватило недельки все вспомнить)
Доброй всем ночи!😃 Ну вот наконец-то мне удалось попасть сюда!
Даже не думал, что кто-то мне напишет, да еще и тот кто тоже сам собирает автомодель!
Расписывать сильно ничего не буду. Да особо и не умею это делать.😃 Короче все-таки напишу вкратце. Все детали, мне приходится заказывать у токаря. Нет возможности что-то делать самому. Уже давно мечтаю доделать эту автомодельку, но что-то все ни как. Уже купил моторчик, Tamiya GT-Tuned Motor 25T. Выложу фотки того, что у меня уже есть. Не много вообщем, но все же начинал снуля. Вот думаю еще на днях заскочить к токарю, что бы он выточил некоторые детали для задней часты!
Работа идет очень медленно!
P. S.
Что-то купить в этой дыре, просто невозможно! Даже кусок алюминия, это уже проблема. Моторчик и клипсы заказывал с Китая, через своего знакомого из Латвии.
Если будут появляться новые детали, обязательно их буду показывать и вам!
фрезерная приставка к токарнику…
Это как - деталь на место резцодержателя и патрон с фрезой сверху??
Вместо резцедержателя фрезерная приставка с вертикальной подачей, а в патрон фреза…
На металлическом форуме есть станок “Умелец”
Добрый вечер!😃
Вот сегодня забрал у токаря еще пару деталей для заднего узла! И две оси для передка! Только правда токарь не очень хорошо мне все это выточил. Размеры практически не выдержаны! Да еще и пройдется самому многовато доделывать! Хотя у него еще и оборудование ни куда не годится! Рад бы сам поточить, но нет возможности! Ну и еще проблемка, все практически детали из метала! Вся надежда на электромотор!
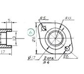
Ну вот, хорошенько подумал, поразмышлял что и как мне поступить с теми деталями которые я не так давно забрал у токаря! Рассматривал их долго и думал, стоит мне с ними мучится или нет! Пришел к выводу, что их просто стоит выбросить без какого либо сожаления! Для наглядности, я вложил рисунки самой детали и чертежа! По чертежам, длинна детали должна была получится 20.5 мм, но почему-то у этого токаря она получилось 21.7 мм.😃 И так абсолютно все детали!
Так что, придется все-таки мне искать кого-то другого!
На что это влияет?
Сам автор думаю сначала делал потом размеры снимал с полученного, что бы токарь сделал правильно нужно его хорошо оценить иначе сделает “на отъе…сь”
Самое главное в этой детали, что бы подоши посадочные размеры под подшибники, остальное можно подогнать, и с другими деталями тоже нужно поработать, что бы под них подогнать
Моторчик и клипсы заказывал с Китая, через своего знакомого из Латвии.
Прошу прощения, я здесь немного ошибся со страной!😊 Моторчик был заказан из Японии!
На что это влияет?
Сам автор думаю сначала делал потом размеры снимал с полученного, что бы токарь сделал правильно нужно его хорошо оценить иначе сделает “на отъе…сь”
Самое главное в этой детали, что бы подоши посадочные размеры под подшибники, остальное можно подогнать, и с другими деталями тоже нужно поработать, что бы под них подогнать google_ad_section_end
Да, но посадочные места под подшипники очень велики! Подшипник будет сам прокручиваться в том месте, а не котится по шарикам! И все же, там же для чего-то указаны точные размеры, а не приблизительные! И к тому же, я плачу деньги, почему я буду что-то доделывать!
Я валяюсь над вашим правописанием, господа 😃
Надеюсь токарю ничего не было уплочено за такую работу? Я бы с него денег стребовал за время
Да, но посадочные места под подшипники очень велики! Подшипник будет сам прокручиваться в том месте, а не котится по шарикам! И все же, там же для чего-то указаны точные размеры, а не приблизительные! И к тому же, я плачу деньги, почему я буду что-то доделывать![/QUOTE]
Вот что бы не прокручивалось, подшибники нало отдавать токарю, после проточки можно задней бабкой поджать и запресовать его в стакан.
В размерах нет допусков до сотых долей, поэтому токарь вольничал…
Я на своем токарнике делал все детали с подгонкой в узле…
Надеюсь токарю ничего не было уплочено за такую работу?
К большому сожалению, токарю все же были уплачены деньги! Но к моему большому счастью небольшие!
Вот что бы не прокручивалось, подшибники нало отдавать токарю, после проточки можно задней бабкой поджать и запресовать его в стакан.
В размерах нет допусков до сотых долей, поэтому токарь вольничал…
Я на своем токарнике делал все детали с подгонкой в узле…
В том то и дело, что я отдавал токарю подшипники, но он видимо про них забыл вообще! Если есть подшипники, зачем указывать на чертежах размеры с допусками?!
Токаря они такие - нет допуска - делают как хотят(хотя странно, размеры грубо несовпадают, может он бухой по жизни?). Попробую покачать права, если денег дал.