Трансформатор для галогенок: что можно из него сделать

РД00

Давно валялся без дела китайский 60 Вт электронный трансформатор для галогенок с чудным названием TASHIBRA. Такие лежат повсюду на стройрынках рублей где-то по 200. Решил посмотреть, куда его можно применить.

Схемотехника по-китайски лаконична.

Полумостовой инвертор-автогенератор со схемой запуска на динисторе. После выпрямителя нет емкости - питание каждый полупериод садиться до нуля, на следующем полупериоде генератор запускается заново. Ни фильтров, ни защит, в сеть включать страшно, но работает - отдает свои 60 Вт и транзисторы при этом не греются.

Ну, поехали.

1. Источник питания для зарядника - 12В, 5А.
Исходная схема дорабатывается следующим образом:

После выпрямителя добавляется фильтрующий конденсатор. Токоограничительный резистор R1 2.2 Ом заменяется на термистор 5 Ом (снял с горелого блока питания ATX. На худой конец можно поставить мощный резистор 5-10 Ом). Вторичная обмотка перематывается на 18 витков с отводом от средней точки (было 8 витков), ставится сборка дидов Шоттки, дроссель и фильтрующая емкость (все из того же ATX).

Блок уверенно выдает 5А, транзисторы остаются холодными, греется только диодная сборка где-то до 50-60С. Ее бы надо на радиатор. Дроссель нужен, чтобы смягчить диодам импульсный ток, в принципе можно без него.

Блок не работает без нагрузки, может потребоваться нагрузить его какой-нибудь лампочкой. Однако у моего JJPover’а холостого тока хватало и догружать не потребовалось.

2. Регулируемый накал для пенореза.
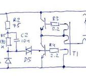
В исходной схеме заменяется цепь запуска.

Цепочка R21 R3 R11 подобрана так, что заряжает C2 до напряжения пробоя динистора за время 2…10 мс. Т.е. на каждом полупериоде старт генератора задерживается на регулируемое время, обеспечивая широтно-импульсное управление можностью нагрузки. См. осциллограммы на нагрузке при ручке на максимуме, в среднем, в минимуме :

Бонус - 3D графика на С1-68 :

Схеме для правильной работы нужна приличная нагрузка, чтобы напряжение питания успевало уходить в 0. Тогда С2 разряжается через D6 и запуск синхронизируется с частотой сети. На осцилограммах нагрузка где-то 3 Ом (50 Вт на максимуме). Впечатляет : нагрузка плавит пайки, а вся схема холодная.

Если пенорезу нужно больше или меньше 12В - перематывается вторичная обмотка, благо схеме без разницы, сколько там напряжение - главное не превышать мощность.

При некотором старании доработанная схема размещается на исходной плате -

В общем, при цене 200р за штуку и размере полсигаретной пачки получаются неплохие и полезные вещи. Блок питания у меня и так был, а вот пенорез теперь будет.

Д_Заточник

Зачот! Наконец-то человек внятно описал схему, грамотно ее доработал и снял осциллограммы. А то некоторые “гуры” рекомендуют заменить динистор на более другой, и напряжение на выходе изменится… Практически все такие штуки построены на полумостовом инверторе, редко кто ставит полевики в качестве ключей. Один раз только такое видел в дорогом преобразователе с защитами.
На этом же инверторе кстати сделаны и энергосберегающие люминесцентные лампы, следущая тема для экспериментов 😉 У меня такой выдранный из сгоревшей лампы инвертор питает УФ лампу для засветки фоторезиста при производстве печатных плат.

INQURY


Обьясните пожалуйста что за элемент на схеме! и куда подключается спираль для пенореза!

РД00
INQURY:

Обьясните пожалуйста что за элемент на схеме!

Транзистор, по-вахлацки нарисованный 😃 Динистор подключен к базе.

INQURY:

и куда подключается спираль для пенореза!

На вторичную обмотку на исходной схеме, где ~11.5В.

SAN

Отличная работа!
Поделитесь ещё: как раскалывали транс. для перемотки обмоток, чтоб при этом каркас не повредить?

РД00
SAN:

Поделитесь ещё: как раскалывали транс. для перемотки обмоток, чтоб при этом каркас не повредить?

В данном случае - никак. Отпаял, содрал изоленту, смотал старую, намотал новую, просовывая в окна. При 18 витках терпимо.

А вообще трансы варят в кипятке. Сам не пробовал, но народ пишет - за час-два развариваются и разъединяются.

Д_Заточник

У таких трансов получается почти виток на вольт, поэтому перемотать вторичку, не разбирая транс проблем никаких.

AlexN
РД00:

Дроссель нужен, чтобы смягчить диодам импульсный ток, в принципе можно без него.

ИМХО, нельзя без него - С1 быстренько подохнет от импульсов тока (вырастет ESR, потом потеряет емкость), диодам же на эти импульсы - по-барабану.

РД00

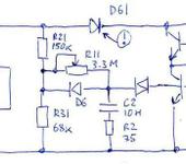
Пенорез V1.1. Теперь надежно регулируется на малых нагрузках тоже. С2 разряжается независимо от того, что осталось в питании к концу полупериода.

Диод D61 отделяет делитель от всего остального - транзисторов и емкостей. Т.е. он включается в разрыв дорожки от выпрямителя.

РД00

Изделие в сборе. Ручка посредине, лампы вполнакала.

10 days later
Psw

Транс из комп БП грел феном где-то 280-350 градусов - заливка становится мягкой и вполне можно отвертками располовинить. Пластик Каркас при этом даже не воняет - неплохой пластик. Получилось без поломки сердечника со второго раза.