А для чего это подключено к приёмнику ? С него идут импульсы , не способные зажечь светодиод.
цель - запитать светодиоды от борта, используя свободный разъем третьего канала на приемнике? я правильно понял?
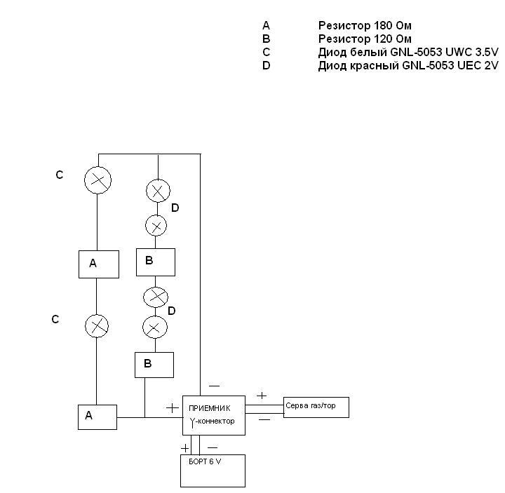
в вашей схеме есть ошибка. не будет оно так работать.
правильно вот так
Запитка будет идти от Y-конектера вторая ветка уйдет на серву газ/тормаз.
А как же тогда такой ворох проводов там уложить ? =)
Иеще вопрос как подобрать провода ? или обычный тонкий (2-3 в диаметре провод) медный (4-ох жильный) подойдет ?
А у тебя там газ и тормоз сервомашинкой управляются что ли?
А как же тогда такой ворох проводов там уложить ?
Что за вопрос… Это все решаемо без внешней помощи.
Иеще вопрос как подобрать провода ? или обычный тонкий (2-3 в диаметре провод) медный (4-ох жильный) подойдет ?
Одножильный или четырёх, разницы нет. Можно вообще любой, даже тонкий. Светодиод всё ровно маленький ток потребляет.
нет ну провод от приемника на серву газ/тормаз будет заменен на Y-конектор… одна ветка на свет уйдет… другая на серву.
лучше отдельный аккум для света поставьте. или накрайняк выключатель
а по поводу вороха проводов - я на 18-ке делал свет другу и ничего… проложилось все прекрасно. тем более что с 20-ти миллиамперными токами провода толстые не нужны.
короче если что, можете в аську стукнуть - расскажу как сделать
Кстати хотел спросить какой мощности купиь паяльник , что бы паяло и не повредить диоды ?
40 ватт достаточно.
я например не замарачимался.Сделал самую простую схему.4 белых светодиода 4-х вольтовых,2 красных,тумблер ON-ON,резисторы 300 ом 0,125 и провода от новогодней китайской герлянды.Схема работает на вкл. и выкл.а провода посадил на клей “секунд” батарейка “крона”.Просто и без гемора
а паяльник у меня 25 ватт и припой ПОс 61 к нанифолью,но флюс всеравно пришлось купить
Светодиоды критичны к току, лучше ставить по резистору на светодиод, номиналы подбирать в зависимости от тока нужного для светодиода (подбирать экспериментально или по известным характеристикам светодиода) и напряжения питания(по закону Ома) 😁
Ну ХЗ у меня все отлично работает
А я чо спорю чтоль 😃
{"assets_hash":"a8b26fa7f6e768b07a72c8c9aadb9422","page_data":{"users":{"3e7587103df95500777968ac":{"_id":"3e7587103df95500777968ac","hid":1461,"name":"ubd","nick":"ubd","avatar_id":null,"css":""},"431f21383df955007778f4db":{"_id":"431f21383df955007778f4db","hid":9006,"name":"ANDY_V","nick":"ANDY_V","avatar_id":null,"css":""},"4549b5e83df9550077788371":{"_id":"4549b5e83df9550077788371","hid":17947,"name":"Boev_Dmitry","nick":"Boev_Dmitry","avatar_id":null,"css":""},"45630f923df9550077787d9e":{"_id":"45630f923df9550077787d9e","hid":18404,"name":"AlexN","nick":"AlexN","avatar_id":null,"css":""},"4932dc203df9550077774f60":{"_id":"4932dc203df9550077774f60","hid":41321,"name":"ADminPoWeR","nick":"ADminPoWeR","avatar_id":null,"css":""},"49463a183df9550077774721":{"_id":"49463a183df9550077774721","hid":41864,"name":"realsystem","nick":"realsystem","avatar_id":null,"css":""},"499297e83df9550077771fe5":{"_id":"499297e83df9550077771fe5","hid":44026,"name":"Grey063","nick":"Grey063","avatar_id":null,"css":""}},"settings":{"can_see_ip":false,"can_report_abuse":false,"can_see_hellbanned":false,"forum_can_view":true,"forum_can_reply":false,"forum_edit_max_time":30,"forum_can_close_topic":false,"forum_show_ignored":false,"forum_mod_can_delete_topics":false,"forum_mod_can_hard_delete_topics":false,"forum_mod_can_see_hard_deleted_topics":false,"forum_mod_can_edit_posts":false,"forum_mod_can_pin_topic":false,"forum_mod_can_edit_titles":false,"forum_mod_can_close_topic":false,"can_vote":false,"forum_mod_can_add_infractions":false,"forum_topic_title_min_length":10,"forum_reply_old_post_threshold":30,"votes_add_max_time":168,"forum_show_post_interval":7,"can_see_deleted_users":false},"section":{"_id":"61c9a54c3df9550077bb50ba","hid":8,"title":"Самодельная электроника, компьютерные программы","parent":"61c9a54c3df9550077bb50f3","description":"Софт для моделирования и черчения, самодельные электронные устройства.","is_category":false,"is_votable":true,"is_writable":true,"cache":{"topic_count":2668,"post_count":48285,"last_post":"69396824b4761b70be1cf1f6","last_topic":"6936752c44153b3865eede83","last_topic_hid":572669,"last_topic_title":"Последовательность работы сервоприводов.","last_ts":"2025-12-10T12:31:32.140Z","last_user":"4f3e22e13df955007774805c"}},"topic":{"_id":"4951f56f3df9550077a35e65","hid":125879,"title":"нужна помощ с составлением схемы.","views_count":1815,"last_post_counter":15,"cache":{"post_count":15,"first_post":"4951f56f3df9550077a365bc","first_ts":"2008-12-24T08:40:15.000Z","first_user":"4932dc203df9550077774f60","last_post":"49a50b303df9550077a365d8","last_post_hid":15,"last_ts":"2009-02-25T09:11:12.000Z","last_user":"49463a183df9550077774721"},"st":1,"section":"61c9a54c3df9550077bb50ba"},"subscription":null,"pagination":{"total":15,"per_page":25,"chunk_offset":0},"posts_list_before_post":["paginator","datediff"]},"locale":"en-US","user_id":"000000000000000000000000","user_hid":0,"user_name":"","user_nick":"","user_avatar":null,"is_member":false,"settings":{"can_access_acp":false,"can_use_dialogs":false,"hide_heavy_content":false},"unread_dialogs":false,"footer":{"rules":{"to":"common.rules"},"contacts":{"to":"rco-nodeca.contacts"}},"navbar":{"tracker":{"to":"users.tracker","autoselect":false,"priority":10},"forum":{"to":"forum.index"},"blogs":{"to":"blogs.index"},"clubs":{"to":"clubs.index"},"market":{"to":"market.index.buy"}},"recaptcha":{"public_key":"6LcyTs0dAAAAADW_1wxPfl0IHuXxBG7vMSSX26Z4"},"layout":"common.layout"}