Сгорел ESC TowerPro...

Volante24

Экспериментируя с ESC (TowerPro 15A), умудрился его сжечь, причем весьма непростым образом: подавал на выход его BEC внешнее напряжение выше 5В. В какой-то момент что-то пробилось и задымилось. Сгорели два (по меньшей мере) ключа; на них написано 4435. Что это за звери и чем их, при случае, можно заменить?

В связи с этим вопрос по схеме, хочется понять, почему это произошло, что еще могло там сгореть и имеет ли вообще смысл менять сгоревшие ключи. Где-нибудь схема этих ESC приводилась?

ВЕС там просто должны быть линейные стабилизаторы наподобие 7805 – L4941. Подавая на них любое разумное напряжение, повредить их нельзя. Единственное, что приходит на ум, это что эти же 5В используются для питания остальной схемы, включая ATMEGA. Неужели это сделано таким образом, что это же напряжение напрямую используется и для питания микроконтроллера?
В этом случае мог вылететь какой-нибудь порт, который коммутирует ключи, и, скажем, два плеча открылись одновременно.

Эксперимент делался с определенной целью, а именно, понять, можно ли соединять параллельно switchable UBEC и обычный ВЕС от ESC, для подстраховки. Если напряжение на UBEC установить, скажем, 5.5В, то пока он работает, никакой нагрузки на обычный ВЕС (выдающий 5-5.2В) нет, как будто он просто отсоединен. Но в случае перегрузки или нефункционирования UBECа обычный будет подстраховывать. Конечно, можно просто поставить диод, но очень хотелось попробовать напрямую…

jonison
Volante24:

Экспериментируя с ESC (TowerPro 15A), умудрился его сжечь, причем весьма непростым образом: подавал на выход его BEC внешнее напряжение выше 5В. В какой-то момент что-то пробилось и задымилось. Сгорели два (по меньшей мере) ключа; на них написано 4435. Что это за звери и чем их, при случае, можно заменить?

В связи с этим вопрос по схеме, хочется понять, почему это произошло, что еще могло там сгореть и имеет ли вообще смысл менять сгоревшие ключи. Где-нибудь схема этих ESC приводилась?

ВЕС там просто должны быть линейные стабилизаторы наподобие 7805 – L4941. Подавая на них любое разумное напряжение, повредить их нельзя. Единственное, что приходит на ум, это что эти же 5В используются для питания остальной схемы, включая ATMEGA. Неужели это сделано таким образом, что это же напряжение напрямую используется и для питания микроконтроллера?
В этом случае мог вылететь какой-нибудь порт, который коммутирует ключи, и, скажем, два плеча открылись одновременно.

Эксперимент делался с определенной целью, а именно, понять, можно ли соединять параллельно switchable UBEC и обычный ВЕС от ESC, для подстраховки. Если напряжение на UBEC установить, скажем, 5.5В, то пока он работает, никакой нагрузки на обычный ВЕС (выдающий 5-5.2В) нет, как будто он просто отсоединен. Но в случае перегрузки или нефункционирования UBECа обычный будет подстраховывать. Конечно, можно просто поставить диод, но очень хотелось попробовать напрямую…

так делать нельзя если очень переживаешь по поводу просадки и страховки
то поставь паралельно с выходом бека акум на 500-600ма на 6в
он подстрахует 😉 лучше чем линейный бек и пульсации уберет
😁
4435 ето www.alldatasheet.com/…/FDS4435.html

Volante24
jonison:

Спасибо!

так делать нельзя

Так если так рассуждать, то ничего вообще нельзя. На самом-то деле можно, но как именно – это хотелось выяснить. Через диод точно можно. Зачем городить огород, если один стабилизатор уже есть? А если кто говорит, что стабилизаторы нельзя включать параллельно – так не верьте! В тех же ESC в BECе их как раз четыре штуки в параллель и стоит.

AlexN
Volante24:

А если кто говорит, что стабилизаторы нельзя включать параллельно – так не верьте! В тех же ESC в BECе их как раз четыре штуки в параллель и стоит.

Да-да-да, вот только производитель этих самых стабилизаторов в схеме параллельного включения наверняка нарисовал выравнивающие низкоомные резисторы на выходе, а китайцы их поставить “забыли”. И при установке стабилизаторов из одной партии у них этот фокус прокатывает, а вот иногда не везет - и на выходе вследствие генерации получают помехи по питанию в вольты размахом.
Пример правильного параллельного включения линейных стабилизаторов:

Volante24
AlexN:

Да-да-да, вот только производитель этих самых стабилизаторов в схеме параллельного включения наверняка нарисовал выравнивающие низкоомные резисторы на выходе, а китайцы их поставить “забыли”. И при установке стабилизаторов из одной партии у них этот фокус прокатывает, а вот иногда не везет - и на выходе вследствие генерации получают помехи по питанию в вольты размахом.
Пример правильного параллельного включения линейных стабилизаторов:

Выравнивающие низкоомные резисторы на выходе нужны только для того, чтобы выравнить нагрузку на каждый стабилизатор, напряжение стабилизации которых может различаться на десятые вольта. Иначе весь ток будет идти сначала через стабилизатор с наибольшим напряжением, когда от тепловой перегрузки он закроется, начнет работать следующий, потом отключиться и он, и т.д. Это все вопрос распределения мощности. К стабильности работы это отношения не имеет!

wlad
Volante24:

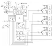
Экспериментируя с ESC (TowerPro 15A), умудрился его сжечь… Где-нибудь схема этих ESC приводилась?

Вот Сергей (Ubd) эти реги ремонтировал неоднократно… вот вероятно ваша схема:

p.s А фотку платы можете отсканить и в тему контроллер бесколлекторного выложить? (для ремонта пригодится)😉

Отремонтировать можно если на вашем реге дополнительный стабилизатор для питания проца стоит… а если нет то боюсь проц сдох…

reg Hi Model.rar

Volante24
wlad:

Вот Сергей (Ubd) эти реги ремонтировал неоднократно… вот вероятно ваша схема:

Большое спасибо!

А фотку платы можете отсканить и в тему контроллер бесколлекторного выложить?😉

Могу попробовать сделать, только вот у меня лично сейчас фото нет – он уехал в отпуск до осени. Ну, у кого-нибудь попрошу. Кстати, сканнер есть – интересно, на нем в фокусе будет, если попробовать?

Насчет выложить – никогда не делал, но могу попробовать. Дайте точный url, а то засуну не туда…

Отремонтировать можно если на вашем реге дополнительный стабилизатор для питания проца стоит… а если нет то боюсь проц сдох…

А как понять, стоит он или не стоит – как он выглядит и какая маркировка? Я полагаю, он должен быть не не 5В, а пониже?

Можно и самому пытаться разбираться, но, похоже, ничего “непарного” (точнее говоря, нетройственного) на плате не видно…

Что интересно, при подключении он “поёт”, правда слабо, так что часть процессора должна работать.

Volante24
wlad:

если на вашем реге дополнительный стабилизатор для питания проца стоит…

Черт, там плата, похоже, трехслойная, органолептически все соединения не проследить. Но, вроде, нет там того отдельного стабилизатора, что на приведеной схеме. А стоит нечто вроде диода (надпись просто S4) с выхода BECа на ноги 4 и 6 ATMEGA (что должно быть Vcc). Так что, похоже, TowePro просто сбрасывает 0.6В на этом диоде, и с приветом. Если б знал такое, больше 6В на не подавал бы…

Кстати, ISP выхода я там особенно не заметил…

Теперь, значит, вопрос – возможно ли что-нибудь с ним сделать, кроме выбрасывания в мусор? Можно бы попробовать поставит новую ATMEGA8. Прошивки-то для них существуют?

Если бы были с исходниклм, очень хотелось бы, заодно, ввести функцию реверса. Для самолета, конечно, не требуется, но если ставить на катер, то без него как-то неудобно.

AlexN
Volante24:

К стабильности работы это отношения не имеет!

Вы изучили схемотехнику стабилизатора и смоделировали его поведение при запараллеливании в различных ситуациях? Тогда позвольте не доверять Вашим категоричным заключениям 😃
Что мне пока известно - на форуме кто-то писал про самовозбуждение запараллеленных стабилизаторов 7805. Может быть это брак конкретного чипа, а может быть и нет.

wlad
Volante24:

Черт, там плата, похоже, трехслойная… А стоит нечто вроде диода (надпись просто S4) с выхода BECа на ноги 4 и 6 ATMEGA (что должно быть Vcc). Так что, похоже, TowePro просто сбрасывает 0.6В на этом диоде, и с приветом. Если б знал такое, больше 6В на не подавал бы…
Теперь, значит, вопрос – возможно ли что-нибудь с ним сделать, кроме выбрасывания в мусор? Можно бы попробовать поставит новую ATMEGA8. Прошивки-то для них существуют?
Если бы были с исходниклм, очень хотелось бы, заодно, ввести функцию реверса. Для самолета, конечно, не требуется, но если ставить на катер, то без него как-то неудобно.

Во первых вопрос… скольки транзисторный рег? 12-ти или 6-ти? Плата вполне возможно 3-ёх слойка… Я уже всю голову сломал как развести на плату 12 транзисторов, 2 стабилизатора, кучу обвязки и мелочёвку на плату 24мм на 35мм… На 2-ух слойку фиг влезет, или придётся размеры увеличивать… Из опыта ремонта складывается такая картина: всё что очень мелкое - 3-ёх слойка в основном, чуть покрупнее уже умудряются на 2 слоя развести, но сигнальные дорожки очень узкие, бывает и меньше 0.15мм. Я самопально пока платы с таким разрешением не сделаю, ну а на предприятии заказать реально, тока за подготовку много денег сдерут. Насчёт маркировки s4, я пока книженцию по smd посеял… но это вероятно диод между минусом и плюсом прям перед процом (BBY62), типа защита от пульсаций и обратного напряжения.

Значит для ремонта необходимо:

  1. Предполагаем что стабилизаторы у нас ёкнулись. Выпаиваем оба.
  2. Снимаем электролиты по 5В (там может быть танталл… ставим новые, у вас в питере этого добра навалом, на плате скорее всего 47мкф на 6В-10В стоит, корпус А или В).
  3. Снимаем ключи которые сдохли точно, они нам в принципе не понадобятся пока.
  4. Берём любую кренку на 5В (желательно не меньше 1А) и припаиваем проводками к плате (или идём в радиомагазин и покупаем 78М05 (корпус Dpak) и смело впаиваем на место L4941B. Но перед впайкой не забываем прозвонить тестером по питанию, главное чтобы не было КЗ.
  5. Если всё гут и коротыши не обнаружены можно включить регулятор с подсоединённым сервотестером (на форуме на меге 8 был, очень удобный, ссылку не помню) к блоку питания с автоматом выставленным на 1А.
  6. Мотор при этом пока не нужен, нам лишь надо проверить жива ли мега или нет…
    Для этого необходим осциллограф. Обычно большинство регуляторов перед работой характеризуют включение подачей звуковой тональности… Для подачи звука достаточно одного верхнего и два нижних ключа… Звуковая тональность длится от 1 сек до 6 сек в зависимости от модели регулятора. Обнаружить работу меги просто… достаточно относительно минуса коснуться щупом затвора N-канального транзистора и сразу подать питание на регулятор (увидите последовательность меняющихся импульсов, развёртку ставьте микросекунды). Если при подаче напряги на регулятор ни на одном затворе N-канала импульса не обнаружено, то по всей видимости проц ёкнулся…
    p.s Есть регуляторы, у которых вообще ничего при загрузке не играет, тогда проблема решается просто:
    на сервотестере ручку (стик) выставьте в максимальное положение, регуль переключится в режим программирования, при этом на осцилле вы точно увидите импульсы…

Если и тут ничего нету, то меге кранты. Если же импульсы обнаружены смело ремонтируйте, достаточно поставить новые транзюки и всё гут.

При ремонте подразумевалось что 5В на мегу и сервотестер приходит.
Успехов в ремонте!

И ещё прошивки - это “секретная часть любого устройства и основной источник доходов”, и никто с таких предприятий их не выложит в онлайн, если их сотрудник специально не сопрёт…

В теме контроллер бесколлекторного двигателя обсуждается новая прошивка с кучей изменяемых параметров… Советую посмотреть, я ещё потихоньку инфу на своём сайте складываю, посмотреть можно тут, может что пригодится для самопала какого нибуть: wladislaw-sl.narod.ru/bl-blmc-sl10a.html, этот регуль можно быстро переделать под 12-ти транзисторный вариант в соиках, просто мне кайфалом пока разводить, жара задолбала ничего делать не хочется… 😃

Volante24
AlexN:

Тогда позвольте не доверять Вашим категоричным заключениям

Да ради Бога!

Вы изучили схемотехнику стабилизатора

Очень давно!

и смоделировали его поведение при запараллеливании в различных ситуациях?

А не нужно – за меня это производитель давно сделал. А мне вот что интересно; прежде чем горячиться, Вы себе не задавали вопрос: А кто бы стал этот general purpose стабилизатор покупать и использовать (а производится он миллионами экземпляров), если бы он был неустойчив в работе? Вот разработчик выполнил указания из Application Notes и сдал устройство в производство, а оно вот – обычно работает, но иногда вдруг перестает и начинает возбуждаться из-за стабилизатора… Кошмар! Да кто ж его тогда покупать бы стал? Да еще и прочую продукцию того же производителя, благо на рынке предложений с лихвой.

Вы вот сами бы посмотрели, как они работают. Да плевать стабилизатору, подсоединен на выходе другой источник, или нет. На устойчивую работу гораздо сильнее влияет характер нагрузки. Будет она индуктивная – вот это да, тут качество дизайна и проявится.

Что мне пока известно - на форуме кто-то писал про самовозбуждение запараллеленных стабилизаторов 7805

Демократия! Если кто хочет писать – кто ж ему запретит? (На эту-то тему.)

Кстати, берусь сделать автогенератор на 7805, наверное, даже и схему где-то видел. Если нужно, все можно сделать.

Кстати, если кого интересует – как-то раз набрел на пост одного мужика, он решил поставить хороший сетевой фильтр на входе обычного импульсного блока питания типа компьютерного – и в результате получил сильнейшее самовозбуждение. И правильно – любой хороший (эффективный) блок питания типа импульсного при постоянной нагрузке имеет, очевидно. отрицательное дифференциальное сопротивление. Так что чего удивляться, наука пока еще работает!

Да, вот еще вопрос – при “прикуривании” от другого автомобиля, ни у кого самовозбуждения, случаем, не наблюдалось? То же ведь два стабилизированных источника в параллель, как никак…

wlad:

Во первых вопрос… скольки транзисторный рег? 12-ти или 6-ти?

Собственно транзтсторов (мелких) три. MOSFET ключей 6P + 6N – всего 12.

  1. Предполагаем что стабилизаторы у нас ёкнулись. Выпаиваем оба.

Там их 4 (по паре один над одним).

Я полагаю, что они в порядке – а что с ними могло бы случиться? Напряжения-то высокого не было.

  1. Снимаем электролиты по 5В

А вот это мне в голову не приходило; действительно, их там полно (5+1)

Я думаю, что с питанием там все в порядке. Я его после этого пытался включать (все с теми же ключами), мелодию он при включении играл, хотя и тихо. И приемник вроде тоже питал, но это не на 100%. Но, вот сигнал приемника, вроде, не ловил.

А может мега работать, но не полностью? Скажем, один из портов гикнулся, а остальные Ок?

И ещё прошивки - это “секретная часть любого устройства и основной источник доходов”, и никто с таких предприятий их не выложит в онлайн

Это-то понятно, я интересовался насчет народных умельцев, наших или ненаших, на них надежда…

этот регуль можно быстро переделать под 12-ти транзисторный вариант в соиках, просто мне кайфалом пока разводить, жара задолбала ничего делать не хочется…

Это где ж жара-то? Впору куртку одевать! Я думаю, никакой разницы, сколько ключей, нет, главное, чтобы алгоритм работал; желательно и чтобы порты одни и те же использовались, да, в конце концов, это и переопределить в программе, наверное, можно.

wlad

😃 Жара у нас в Саратове… под 40 градусов, сдохнуть можно…
Интересно посмотреть фотку вашего регулятора, странно нафига аж 4 стабилизатора лепить, если дешевле импульсным BEC обойтись и места меньше займёт… хотя насчёт дешевле это не всегда… 😃 Мега у вас скорее всего жива, если звуковой сигнал идёт… просто вы вроде писали что 2 ключа ёкнулись, я так думаю вы их выпаяли… а томогло быть что затвор подсажен или на питание через резюк, или на сток… смотря как кристалл в транзисторе лопнул. На меге 5В нормальные? Стабилизаторы все равномерно нагретые или холодные, или какой нить греется…? Порты конечно могло пожечь, но я такого не встречал, обычно мега дохла полностью… Был тока случай, где в меге возможно опорник накрылся, у Серёги (Ubd) в реге Шульце еепром слетал…

AlexN
Volante24:

Кстати, если кого интересует – как-то раз набрел на пост одного мужика, он решил поставить хороший сетевой фильтр на входе обычного импульсного блока питания типа компьютерного – и в результате получил сильнейшее самовозбуждение. И правильно – любой хороший (эффективный) блок питания типа импульсного при постоянной нагрузке имеет, очевидно. отрицательное дифференциальное сопротивление.

Демократия! Если кто хочет писать – кто ж ему запретит?(с) 😉

Volante24
wlad:

Во первых вопрос… скольки транзисторный рег? 12-ти или 6-ти?

Собственно транзтсторов (мелких) три. MOSFET ключей 6P + 6N – всего 12.

  1. Предполагаем что стабилизаторы у нас ёкнулись. Выпаиваем оба.

Там их 4 (по паре один над одним).

Я полагаю, что они в порядке – а что с ними могло бы случиться? Напряжения-то высокого не было.

  1. Снимаем электролиты по 5В

А вот это мне в голову не приходило; действительно, их там полно (5+1)

Я думаю, что с питанием там все в порядке. Я его после этого пытался включать (все с теми же ключами), мелодию он при включении играл, хотя и тихо. И приемник вроде тоже питал, но это не на 100%. Но, вот сигнал приемника, вроде, не ловил.

А может мега работать, но не полностью? Скажем, один из портов гикнулся, а остальные Ок?

И ещё прошивки - это “секретная часть любого устройства и основной источник доходов”, и никто с таких предприятий их не выложит в онлайн

Это-то понятно, я интересовался насчет народных умельцев, наших или ненаших, на них надежда…

этот регуль можно быстро переделать под 12-ти транзисторный вариант в соиках, просто мне кайфалом пока разводить, жара задолбала ничего делать не хочется…

Это где ж жара-то? Впору куртку одевать! Я думаю, никакой разницы, сколько там ключей, нет, главное, чтобы алгоритм работал! Желательно и чтобы порты одни и те же использовались, да, в конце концов, это и переопределить в программе, наверное, можно.

wlad:

просто вы вроде писали что 2 ключа ёкнулись, я так думаю вы их выпаяли

Не, пока не выпаял, пробовал включить еще раз потом уже, помле “пожара”. Ключи там под радиатором (алюминиевая пластина), поэтому я их и не видел, только дым был и запах (и вроде в первый раз что-то вроде легкой вспышки). Когда после этого я решил попробовать – вдруг будет работать, – поначалу никакого криминала не различалось. Но вроде мотор не работал. И вдруг снова задымилось (явно не сразу, может, из-за безрезультатных попыток со стиком газа). Ну, тут стало ясно, что придется разбираться всерьез, и я его скальпировал. Но пока ключи не выпаял, для этого нужно рабочее место приготовить, и прочее…

Пока только собираюсь все предварительное с ним обследовать; не люблю я в попыхах, это только кажется, что дел на 10 минут – а как сядешь, время так и летит!

Просто жалко мне его очень – простенькие они, эти TowerPro, а работают как часы, никогда никаких проблем. А с другими то одно, то другое, куча настроек, да еще какие-нибудь странности. Вот тут экпериментировал с разными винтами, подбирал нужный для мотора, подключил какой-то более мощный ESC (на всякий случай). Так он вроде и работал нормально, но каждый раз после убирания газа через какое-то время мне сигналил – зачем?! И в руководстве ничего такого не указано…
Короче, от добра добра не ищут, правильно народ говорит.

А еще в нем выход на джампер есть – 2 Lipo или 3 Lipo. А это значит, какую отсечку хочу, такую и поставлю – тоже удобно! И отсечка плавная. Хорошие регуляторы!

ubd

но каждый раз после убирания газа через какое-то время мне сигналил – зачем?!

Это функция для поиска модели в высокой траве. Газ убираешь, она и начинает пищать, таким образом её легко найти по звуку.
У других регуляторов, нужно для этого выключить передатчик, тогда регулятор из-за отсутсвия сигналла начинает пикать, то же функция поиска модели, ну сигнализация отсутствия сигналла с приёмника.

В твоём регуляторе, банально сгорели силовые транзисторы. Не все конечно, скорее всего одно или два плеча. Можно прямо в плате выяснить, какой плечё целое а какое умерло. Т.к. если сгорает в плече только один транзистор, то практически сразу дохнут остальные паралельные к нему.
Для уверенности, можно выпаять все транзисторы, и проверить их. В инете где то была методика проверки полевых ключей, и я выкладывал не однократно. Просто у меня сейчас уже опыт, и я прямо в плате могу узнать, целые транзисторы в плече или нет.

Volante24
AlexN:

Демократия! Если кто хочет писать – кто ж ему запретит?

То есть, нет веры в науку? Значит, когда нам о чудесах пишут, то верим безоговорочно. А когда по науке – то неправда (потому как неинтересно?)

Не стоит время терять на пустяковые споры-- хотите считать по-своему, мне не жалко. И по-своему будете правы, ведь береженого Бог бережет. Нельзя запараллеливать – значит, нельзя! (И я бы свой регуль не спалил, если бы считал, что НИЗЯ.)

wlad:

p.s А фотку платы можете отсканить

Вот то, что получилось со сканера (на работе). К сожалению, при скане он не дает регулировать яркость (только при копировании), так что зело темновато. Сколько-то смог в XV исправить, но все равно не фонтан.

Два ключа в верхнем левом углу задней стороны сгорели; на фото не очень видно, но если приглядеться, то можно заметить.

Volante24
ubd:

В твоём регуляторе, банально сгорели силовые транзисторы. Не все конечно, скорее всего одно или два плеча. Можно прямо в плате выяснить, какой плечё целое а какое умерло. Т.к. если сгорает в плече только один транзистор, то практически сразу дохнут остальные паралельные к нему.

Ну да, оба ключа в верхнем (? --так как P-типа) плече одной из фаз выгорели, это видно невооруженным глазом. Может, если внимательно присмотреться, то и еще какие, но внешне признаков на других нет.

Это функция для поиска модели в высокой траве. Газ убираешь, она и начинает пищать, таким образом её легко найти по звуку.

Интересно; в принципе, разумно, хотя по мне вторая возможность – по выключению передатчика – кажется лучше. Но вот ведь китайцы, не могли, что ли, написать об этом в инструкции? Я экпериментирую, мотор к подоконнику привинчен, того гляди сорвется, рядом, в плоскости винта, большой LCD монитор, в общем, нервы напряжены – и тут он мне неожиданно сигналит…