OSD на ATmega1281

Dikoy
a_freeman:

как красиво передать ассемблерной части адрес на видеобуфер.

Обычно так и делают - вешают буфер по известному адресу (только не в самом начале:
signed char array [BUFFER] @0xC0;
И обращаются хоть из Си по указателю, хоть из асма. Если буфер небольшой, можно упихать в регистры как у автора. Будет ещё быстрее. Но тут надо в ассме посмотреть, сколько регистров компилер сохраняет. ИАР вообще ассм недолюбливает, и склонность к гонянию регистров из ОЗУ и обратно имеет. То есть разместив буфер в регистрах можно всё равно получить лишнее сохранение/вызов.

a_freeman

У меня были ошибки в получении адреса, поэтому спрашивал
Сейчас без указания конкретного адреса все работает прекрасно.

Но все равно спасибо.

msv

Если буфер небольшой, можно упихать в регистры как у автора.

Какая разница какой размер буфера? У меня в регистрах указатель на него, хоть все ОЗУ адресуй.

Сейчас без указания конкретного адреса все работает прекрасно.

Так поделитесь, как решили задачку?..

msv

Глянул Вашу заготовку OSD. Попиксельный вывод строк символов скорее всего получится слишком тормозной. Можно не успеть обновить все надписи за межкадровый интервал. Мне пришлось оптимизировать вывод строки сразу в одной функции и на асме. Использовать встроенный компаратор для определения синхроимпульсов, мысль хорошая. А в железе уже проверили работу?

a_freeman

Да, скриншоты в архиве это кадры с уже реального железа. Картинку захватывал такой железякой: nix.ru/…/STLab_M320_Grabber_USB2.0_SVideo_86320.ht…
Кстати, телевизор, на котором я проверял качество картиники надежно устранял все факелы - так что “удешевленное” подмешивание тоже жизнеспособно.

Насчет обновления - некоторые данные нет смысла перерисовывать в каждом кадре , можно делать это чуть реже. Я разбил такие фрагменты кода на несколько частей, и в зависимости от счетчика кадров вызывается только один фрагмент:

if (task++>T) task=0;
if (task==0) {compass(ang);}
if (task==1) {alt_ruler(); speed_ruler();}
if (task==2) {discharge(cap);}

Примерно так. Мой GPS приемник отдает данные вообще раз в секунду - поэтому смысла перерисовывать координаты/высоту/скорость/etc в каждом кадре нет.

msv

Уже писАл выше, что у меня вывод графики в каждом условно нечетном полукадре (25Гц, реже -не будет плавности), а вывод текстовой информации в четном, тоже как у Вас, поочередно группами. Хоть GPS у меня 5-ти герцовый, но для получения плавных движений шкал пришлось интерполировать получаемые значения на 25Гц, иначе картинка стробит.
Проблема с факелами у меня началась, когда начал пытаться рисовать тени…

a_freeman

Я поражаюсь с этого чувака: www.rowlhouse.co.uk/main.html 😮

На странице конечно много всего, но больше мне понравился RC-симулятор с автопилотом! Более того, этот товарищ выложил все исходники! (I’ve written a flight simulator for R/C model gliders)

Если посмотреть остальные проекты, остается сказать только “Во дает!” ибо это действительно сильно!

Не удивлюсь если он уже работает в НАСА…

abalex
a_freeman:

Вобсчем вот основа всего OSD. Может кому интересно будет

Вывод строки пикселей по 3 цикла процессора на пиксель вместо четырех ( тогда в строку вроде влезет 32 символа вместо 24 ). Это если в Ваш проект, содержательная часть video_driver.asm
Может, кому интересно будет.

P.S. Реально это не проверял, могут быть ошибки.



    LDI  R16,WAIT
_pause:
    DEC	 R16
    BRNE _pause
      ; Загружаем указатель из оперативки в регистровую пару X:
    LDS	 R27,gScrBuffPointH
    LDS	 R26,gScrBuffPointL

    LDI  R16,STR_LENGTH      ; Загружаем длину строки в счетчик

      ;  Остальные биты порта - могут использоваться для чего-то полезного
      ; ( например, для ввода цифровых сигналов ), и на всякий случай сохраняем
      ; исходное состояние порта ( для входов - подключен ли к нему внутренний
      ; подтягивающий резистор; это м.б. важно ):
    IN   R17,VIDPORT         ; Начальное состояние порта: в конце - восстановим
      ;  Входим в цикл, экономя на RJMP ( первый раз - будет холостой вывод
      ; из R17 в порт того же, что только что ввели оттуда ).

_out_ch:  ; Сюда приходим при продолжении цикла
    OUT  VIDPORT,R17	     ; Выводим 8-й пиксель от предыдущего
      ; Начинаем вывод 8 пикселей следующего символа:
    LD   R18,X+                   ; Загружаем данные из оперативки в регистр
    OUT  VIDPORT,R18          ; 1
      ;  Пока что - переносим 8-й пиксель из R18 в 0-й бит R17, откуда его
      ; в итоге и выведем:
    BST  R18,7		     ; 8-й пиксель - в T ( это бит в SREG )
    LSR	 R18
    OUT  VIDPORT,R18         ; 2
    BLD  R17,0               ; 8-й пиксель - в 0-й бит R17 ( из T )
    LSR	 R18
    OUT  VIDPORT,R18	     ; 3
    NOP
    LSR  R18
    OUT  VIDPORT,R18	     ; 4
    NOP
    LSR	 R18
    OUT  VIDPORT,R18	     ; 5
    NOP
    LSR	 R18
    OUT  VIDPORT,R18	     ; 6
    LSR	 R18
    DEC  R16                 ; Уменьшаем счетчик оставшихся символов
    OUT  VIDPORT,R18	     ; 7
    BRNE _out_ch             ; Если в R16 не ноль - продолжаем
      ; Иначе - это конец строки:
    NOP
    OUT  VIDPORT,R17	     ; 8 последнего символа
    NOP
    ANDI R17,0xFE            ; Сбрасываем 0-й бит в R17 ( чистим пин на выходе )
    OUT  VIDPORT,R17	     ; Чистим пин на выходе

    STS	 gScrBuffPointL,R26  ; Обратно в оперативку
    STS	 gScrBuffPointH,R27
a_freeman

Все работает “из коробки”!
Снимаю перед вами шляпу! ©

Да, пиксель стал квадратный - это здорово 😃

a_freeman

Мысля: взять кристалл с большим количеством оперативки, и на нем собрать “видеокарту”.
И не сваливать всю работу на один контроллер - это неудобно

Появляется вопрос: как общаться с этим контроллерами? И целесообразно-ли это вообще?

msv

Александр, еще раз, теперь публично, громадное спасибо! Честно говоря, я так и не попробовал этот код, когда Вы прислали мне его в личку. Слишком увлекся на тот момент алгоритмами управления…
Кстати по последнему, уже спрашивал, как грамотно получить диф. составляюшую для ПИД-регулятора. Классическое дифференцирование первого порядка d=x[n]-x[n-1] мало пригодно из за слишком малого разрешения. Для уточнения результата с постоянной времени дифференцирования хотя бы 1 сек, приходится буферировать все промежуточные зачения хотя бы за 1/2 сек. Может есть рекурентный алгоритм для целочисленки, позволяющий повысить точность расчета менее варварским способом?

Мысля: взять кристалл с большим количеством оперативки, и на нем собрать “видеокарту”. И не сваливать всю работу на один контроллер - это неудобно Появляется вопрос: как общаться с этим контроллерами? И целесообразно-ли это вообще?

Так все и делают… Но мое мнение- это не спортивно… 😃
PS. Сегодня классно полетали, спасибо Сергей (ubd)! Реализовал свою мечту, пробил 2км ( я скромняга, и мечты соответствующие 😃). Проверил режим стабилизации курса/высоты- набрал какую хочешь высоту, выбрал курс, включил и наслаждайся красотами. Ну и АП подтвердил свое предназначение, тоже можно было не вглядываться нервно в экран, а покурить… Короче, все работает!.. Но поиграться с с коэффициентами ПИД-регуляторов (а их аж 4) еще можно…

16 days later
msv

Не могу не поделиться впечатлением от крайней полетушки… На основе режима стабилизации курса/высоты, реализовал автопилот. Четыре полноценных PID-регулятора теперь позволяют реализовать следующие режимы полетов:

  1. Ручной. Классика, стиками задаётся положение серв.
  2. Режим стабилизации крена/тангажа. Ручками передатчика определяются целевые крен/тангаж, система стабилизации их отрабатывает. Газ задается вручную, но для того, чтобы при уменьшении газа при нейтральных ручках самолет не переходил в парашютирование/сваливание, при уменьшении газа меньше некоторого значения, корректируется в сторону увеличения ноль тангажа обратно пропорционально значению канала газа.
  3. (New!) Режим стабилизации курса/высоты. По сути полноценный автопилот. Стиками можно менять целевые курс/высоту со скоростью, пропорционально отклонению ручек от нейтрали. Газ устанавливается автоматически от значения тангажа.
  4. Возврат домой. Подобно 3, только курс определяется положением базы, а высота просчитывается от высоты и удаления при включения режима и конфигурируемой конечной высоты. По текущему расстоянию в каждой точке линейно определяется необходимая в данной точке высота, в соответсвии с этим корректируется тангаж. В реале самолет выдерживает точную глиссаду.
    Впечатления от нового 3-го режима, самые положительные. Полетав на нем минут 5, переключился на 2-й и вдруг понял, как это тяжело, почти невозможно… 😃 Ведь самолет тримирован не идеально, да еще не слабым ветерком сдувается, надо постоянно следить за высотой/курсом… Первый режим вообще включаю только на взлете с визуальным (не FPV) управлением. Боюсь, что по FPV в этом режиме “убьюсь” через несколько секунд полета…
    ЗЫ Как люди летают по FPV не только без систем стабилизации но и даже без OSD - вообще ума не приложу… 😃 При полете в новом месте, свое авто узнаю уже подлетев по приборам метров на 100.
baychi
msv:

ЗЫ Как люди летают по FPV не только без систем стабилизации но и даже без OSD - вообще ума не приложу…

Дикие нравы. 😃 Кстати, для полноты картины возможен еще один режим, между Вашим первым и вторым, когда стики задают скорость поворота модели по крену или тангажу (как в обычном полете), но стабилизация при этом работает. Это должно быть похоже на использование гироскопа без режима удержания. Но какая от этого может быть практическая польза - не скажу. 😃

msv

Боюсь, что видео произведет меньше впечатления, чем мое красочное описание… 😃 Традиционно низкое качество, самолет шатает ветром, летит кривенько (забыл триммировать пироголову, хотя делается это полуавтоматически, досточно было щелкнуть тумблером. и слишком “зажал” “И”-ветвь регулятора курс->крен).

1 month later
msv

Продолжу отчет о проделанной работе.
Тк. есть задумка на след. сезон оставить одну камеру S10 (сейчас иногда катаю ее второй, а передача картинки на землю с CCTV-камерки). Шансов, что S10 по каким-то причинам зависнит, много больше, а в этом случае все “мозги” самолета умрут, тк абсолютно вся работа привязана к ССИ прерываниям. Поэтому теперь вывод OSD сделан по прерыванию внутреннего таймера, а внешние ССИ прерывания используются для его ФАПЧ. Так сложно пришлось сделать, тк. посчитал, что надо быть готовым не только к полному пропаданию синхронизации, но и появлению неадекватного шума. КСИ тоже синхронизируют OSD только если их частота близка к 50Гц. Наверное если сильно-сильно подумать, можно найти возможность при пропадании внешней синхронизации сделать генерацию своей. Это было бы совсем здорово, но пока представляется сложновато, да и железо опять перепахивать лениво.
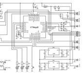
Решил заняться трекером антенны приемника или, как сейчас модно говорить, Ground Station. Уже реализован в OSD вывод цифровых данных (правда пока без собственно данных, ну это минутное дело…).
Ну а сам трекер по задумке должен:

  1. Собственно трекать антенну.
  2. Выдавать все полученные данные по RS232 в ноут мин. для логирования, макс. для отображения на карте в реалтайме.
  3. Подмешивать к этим данным свои (локальные), как мин RSSI и напругу батареи.
  4. Видеосплиттер.
    Пока нарисовалась такая схемка:

    Буду рад конструктивным замечаниям и даже вопросам… 😃
RW9UAO

я предлагал завести данные вниз через аудио канал передатчика. два “байком” модема, точнее наверху передатчик, внизу приемник.

Syberian
abalex:

DEC R16 ; Уменьшаем счетчик оставшихся символов
OUT VIDPORT,R18 ; 7
BRNE _out_ch

Вот оно че! (с)
А я голову ломаю, как они в 3 такта влезли без искажений…
Утащили дек в предыдущий такт вместо нопа!
У меня макрос был dec + brne , а это уже 4 веселых такта в конце байта

msv
RW9UAO:

я предлагал завести данные вниз через аудио канал передатчика.

Нее… Аудиоканал хочется оставить для его прямого назначения. Иной раз забуду перед взлетом включить в микшере микрофонный вход, так через некоторое время, когда уже самолет вне зоны прямой видимости, начинаю испытывать дискомфорт от полной тишины и лихорадочно включаю звук. А ведь там у меня кроме рыкы двигателей еще алармы пикают, что тоже весьма удобно.
ЗЫ Про звук вспомнилась история… 😃 Практически каждый раз на поле выходил с новой прошивкой, и все обходилось. И в АП настолько уже поверил, что не особо контролировал его после влючения. В один (не самый счастливый) день еще в июне отлетел метров на 500 что-то проверяя, потом включил АП. Через некоторое время понял, что что-то не то творится… Оказалось из-за ошибки в проге самолет вместо возвращения стал удалятся переменными галсами. Пока понял, что надо брать контроль в свои руки, успел только выключить двиги, и самолет влетает в крону дерева… Сидим, смотрим на экран бука… Отличная картинка, красивый вид, птички поют (это к звуку!.. 😃) и какие-то большие летают туда-сюда (рядом гнездо оказалось). Вижу, расстояние до базы 800м… Недалеко относительно, осталось сообразить только на какой опушке это дерево… Метнулся к ближайшей, а она на земле оказалась гораздо больше, чем казалась с воздуха… Ну в общем все закончилось хорошо, успокоились, внимательно отсмотрели записанное видео и пеленгом видео нашли и опушку и дерево и самолет на самой макушке метров на 20. Сбросить тоже удалось почти без потерь (ну как сбрасывали, это отдельная история…)…

msv

Кому совсем скучно, посмотрите кусочек видео крайнего полета (правда уже давненько это было, больше не позволяло отсутствие свободного времени или погода). Датчик тока отвалился, заметил уже после старта, решил продолжать полет… Ветерок можно оценить по скоростям “туда” и “обратно”. В нашей котловине он если есть - всегда порывистый. Практически весь полет в режимах стабилизации курса/высоты (LockCourse) и автовозвращения (Autopilot). Треугольнички/стрелочки на горизонтальной шкале компаса и вертикальной шкале высоты показывают целевые значения. Для режима LockCourse этими стрелочками можно управлять с пульта.