OSD на ATmega1281

Vlado

К сожалению удивила низкая стабильность частоты, при прогреве град до 50, уходит больше 2кгц. Может придется делать программную коррекцию частоты по температуре.

О поздравления а я тут тоже с антенным хозяйством… а у вас 433МГц как я помню. Поделюсь некоторыми не документированными соображениями.
Коснемся весьма важной стороны, задающий генератор .Первое, у вас чай не экономичный датчик чего то там, поэтому можно и внешний температурнокомпенсированный TCXCO. Второе, Норе RF ставит туда бог знает что, AT срез там 50ppm а по рекомендации СиЛаб, должен быть 20ppm и к тому же температурная компенсация уже есть внутри. Похоже происходит перекомпенсация, я делал следующее ставил внешние конденсаторы вокруг кварца а внутренние емкости выбирал меньшие и соответственно в регистр пишется не 7F а 50 или что то вроде того.
Кстати это распространенная диллема, Слон если что использовал приемник для контроля 30 МГц опоры.
На самом деле я был паражен стабильностью от напряжения питания и от температуры в.ч, я получил меньше 10 ppm это при их кварцах. И соответственно нужно выбирать соответствующую полосу пропускания приемного тракта но при внешнем можно спокойно получить пару ppm, да и 2кГц это около 5 ppm, это нормально. Да кстати что с софтом, что за протокол.

rfm-ка исправно гонит 1мгц тактовой,

не рекомендуют как такт для контроллера а то может и не завестись.
Мерил и фазовые шумы всего это хозяйства, прямо скажем не фонтан и ходилки говорилки конечно лучше в плане приемников. Но сущесвует еще и base band сигнал там тоже есть резервы для хорошей глазковой диараммы.

Vlado

Ой повнимательней прошелся по теме, ой вы же_ ребята всуе поминаете Benefon а ведь там были Ultra,Forte, Delta, Sigma, Sigma Gold, Dragon, это то что я припоминаю. Тут на картинке предыдущая от Delta ( не помню который). На выходе каплер типично для петли регулировки мощности. Кстати Эрики предпочитали командный
без петли способ регулировки, не знаю как сейчас. Кстати довольно приятные PA не генерят, если что. Кстати обратите внимание на шунтирующие емкости, там всего лишь одна нана мля а не 0.1 uF.

Еще от увеличения температуры увеличивается мощность на 10-15%.

Это скорее драйвер передатчика, от прогрева увеличивается ток при неизменном смещении и как следствии растет
возбуждение выходного какскада а там класс С, смещение не нужно.

Vlado

зарежет вторую гармонику до -125 dBc, но боюсь это возможно только в теории

А это уже из области фантастики, редкая пти…
простите спекроанализатор замерит такой динам диапазон. Реально требуется -50-60 dBc ( для подобной аппаратуры) и такое не всегда удается получить, да и зачастую 3 тья гармоника бывает существеннее а это прямая угроза GPS или ТV, если такой есть в округе. Может повторюсь, но фильтры и антенны это оч важные составляющие, помнится профессор по цепям говорил, учитесь а мы не учились (дипломы не продавались тогда) и в результате Аэрофлотовские самолеты по поводу внеполосных излучений не пускали где то там. Было время по мейлу заваливали
предложениями купить Оксворда кусочек и все такое а так долгие переписки и перезванивания, ни к чему не привели, говорят нет образования не уважают, ну я и успокоился мля. Главное доходчиво обяснить:)

Vlado

Да мы маху дали, был еще Benefon Max, схемка от него.

Vlado

ЗЫ. кусочек оффтопа, хотя как сказать…
Этот нехороший человек первыми GSM ами сертифицировал исключительно Motorolla и теперь спрашивается: агент мировой антанты, редиска а KGB сбился с ног и в поте лица а тут такое. Есть у меня внутренности и от
Motorola, Asotiated 2000 называется, 15W передатчик и все такое, Датское чудо.

targetorsk

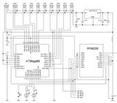
Пыталсяч заказать ATmega1281 нашел только 16PU т.е. 16МГц макс, в схеме стоит 20 МГц кварц, насколько оно критично, и будет ли работать с 16МГц кварцем?

Вопрос собственно из-за того что хочеться для начала обойтись без пайки, к стати несмотря на то, что при использовании ARDUINO MEGA 1280 много проводов торчать будет, но для попробовать же сгодится, в ней же так же 16МГц используется.

Цена на мега ардуинку на ебей чуть больше чем заказ отдельного корпуса атмеги 1281 в россии.

targetorsk
SGordon:

а пару датчиков вверх вниз и забыть о калибровке?

Насколько это справедливо, а то производитель Ко-Пилота предлагает пару датчиков (половинку ко-пилота) цена вопроса 25уе и доставка, есть ли возможность задействовать?
И зачем в проекте микрофон?

Vlado

Тут вот Motorolla. Так себе обр а зчик, у Benefon конечно проигрывала. Это дело при некотором желании и везении можно запустить на 10W 433МГц. Диплексер здесь никудышный на полную все это хозяйство не работало, max сэм восэм. Каплер вверху первой картинки.
Интересна история Benefon, это что то не поделившие разработчики Nokia Salo городок на 30тыщ, а там две такие компании. Держались до 2004, потом банкротство. Лет 10 шли ноздря в ноздрю с Nokia и даже опережали но c GSM не заладилось ( вот это загадка ) То ли Nokia умело сработала, то ли какого начальника туда заслала, но факт на лице, развалили изнутри. Теперь у них ниша GPS и все такое.

msv
targetorsk:

16МГц макс, в схеме стоит 20 МГц

По данным разных форумах меги отлично “гонятся” и случаев, что-бы не завелась на 20мгц не зарегистрировано… 😃 Кварцы кстати выковыриваю из старых 10мбит сетевухах. Вот только корпус их категорически требуется заземлять.

targetorsk:

… хочеться для начала обойтись без пайки

Так как-раз если сделать платку по ЛУТ будет пайки меньше (при наличии детальков, работы на тройку вечеров вместе с изготовлением платы) , чем бороду из проводков делать, которую будет страшно в руки взять, не то что запустить в полет.
Добавить вертикальную пиропару проблем нет, даже есть резервные разведенные входы АЦП, но пока для меня не актуально.
Микрофон для прямого назначения- слушать что на борту твориться с миксованными аудио алармами.

avisenja

Весёлый факт!😁

Не обязательно взламывать P(Y)-код, чтобы приземлить беспилотник. По словам эксперта по системам GPS Ричарда Лэнгли из Университета Нью-Брансуик (Канада), теоретически возможно взять под контроль БПЛА, подавив помехами защищенный P(Y)-канал. Обычно БПЛА одновременно использует более надежный “военный” P(Y)-код на частоте L2 и более простой “гражданский” C/A-код на частоте L1. В случае, если автопилот лишается данных по P(Y)-каналу, он переходит на C/A. В этот момент появляется возможность подменить более простой “гражданский” сигнал ложным, и вывести беспилотник в нужное место.

Панкратов_Сергей
avisenja:

теоретически возможно взять под контроль БПЛА

Чтоб это утверждать нужно знать всю логику работы их автопилота , что создатели полные болваны.
При пропадании защищенного заметить подмену незащищенного - проще простого.

targetorsk
msv:

Добавить вертикальную пиропару проблем нет, даже есть резервные разведенные входы АЦП, но пока для меня не актуально.

Но при добавлении вертикальной пары, реально, можно будет забыть о калибровке, т.е. развернул коптер, поставил на землю, подал питание, инициализация - и в полет?

msv

В теории- так… На практике от вертикальной пары реальная помощь только если во время полета существенно изменится температурный градиент зенит-надир. Гораздо больше проблем имхо в том, что в сектор пиродатчиков неизбежно попадают разные части самолета… Они во время полета тоже могут нагреваться/охлаждаться и заметно кривить пиро-горизонт. Говоря что вертикальная пара для меня не актуально, имел в виду, что это не самое “узкое место” в проекте, а значит если бы мне она на “халяву” свалилась ( без намеков… 😃 ), не отказался и быстренько применил в софте… Ну а пока приходится покрутить самолет перед взлетом и это не так уж напрягает…
ЗЫ Приемник/маяк подозрительно совсем простой получается:

Vlado

ЗЫ Приемник/маяк подозрительно совсем простой получается:

Дьявол в мелочах, помница на SPI RFM 22 c мегой там резистор присутствовал чего то там можно подпалить в противном случае. Да и список эррата там был на страницу, как минимум, в зависимости от силикона. Как насчет софта, будет ли доступен.

подавив помехами защищенный

Это надо рядышкам лететь и давить.

targetorsk

а вместо ТМР36 реально прописать(прикрутить) DS 18B20 или DS 18B21?
и возможно ли использовать вместо ls20033 другой GPS модуль работающий по NMEA 0183 (например EM-411, EM-406) ? или по кабелю ls20033 Co-Pilot подключается?

msv

Лениво возиться с программной реализацией протокола DS, и не знаю насколько по времени он получиться затратный… Пока временно/постоянно стоит вообще термосопротивление… Как индикатор - пойдет. Про требования к GPS-модулю отвечал уже много раз…
----
Это чудо-чудное! Оно работает!

Честно… кажется фантастикой, как два устройства могут передавать/принимать данные не имея вообще ни одной явной катушки (хотя в передатчик пи-контур все же ткнул… на всякий…)…
И хотя пока просто передается и принимается тестовая последовательность, но тот факт, что на минимальной мощности не удалось найти в квартире ни одной интерференционной “ямы” вселяет оптимизм…

Петруччо
msv:

Лениво возиться с программной реализацией протокола DS

Сергей, вот здесь всё расписано avrlab.com
Там есть статья про реализацию термометра на дс18б20.
Удачи!

Vlado
msv:

устройства могут передавать/принимать данные не имея вообще ни одной явной катушки (хотя в передатчик пи-контур все же ткнул… на всякий…)…
Это чудо-чудное! Оно работает!

Та как насчет софта и как сопрягается OSD ( SPI? или какая хитрость?), вы не ответили, можно в личку. А на счет контуров, то бишь катушек, они там в изобилии на самом кристалле да и на модуле 0201 или 0402 катушки и кондеры в ассортименте. Там начиная прехода с не на симметричный ( не балун, хотя такой и готовый можно применить) а выходной каскад на модуле RC развязка плюс пи контура для согласования, там кстати что то не очень было по поводу возбуждения, плюс свич. Вообще SiLab блюдёт г…о не делает. Для датчиков всяких, самое то но до профессиональных связных систем не дотягивает, да это и понятно, как говорят дареному коню в зубы то не того 2-3$, модуль конечно примитив два слоя с промблемками.
А мертвые зоны это благодаря диапазону, она вполне вмещается в комнаты и хорошо переотражается, это не 70 МГц. Помню зделал приемопередатчик на сверхрегенераторе, 27МГц симметричный, каскад два транзистора, трансивер, коридор метров 50 и не тянет, подойдя к окну другое дело, пошло.

msv

Удалось немало накосячить с железом приемника. Детские ошибки на невнимательность, когда хочется побыстрее…

  1. Развел линии ADC будучи уверенным, что все они относится к порту С. У атмел оказывается свой взгляд на это… Придется в этом железе ограничиться только 6-ю каналами PWM. Хотя мне и это не нужно…
  2. Из кучи примеров, уже не помню откуда взятых, из-за всех сил управляю линиями RFM RX_ANT и TX_ANT. В даташите на RFM22b на рисунках распиновки эти линии честно называются “NC”. Правда в таблице описания пинов упорно существуют и даже расписано, что, когда на них подавать…
  3. Зачем-то сделал плату под кнопку и светодиоды со стороны элементов. Забыл, что без металлизации дырок, все разъемы все равно паять сверху…
Vlado:

Та как насчет софта и как сопрягается OSD

Да какой там софт… пока только уровень теста…
Пока планирую радиоканал:
5 байт- преамбула (AFС- включен)
1 байт- синхро (он же ID-системы бум считать)
8 байт- данные по каналам
2 байта - CRC
Итого 16 байт, для скорости 4800= 26,6 мс.
Период передачи пакетов 30 мс.
Поочередная передача (и надеюсь прием…) пакетов на одной из 2 частот.
Проще- невозможно, сложнее- имхо не к чему.
С OSD планирую связь по SPI-подобному протоколу ( с передачей,кроме собственно значений каналов, уровень RSSI и кол-во дропов в сек) с относительно медленной скоростью ( 1 бит за TV-строку).

Панкратов_Сергей
msv:

rfm22b стоит копейки

Сергей подскажи - через инет где реально купить можно ?
На ebay предложений нет .

msv

Ну за весь инет не скажу, меня устроил rf-store… 😃