Регулятор с реверсом с этого сайта на PIC12F675

ubd

Внизу стоят IRF4905, а вверху как бы аналог IRL3703 стоит IRLZ34N.
Вот как.

А ты имеешь в виду плату, а я то по схеме смотрел. Тогда всё правильно.

Программа ICProg у меня не работает выдаёт ошибки при чтении, записи и любых других запросов(

Потому что её нужно правильно настроить.
Вот как её правильно настроить: www.5v.ru/ic-prog.htm
Схема прогрмматора ExtraPIC здесь: www.5v.ru/extrapic.htm

Вопрос ещё аккумулятор выдаёт 6,8V, а двигатель на 18V, двигатель пищит, это из за того что разница в напряжении?

Нет это не из-за напряжения. Это пищит ШИМ (Широтно Импульсная Модуляция), Напряжение на моторе изменяется не линейно, а импульсами. Обороты двигателя зависят от скважности ШИМ, частота ШИМ при этом может быть одинаковая. По поему в этом регуляторе 3 кгц.
Пищать будет с любым напряжением, и с любыми моторами, это нормально, если пищит и вращается вал мотора, значит всё работает. Кстати пищать перестаёт когда газ на всю даёшь, так и должно быть. А между малым и максимальным газом пищать будет. Так работают все регуляторы, только частота ШИМ может быть разная.
А вобще, не забивай голову. Всё работает и ладно, если хочешь разобраться то на этом сайте есть статьи про регляторы хода и там всё расписано, как они работают и что такое ШИМ.

neohunter

При использовании регулятора возникли вопросы:

  1. При использовании аккумулятора 7.2v регулятор почти не грелся, а при нагрузке в 9.6v очень сильно. Это нормально? Может надо увеличить радиаторы?
  2. При управлении газом (то есть когда давить вперёд) появляются провалы, примерно на 60-70% и резкий обратный ход. Чем это может быть вызвано, скорей всего программно?

ubd
  1. При использовании аккумулятора 7.2v регулятор почти не грелся, а при нагрузке в 9.6v очень сильно. Это нормально? Может надо увеличить радиаторы?

Как бы нормально для такого регулятора. Там скорее всего сквозной ток имеется. Т.е. верхние транзисторы не до конца закрываются. Вот и греется при большем напряжении. Хотя у правильно работающих регуляторов, 7,2В или 12В, при той же нагрузке перепад температуры совсем не большой. Я же говорю что нужно транзисторы через драйвера открывать IR4428, тогда сквозного тока не будет. (См. 46 пост.) А изначальная схема этого рега, гадость редкостная. Я в своё время, когда начинал заниматься разработкой регуляторов хода, всё это проходил. И понял, что лучше драйверов нет ничего!
Радиаторы увеличить можно, но их нужно увеличить раза в 4-5, то что там у тебя, это можно считать что их нет почти.
Но если использовать дравера, то радиаторы вовсе не нужны до токов 10А, если выше 10А, то нужен радиатор с вентилятором от старого Пентиум I.

  1. При управлении газом (то есть когда давить вперёд) появляются провалы, примерно на 60-70% и резкий обратный ход. Чем это может быть вызвано, скорей всего программно?

Видимо програмно. А может у тебя канал газа на аппаратуре гонит? Если подключить рулевую машинку в канал газа, она нормально отзывается на на перемещении ручки газа? Если нормально, то прога в регуле глючная.
Хоть этот рег и примитивный, но люди его собирали, говорят что нормально работает, правда ток не большой держит, но связано со сквозными токами.

DELFI

На сколько дешевле самому паять регулятор с реверсом чем покупать бюджетный китайский?

dimaris

Я сделал 5 штук таких регуляторов работают надежно но у них действительно наблюдается “глюк” возможно программный, когда даешь резкий газ вперед или назад только в каком-то одном из направлений от нейтрали, то двигатель начинает работать на 60-70% а то и вовсе реверсирует, но к этому можно привыкнуть спасает простая перегазовка (стиком резко назад и опять вперед или наоборот)…

PARSEK
neohunter:
  1. При управлении газом (то есть когда давить вперёд) появляются провалы, примерно на 60-70% и резкий обратный ход. Чем это может быть вызвано, скорей всего программно?

Почитайте пожалуйста, эту тему с самого начала. Там эта проблема решена. и выложена правильная прошивка.

DELFI

Может кто то ответит в какие деньги влетает самодельный регулятор ампер на 50…?

ubd

Может кто то ответит в какие деньги влетает самодельный регулятор ампер на 50…?

Посчитать нужно. Завстра могу сказать.

Сейчас да же нет пока семы рабочей под такой ток. Хотя вот сдесь:
rcopen.com/forum/f8/topic127064/81 - я занимаюсь разработкой своего регулятора. Почти разработал, осталось испытание в реале, в протеусе всё работает. Если ему увеличить кол-во выходных транзисторов то можно 50 и 70 из него выжить. Но говорю не про те 50А которые китайцы на своих регах пишут, они кстати, пишут максимальный кратковременный ток, не более 10 сек!, а в реале постоянный (длительный) на 30-40% ниже заявленного, если не больше. Так вот мой рег, в принципе, по китайским меркам ампер 60 тянет кратковременно, а постоянны ток ампер 30 будет. Хотя полные испытания не проводил, т.к. нет мотора подходящего.

Так а ты скажи, тебе куда ставить?

DELFI

Мне на катер нужен. Я его дорабатываю. Нахожусь пока в раздумьях. Пока не определился не с типом движка (коллектор, безколлекторный) не по мощности. Покупать с лету пока боюсь, нужно немого поизучать этот вопрос.

ubd

Пока не определился не с типом движка (коллектор, безколлекторный) не по мощности.

Вот от этого сильно зависит цена. Определись какой мотор, там можно посмотреть какой ток будет и принять решение. Если делать мой на 30А, то где то на детали 1200 нужно. Дорогое там: 8 выходных транзисторов, драйвера, проц, ВЕС. Всё остальное мелочь.
Если руки из правильного места растут, то лучше самому сделать, он надёжнее будет. А если возьмёшь китай, то если он сдохнет, потом ремонт может быть не возможен, т.к. там они такие детали ставят, без надписей, которые найти не реально. В лучшем случае в них можно поменять транзисторы.
А если свой, так ты его можешь в любой момент починить. Но если сделан качественно, то он у тебя из строя выходить вообще никогда не будет.

Там у тебя что за катер, если гоночный, типа ФСР, то там можно без реверса. Дешевле будет намного.

DELFI

Я дорабатываю вот этот катер 😃
rcopen.com/forum/f129/topic190251
Пока только прикупил нормальное радиоуправление и установил сервопривод на рули. Также заказал более длинный вал для гребного винта, а то уж больно впритык к корпусу стоит. Проблема в том, что изначально стоит неплохой двигатель на нестандартные 19V. Сколько у него ампер я не знаю и какой регулятор туда поставить тоже большая загадка.

ubd

А там что за аккум стоит. Ты говоришь что быстро садиться? Какое напряжение выдаёт аккум? Какая ёмкость?

И с чего ты взял, что мотор на 19В? На нём написано? Можешь сфотать мотор по ближе?

А вообще по хорошему, если ты хочешь скорости, то ему бы туда поставить Speed 550 - 600 без редуктора на 7,2В, и аккумулятор Li-po 2 банки 3000 - 4000 мАч. Вот это будет тогда торпеда! Кайфу будет - ВО!

В той теме, на фотках, видно что стоит мотор на подобие Speed 350 или 400.
Это где то 10-12А.

Регулятор хода не обязательно с реверсом. На такие лодки с реверсом не ставят. Это если бы у тебя была большая копия, то тогда с реверсом, и с раздраем желательно.

Если хочешь вот проверенный регулятор без реверса, для скоростных лодок ФСР:
rcopen.com/files/000000000000000000000000
Он с водяным охлаждением. Напряжение на него можно до 18В. По цене на детали не очень кусается. Ампер 50 потянет. Т.е. для Speed 600 с запасом, у него 25А в пике, а постоянный в районе 16А.

Сколько у него ампер я не знаю и какой регулятор туда поставить тоже большая загадка.

Ну в таких случаях, нужно взять амперметр, и померить ток на полном ходу, только что гребной винт, в воде был конечно. Мне так уже приходилось делать, у наших судомоделистов. Они говорили что их ДПРы мало потребляют, а оказалось два ДПМа 2,6А жрали. А они спорили что регулятор виновал, а не аккумулятор. Выяснилось что аккум был с небольшой ёмкостью и его хватало не на долго. Просто Законы Ома нужно знать когда занимаетель таким хобби… Если есть мультиметр, можно попробовать замерить ток.

6 months later
Эндрюх
ubd:

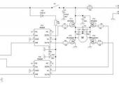
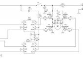
Да же не поменять, а добавить. Во всех путёвых регуляторах транзисторы открываются через драйвера. Я тебе советую делать этот регулятор по схеме которая ниже. Печатной платы нет, т.к. не разрабатывалась вообще. Но схема будет работать 100%. Т.к. правая часть схемы: выходные транзисторы и дравера, проверенна не один раз, и левая часть схемы то же проверенна и работает. Так что пробуй. Разводи плату сам, а мы поможем, поправим если что. УДАЧИ! Вложения * Тип файла: rar Модернизация регулятора 12F675.rar (65.6 Кб, Просмотров: 141)

если я правильно понимаю то эта схема предпологает питание двигателя от отдельного акб, а не от аппатратуры? или я не совсем разобрался с аппаратурой? так и должно быть?

ubd

А микросхема IC1 тебе ни о чём не говорит?

5 months later
bonderos

добрый день!
Сергей Севастенков у вас небудет печатки от этого регулятора?

ubd

Нет я не собирал такой регулятор, я просто только схему дорабтал и нарисовал.

Dj_smart

Мужики, подход к построению Н-моста не верен в корне. Драйвер IR4428 НЕ ЯВЛЯЕТСЯ драйвером верхнего плеча, это просто сдвоенный драйвер полевиков включённых с общим истоком. Отсюда и нагревы верхних ключей. Тут нужно использовать IR2101 или IR2104. Сравните в даташите включение 4428 и 2104., там всё сразу ясно становится.
Это я из опыта построения драйверов шаговиков и бесколлекторных движков говорю.
Пардон! Доглядел! Полевики разной проводимости используются. Тогда норма.

ubd

Пардон! Доглядел! Полевики разной проводимости используются. Тогда норма.

Там всё нормально…

А для IR2101, это уже прошивка другая нужна. Т.к. ему нужно что бы на вход был всегда ШИМ, иначе не будет подпитки буферного конденсатора. Я на этой теме то же натаскался, больше чем нужно, когда свои регуляторы хода начал разрабатывать.

Это я из опыта построения драйверов шаговиков и бесколлекторных движков говорю.

Для таких систем 2101, лучше будет, т.к. там всегда приходит ШИМ на вход дравера, да же на полном газу.

10 months later
lord1

[QUOTE=ubd;1924750]Да же не поменять, а добавить. Во всех путёвых регуляторах транзисторы открываются через драйвера. Я тебе советую делать этот регулятор по схеме которая ниже. Печатной платы нет, т.к. не разрабатывалась вообще. Но схема будет работать 100%. Т.к. правая часть схемы: выходные транзисторы и дравера, проверенна не один раз, и левая часть схемы то же проверенна и работает.
Так что пробуй. Разводи плату сам, а мы поможем, поправим если что.

здраствуйте подскажите пожалуста ,сделал регуль вроди работает но недолго ,горят полевики ,подал на нево 18 вольт, акум от шуроповерта ,и схемка правильная

ubd

Этот регулятор может работать максимум до 18В, на аккуме вашем, если он заряженный видимо было больше чем 18В, поэтому ваша схема и сдохла…

6 months later
tzvetan

Привет всем.
Можно ли заменить драйвер IR4428 на TC4428 без изменения программного обеспечения
Если кто-то может помочь был бы признателен
С уважением

ubd

Да можно. Это то же самое, только производитель другой.
Даташита разве не судьба скачать и посмотреть, сравнить. Там явно видно что это одно и тоже.

10 months later
alexshura1980
ubd:

Нет я не собирал такой регулятор, я просто только схему дорабтал и нарисовал.

Здравствуйте. У меня произошла вот такая проблема.Я собрал 3 регулятора для своего проекта вот по этой схеме все регуляторы заработали без проблем, но не долго. два из них по очереди вышли из стороя при работе, почему так произошло я так и не смог понять. получилось что выгорели по 2 транзистора одного плеча и дорожки, по схеме это irf4905 и irl 2203n(замена irl3713) левое плечо, ничего другого не сгорела, после замены транзисторов регулятор заработал. Питал я от 12.6в 3S хотя на схеме чётко написано 9.5В , может из-за этого вся проблема,( моя ошибка что не поставил предохранитель). Прошивку заливал исправленную из этой темы.
Решил собрать регулятор по Вашей исправленной схеме, развёл печатный монтаж, но столкнулся с проблемой в виде отсутствия микросхем IR4428 в продаже,вопрос можно ли заменить их на IR2104 S или на какие можно заменить конечно с переделкой схемы?

ubd

IR2104, не подойдёт, он в другом режиме работает.

Ищите 4428. Через интернет заказывайте, если у вас нет.

Можно использовать IR4427, но на входе, поставить инвертор на канал А. Почитайте даташит на IR4426, 4427, 4428. Даташит один на три вида микросхемы, сравните их, посмотрите чем они отличаются, и логически поймёте куда нужно поставить инвертор, что бы заменить 4428.

alexshura1980

[QUOTE=ubd;4416108]IR2104, не подойдёт, он в другом режиме работает.
Понятно.В магазине где я заказываю детали нет ни 4426 ни 4427 ни 4428 поэтому и подумал о замене, ну а раз заменить нельзя то будем искать уже то что нужно.
Выкладываю архив где есть печатная плата исправленного регулятора может кому понадобится.Модернизация регулятора 12F675.rar Спасибо за ответ.