Полевые транзисторы в самодельных устройствах

Vitec

Электроникой занимался довольно давно и очень мало знаю о полевых транзисторах, но именно они, как я понял, лучше всего подходят для выходных каскадов устройств управления электродвигателями. Меня интересуют следующие моменты:

  • Можно ли на затвор полевого транзистора подавать логический уровень непосредственно с выхода цифровой микросхемы?
  • Если нет, то как управлять полевым транзистором? Какие есть типовые схемы включения? Как рассчитывать элементы этих схем?
  • Как включать дополнительные транзисторы для увеличения нагрузочной способности устройства?
  • Подскажите конкретный тип транзисторов, желательно недорогих, подходящих для подобной аппаратуры.
  • Имеются ли переходные процессы, которые необходимо учитывать при разработке регуляторов хода?
Torvic99

С такими вопросами вам явно не на этот форум. 😵

mandigit
  1. Можно (есть полевики, для которых достаточно 5В управления), но не нужно. Для управления мощными нагрузками надо обеспечить крутые фронты. Для это применяются драйверы типа ir2101
  2. см аппнот на ir2101
  3. параллельно
  4. IRFZ48N
  5. Имеются (выбросы, защелкивания, колебания…)
Хвост_Слона
  1. Существуют транзисторы со словом “logic” в описании и буквой L в названии. Такие специально предназначены для работы от 3 и 5-ти вольтовых микросхем. Например IRL2505
  2. Для открывания типового MOSFETa (IRF540)достаточно подать на затвор 12 вольт. Ток источника влияет на скорость переключения. Затвор у полевиков имеет ОГРОМНУЮ емкость и скорость ее заряда влияет на скорость переключения.
  3. Или возьмите транзистор с большим током. В цене до 3 долларов в розницу доступны приборы до 200 ампер.
  4. Что значит подобной?
  5. Особенностям применения MOSFETов посвящены целые монографии. В рамках форума объяснить просто нереально.

=============================================================
www.1slon.ru Современная авионика радиоуправляемых моделей.

Neman2000
Vitec:

непосредственно с выхода цифровой микросхемы?

Будет нагреваться,причем нагревв будет усиливаться при повышении частоты ШИМа!

Vitec:
  • Если нет, то как управлять полевым транзистором? Какие есть типовые схемы включения? Как рассчитывать элементы этих схем?

Схема одна-с достаточно мощного буфера ШИМ ом через10 идет в затвор,исток сидит на массе,а между стоком и плюсом питания включен мотор и в обратной полярности
мощный диод шотки(от выброса ЭДС) и все!

Vitec:
  • Как включать дополнительные транзисторы для увеличения нагрузочной способности устройства?

Просто паралелить и все,но транзисторы должны быть обязательно с одной партии,
обычно в этом случае V_затвора(напряжение переключения) у них одинаковое.

Vitec:
  • Подскажите конкретный тип транзисторов, желательно недорогих, подходящих для подобной аппаратуры.

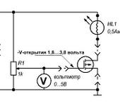
Чем меньше емкость затвора(не более 50n),внутреннее сопротивление сток-исток(не более-6 mOm),и напр.переключения на затворе(не более-3,8В),тем лучше.
Я себе приборчик приметивный сварганил и по нему на радиорынке транзисторы для
этих целей выбираю,обычно транзисторы с одной партии имеют одинаковые праметры,и если напряжение перелючения больше 3,8вольта то такие не беру.
Бывает попадаются с огромной емкостью затвора,на осциле в этом случае хорошо
видны заваленные фронты ШИМа с ярко выраженной точкой переключения.
Из моей статистики лучшими по наименишей емкости затвора были IRF1404,потом IRL3803,а худшими IRL3713 и IRF2804-для их раскачки нужен более мощный буфер,
по напряжению открытия худшими были- IRF3205(4,5В),но это не факт,так как параметры
разных партий очень сильно отличаются.
(прикрепил архивчик с популярными силовыми ключиками)

Vitec:
  • Имеются ли переходные процессы, которые необходимо учитывать при разработке регуляторов хода?

Частенько шустрый контроллер и мотор дают помеху на приемник,но это лечится емкостями,они видны на схеме из архива- rcopen.com/forum/f8/topic127064/41 ,к стати 4 порта 629го пика вполне тянут два IRF1404,а они в свою очередь 18ти витковый Орион

Дискретные N-ключи.rar

ubd

С такими вопросами вам явно не на этот форум.

Как раз на этот…

  • Можно ли на затвор полевого транзистора подавать логический уровень непосредственно с выхода цифровой микросхемы?

Можно, но частоту ШИМ не высокую, где то до 800 гц. И ток через транзистор до 10А. Если частота ШИМ выше и токи больше, то только через драйвера. Есть хорошие драйвера IR4426, IR4427, IR4428. Скачайте даташит и посмотрите чем они отличаются. Эти драйвера позволяют задать более крутые фронты открытия и закрытия. т.е. они позволляют максимально быстро зарядить ёмкость затвора при открытии транзистора, и при закрытии, разрядить ёмкость затвора. Чего простой порт процессора не может. Транзистор нагревается именно в моенты открытия и в моенты закрытия, и чем быстрей его открывать и закрывать, тем транзистор меньше греется. Ну и параллельно мотору, обязатьельно диод ШОТКИ, для разряда ЭДС самоиндукции.

Например вот rcopen.com/files/000000000000000000000000 пример регулятора хода для FSR судомодели, там включенны 4 транзистора в параллель через драйвер IR4427.

Вообще это относиться к простым регуляторам, БЕЗ реверса. С реверсом, другая песня.

Скажите, вы для чего намеряны регулятора хода делать. Авиамодель, судомодель (копия, ФСР), автомодель?
И какие регулятора хода, для коллекторных двиг, или для безколлекторных двиг?

Есть море готовых разработок, мы можем порекомендовать, какие регуляторы для чего лучше подходят.

Ссылку уже приводили по нашему архиву регуляторов: rcopen.com/forum/f8/topic127064
Там есть всё на все случаи жизни.

Что бы понят как им управлять, можно почитать вот это: www.rom.by/book/Kak_proverit_polevoj_tranzistor
И вообще взять на заметку.

  • Имеются ли переходные процессы, которые необходимо учитывать при разработке регуляторов хода?

Хочу сразу сказать, что применяйте всегда драйвера. Ну хотя бы на токах выше 10А, и все проблемы с переходными процессами будут решаться.

Vitec

Да, пожалуй, материал требует некоторого разбирательства.

Neman2000:

Схема одна-с достаточно мощного буфера ШИМ…

Является инвертор К561ЛН2 достаточно мощным буфером для этого?
В документации к PIC контроллеру указано, что к выходу можно напрямую подсоединять светодиод. Этот выход достаточно мощный?

ubd

Является инвертор К561ЛН2 достаточно мощным буфером для этого?

Нет не является, это то же самое что если открывать трназистор напрямую портом процессора. Это делать можно если токи до 10А. Всё выше написали и разжевали.
Если нужна можность и надёжность, то допускается только использование специального драйвера, например IR4427.

И вы не ответили на вопрос:

Скажите, вы для чего намеряны регулятора хода делать. Авиамодель, судомодель (копия, ФСР), автомодель?
И какие регулятора хода, для коллекторных двиг, или для безколлекторных двиг?

Vitec

Да вот только собирался ответить:

ubd:

Скажите, вы для чего намеряны регулятора хода делать. Авиамодель, судомодель (копия, ФСР), автомодель?
И какие регулятора хода, для коллекторных двиг, или для безколлекторных двиг?

Регулятор мне нужен для модели локомотива, для лебёдки на дачу и для электромобиля в далёком светлом будущем. И вообще, мало ли где понадобятся полевые транзисторы.
В модели локомотива будут стоять несколько (до 6) коллектроных электродвигателей, также хочу попробовать самодельные асинхронные двигатели.

Кстати, кто знает, что будет, если на асинхронный двигатель подавать не синусоиду, а прямоугольные импульсы?

ubd:

Всё выше написали и разжевали.

Вы правы, сейчас перечитал - так и есть.

Мне не порнавилось, что для драйвера IR4427 нужно напряжение питания от 6 вольт. Я делаю самопальный автомобильчик, но на нёт будет 4,8 вольт. Конечно, на него я поставлю готовый регулятор хода, но ключи на полевых транзисторах я хотел опробовать как раз на нём.

ubd

Мне не порнавилось, что для драйвера IR4427 нужно напряжение питания от 6 вольт. Я делаю самопальный автомобильчик, но на нёт будет 4,8 вольт.

Ну тогда не ставьте драйвер. Ток мотора какой там будет? Всяко не 10А, а меньше?

Конечно, на него я поставлю готовый регулятор хода

А что за готовый? Это случайно, не тот который в китайских машинках ставиться? Он же дискретный…
Если другой, то там скорее всего уже стоят полевики…

Регулятор мне нужен для модели локомотива,

Есть готовые разработки. Ссылки давали.
Вот сдесь: rcopen.com/forum/f8/topic127064
Пост №18. Тот который с двойными транзисторами, мощный. До 30А может потянуть.

Так же если добавить ещё транзисторов в параллель, можно ещё мощность добавить.

также хочу попробовать самодельные асинхронные двигатели

Вот регуляторы для безколлекторных двиг: wladislaw-sl.narod.ru

Обращайся к автору сайта Wlad`у, он в ветке форума висит: rcopen.com/forum/f8/topic12183/1241

Кстати, кто знает, что будет, если на асинхронный двигатель подавать не синусоиду, а прямоугольные импульсы?

На все модельные БК двигатели, подаются прямоугольные импульсы, и всё в порядке.

Vitec
ubd:

А что за готовый? Это случайно, не тот который в китайских машинках ставиться? Он же дискретный…

Я понятия не имею какие регуляторы хода ставятся в китайский машинки. Я в них никогда не играл. У меня стоит какой-то авиационный регулятор, вроде на 20 А. Он без реверса. Реверс сейчас осуществляется контактной группой, которую переключает сервопривод.

ubd:

…для модели локомотива… Есть готовые разработки. Ссылки давали

В модельных железных дорогах абсолютно другие управляющие сигналы (если дорога цифровая) или никаких сигналов нет вообще (если дорога аналоговая). Туда принципиально не годятся регуляторы хода от радиоуправляемых машин, самолётов, кораблей. А других готовых регуляторов хода я не встретил, поэтому и задумал сделать сам.
Да и вообще, я ужасно не люблю разбираться в чужих конструкциях, мне проще придумать самому. Особенно мне не нравится разбираться в чужих кодах прошивок, тем более что я пока что плохо в этом понимаю.

ubd

Да и вообще, я ужасно не люблю разбираться в чужих конструкциях, мне проще придумать самому. Особенно мне не нравится разбираться в чужих кодах прошивок, тем более что я пока что плохо в этом понимаю.

Ну так в чём проблема. Разбирайся сам…