Подсветка LCD в аппаратуре Turnigy 9x
Вот тоже навоял себе подсветку всеми цветами радуги, кнопочкой выбирай какую хош, использовал RGB светодиоды с NOKIA 7900 с паяные в параллель, естественно на каждый цвет диода с токоограничивающим резюком в паяным под микроскопом, управление с китайского RGB начника на батарейках выдернул чип наградил его ключами чтоб не польнуть, разсееватель с дисплея самсунг, и во чего вышло, потребление 10-15 мА
rcopen.com/forum/f4/topic207274/3321
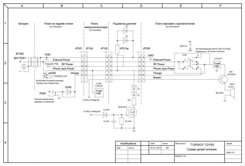
Модуль подсветки дисплея зеленого цвета с HobbyKing потребляет ток 17,1 мА при напряжении 11,1 В. Этот ток можно уменьшить в два раза, если изменить схему включения светодиодов с параллельного на последовательное соединение. Для сохранения той же яркости токоограничительный резистор надо увеличить с 470 Ом до 620 Ом. Подробности переделки приведены в моем дневнике.
Здравствуйте, а можно я влезу сюда со своим вопросом сгорели стандартные светодиоды в покупной подсветки и резистор но это нечего страшного я впаял новые светодиоды самые маленькие что были в магазине и резистор поэксперементировал от 300 до 500 ом … ну собственно подсветка горит все хорошо но когда начинает пищать пищалка ана начинает вместе сней моргать … прозвонил думал гдето повесил соплю но нет все в норме в настройках тоже выключена эта функция тестером просмотрет напряжение но ано незначительно падает точнее я думаю что от такого падения светодиоды недолжны тухнуть … всего 2 светодиода. Что делать подскажите мб гдето еще чтото прозвонить?
сгорели стандартные светодиоды
Сложно посоветовать, когда мало информации. Ответьте на такие вопросы:
- Почему и как сгорела подсветка - в пульте или на столе и из-за чего?
- Как включена подсветка - через свои разъемы или через транзистор и по какой схеме?
- Моргать - это как, полностью гаснуть или немного уменьшать яркость?
- Напряжение незначительно падает - на сколько в Вольтах и в какой точке схемы, какое напряжение в этот момент на батарее?
- В пульте что-либо переделывали или нет, если переделывали, то что?
Сложно посоветовать, когда мало информации. Ответьте на такие вопросы:
- Почему и как сгорела подсветка - в пульте или на столе и из-за чего?
- Как включена подсветка - через свои разъемы или через транзистор и по какой схеме?
- Моргать - это как, полностью гаснуть или немного уменьшать яркость?
- Напряжение незначительно падает - на сколько в Вольтах и в какой точке схемы, какое напряжение в этот момент на батарее?
- В пульте что-либо переделывали или нет, если переделывали, то что?
- Сгорела ана потому что подключил напрямую 2 провода от светодиодов к аккуму ну ана маргнула и все) (подсветка покупная)
- Подключена подсветка точнее подпаяна через резистор к тем точкам куда была подпаяна стандартная вот фото i061.radikal.ru/1203/47/beb173667874.jpg ко 2ому красному контакту подпаял резистор и потом на подсветку а минус тамже где и был, ну мб както нетак подключил вроде также как стандартная…
- Моргать при писке пискнул моргнула полностью выключилась и включилась одновременно с пищалкой
- Напряжение падает на 0,10 ну чем быстрее пищит пищалка тем больше и оно падает у меня, но вроде щас поставил поменьше резистор вроде бы как совсем перестало падать
- Подпаял провода для перепрошивки но это уже давно и все работает, перепаял пищалку как показано тут s57.radikal.ru/i155/1203/0e/2b0d42303774.jpg но ана работала со старой подсветкой все нормально.
Мб кудато в другое место мне ее подключить? если да то куда ?
после резистора показывает 5,6 вольт и если часто пищать то падает до 4рех
щас поставил поменьше резистор вроде бы как совсем перестало падать
Проверьте подключение. Минус (катод) диодов должен быть на земле (GND на схемах) прямо или через ключевой транзистор, если используете управление, а плюс (анод) через резистор 470 Ом на плюс питания.
Посмотрите запись в моем дневнике rcopen.com/blogs/105113/15546
Там все нарисовано и написано. Вы куда-то не туда подключились. Не должно моргать и, тем более, не должно быть зависимости моргания от сопротивления резистора. Ищите ошибку. Успехов!
к сожелению неочень разбираюсь в схемах но если посматреть на эту rcopen.com/files/509c0abd99707300779ac921 и на эту rcopen.com/files/4f809e1999707300779a7cb0 , а на маей плате так и вовсе было +5й -1й контакт только так и работает , ну видно я гдето чето нетак сделал придется заказывать подсветку дисплея((
У меня самодельная подсветка-питание от отдельной крен5 и на каждый диод ограничительный резистор 200 Ом(подбирал опытным путём-по току на светодиод 15мА)
Диоды брал с точной маркировкой-потом глянул по даташиту-ток до 20 мА
Но при 15мА хватает света
+5й -1й контакт только так и работает
5-й 12 В, а 1-й Buzzer. Поэтому и гасла при писке. Так можно и контроллер сжечь. Спасибо, там есть защитные диоды.
Если “неочень разбираюсь в схемах” покупайте новую или найдите знающих друзей, покажите схемы. Там школьная физика.
отдельной крен5 и на каждый диод
“крен5” потребляет 10 мА и два диода по 15, итого 40. Работать будет, но зачем такие излишества. Полно правильных схем.
“крен5” потребляет 10 мА и два диода по 15, итого 40. Работать будет, но зачем такие излишества. Полно правильных схем.
А у меня 4 светодиода-и тумблер на подсветку-я ей практически не пользуюсь
И правильных схем много конечно
rcopen.com/files/4f809e1999707300779a7cb0 вот по вашей схеме продключил…))) слава богу сгорело 2 дорожки питания только…) но свето диоды засветились…)) небуду голову ломать буду заказывать… а то еще ченить сгорит)
вот по вашей схеме продключил…))) слава богу сгорело 2 дорожки питания только.
Если не хотите еще две сжечь, паяльник в руки брать не советую. Не по теме, но… настоятельно рекомендую повторить школьные уроки грамматики и физики. В жизни пригодится.
Раздобыл дисплей, похожий на фото в сообщении №19. С обратной стороны маркировка LMS316CC01, “гугля” говорит дисплей от Нокия. Разобрал, оказалось там 6 светодиодов. На прозвонку - две группы по 3 диода.
У кого есть опыт использования таких подсветок ?
Я пока вижу два варианта:
Сделал подсветку: питание от 3S, две группы светодиодов по 3 штуки. R в 330 Ом обеспечил ток в каждой цепи примерно в 10мА.
