Сервотестер

BALAL

На плате только 6 отверстий - 5 под штырьки разъёмов и одно под переменный резистор. Остальные детали вешаются, как “SMD” монтаж… после сборки и настройки сделаны бортики из того же фольгированного текстолита, шириной 16 мм, и припаяны к плате по периметру (плата имела запас в стороны от фольги 1,5 - 2 мм).

AVK
valera_o:

сделал и я себе сервотестер. на меге48 и жки 8х2. семь режимов. в том числе тахометр, но с тахометром еще надо бороться не всегда верно выдает показания.

Что за схема? интересно было бы посмотреть.

valera_o
AVK:

Что за схема? интересно было бы посмотреть.

та схема как схема. мега, переменник, две кнопки, операционник, фототранзистор, жки, шунт в общем проводе сервы, и по мелочи. найду, сфоткаю схему - выложу, рисовать в электронном виде ломает…

AVK

Сам чтоли прогу писал?
Не поделишься с общественностью?

Blaster
Blaster:

Сегодня попробую собрать.

BALAL:

На плате только 6 отверстий …

Спасибо, я первый делал на печатке, а он не правильный 😁 . (тот, что схема цветная)
Собрал на монтажной плате (в чип\дипе ~150ре). Всё супер, но опять есть но:
Настройка в основнов упирается подбором емкости “недостающего” конденцатора. (см. какртинку)
Работает болея симетрично, но “блин” не стоит на месте - гуляет (ели заметно, но моторчик жужит, то туда, то обратно) с частотой примерно 2 герца. Молжет блок питания не идеал, новот по такому включению (см. вариант включение)

Как мёртвый с тем же блоком питания, и проводочки хоть общюпайся - практически помех не ловит … Только балансировать на много сложнея - просто ещё бы знать чего куда коректировать 😃
Я понимаю, что на батарейках первый вариант будет очень хорошо работать, но такого он не дождётся 😁
Не даром там стабилитрон стоит - а пробовал без транзистор, прям маятник какой-то.
Решил делать оба - первый будет на ускоренной подаче работать, а с 3-мя инвенторами на маленкую\рабочую.
А я думаю, что первом варианте нехватает одного инвертора для стабильности 50 Гц !? (не с проста делается и на трёх инверторах)
Спасибо! Я даволен ! Есть во что опередца и думать (рисовать) дальше схемму управления …

BALAL

…У меня работает и не выкабенивается…
Транзистор и стабилитрон нужны для возможности питания разным напряжением, 4,8 - 6 вольт, как стандарт предполагает…
Может, и без транзистора, по крайней мере, всё бы работало, но я перестраховался. Без него для выхода достаточно было взять сигнал с ножки 11 м/схемы.
При условии стабильности питающего напряжения от стабилитрона и резистора на него можно (следует) отказаться.
Особой стабильности 50 Гц не требуется. Не понимаю, какие у вас 50 Гц при резисторе в 6 раз больше предлагавшегося? 😲
Два подстроечника в предложенной мной схеме - для удобства настройки длительностей, их при такой схеме ДЕЙСТВИТЕЛЬНО УДОБНО настраивать! Методику я написал ранее! (Подбирать конденсатор нужно при минимальном сопротивлении переменника и середине подстроечника 220К! Их значения взяты не совсем с потолка! 😎 ) При изменении переменника в 2 раза следовало бы пропорционально изменить и два подстроечника, и конденсатор, но в другую сторону.
Плата - именно на такой я собрал данное устройство, см. фото! Резистор с 8 ножки мс на плату размещён ПОД микросхемой! 😜

valera_o
AVK:

Сам чтоли прогу писал?
Не поделишься с общественностью?

та было дело, а чего там… 😒 можно и прогой поделиться, но писалась для СЕБЯ, поэтому сами понимаете. К тому же на алгоритм билдере… не дорисован формирователь для фотодиода, но он делался по схеме тахометра, не помню автора, на lm359, и забыл уточнить на какую ногу меги подавался сигнал с формирователя. Хотелось получить: аналоговую регулировку, перекладку из одного крайнего в другое, измерение времени перекладки, измерение длительности управляющего импульса без выдачи сигнала на серву, измерение с пропуском на серву, тахометр с выдачей вых. сигнала. Практически удалось… есть еще идеи, но нет необходимости.

Blaster
BALAL:

***Особой стабильности 50 Гц не требуется. Не понимаю, какие у вас 50 Гц при резисторе в 6 раз больше предлагавшегося? 😲
*** При изменении переменника в 2 раза следовало бы пропорционально изменить и два подстроечника, и конденсатор, но в другую сторону … 😜

Видно, что у Вас хорошое настрение - радует 😛
*** да там подстроечник (закупил в дипе 10 шт - больше небыло) вот и сую куда попало. За то диапозон какой большой !
Значит так: подстроечником пробовал менять частоту и установил, что серва замолкает ровно 22 мили\секунды, но повторюс мотор сервы медленно крутится то в одну то в другую сторону с периодом 2 сек. - если прислушатся (поднести к уху), то впечатления, что по 1…3 оборота в каждую сторону и не “дрыгается”, а очень медленно, как по программе 😃
*** ну НЕТУ у меня мегаомного подстроечника - все ушли на :
Менять 100 килоом нет желание, так как он по двум осям работает и когда покупал, кроме 100к ничего небило (сейчас там и этого нету - долбаный дип на Беговой)
(плата не по теме - просто на ней два таких переменных джойтика по двум осям)
Я просто пока временно подогнал, чтоб СИМЕТРИЧНО работало и покрывало 105% диапозона для ОПИТОВ. А потом детальки ЗОЛОТЫЕ поставлю или из помойки достану - помойка у меня богатая 😂
Огромное спасибо за схему и внимание!
За одно похвалюсь про реверсивный счётчик и двухканальный импульсный датчик - пока и механика и електроника не долеко ушли, но задумка мне нравится 😃
Осторожно - картинку специально не сжимал, (0,9 мегобайта) так там ничего конкретного не показано - общий план переделки …

Алксандр:

еще один вариант простого сервотестера

Для меня простой если не надо програмировать 😵
Да вот такой вопрос чайника: а если программа не нравится и её надо менять, то например на пике 509, надо его выпаивать, чтоб перепрошить ? (вопрос детсадовский, но свё-же?)
Спасибо!

BALAL

Зачётно, это у вас дома такой станок?
…Про “Школьный автобус” даже видео скачивал… 😃

Алксандр
Blaster:

Для меня простой если не надо програмировать 😵
Да вот такой вопрос чайника: а если программа не нравится и её надо менять, то например на пике 509, надо его выпаивать, чтоб перепрошить ? (вопрос детсадовский, но свё-же?)
Спасибо!

Для меня тоже когда-то был такой же критерий “простоты”. Со временем все меняется. Не сложнее чем разобраться с токарным станком - просто надо один раз потратить некоторое кол-во времени чтобы поставить программу для заливки софта и сделать кабель для программирования (в котором ничего программировать не надо 😎 - микросхема и несколько деталек - заметно проще схем, которые у Вас на фото).
Выпаивать не надо - все процессоры так или иначе поддерживают внутрисхемное программирование, просто должен быть предусмотрен разъем для этого, и схема должна быть составлена с учетом такой возможности и/или необходимости.

Blaster
BALAL:

Зачётно, это у вас дома такой станок?
…Про “Школьный автобус” даже видео скачивал… 😃

Дома в прихожей 😃 (нет у меня больше мастерской)
“автобус” тоже дома тусуется … пока погоды нет и желания мучить - вдруг сломается 😁 (топливо закупил перед Н.Г.)

Алксандр:

… Со временем все меняется.
… Выпаивать не надо -

Уже выбрал програматор, но в наличии небыло … временно отложил покупку.
Спасибо. Теперь уже почти всё понял 😃

Алксандр
Blaster:

Уже выбрал програматор, но в наличии небыло … временно отложил покупку.
Спасибо. Теперь уже почти всё понял 😃

Если процессоры - атмеги или пики - то, возможно, целесообразней и проще сделать самому, чем покупать за несколько сотен-тысяч рублей. Схема на MAX232 и несколько деталек. Можно еще проще - на нескольких транзисторах.

Blaster

Спасибо, Вы мне помогаете окончательно запутатся с цыфрами (названиями пиков), так как мне мало чего говорит … 😵
Пока остановился на Пик кит 2 из магазина … стоит 1127рб. Только не знаю чего програмировать - готовых схем для моих потребностей (они у меня не стандартного решения) нет. Значит надо ещё и паралельно учится програмировать 😁 .
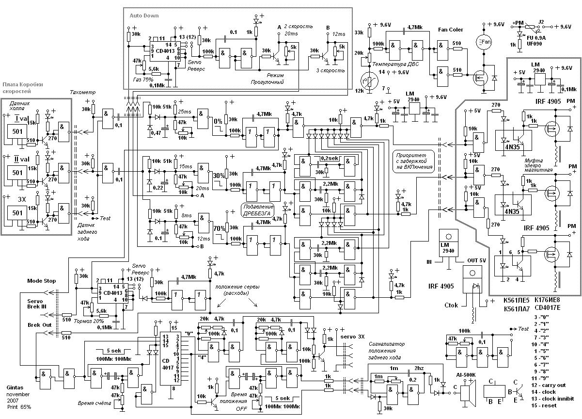
Вот например схема моя - сам придумал (работает как задумано) можно упростит раз 100 по количеству деталей, если сделать на пиках или на одном ! Случайно у вас не будет аналогично такой схемы, только в цифравом исполнении и главное, прошивка не завалялас у вас ? Что на ето ткажете 😛 . Чтоб этим заниматся, надо быть фанатом електроники и весьма узкого профиля - тогда на остальное времени не хватит.
С.В.

Алксандр
Blaster:

Спасибо, Вы мне помогаете окончательно запутатся с цыфрами (названиями пиков), так как мне мало чего говорит … 😵
Пока остановился на Пик кит 2 из магазина … стоит 1127рб. Только не знаю чего програмировать - готовых схем для моих потребностей (они у меня не стандартного решения) нет. Значит надо ещё и паралельно учится програмировать 😁 .
Вот например схема моя - сам придумал (работает как задумано) можно упростит раз 100 по количеству деталей, если сделать на пиках или на одном ! Случайно у вас не будет аналогично такой схемы, только в цифравом исполнении и главное, прошивка не завалялас у вас ? Что на ето ткажете 😛 . Чтоб этим заниматся, надо быть фанатом електроники и весьма узкого профиля - тогда на остальное времени не хватит.
С.В.

Я смотрел Ваши схемы. Придумать схему под такую задачу на жесткой логике - тоже не простая задача (если еще к этому времени прибавить выбор комплектации, ее поиск, сборку, настройку и тд). Думаю что это время не сильно отличается от придумывания программы на микроконтроллере. Только схема заметно упроститься. Хотя конечно тонкости и сложности будут везде. А уж о габаритах и речи нет.

PigTail

Еще достаточно весомый плюс в том, что для смены алгоритма работы схемы гораздо реже надо паялом работать при использовании микроконтроллера, да и сравнивать возможности алгоритмизации просто бессмысленно, кстати ИМХО зря упераетесь в пики, атмелы гораздо внятнее для освоения, хотя это уже дело вкуса…

Blaster
Алксандр:

Думаю что это время не сильно отличается от придумывания программы на микроконтроллере …

Дело в том, что купил книжку по КНОП микросхемам и освоил только стандартную логику и то плохо. (нпр. 176ЛА7 полюбил, а 176ЛЕ5 сложнея понять, так как там на оборот и не привично) … Мне проще и на много быстрея выполнить на элементах, которые знаю… А начинаю с бонального:
Пишу на бумажке чего мне нужно - всевозможные варианты … (типа если это включено, разрешается только это№2 и ни вкоем случае это№3, а точно мне это нужно ? и т.д.)
Потом на какждый узел ищутса всем известная схема и стикуется в кучку … (по возможности предусматривается апгрейды и путаницы сиглала “0” и “1”, или добывления разьёма - по етому резисторы “подпорки” присутствует) …
Спасибо за разьянение, но к примеру: - питался разобратся с микрухой (управление мотором с датчиками холла от видео магнитафона) … не помню как называется … Ужаснулся - столько запихнули в неё - к примеру - 3-и диференциальных усилителя, для датчиков (резисторных) холла … ну не важно, но там уже есть выводы, для "пуск - стоп - в перёд - в зад - перемодка в перёд - перемотка в зад, а ПЛАВНОЙ регулировки нету 😃 . Не пойдёт ! Вот и выискивается не стандартные решения проблеммы 😁

PigTail:

Еще достаточно весомый плюс в том, что для смены алгоритма работы схемы гораздо реже надо паялом работать …

Согласен, но если ДЕМО версия (а не серийное производство) и в консруции предусмотрено коректировка - достаточно покрутить тот или инной потенциометр, чем жать кнопки “+” или “-” через пункт меню, если прога написанна не коряво 😃
Может быть пото о о ом, после модернизации станка, предложу Госпадину Коноплёву свои АП грейды и сотрудничество, (конечно электронная часть будет выполнена на одной спецелизорованной микросхеме - почти шутка, но кто знает … )
… в принципе такого никогда не будет по простой причине, что любой АП стоит денег и ни кто не будет эго ставить (разве единицы из тысячи), так как станок ХОБИЙНЫЙ и любой скажет - " за такие бабки я двух негров найму, чтоб ручки крутили и считали сколько крутить (или Молдованин- сегодня актуально) … 😵
Спасибо!

Алксандр
Blaster:

Дело в том, что купил книжку по КНОП микросхемам и освоил только стандартную логику

Жеская логика построенная на инверторах и сумматорах ложится на МК в считанные минуты. Был бы хорошо описанный алгоритм работы.
В любом случае, на жесткой логике далеко не “уедешь”.
Хотя, конечно, иногда оправданно использовать специализированную ИМС для реализации какого-либо законченного функционала

Если говорить применительно к теме - сервотестеру - ни одна аналоговая схема не может похвастаться точностью в сотые доли процента и долговременной температурной и временной стабильностью.

Blaster

Про олгаритм работы самой схемы, вы имеете в виду ? Так это очень долго и нудно расказывать, тем болея, что никому не интересно 😃
Если кого заинтересовало - могу попробовать обьяснить, как работает кажый узел и для чего нужен …
Эх … очень даже согласен про МК (микро контролер - надеюсь абривиатура такая ) 😃

Алксандр
Blaster:

Про олгаритм работы самой схемы, вы имеете в виду ? Так это очень долго и нудно расказывать, тем болея, что никому не интересно 😃
Если кого заинтересовало - могу попробовать обьяснить, как работает кажый узел и для чего нужен …
Эх … очень даже согласен про МК (микро контролер - надеюсь абривиатура такая ) 😃

я имел в виду, что четко построенный алгоритм работы устройства - это половина его дальнейшей схемы (или программы). МК именно так расшифровывается.

11 days later
Blaster

Придумал схему для управления одной оси Х. Игрек и Зет нет смысла и очень хлопотно. В будущем постараюсь для Игрик тоже поставить енкодер и счётчик, но без электрической подачи … ручкой покручу 😛
Кажется будет работать … (тормоз срабатывает если счётчик в нолях)
P.S. 9-ть корпусов всего 😃
В догонку : уже вижу лишняю деталь (я про инвентор) … если хорошенко подумать, может ещё чё нить выбросится 😁
… а на программе можно проще 😵