помогите запустить двигатель.

nevostruev

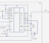
Имеется двигатель X-Motor XM2826CA-12,
регулятор Motor speed controller Marcus SL 20.

схемка подключения такая:
вместо аккумуляторов - используется источник питания.
вместо приемника - используется сигнал ШИМ.

Вот в чем проблема, двигатель запускается, но через какой то промежуток времени начинают спадать обороты, до полного останова двигателя.
если необходимо отправить схемку ШИМ отправлю.

leprud

Замерьте напряжение питания в момент спада напряжения. Наверняка источник не справляется…

dENISCA

А смысл всей этой конструкции?

А так по делу, то в регуляторе зашита защита аккумулятора от переразряда. И она настраивается от типа аккамулятора, т.е.

  1. если это NiMh, то шаг 1,2В с разрядом до 0,9В на банку
  2. если это LiPO, то шаг 3,7В с разрядом до 3,3В на банку

И на практике выглядит так, если у вас БП на 10В ХХода, то при подключении регулятора, регулятор определит что к нему подключили 3 банки LiPo (т.е. литийполимер запрограммирован по умолчанию в настройки)
Литию дает разряжаться до 3,3В на банку это 9,9В на три банки.
Когда вы даете газ, то БП из 10 вольт садится до 9,5В в результате регулятор понимает что аккумулятор сел и плавно снижает обороты.

Замерьте напряжение питания в момент спада напряжения. Наверняка источник не справляется…

Вы количество сообщений у пользователя видели ?

nevostruev

я тоже думал что не справляется. источник на 12 в. 5 А. при запуске ток составляет 1,5-2 А. напряжение не просаживается.

leprud

С пропеллером такой мотор будет есть до 15А.
На холостом ходу - действительно около 1 А

nevostruev
dENISCA:

Вы количество сообщений у пользователя видели ?

что это значит?

leprud:

С пропеллером такой мотор будет есть до 15А.
На холостом ходу - действительно около 1 А

в том то и дело, что при вращении ток примерно составляет 1 А, в дальнейшем идет на спад.

leprud
nevostruev:

в том то и дело, что при вращении ток примерно составляет 1 А, в дальнейшем идет на спад.

С пропеллером, или без? Вы напряжение то померяли?

ubd

А что там у вас за ШИМ? Что на выходе? Должен быть, на выходе канальный импульс, от 1 до 2мс, каждые 20-25 мс.
Вообще у вас всё должно работать.
Попробуйте аккум, к примеру свинцовый 12В 7Ач.

nevostruev

Использую не пропеллер, а алюминевый диск.диаметром 11 см. так сказать использую не по назначению. Щеточные двигатели меня не устраивают. вот и приходится мучаться с этим.) схема основана на микросхеме TL494.
Напряжение мерял. оно проваливается на 0,1 В.
Аккумулятор мне не подходит.

ubd

вместо приемника - используется сигнал ШИМ.

Что там у вас за сигналл ШИМ?

ubd

Хотел в протеусе запустить эту схему, а у меня в базе нет TL494.
Тут сразу бросается в глаза, что схема питается от 12В. Значит размах сигналла то же 12В. Это много. Возможно что уже сдох порт в проце. Но это предположение.
А вы вообще смотрели что за ШИМ выходит с этой схемы?
Я выше писал что должно выходить.

Попробуйте другую схему. Схемы эти называются - Сервотестер. Схем в инете море, и проще той что у вас.
Самый простой на NE555.
Например:
my-ua.narod.ru/hobby/servo_test/
www.sentex.ca/~mec1995/gadgets/servo4.htm
www.555-timer-circuits.com/servo-tester.html

nevostruev

Сервотестер я уже паял. запускается. Но мне надо чтобы запускался сразу после нажатия кнопки. а в сервотестере необходимо крутить резюк, так сказать настроить. (если конечно я правильно понял).
в моей схеме имеется конденсатор, который дает возможность при включении ширину импульса увеличивать. ну как водится движок запускается, настроил и все в порядке)
Попробую поискать источник питания помощнее. может что и получится.

ubd

Что бы он запускался автоматически, нужно схему промутить на проце. Это уже мозги включать нужно…

nevostruev

Что бы он запускался автоматически, нужно схему промутить на проце. Это уже мозги включать нужно…

выложеная мною схема позволяет это сделать.

попробовал запустить источником питания 10 А. все так же, скорость падает. приходится подкручивать резистор. Регулятор грется стал сильнее.

ubd

А от сервотестера, то же так же обороты падают?

Осциллографом посмотрите, какой канальный импульс приходит. А то может с этим связано.

И замерить бы ток вашей системы.

Возможно регулятор сдох просто. У них бывает померает порт АЦП который отвечает за отсечку. И будет происходить такая вот штука. Вро ди всё работает, но по виду как отсечка срабатывает.

Пробуйте другой регулятор.