Делаю цифровую зарядку

andreyla

А что будет если поставить вместо 22mh поставить 20mh или 25mh.А то не могу достать 22,
Кто подскажет какой народный полевик моЖно поставить вместо IRF7424 и IRL3102

andreyla

О.К. Спасибо
А,что насчет индуктивности?

AVK

А индуктивность в большенстве случаев по барабану (но лучше больше) т.к. вся эта ботва должна работать в режиме непрерывного тока.
Очень рекомендую: natahaus.ru/…/silovaja_jelektronika_ot_prostogo_k_… значительно расширяет кругозор.

bezobraznic

Вот вам ребята схема и програма зарядки на тини26. Делал её когда-то для зарядки Li аккумуляторов. Она планировалась в составе прибора, так что всё лишнее можете выкинуть.

Вот вам ребята схема и програма зарядки на тини26. Делал её когда-то для зарядки Li аккумуляторов. Она планировалась в составе прибора, так что всё лишнее можете выкинуть.

CHARGE.rar

ILUHA
bezobraznic:

Вот вам ребята схема и програма зарядки на тини26. Делал её когда-то для зарядки Li аккумуляторов. Она планировалась в составе прибора, так что всё лишнее можете выкинуть.

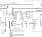
а можно схему картинкой, а то ОрКада нет:(?

7 days later
AlexAndr=

Выкладываю схему с номиналами, прошивку(на 150 циклов), и описание к моей зарядке (а то ЛС надоели).
Полнофункциональная прошивка , и темболее исходники распространятся и продаватся небудут.
Как вариант, может смогу сделать неограниченную по циклам прошивку(народную), но только с режимом линейного заряда и режимом разряда.Теоретически можно добавить литий, но у меня нет Li батарей.
Печатки нету- делал на макетной плате.

Философ

Могу попробовать развести схемку. Жаль только нет липолек 😦

ILUHA
AlexAndr=:

Выкладываю схему с номиналами, прошивку(на 150 циклов), и описание к моей зарядке (а то ЛС надоели).
Полнофункциональная прошивка , и темболее исходники распространятся и продаватся небудут.
Как вариант, может смогу сделать неограниченную по циклам прошивку(народную), но только с режимом линейного заряда и режимом разряда.Теоретически можно добавить литий, но у меня нет Li батарей.
Печатки нету- делал на макетной плате.

Повторять мне не интересно, хочу свою на TL494… Какую частоту ШИМА использовал для разрядной цепочки на полевике?

AlexAndr=
ILUHA:

Повторять мне не интересно, хочу свою на TL494… Какую частоту ШИМА использовал для разрядной цепочки на полевике?

Разрядный транзистор работает не в ключевом режиме, а в аналоговом- RC цепь затвора фильтрует шим и его частота роли не играет.

Кстати немного о конструкции: разр., зар. транзистор и диоды установлены на радиаторе; все неподписанные резисторы 0,125Вт; вентилятор 12В х 0,08А(можно и больше); буззер и L2-у меня был снят с радиотелефона; провода до аккума-1,5кв.мм х 30см.

AVK

И на заряд и на разряд ориентируемся на 50 кГц

ILUHA
AlexAndr=:

Разрядный транзистор работает не в ключевом режиме, а в аналоговом- RC цепь затвора фильтрует шим и его частота роли не играет.

Да это по схеме и слепому видно… AVK спасибо за ответ.
А сам вопрос возник т.к. решил разряд погонять с Microcap7 и получил удивительные результаты:
Microcap7 таких простых конструкций не понимает и даже на 150мВ полевик работает как класный ключ, и чуть чуть ток меняется от частоты…
Пора менять симулятор… Кто что посоветует?

JokerTM
ILUHA:

Пора менять симулятор… Кто что посоветует?

Попробуй Proteus!!!

AVK

Лучший симулятор находится в голове инженера, после многочисленных экспериметтов с разнообразными прогами я в этом давно убедился, особенно если дело касается силовой электроники

Vasily_A

мелкий вопрос по схеме: какой смысл диода 1N4007 с +аккума на +питания? для работы без питания в режиме разряда?

по поводу переполюсовки аккума:
добавить диод перед транзистором разряда (может и необязателно) , в паралель к защитному диоду меги на PB1 еще внешний. и оптрон на блокировку верхнего ключа (чтоб не просить автора менять программу) - при неправильном включении аккума запитывается оптрон и блокирует сигнал на базе С945.

IRF540N
AlexAndr=:

Выкладываю схему с номиналами, прошивку(на 150 циклов), и описание к моей зарядке (а то ЛС надоели).
Полнофункциональная прошивка , и темболее исходники распространятся и продаватся небудут.
Как вариант, может смогу сделать неограниченную по циклам прошивку(народную), но только с режимом линейного заряда и режимом разряда.Теоретически можно добавить литий, но у меня нет Li батарей.
Печатки нету- делал на макетной плате.

Ворос к Автоу - а почему собственно зарядник расчитан мах на 8 банок - МАЛОВАТО БУДЕТ!!! 😃

AlexAndr=
Vasily_A:

мелкий вопрос по схеме: какой смысл диода 1N4007 с +аккума на +питания? для работы без питания в режиме разряда?

При пропаже питания не пропадают результаты заряда/разряда + разряд больше 5 банок без питания.

Vasily_A:

по поводу переполюсовки аккума:
добавить диод перед транзистором разряда (может и необязателно) , в паралель к защитному диоду меги на PB1 еще внешний. и оптрон на блокировку верхнего ключа (чтоб не просить автора менять программу) - при неправильном включении аккума запитывается оптрон и блокирует сигнал на базе С945.

Всё равно при переполюсовке будет течь ток 25CTQ035-L1-25CTQ035-GND-0.1x5W и спалит резистор.

IRF540N:

Ворос к Автоу - а почему собственно зарядник расчитан мах на 8 банок - МАЛОВАТО БУДЕТ!!! 😃

Делал для себя, на автомодельные 6 банок- отсюда и требования по кол. банок, току, режимам, отсуцтвию лития и т.п. Да и неохота было схему усложнять.

IRF540N
AlexAndr=:

Делал для себя, на автомодельные 6 банок- отсюда и требования по кол. банок, току, режимам, отсуцтвию лития и т.п. Да и неохота было схему усложнять.

А если побороть лень и сделать авиа-зарядник? Или слабо?
😎

AlexAndr=
IRF540N:

А если побороть лень и сделать авиа-зарядник? Или слабо?
😎

Тут дело не в лени, а в отсуцтвии времени для разработки и главное, тестирования такого зарядника.
И авиамод. батарей для тестов нету, тогоже лития…

drweb

Спасибо вам за ответ, только один вопрос какая индуктивность у дроселя L1, и нужен ли в сердечнике немагнитный зазор, его начальная магнитная проницаемость 6000НН - где такой купить, может заменить можно, и какие параметры у дроселя L2 т.е сколько мкГ, а то на схеме указано “50-100 Ом”.

Спасибо

С уважением Эльмир

AlexAndr=

FAQ по зарядке:
L1- намотана на двух склеенных вместе сердечниках, ориентировочная индуктивность 30-50мкГн. Если ток нестабильный надо увеличивать индуктивность L1.
piezo buzzer- пьезо излучатель с радиотелефона, оттуда и L2(номиналов незнаю). Свиду L2 100-200витков на “гантельном” сердечнике диаметром 6мм, длинной 10мм.
LCD- WH1602A-NGG-CT, должен подойти любой на контроллере hd44780 (16 символов 2 строки).

Настройка и фото меню:

Charger.rar

Vasily_A
AlexAndr=:

FAQ по зарядке:
L1- намотана на двух склеенных вместе сердечниках, ориентировочная индуктивность 30-50мкГн. Если ток нестабильный надо увеличивать индуктивность L1.
piezo buzzer- пьезо излучатель с радиотелефона, оттуда и L2(номиналов незнаю). Свиду L2 100-200витков на “гантельном” сердечнике диаметром 6мм, длинной 10мм.
LCD- WH1602A-NGG-CT, должен подойти любой на контроллере hd44780 (16 символов 2 строки).

Настройка и фото меню:

собрал в полу-макетном варианте. результат:

  1. шим цепи заряда (был вопрос ранее) период около 64мкс
  2. есть некая проблема с ацп по напряжению: судя по всему Автор использует два входа для расширения диапазона напряжения батареи (при опоре 2.56в), но с номиналами делителя 3+3+11+2 неправильно считается напряжение, сильно занижает его. подбором номинала делителя (вместо 11к примерно 30к) напряжение привел в норму. соответсвенно работает только “грубый” режим замера.

Автор! Ау! посмотри на прошивку, может при обрезании под демо пересчет напряжений изменился?

для справки при ставим 6в, на входе (RU) 6.2в (ток около 2 А, вот 0.2в и прибавилось с шунта), на ADC1 1.02в, на АDС2 0.5в

AlexAndr=
Vasily_A:

собрал в полу-макетном варианте. результат:

  1. шим цепи заряда (был вопрос ранее) период около 64мкс
  2. есть некая проблема с ацп по напряжению: судя по всему Автор использует два входа для расширения диапазона напряжения батареи (при опоре 2.56в), но с номиналами делителя 3+3+11+2 неправильно считается напряжение, сильно занижает его. подбором номинала делителя (вместо 11к примерно 30к) напряжение привел в норму. соответсвенно работает только “грубый” режим замера.

Автор! Ау! посмотри на прошивку, может при обрезании под демо пересчет напряжений изменился?

для справки при ставим 6в, на входе (RU) 6.2в (ток около 2 А, вот 0.2в и прибавилось с шунта), на ADC1 1.02в, на АDС2 0.5в

Нашёл у себя ошибку- в схеме нужно поменять местами ADC2 и ADC1.
Исправленная схема: