Слоновье радиоуправление или вторая жизнь спектрума

Adekamer

единственное достоинство данной идеи только то что мошу управления можно неприлично раскачать
но мощность видеопередатчика то ограничена ! так что - боловство это

fmkit

uvazhaemii Slon ! ya ne mogu peverit’ chto vi PPM posoedinili pryamo na mikrofonnii vxod !
signal iskazhaetsa posle condensatorov i PLL, ya s etim borolsya dolgo poka ne soobrazil precodirovat’ PPM stream chtob nebilo 10ms dead zone.

Хвост_Слона

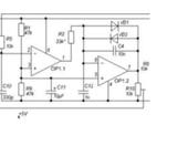
To fmkit: нет, естественно не на микрофонный вход. Сигнал через операционник для некоторого нормирования и ограничения спектра (Автор - msv) подан на модуляторный варикап гуна , точнее в точку MOD. Схемы прилагаются. Все работает и летает.

То Zaxar: Вы еще не видели списки частотных присвоений на 35 и 40 мгц. Вот где мощные и непредсказуемые 😉 Ну а помехи… Где их не бывает… Только мощность промышленых искровых помех сильно падает с увеличением частоты.

Упс… Схемки забыл, склеротик…😵

fmkit

naverno bilo bi legche prikrutit’ k DX6 booster - otkluchit’ tv modulator v module tipa AWM633 i na vxod PA podat’ RF s pulta. Takim obrazom ya polzovalsya LP5DSM 1mW v 0.5W.

3apw
Хвост_Слона:


Относительно законности - применение радиолюбительских частот 144-146 мгц для управления моделями ИМХО является меньшим нарушением, чем использование большинства частот 35 и 40 мегагерц, не говоря уже про 72 мгц и 2,4, а так-же про видеопередатчики на 900, 1.2 и 2.4.

Очень вам не рекомендую использовать р/любительские диапазоны, особенно УКВ, и особенно в Москве. На этих диапазонах все друг друга знают в большинстве случаев и появление подобного излучения будет подавляться методом “грубой силы” (мощностью) очень активно (модель неожиданно потеряет канал управления со всеми вытекающими…).

Р/любители в этом диапазоне имеют существенно большую энергетику радиоканала (выходная мощность 50 Вт и выше) и самое главное - направленные антенны с достаточно большим коэффициентом усиления.

Так было в свое время с таксистами и другими коммерсантами в 90-х годах, которые попробовали использовать этот диапазон без получения разрешения.
Говорю это со знанием вопроса, так как имею р/любительскую лицензию 29 лет и первую категорию.

Относительно “меньшего нарушения” - поверьте, что знаю не один случай, когда у подобных нарушителей через суд конфисковывалась вся радиоаппаратура в месте проживания.

Хвост_Слона

То 3APV Откуда у Вас типично паяльный подход “Говнили, говним и говнить будем!”?

Вот что гласит “Инструкция о порядке регистрации и эксплуатации любительских радиостанций” которая введена в действие 15 сентября 1996г. приказом Главгоссвязьнадзора России от 08.08.96 N 52
пункт 12.4 Для радиоуправления моделями разрешается использовать радиопередатчики, работающие в диапазонах (полосах) частот 28000-28200 кГц и 144-146 МГц мощностью не более 1 Вт.

Больше позитива! Говнить дело нехитрое. То-то смотрю на 430-440 мгц порядок просто идеальный - половина частот продана комерсам, ФSО частоты просто мегагерцами у любителей отбирает, УГПС и МЧС на любительских бендах как дома.

Панкратов_Сергей
3apw:

На этих диапазонах все друг друга знают в большинстве случаев и появление подобного излучения будет подавляться методом “грубой силы” (мощностью) очень активно (модель неожиданно потеряет канал управления со всеми вытекающими…).
.

Вероятность этого - почти 100%
Мало кто удержится, обнаружив на радиолюбительской частоте какую- то непонятную рычащую несущую не включить на этом канале передатчик.

Adekamer

подтверждаю
этот народец постоянно мониторит свой диапазон
и когда находит что то новенькое - очень радуеться - ну а дальше все уже выше описали 😃 кирпич - перемодуляция и морковка из нового лексуса 😃
(я помню давнюю историю - как искали гаденького дкдушку специально засираюшего диапазон - гестапо отдыхает:) )

slides
fmkit:

naverno bilo bi legche prikrutit’ k DX6 booster - otkluchit’ tv modulator v module tipa AWM633 i na vxod PA podat’ RF s pulta. Takim obrazom ya polzovalsya LP5DSM 1mW v 0.5W.

А по подробнее можно ? Была идея присобачить какойнить антенный активный усилитель вайфайного диапазона, но знаний нет, а надобность есть. Мой спектрум7 чегото дальше 1000 метров не бьет (даже загородом)😃

3apw
Хвост_Слона:

То 3APV Откуда у Вас типично паяльный подход “Говнили, говним и говнить будем!”?

Вот что гласит “Инструкция о порядке регистрации и эксплуатации любительских радиостанций” которая введена в действие 15 сентября 1996г. приказом Главгоссвязьнадзора России от 08.08.96 N 52
пункт 12.4 Для радиоуправления моделями разрешается использовать радиопередатчики, работающие в диапазонах (полосах) частот 28000-28200 кГц и 144-146 МГц мощностью не более 1 Вт.

Больше позитива! Говнить дело нехитрое. То-то смотрю на 430-440 мгц порядок просто идеальный - половина частот продана комерсам, ФSО частоты просто мегагерцами у любителей отбирает, УГПС и МЧС на любительских бендах как дома.

Для Хвост Слона, при таком стиле общения продолжать его лично с Вами считаю нецелесообразным.

Информация о разрешении использования диапазона 144-146 МГц для радиоуправления моделями не верна. Проверить можно здесь “ПРАВИТЕЛЬСТВО РОССИЙСКОЙ ФЕДЕРАЦИИ . ПОСТАНОВЛЕНИЕ от 15 июля 2006 г. N 439-23 ОБ УТВЕРЖДЕНИИ ТАБЛИЦЫ РАСПРЕДЕЛЕНИЯ ПОЛОС ЧАСТОТ МЕЖДУ РАДИОСЛУЖБАМИ РОССИЙСКОЙ ФЕДЕРАЦИИ” www.dforadio.ru/rreglament/index.shtml

fmkit
slides:

А по подробнее можно ? Была идея присобачить какойнить антенный активный усилитель вайфайного диапазона, но знаний нет, а надобность есть. Мой спектрум7 чегото дальше 1000 метров не бьет (даже загородом)😃

nedavno ya prikrutil etot AWM333TX modul(tolko booster) k digital audio link, bilo 10mw teper’ 0.5w 2km radius
nado porvat’ dorozhku na plate chtob otklyuchit’ modulator, smotri kartinku

slides

А более подробно непосредственно к подключению пульта ? За фотки спасибо огромное

fmkit

u menya net ni odnogo pulta na 2.4ghz
antenna coax in, booster output to antenna, 3.3v pitanie vot i vseo !

ekf

Лучше подать сигнал на вход согласующей цепочки на фото немного
левее, там три резистора включены в виде буквы П.
Меньше шансов, что изнасилуете выходной усилитель.
p.s. Забавная вещь этот модуль.
Похоже ГУН модулятора запитан от общей цепи питания.
Поэтому при питании передатчика от импульсного понижающего преобразователя на 3.3 вольта имеет место сетка помехи ( если нет дополнительного индуктивного
фильтра).
Но на плате предусмотрен внешний конденсатор фильтра на 470 uF.
Однако сопротивление резисторов фильтра равно нулю.
“Забавное” решение.

fmkit
Панкратов_Сергей:

Вероятность этого - почти 100%
Мало кто удержится, обнаружив на радиолюбительской частоте какую- то непонятную рычащую несущую не включить на этом канале передатчик.

U menya eto proisxodit kazhdie 2 dnya,
Iz 22 kanalov ya zanimayu nomer 8
kogda samolet letit ya chuvstvuyu kogda ktoto regulyarno nazhimaet PTT
potom uspokaivaetsa - u kogo xvatit terpenia zhat’ knopku peredacha bolshe chem neskolko sekund ?
Samoe interesnoe chto samolet vpolne upravlyaem , normalnii PPM eto 50 frames/s
u menya primerno 150, dazhe esli iz 100 paketov v sekundu vsego 1 dohodit to vpolne mozhno letat’. U menya fail-safe na kazhdom kanale tak chto nichego ne dergaetsa.
Samolet vseo vremya dvigaetsa, uslovia priema menyayutsa i polnost’yu podavit’ kontrolnii signal nevozmozhno Systema ochen’ nadezhna, 10km esli obe antenni xorosho orientirovani - eto s 0.5W UHF. Ya tak ponimayu Хвост mozhet i za 30km uletet’ na 146mhz

Aleksey_Gorelikov
Панкратов_Сергей:

Вероятность этого - почти 100%
Мало кто удержится, обнаружив на радиолюбительской частоте какую- то непонятную рычащую несущую не включить на этом канале передатчик.

А что, работу пакетом на укв кто-нибудь запрещал? Чем рычащая несущая отличается от несущей пакета? Все на слух определяют, что передается? Странный нынче народ пошел…

3apw:

Для Хвост Слона, при таком стиле общения продолжать его лично с Вами считаю нецелесообразным.

Лучше бы считали нецелесообразным продолжать общение с радиоГубителями, которые при обнаружении несущей сразу кирпичи достают.

Панкратов_Сергей
Aleksey_Gorelikov:

А что, работу пакетом на укв кто-нибудь запрещал? Чем рычащая несущая отличается от несущей пакета? Все на слух определяют, что передается? Странный нынче народ пошел…

Ну причины включения передатчика могут быть разные.
И давать им оценку смысла нет.
Все равно что из за кустов выскакивать на пешеходный переход.
Типа - пусть меня собьют - но я то прав !!!

Хотя каждый сам выбирает где и как улицу переходить:)

3apw
Aleksey_Gorelikov:

А что, работу пакетом на укв кто-нибудь запрещал? Чем рычащая несущая отличается от несущей пакета? Все на слух определяют, что передается? Странный нынче народ пошел…

Лучше бы считали нецелесообразным продолжать общение с радиоГубителями, которые при обнаружении несущей сразу кирпичи достают.

  1. Протокол АХ.25 (“пакет” по Вашему) - это не радиоуправление. АХ.25 официально разрешен Минсвязи на р/любительских частотах лицам, имеющим соответствуещее разрешение, в том числе на 144-146 МГц.
    Использование аппаратуры радиоуправления на этих частотах не разрешено.
    О чем здесь спорить?

  2. Сигнал “пакета” 1200 бит/c (разрешенный на УКВ) отличу от сигнала RC в 100 случаях из 100. Хотите пари? Тоже самое и большинство р/любителей, имеющих официальное разрешение и позывной.

  3. Не понятна Ваша логика - люди, у которых хобби RC должны неуважительно относится к другим хобистам, у которых хобби радиосвязь. А на каком основании?
    А если Вы построите площадку для полетов и станете летать на бензинычах или не дешевых вертолетах, а рядом проживающий радиохоббист будет испытывать свои радиоканалы на Ваших частотах управления - Вам понравиться такой сценарий?
    Не думаю, что ущемление законных прав других, даже под кажущимися благовидными предлогами, это верный путь…

  4. Про “радиоГубителей” - о ком Вы? Радиолюбители, имеющие разрешение Минсвязи и позывной имеет полное право работать на выделенных частотах, а также предотвращать использование этих частот лицами, не имеющими на то права (См. “Регламент радиосвязи”).

Кроме того, различные виды цифровой радиосвязи могут быть не слышны на обычную аппаратуру, но это не значит, что данные частоты не используются.

Aleksey_Gorelikov

Про радиогубителей - о тех, кто прекрываясь разрешением 3 категории киловаты в антену качает, и у которых абсолютно в норме увидев несущую - ее стараться забить. (о чем тут уже неоднократно написали, и именно вы с этого начали!)

3apw:

На этих диапазонах все друг друга знают в большинстве случаев и появление подобного излучения будет подавляться методом “грубой силы” (мощностью) очень активно

И в “Регламенте радиосвязи” нифига не вижу пунтка “в случае появления неопознанной несущей - задавить нафиг!”

3apw:

Р/любители в этом диапазоне имеют существенно большую энергетику радиоканала (выходная мощность 50 Вт и выше)

А как же разрешенная мощность на укв до 5вт???

polarfox

Что-то вспомнились статьи в журнале “Радио” о корректности и уважительности друг к другу радиолюбителей…