Axial SCX10 IFS project. Долгострой.
Всем здравствуйте!
Название темы звучит громко на фоне того что пока сделано, но я надеюсь завершить проект, пусть даже и через год.
Итак. Для реализации передней независимой подвески было решено использовать редуктор от Himoto. Он имеет такую же передатку, как мосты SCX10 13/38. Сначала предполагал использовать рычаги подвески от шоссейки Himoto, то есть просто взять всю переднюю подвеску и вживить на раму Аксиала. Однако позже отказался от этой идеи, ввиду необходимости использовать длинные Аксиаловские аморты, а мне хотелось небольших по размеру. Отлично вписываются в концепцию шоссейные, однако на химотовские рычаги их не одеть - ход подвески будет по шоссейному мал, а нам нужна артикуляция НЕ ХУЖЕ стока.
После того как было решено изготовить рычаги самостоятельно, стало ясно, что использование С-хабов сделает подвеску некопийной. Ну насколько можно говорить здесь о копийности 😉 Мне захотелось сделать подвеску на шарах. Так у настоящих внедорожников. А для использования шаров, верхний рычаг тоже должен быть треугольным.
Не проблема, будет треугольным… Дальше последовали долгие дни разработки и проработки деталей, много набросков и чертежей, что в результате привело к некой ясной картине.
Чертежы были переданы хорошему знакомому с доступом к электроэрозионной резке и он выточил из 6 мм алюминия для меня все необходимые детали, за что ему ОГРОМНОЕ спасибо.
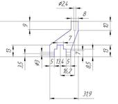
Верхний рычаг может перемещаться на опоре вдоль на 1 мм, путем переноса шайбы в одно или второе положение, что позволяет менять кастор с 8 градусов на 10 граусов. Оси рычагов изготовлены из жала отвертки. Фиксируются бочонками М3.
Рачетный ход подвески с установленными амортизаторами 35мм. Это ровно столько же как и штатных амортизаторов аксиал.
Поворотный кулак у меня в распоряжении только один((( Сделал заказ с Амайна, едут кулаки и кучка подшипников. Самого дифференциала пока нет. Собственно, кроме того, что на фото, ВООБЩЕ больше ничего пока нет)))))))))))
Далее на очереди проработка рулевой. Серва будет находиться над редуктором, лежа на верхней пластине, к которой крепятся опоры верхних рычагов.











Исполненение и сборка заглядение)) Это делается под какой-то конкретный проект, или просто, как концепция?
Честно говоря, не определился с проектом, поэтому пока концепция. Есть ряд нюансов, решение которых может заставить изменить направление. Позже поясню конкретнее ))
реализация действительно на высоте! жаль, проволочник, а не фрезер: снять бы “лишнее” с рычагов было бы вообще шиком.
теперь немного мыслей, если позволите))
с установленными амортизаторами 35мм. Это ровно столько же как и штатных амортизаторов аксиал
у штатных амортов аксиал ход 20 мм, более того, при установке на хончу амортов G-Transition с ходом 35мм, начинает подклинивать, и они реально работают только на 21-22 мм.
кроме того, не стоит забывать, что у аксиала эти 20 мм (ну или 35) организованы на неразрезной балке. в этом же варианте подвески у нас на каждую сторону по 35 мм. при повороте колес при полном отбое или сжатии полуоси в кулаке будут работать с весьма экстримальным углом. независимая подвеска на внедорах никогда не была призвана обеспечить мегапроходимость и мегаартикуляцию. наоборот, она призвана научить внедорожник ездить по асфальту и со скоростью чуть больше пешехода)) может, не стоит заморачиваться на ходах передней подвески, а обыграть артикуляцию задним мостом и сделать копийную модель, которой ни у кого пока нет))
Интересная тема, знаю человека который будет внимательно следить… Выкладывай конечные чертежи рычагов, глядишь кому пригодиться…
она призвана научить внедорожник ездить по асфальту и со скоростью чуть больше пешехода)) может, не стоит заморачиваться на ходах передней подвески, а обыграть артикуляцию задним мостом и сделать копийную модель, которой ни у кого пока нет))
многие внедорожники и будут за счет этого более копийными, с неплохой проходимостью и артикуляцией…
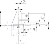
Начал делать рулевую трапецию, выяснился небольшой просчет в конструкции верхних рычагов. Буду переделывать. Теперь верхние рычаги будут выглядеть немного ажурнее, тоньше, но достаточно крепко.
Чертежи вот. Все ставиться на корпус редуктора без дополнительного напильнинга. В нижних рычагах достаточно просто просверлить новые дырки, для использованя штатных аксиаловских амортизаторов, для этого и предусмотрена такая большая площадка. Даже в 3Д есть 😉
Как переделаю верхние рычаги, выложу новые чертежи
может, не стоит заморачиваться на ходах передней подвески, а обыграть артикуляцию задним мостом и сделать копийную модель, которой ни у кого пока нет))
Все же постараюсь из нее выжать максимум ходов. Мне тоже кажется, что она не будет артикулировать с такой же легкостью, как в зависимом варианте. В этом плане прогрессивная была бы лучше, хотя вписать ее в габариты 180мм очень непросто. Вот действительно проще было бы взять от ревы 1/16 и укоротить рычаги. Стараюсь еще делать ставку на относительную простоту, как по конструкции, так и по обслуживанию.
Маленькое продвижение. Пришла посылка с фланцевыми подшипниками 4х7х2.5 и поворотные кулаки от спринта.
Изменена форма верхних рычагов. Они стали чуть уже и сдвинулись вперед.
Недавно дали на пару дней шаську scx10 для примерок. Убедился, что иду в верном направлении. Изготовлено верхнее крепление диффа к раме аксиала с точками креплений амортизаторов. Встает в родные отверстия в раме, ничего сверлить не надо. Второе крепление еще не придумал, потому что когда до него дошло дело, шаську уже забрали.
Сделал рулевую трапецию. Так как верхние рычаги сдвинулись, это позволило ее приподнять выше. Результат устроил. Выворота более чем достаточно.
На подходе главная пара. Как только приедет, измеряю точно длину приводов и заказываю их. Пока предварительно ориентируюсь на привода от Spec-R1 длиной 52мм. Они совместимы с приводами Xray Т2-Т4, но стоят по 15$ за пару.
Привода и дифференциал все еще не приехали. Решил пока примерить на раму без ГП.
Сделан крепеж для сервопривода. Пока в черновом варианте, позже закажу у электроэрозионщика аккуратный комплект.
Осталось просверлить еще пару отверстий и проект закончен. Останется только установить привода и в путь.
Из минусов. Подвеска получилась уже почти на 1 сантиметр. Продолжаю поиски возможностей расширения колеи. Пока есть один вариант, попробую его реализовать в мае-июне, но это будет уже второй комплект подвески. Возлагаю на него надежды получить необходимую ширину, подробности позднее. Присутствует небольшое подруливание при ходе подвески. Жить не помешает, но о нем знаю и меня это раздражает)) В следующем проекте попробую его снизить.
Из плюсов. Удалось установить все на родные отверстия к раме. Ничего сверлить не нужно.
Ход подвески даже на незагруженой раме не уступает мостам. При небольшой подгрузке в виде разводного ключа, имитирующего аккумулятор, ходов ваще-ваще хватает))
Клиренса мнооооого
Многие владельцы стоковых ртрных аксов знакомы с проблемой разбивания шаровой на Y образной тяге. То есть разбивается она за одну покатушку. Как с этим тут обстоят дела? Если представить что шаровые колеса будут в грязюке полностью, песок будет как абразив крошить внутри все. Соответственно будут люфты в рулевой да и само колесо будет ходить во всех плоскостях…
владельцы стоковых ртрных аксов
тут, если не ошибаюсь, все собрано на траксасовских наконечниках, аксиаловские рядом не валялись с ними…
Да, наконечники все траксасс, стандартные. Во-первых замена секундная, во-вторых, по опыту Саммита 1/10, износостойкость у них хорошая.
Вопрос: Готовое решение будет для желающих?
Вопрос: Готовое решение будет для желающих?
Да, будет.
Пока некоторые детальки для продолжения постройки в пути, спроектировал раздаточную коробку. Крепление будет на горизонтальную поверхность.
Еще предусмотрю корпус раздатки для установки в вертикальном положении для более широкого прменения.
размеры ДхВхШ = 43.8х22,5х24мм. Валы диметром 5мм.
Шестерни 18 зубьев, модуль 0.8/32Р, подшипники 5х10х4.
Отдано на изготовление.


Сделал тестовый вариант раздатки. Пока из из латуни. Тяжелая зараза, грамм 100, не меньше 😆
Валы 5мм от сверел, шестерни 0.8М 18 зубов. Можно устанавливать стандартные пиньены под вал 5мм. Подшипники 5х10х4. Передатка 1:1.
Габариты 44 мм ширина, 22.5 высота, 31 толщина. Валы выступают на 7 мм.
Крышки толстые (9.5мм) чтобы проверить, правильно ли я расчитал зазор в шестернях. Как оказалось все хорошо. Позже сделаю крышки толщиной 6 мм.







Красиво. Ни в коем случае не критика, но при такой жесткой конструкции корпуса не хватило-бы три стяжных винта- один сверху по центру, два снизу по углам? Сразу уменьшение габаритов в верхней части, и крепежа поменьше торчало-бы… И 7мм. валов это мало.
На счет болтов согласен. В данном случае просто прихоть дизайнера. Меня, то есть )))) В идеале их диаметром М2 или М2.5, но в наличии только за бугром, чтоб под шестигранник.
7 мм хвостовик, ориентировался на мосты аксиал. Вроде как 7 мм намерял. На самом деле это не проблема, если понадобится, валы можно нарезать сколько угодно.
Нашел для этих целей сверла по бетону 6х400. Там хвостовик 5мм из отличной стали, идеально ровный, длиной почти 20 см. Подшипник 5х10х4 садится с минимальным люфтом