Помогите запустить станок!

but

доброе время суток.
под интерфейсом подразумевается вот это pminmo.com/4axisopto/4axisDIYopto.htm
и управление по ltp.при подключении двигатель только трещит ,как будто питается работать,может из за того что на драйвере не задействованы все выводы.
управлять пробывал mach 2

serg_io

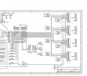
Понятно, судя по схеме контроллера на разъеме K1 в качестве сигнала шаг используется контакт 8, направление - 10, Enanle( работа) 7. Эти контакты должны прийти на соответствующие выводы материнской платы. На контакты 1 и 2 подано +5В питания цифровой части(наверное оттуда-же?). Остальные контакты: 3(sync) можно не подключать, 4 -режим дробления шага (0В-полный шаг, 5В - полушаг), 5 у меня не использовался, 6- +5В(сброс) либо резистор на+5В и конденсатор на 0В для формирования импульса сброса, 9-CONTROL, сейчас не вспомню для чего, но у меня на 0В на плате сидит.
Это что касается подключения контактов, но поскольку у вас он шипит, похоже что схема работает и сигнал ENABLE присутствует.
Подключение у вас похоже?

but

значит подключение правельное,но эфект тотже.может сменить лтп интерфейс на этот

serg_io

Вы можете менять интерфейс сколько угодно, но я бы для начала убрал этот интерфейс вообще, и подключил бы напрямую к LPT хоть один канал дабы проверить контроллер и работоспособность LPT и вашего ПО. У вас 5В откуда берется? От USB? Тогда нужно будет подать от отдельного источника. Это, конечно, если у вас есть интерес к подобным экспериментам. Если нету, тогда даже не знаю чем помочь. Судя по ссылкам платы самодельные, т.е. гарантии что они в приниципе работоспособны никто вам дать не сможет.

but

а можно по подробно об подключении на прямую.
я так понял надо будет подключать dir.step.enable.
но как их определить на ltp шнуре?
спосибо за помощь.

5v идет отдельно на драйвер l297 и 12v на l6203

serg_io

Да вы правильно поняли, подключить нужно всего три сигнала + земля. Нужно просто определитсья какие сигналы у вас будут за что отвечать. Предположим, у вас буде 2 -STEP, 3-DIR, 17 -Enable, 18-25 земля. Подключаете эти сигналы к вашему контроллеру, остальные сигнfлы на вашем разъеме - так как я ранее описал. Потом вам нужно будет в mach2 прописать номер портов/пинов для этой оси и номер пина сигнал ENABLE. Этого будет достаточно чтобы крутануть ваш двигатель. С мач2 работал давно, в основном сейчас Mach3 и EMC2.

but

спосибо большое.буду пробывать.

нескромный вопрос.а вы на чем собирали чпу

serg_io

Я собирал несколько вариантов, в том числе и на L297/L298, и на Allegro, и асинхронные серво, работающие как шаговый. Вообще все больше собственного изготовления. Далее не буду пиарить - сочтут за рекламу 😃

but

а по комплектующим.я имею в виду швп,направляющие,шаговики брали на украине?

serg_io

Вот уж этого не знаю. Я электронщик, механикой не занимаюсь. Знаю что кое-что было сделано своими силами, кое-что куплено в Украине. Рефит кажется что-то продает. По программному обеспечению, не сочтите за рекламму, есть сайт о настройках и использовании Linux для хоббийных станков tuxway.comli.com/linux-emc2-linuxcnc.html

but

Сергей, можно ли росчитовать на вашу помощь если у меня нечего не получится с л297+л6203 на прямую.както не хочется бросать этот проект,много потрачено времени и средств

spike
but:

а можно по подробно об подключении на прямую.
я так понял надо будет подключать dir.step.enable.

Специально для тестирования шаговых приводов была сделана вот эта программка. 😉

Аэробус
but:

а можно по подробно об подключении на прямую.
я так понял надо будет подключать dir.step.enable.
но как их определить на ltp шнуре?
спосибо за помощь.

5v идет отдельно на драйвер l297 и 12v на l6203

rcopen.com/forum/f110/topic43370
Читай пост 22. Можно покрутить через кнопку. 😉

but

добрый вечер.
если я все правельно понял с выше упомянутого то получается так
поправте коль не так,ато стремновато в первый раз …

but:

добрый вечер.
если я все правельно понял с выше упомянутого то получается так
поправте коль не так,ато стремновато в первый раз …

в маче тоже поставил 2-step.3-dir.17-enable

и вот еще

serg_io

Точно сказать сложно, но в общем подключение кажется похожим на правду. Непонятна только судьба незадействованных контактов на контроллере. Их тоже нужно подключить, как описано выше. Еще замечу - если у вас силовое питание 12В, то этого крайне мало. Оно будет крутится, но момент будет мизерный на сколько нибудь отличающихся от нуля оборотах.

but
serg_io:

Точно сказать сложно, но в общем подключение кажется похожим на правду. Непонятна только судьба незадействованных контактов на контроллере. Их тоже нужно подключить, как описано выше. Еще замечу - если у вас силовое питание 12В, то этого крайне мало. Оно будет крутится, но момент будет мизерный на сколько нибудь отличающихся от нуля оборотах.

вечер добрый.
итак по поводу dir.step.enable все понятно их отложим.
не совсем понятно по поводу других,а именно-
4контакт-H/F(+5в-полный шаг,0в-ЭТО Я ТАК ПОНЯЛ МИНУС ИЛИ НЕТ)
6контакт-тут я вообщев недоумение поповоду ризистора на +5в и канднра на 0в,
но есть предположение.неужели посхеме это R1иC1?
И ище вопрос по питанию силовой части.Получается 12v мало,но максимум по кандеру C 13 63v.Значит золотая средина 24v.Или нет?

barnaul
but:

вечер добрый.

И ище вопрос по питанию силовой части.Получается 12v мало,но максимум по кандеру C 13 63v.Значит золотая средина 24v.Или нет?

L6203- max. 48V

serg_io

0В -это минус, R1 и С1 на месте. На 6 контакте нужно сформировать импульс сброса для нормального функционирования L297. Самый простой способ это сделать -поставить RC цепочку, аналогично R1C1, номинал можно увеличить, 10К и 0.1 мкф, к примеру. По вопросу питания - чем больше тем лучше, но в пределах номинального напряжения L6203. Начать можно и с 12В, но при эксплуатации лучше увеличить. Еще есть ньюанс, который многие недооценивают, а потом удивляются почему их контроллеры выходят из строя без видимой причины. При выпадании двигателя из синхронизма на высоких оборотах (срыв оборотов) накопленная ротором энергия передается в источник питания через диоды параллельно силовым транзисторам. Это напряжение скачкообразно может подниматься достаточно сильно. У меня при питаниии от 50В оно подскакивало до 100В. Не каждая микросхема выдержит такие всплески и не каждый импульсный источник питания тоже. Был печальный опыт, так что осторожнее с разгоном!

but

спосибо всем за розьяснения.теперь проблема с блоком питания,компьютерный не пойдет… . .