Контроллер для новичка
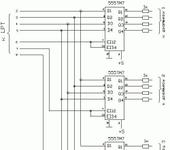
Нашол вот такую схему контроллера, и драйвера прошу сильно непомидорить, есть двигателит от пятидюймовых дисководов, но немогу найти микросхем 555ТМ7 может кто знает где их можно наколупать или чем заменить есть только К155ТМ2, или может есть другие аналогичные контроллеры, желательно из комплектующих дисководов. Хочу просто поэкспериментировать с управлением шаговиками. Зарание спасибо.
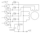
плохой драйвер, только 2 проги могут рулить
вот посмотрите тут robozone.su/forum/textversion.html?t150
Я вобще несилен в электронике, а точнее сказать полный нуль но если я правильно понял драйвер это нечто иное как четырехканальный у силитель, так чем же он плох, и я почемуто думал что совместимость должна быть с прогой и контроллером, а драйвер можно использовать любой в зависимости от того какой двигатель. Поправте если гдето я неправ.
Не всё так просто. Есть способ управления движком при помощи двух сигналов step и dir. Первый задаёт шаг, второй направление вращения. Контроллер декодирует эти сигналы и управляет драйвером, а последний уже крутит движки. А есть способ который реализован в твоей схеме, т.е. компьютер через порт напрямую задаёт сигналы управления драйвером. И он не получил большого распространения.
В свою очередь драйвер может состоять просто из ключей(твоя схема), а может работать с применением ШИМа. Так вот на ключевой схеме максимальная скорость вращения двигателя равняется частоте приёмистости движка(шагов в сек.), и в лучшем случае будет 4-5 об/сек. А при применении ШИМа - можно достичь и 30 оборотов в секунду. Так что разница огромная.
Я вобще несилен в электронике, а точнее сказать полный нуль но если я правильно понял драйвер это нечто иное как четырехканальный у силитель, так чем же он плох, и я почемуто думал что совместимость должна быть с прогой и контроллером, а драйвер можно использовать любой в зависимости от того какой двигатель. Поправте если гдето я неправ.
если управление step\dir то так оно и есть
а к этому драйверу надо прогу которая подаёт сигнал и указывает какому движку
проги к этому драйверу - turbocnc и VRI-CNC
а для step\dir много
Я бы не советовал тебе собирать такую схемы, сдесь Юрий Сергеевич обсалютно прав, применив движка от дисковода какую ходовку ты сможеш на них навесить??? ШВП ты врятли примениш, в лучшем случае это будут шпильки М5, М6, пусть даже с десятьк обротов на этой схеме ты выжмеш - не трудно посчитать какая скорость будет у станка, как новичку просто рекомендую для начала почитать теорию шагового двигателя, например сдесь: market.elec.ru/nomer/16/stepper-motor/ или сдесь: www.telesys.ru/electronics/projects.php?do=p077 на этом же сайте есть схемка L297+L298 очень простая, старая и давным давно проверенная, как для новичка, на мой взгляд, золотой вариант.
схемка L297+L298 очень простая, старая и давным давно проверенная
И вдобавок ко всему позволяет управлять и биполярными, и униполярными(6 выводов) движками. В отличие от схемы на тм7, там только униполяр.
применив движка от дисковода какую ходовку ты сможеш на них навесить??? ШВП ты врятли примениш, в лучшем случае это будут шпильки М5, М6, пусть даже с десятьк обротов на этой схеме ты выжмеш - не трудно посчитать какая скорость будет у станка,
Хочу просто поэкспериментировать с управлением шаговиками. Зарание спасибо.
я так понял нужно что нибуть простое для ознакомления не полезая в дебри
Юрий Сергеевич также может подсказать о “шим на расипухе” -> можно тм2+лп5+шим+удержание и то на совковых деталях для начинающего 😁
Ух как все сложно, но жутко интересно, буду потихоньку читать разбираться, а вобще на будущий год заканциваю техникум, просят сделать модель вместо дипломного, так как спецальность у меня механик разработать чертежи и изготовить нужные детали для меня вполне реально, потихоньку справимся, ну а с электроникой я надеюсь сдесь помогут разобраться) Очень уж мне эта идея понравилась
Если чё надо с электроникой, конечно обращаёся, чем сможем поможем, на первый взгляд всё это сложно, кагда начинаеш “ВНИМАТЕЛЬНО” читать и разбираться - то сложного ничего нет, всё с практикой, но если в дальнейшем тебе это не понадобиться, и нужно всё это только для дипломной, ну тагда не знаю, предложи свою схему, чтоб подолбаться там целое поле для эксперементов, или L297+L298 - работает и ___ всё!!!
А может есть готовые кит наборы? контроллеров, А то чесно говоря я смутно представляю себе даже само изготовление печатных плат, а значит могу собрать контроллер только на монтажной плате что не есть хорошо.
Если подешевле то http://www.kosmodrom.com.ua (Украина) или robozone.su (Россия).
Подороже пурелоджик адрес не помню (Россия).
www.romani-gmbh.de/html/shop.html вроде самый недорогой из зарубежных
http://www.mcmaster.com самый большой розничный склад по механике и комплектации не только CNC
Ну и гугл в помощь 😃
Так и не понял! Почему контроллер в первом посте не может работать с Mach3. Как я понял контакты 6,7,8 - это step, а 2,3,4,5 - dir или не так?
Так и не понял! Почему контроллер в первом посте не может работать с Mach3. Как я понял контакты 6,7,8 - это step, а 2,3,4,5 - dir или не так?
нет не так
6,7,8 - выбор двигателя
2,3,4,5 - выбор обмотки
step\dir - мы задает направление и импульсами шагаем
а тут мы вибираем двигатель и прогой по очередно переключаем обмотки
лажа если покороче