L298 паралельно, кто делал?

AmigoCNC

Я надеюсь там хоть управление не от L297 ? А то както стыдно за всю буржуйскую промышленность :)
Вы пробовали использовать его в максимальном режиме? Ну хотя бы 3,3А? Каков тепловой режим L298?
На схемку бы глянуть, если они “промышленные”, то маркировка какая?

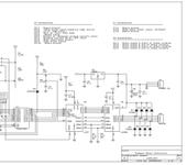
Baha:

вот одна схемка

Ну делал… поначалу звон один и только. Особенно не понятна цепочка на выходе L298 паралельно обмотке ШД. Для чего??
В работу таки запустил, правда выбросив все RC элементы из цепи ШИМ.

Может еще чем поможете?

RID
AmigoCNC:

Я надеюсь там хоть управление не от L297 ? А то както стыдно за всю буржуйскую промышленность 😃

Прийдется стыдиться, именно от 297 😃

AmigoCNC:

Вы пробовали использовать его в максимальном режиме? Ну хотя бы 3,3А? Каков тепловой режим L298?
На схемку бы глянуть, если они “промышленные”, то маркировка какая?

Пробовал на 3,7 А . Но не долго, радиатор там алюминиевая пластина с углом для крепления на радиатор. За двадцать минут без нагрузки пластина нагрелась градусов до 35.
Схемку, только реинжиниринг. Не публикуют их. Маркировка СМС150. Но это ничего не даст. Интернет их не знает. Пришлось самому разводку определять.
Есть мысли почему парралелили в “лоб”

  • наверно была модификация с одной 298
  • если одна сгорит -вторая работать будет 😁
    Схема похожа на эту, но стоит опторазвязка на основные сигналы и микруха триггеров (похоже на шаге).
AmigoCNC:

Особенно не понятна цепочка на выходе L298 паралельно обмотке ШД. Для чего??

Возможно, для борьбы с резонансом двигателя.
Удачи.

AmigoCNC

To RID
А фотку сверху, и снизу, а особенно дорожки разводки, не покажете 😃
У меня чем больше я разношу плату, ставя лишние RC или по две L298, тем больше свиста и все!
Вариант с одной L298+L297 при минимуме элементов, работал на ура, а с двумя ни в какую… 😦
Из промышленных знаю SMCD 4503 (кажется отечественный), но жалобы на него еще те!
Еще на www.purelogic.ru видел PLM003 (тоже местного разлива), но это ваще, там даже микрошаг поленились сделать, а еще “промышленный”… 😃

RID

Я бы рад фотки выложить, но на них почти ничего не получается 😦 .
Дорожки черные, лак темно синий. Есть в сети вот такой промышленный драйвер на спарке SS2000MD4
Вот одна из ссылок.

209.85.129.104/search?q=cache:G_KraR2f3qMJ:bbmotor…

Поищите, может найдется, то что ищите. Свой могу “живьем” дать посмотреть. Договориться можем через личку.
Удачи.

AmigoCNC

To RID
Забавное устройство на картинке … 😃
Почему то четыре защитных диода… вместо восьми…
Почему то силовые микрухи стоят через прокладку к радиатору… видать даташит не читают, там английским языком сказано, что корпус - масса, у крен-ки справа, то же… Так что видимо ограничение в 3,5А связано именно с этим, плюс недоразвитость радиатора…

Еще раз прочитал от корки до корки даташит… где вы нашли про максимум спарки в 3,5А? Там есть нечто невнятное про диоды шотки, но это глобальное, а не к этой спарке…

2 months later
RID
AmigoCNC:

To RID
Забавное устройство на картинке … 😃
Почему то четыре защитных диода… вместо восьми…
Почему то силовые микрухи стоят через прокладку к радиатору… видать даташит не читают, там английским языком сказано, что корпус - масса, у крен-ки справа, то же…

Именно, корпус масса, поэтому через прокладки и стоят. ( А сигнал есть и на ноге).

AmigoCNC:

Так что видимо ограничение в 3,5А связано именно с этим, плюс недоразвитость радиатора…

Смотрите на странице 8/13 слева вверху. Там написано.
Это решение может давать 3А постоянного тока или 3,5А в повторяющихся импульсах.

К стати, заимел этот “забавный драйвер” 2004MD живьем.
Посмотрим, как работает.