у кого OVERLANDы заходите сюда!

cyberlion
LiderX46:

Если удерживать овера за кузов на весу, то передняя часть шасси слегка кренится вправо.
При повороте на относительно высоких скоростях овер кренится, и потом неохотно возвращается в исходное положение.
После поворотов передние колеса не выпрямляются до конца, остаются слегка повернутыми

маслянные амортизаторы тебе помогут

CARTEL

Да в данном случае поможет не столько масло, сколько время, просто он туговат пока новый (если не новый то переборка полная рулит), а со временем начинает работать как положено!
Антенну припаивай! 😉
Масло по усмотрению ИМХО

Кстати в Москве появился в продажен Оверлэнд в новом кузове! Cadillac Escalade! Интересно будет ли он продаваться как боди? Помимо Кузова он отличается от остальных дисками увеличенного диаметра и низкопрофильной резиной!

LiderX46

Кузова Mini-Z различаются степенью детализации, из-за этого и цена кузовов разная.
PS Стоило мне купить Hummer, т.к. выбора не было- ничего другого не было в наличии- так сразу появился выбор…

aJIeKc

Так, цена кузовов отличается на много меньше, чем цена на собранные машины с этими кузовами 😃
Вот это и не понятно, а может быть такое, если на более дорогой стоят другие транзисторы?

CARTEL

Нее, транзисторы одинаковые будут, если только дата производства моделей не разнится годами 😃
А по большому счету транзисторы по любому перепаивать! на оверленде так точно!

CARTEL

Ну и… Смотрим ТУТ и паяем!
Эта РА три БЭ горят точно так-же как и другие при мощном моторе!
Если исходить из того что 1 фет стоит 30 рублей (МАКСИМУМ!) из того что есть в наличии - вопрос о 180 рублях!!!
Самое дорогое что встречал это SI4562DY по 45 рублей, под заказ!
Думаю нее так дорого чтобы сильно мучатся при выборе боди!

14 days later
aJIeKc

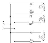
Да, транзисторы, которые управляют током двигателя, пришлось поменять.
Зато свет установил:

  • когда едет вперед - передние фары горят, когда назад - задние:

Сопротивления можно было поменьше взять, тогда бы ярче было, но я решил не перегружать тарнзисторы.
Ток в цепи белых диодов оклоло 12 мА, краных - 20 мА.
Защитные диоды я взял обычные, выдерживающие ток до 30 мА.
В магазине сказали, что на белом диоде палает 4.5 В (у меня рабочая точка соответствует 1.6 В, поэтому не очень ярко светит).




Simex36

Смотриться хорошо!!! только вот чуть-чуть не хватает яркости. А что за кузов?? Cadillac Escalade??? И если не секрет, то где преобрели??))

aJIeKc

Да
www.xmodels.ru/catalog/65/3982/

Я специально задал напряжение меньше номинального на диоды, сожет перестраховался.
Чтобы транзисторы не перегрузить.

Simex36

А он случайно не 2,4 G??? Как кузов?? Выполнение хорошие??? Как я заметил диски для бездорожъя совсем не годятся))) Ну впринципе и сам внедорожник для бездорожъя не годится)))) А так очень даже красивый типичный американец))

aJIeKc

Что значит 2,4 G?

Детализация кузова хорошая 😃

LiderX46

2,4 Ghz это рабочая частота пульта и приемника в машине.
Проверить легко- сфоткай пульт
Edit
Лучше просто скажи- в пульт ты сколько батареек или аккумуляторов ставил?
Edit
Судя по фотке в магазине- у него обычный, не 2,4 Ghz

aJIeKc

Так частота от кварца зависит, а его менять можно.
Пульт, как на фотке в магазине.

LiderX46

с 27 до 40 МГц частота меняется кварцами, но 2,4 ГГц это уже другой модуль. И в пульте, и в приемнике.
Вот так выглядит пульт управления 2,4 ГГц.

Butchsr

Приветствую вас Оверлендцы 😃

Вот прикупил себе оверленд Митсубиси Паджеро ЕВО, прикольная коляска 😃

Хотел поинтересоваться, на них реально найти алюминивые запчасти, именно интересуют поворотные кулаки и рулевую рейку, так же при детальном изучении модели выяснил что есть возможность изменения длины базы шаськи поэтому думаю можно найти и кузовок какой нибудь сиданчег 😃

CARTEL

Седаньчек если только своими ручками 😃 брать рейсера и колдовать-колдовать, при том еще надо будет брать донором кузов от оверленда дабы обзавестись “скобами” крепления…

Butchsr
CARTEL:

Седаньчек если только своими ручками 😃 брать рейсера и колдовать-колдовать, при том еще надо будет брать донором кузов от оверленда дабы обзавестись “скобами” крепления…

Ну колдавать я научился, вот то что касается кузова, в инете видел данные шаськи в седанах, модели 300С крайслер, мерседесы, тойоты.

Крепление у них своеобразное согласен, тоже продумываю вариант о замене или модернизации крепления кузова.

Вчера продумывал вариант постройки домашней трассы, и хотел узнать, возможно сделать напыление из искуственного снега (искуственный снег который при высыхании твердеет) и покрасить в цвет травы или в цвет грунтовой дороги, вот подумал может кто пробывал данный вариант?

CARTEL

Да все можно:
По поводу бодиков - а стоит-ли? Ведь надо по ширине подобрать итд, остальное не так сложно, ведь полностью посадить кузов от рейсера не получится, будет выше!
Соответственно откроются мосты, и фиг с ним что из будет видно, они будут собирать все удары, а стандартные стойки ломаются как спички, корпус сервы трескается, кулаки в щепки, задний мост вообще самое гнилое месно по моему опыту, так что лучше поберечь нутро…
Если триалить, то тогда да, нужно что-то думать…
кстати для триала я-бы взял наверное паджерик, и переклеил крепления кузова пониже, и добился-бы уменьшения свесов!
и все, резину побольше и позубастей, мотор, феты… и аппу, для триала стандартная аппа не годится!!! это я понял через 5 минут как взял в руки другой пульт!

Ну а с трассами много тут кто чего делал, и у каждого свои методы… попробуй расскажешь, а лучше с фото!

Butchsr

Я вот тоже думаю что аппа не айс стандартная, с газом особо не удобно (под триал)
Кузов весит как надо для триала всё чётко, соблюдаю копийность, а вот резину надо бы по зубастей это точно, вот только ни где не встречал на неё колёсики (видел толлько слики)