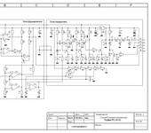
Подскажите пожалуйста для чего используется 3 ий (если считать с лева на право) контакт?
1 антена
2 земля
3 ?
4 +9,6в
5 модуляция.
Смотрел по етой схемке. Не понимаю что должен делать етот транзистор который идет на 3 ий контакт.
Подскажите пожалуйста для чего используется 3 ий (если считать с лева на право) контакт?
1 антена
2 земля
3 ?
4 +9,6в
5 модуляция.
Смотрел по етой схемке. Не понимаю что должен делать етот транзистор который идет на 3 ий контакт.
Глушит радиоизлучение при подаче напряжения на этот пин. Например, если пульт используется учеником при тренере, трансмиттер не должен излучать (и не излучает). Или, скажем, у Вас Optic или Eclipse, при программировании в одном из меню RF выключается (иначе может быть очень плохо летательному аппарату или окружающим).
А если вывод не задействован его на землю кинуть или пусть так висит?
{"assets_hash":"a8b26fa7f6e768b07a72c8c9aadb9422","page_data":{"users":{"42b6e9e03df955007779064a":{"_id":"42b6e9e03df955007779064a","hid":7829,"name":"Volante24","nick":"Volante24","avatar_id":null,"css":""},"46459ce83df9550077784565":{"_id":"46459ce83df9550077784565","hid":23026,"name":"mx400","nick":"mx400","avatar_id":null,"css":""}},"settings":{"can_see_ip":false,"can_report_abuse":false,"can_see_hellbanned":false,"forum_can_view":true,"forum_can_reply":false,"forum_edit_max_time":30,"forum_can_close_topic":false,"forum_show_ignored":false,"forum_mod_can_delete_topics":false,"forum_mod_can_hard_delete_topics":false,"forum_mod_can_see_hard_deleted_topics":false,"forum_mod_can_edit_posts":false,"forum_mod_can_pin_topic":false,"forum_mod_can_edit_titles":false,"forum_mod_can_close_topic":false,"can_vote":false,"forum_mod_can_add_infractions":false,"forum_topic_title_min_length":10,"forum_reply_old_post_threshold":30,"votes_add_max_time":168,"forum_show_post_interval":7,"can_see_deleted_users":false},"section":{"_id":"61c9a54c3df9550077bb50a8","hid":4,"title":"Аппаратура радиоуправления","parent":"61c9a54c3df9550077bb50fc","description":"Приёмники и передатчики для радиоуправляемых моделей.","is_category":false,"is_votable":true,"is_writable":true,"cache":{"topic_count":9176,"post_count":222134,"last_post":"68cbcb5c44153b386535954f","last_topic":"689edf25eede43b1c460b197","last_topic_hid":572627,"last_topic_title":"Сваливание на крыло при автостарте.","last_ts":"2025-09-18T09:05:32.068Z","last_user":"5ede3f823df95500776f51bb"}},"topic":{"_id":"46ab53d33df9550077bba4bb","hid":74641,"title":"Разпиновка вч модуля hitec ?","views_count":1466,"last_post_counter":3,"cache":{"post_count":3,"first_post":"46ab53d33df9550077bba96b","first_ts":"2007-07-28T14:33:55.000Z","first_user":"46459ce83df9550077784565","last_post":"46ac3f563df9550077bbac18","last_post_hid":3,"last_ts":"2007-07-29T07:18:46.000Z","last_user":"46459ce83df9550077784565"},"st":1,"section":"61c9a54c3df9550077bb50a8"},"subscription":null,"pagination":{"total":3,"per_page":25,"chunk_offset":0},"posts_list_before_post":["paginator","datediff"]},"locale":"en-US","user_id":"000000000000000000000000","user_hid":0,"user_name":"","user_nick":"","user_avatar":null,"is_member":false,"settings":{"can_access_acp":false,"can_use_dialogs":false,"hide_heavy_content":false},"unread_dialogs":false,"footer":{"rules":{"to":"common.rules"},"contacts":{"to":"rco-nodeca.contacts"}},"navbar":{"tracker":{"to":"users.tracker","autoselect":false,"priority":10},"forum":{"to":"forum.index"},"blogs":{"to":"blogs.index"},"clubs":{"to":"clubs.index"},"market":{"to":"market.index.buy"}},"recaptcha":{"public_key":"6LcyTs0dAAAAADW_1wxPfl0IHuXxBG7vMSSX26Z4"},"layout":"common.layout"}