Модули 2.4 Ггц от ASSAN

Sergey77
AG:

А по подробнее можно , только в версии “для юзеров”😵

отдаться любому думающему паяльщику с этой фразой и парой пива.

Pav_13
AG:

А по подробнее можно…

В Эклипс-7 смена “полярности” делается в меню передатчика… О вашей аппаратуре я ничего не знаю… Если там не предусмотрена смена “полярности” РРМ в меню или переключателем, и выяснится, что такая операция действительно необходима, то сделать это можно… и достаточно несложно, но только надо “дружить с паяльником” 😛
Думаю, Вам сначала надо убедиться, что причина именно в этом… Вставите модуль в Эклипс-7, попереключаете ради интереса полярность - и все станет ясно…
Кстати, этот эксперимент я могу проделать на своей аппаратуре, но только вечером…
Сделаю, если проблема к тому времени не разрешится сама-собой 😁

AG
Pav_13:

В Эклипс-7 смена “полярности” делается в меню передатчика… О вашей аппаратуре я ничего не знаю… Если там не предусмотрена смена “полярности” РРМ в меню или переключателем, и выяснится, что такая операция действительно необходима, то сделать это можно… и достаточно несложно, но только надо “дружить с паяльником” 😛
Думаю, Вам сначала надо убедиться, что причина именно в этом… Вставите модуль в Эклипс-7, попереключаете ради интереса полярность - и все станет ясно…
Кстати, этот эксперимент я могу проделать на своей аппаратуре, но только вечером…
Сделаю, если проблема к тому времени не разрешится сама-собой 😁

Проблема до выходных не разрешится однозначно, буду благодарен за любую информацию. Друзья дружат с паяльником серьёзно, но не моделисты. Нужна идея.
Вопрос в догонку: товарищь “SOLO” в журнале “От винта” описывал проблемы с памятью аппы модифицированной с помощью ASSANа.
Как вы решили эту проблему?

Sergey77
AG:

Проблема до выходных не разрешится однозначно, буду благодарен за любую информацию. Друзья дружат с паяльником серьёзно, но не моделисты. Нужна идея.

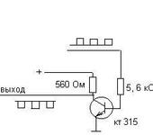
элементарно, Ватсон! минус-масса, кт315 + 3 резистора… тупо по 2-5 кОм. инвертор цифрового сигнала.

Pav_13

Только что проверил работу передатчика и приемника ASSAN со сменой “полярности” РРМ-сигнала… Без разницы!
Так что проблема не в этом! Можете не заморачиваться с паяльником…
Или что-то с уровнем сигнала РРМ в Вашей аппаратуре, или неисправен модуль…
Я думаю, стиками Вы пробовали шевелить всеми… Ибо модуль переключается в режим “биндинга” при шевелении именно второго канала, а номера каналов вразных аппаратурах, бывает, не совпадают…
И еще, сейчас “поиздевался” над своим модулем, установленным в “Клипсу” - он переключается в режим “биндинга” ТОЛЬКО при отклонении стика 2-го канала (руль высоты) в КРАЙНЕЕ НИЖНЕЕ положение! Отклонение в крайнее верхнее или в нижнее, но не до конца - не воспринимает! Как и шевеление стиками других каналов.
Может у Вас расходы на втором канале “зажаты” и крайнее отклонение стика не означает крайнее значение длительности канального импульса? Проверьте!

serg_nn
AG:

А по подробнее можно , только в версии “для юзеров”😵

схема на 1 транзисторе

AG
Pav_13:

Только что проверил работу передатчика и приемника ASSAN со сменой “полярности” РРМ-сигнала… Без разницы!
Так что проблема не в этом! Можете не заморачиваться с паяльником…
Или что-то с уровнем сигнала РРМ в Вашей аппаратуре, или неисправен модуль…
Я думаю, стиками Вы пробовали шевелить всеми… Ибо модуль переключается в режим “биндинга” при шевелении именно второго канала, а номера каналов вразных аппаратурах, бывает, не совпадают…
И еще, сейчас “поиздевался” над своим модулем, установленным в “Клипсу” - он переключается в режим “биндинга” ТОЛЬКО при отклонении стика 2-го канала (руль высоты) в КРАЙНЕЕ НИЖНЕЕ положение! Отклонение в крайнее верхнее или в нижнее, но не до конца - не воспринимает! Как и шевеление стиками других каналов.
Может у Вас расходы на втором канале “зажаты” и крайнее отклонение стика не означает крайнее значение длительности канального импульса? Проверьте!

Спасибо за помощь.
Расходы действительно зажаты до 60% и отклоняли не до конца. Сегодгня вечером эксперимент повторим с уточнением методики.
p.s. “Нижнее” в смысле “ручка на себя - РВ в положение в верх”

Pav_13

“Нижнее”-“верхнее”, скорее всего, неважно… ибо есть еще такая штука, как “реверс” 😉… Просто сделайте расходы по второму каналу не менее 100% или на максимум, и сразу после включения питания переместите стик второго канала в крайние положения в любой последовательности пару раз… Если сработает, то тогда уже можно “поисследовать” поподробнее особенности перехода Вашего модуля в режим “биндинга” … Хотя, если сработает, то Вам подробности уже будут никчему 😛
А если не сработает, то, согласно ранее утвержденному плану, вставляеете модуль в “Клипсу” и далее… по результатам…

AG
Pav_13:

“Нижнее”-“верхнее”, скорее всего, неважно… ибо есть еще такая штука, как “реверс” 😉… Просто сделайте расходы по второму каналу не менее 100% или на максимум, и сразу после включения питания переместите стик второго канала в крайние положения в любой последовательности пару раз… Если сработает, то тогда уже можно “поисследовать” поподробнее особенности перехода Вашего модуля в режим “биндинга” … Хотя, если сработает, то Вам подробности уже будут никчему 😛
А если не сработает, то, согласно ранее утвержденному плану, вставляеете модуль в “Клипсу” и далее… по результатам…

План примерно такой и есть , сегодня изменю расходы, а ECLIPC на выходные, когда приедет хозяин.
Ещё раз спасибо за помощь.

AG

Огромная благодарность ВСЕМ кто принял участие в ликвидации глюка модулей ASSANa
Отдельное спасибо Павлу Бакулину (PAV 13) . Именно его идея с 100% расходами 2 канала решила проблему спаривания передатчика и приёмников.
Итог эксперимента:

  1. Не смотря на то , что аппаратура HITEC PRIZMA 7 не указана в перечне адаптируемых для модулей SSAN (www.hobbycity.com/hobbycity/s...&ParentCat=190.) ВСЁ работает;
  2. запуск аппаратуры необходимо произвыодить при 100% расходах 2 канала передатчика;
  3. в виду позднего времени эксперимента (22-00) дальность не проверяли, но в ближайшее время проверю обязательно.
    Если кому интереснео , результат выложу.
  4. Стоимость комплекта в Москве (блок ВЧ для передатчика + приёмник 7 каналов+приёмник 6 каналов) 95 ихних (зелёных) рублей.
    С учётом прекращения выпуска приёмников HITEC иапазона РСМ вполне приличное решение.😂
Pav_13

Не стоит благодарности 😊

Только предлагаю отредактировать Вашу фразу

AG:

…в ликвидации ГЛЮКА модулей ASSANa.

например, так “…в ликвидации НЕДОРАБОТКИ ИНСТРУКЦИИ пользователя к модулю ASSAN” …

Мне кажется, так будет справедливее 😉

AG
Pav_13:

Не стоит благодарности 😊

Только предлагаю отредактировать Вашу фразу

например, так “…в ликвидации НЕДОРАБОТКИ ИНСТРУКЦИИ пользователя к модулю ASSAN” …

Мне кажется, так будет справедливее 😉

Согласен с редакцией (может и перевод был сегка горбатый: с китайского на английский, с английского на русский) суть проблекмы от этого не изменится, как и путь её решения. Будем осваивать диапазон 2.4, забыл упомянуть товарища Константина Солоденко (SOLO) именно его статья в журнале “От винта” дала толчок к приобретению. Правда проблем с памятью блока пока не проверялось.😵

Solo
AG:

Правда проблем с памятью блока пока не проверялось.😵

Проблем с “памятью” у блока ASSAN нет ! 😉
Подобная ситуация с потерей настроек … возникает именно с аппаратурой, а именно с Эклипс 7, в силу особенностей конструкции …

В других моделях передатчиков, этой проблемы скорее всего нет.

Из подтвержденных проблем … можно выделит две:
Небольшая “дискретность” работы некоторых сервомеханизмов
Некорректная работа некоторых типов регуляторов хода

И то и другое скорее всего связано с нестандартным количеством посылок в канального импульса … никак не доберусь до осциллографа, что бы проверить 😊

С уважением, Соло.

AG
Solo:

Проблем с “памятью” у блока ASSAN нет ! 😉
Подобная ситуация с потерей настроек … возникает именно с аппаратурой, а именно с Эклипс 7, в силу особенностей конструкции …

В других моделях передатчиков, этой проблемы скорее всего нет.

Из подтвержденных проблем … можно выделит две:
Небольшая “дискретность” работы некоторых сервомеханизмов
Некорректная работа некоторых типов регуляторов хода

И то и другое скорее всего связано с нестандартным количеством посылок в канального импульса … никак не доберусь до осциллографа, что бы проверить 😊

С уважением, Соло.

На сколько я понял из статьи в журнале проблема памяти это проблема схемная.
ВЧ блоки ЭЛИПСА и ПРИЗМА взаимозаменяемы. Может и проблема с памятью блока будут идентичны.

Pav_13

Я активно участвовал в обсуждении проблемы с запоминанием настроек rcopen.com/forum/f4/topic85018/121 , но у меня самого такой проблемы нет даже без диода (передатчик Эклипс 7)
Так что, кому как повезет 😛

F_R
AG:

С учётом прекращения выпуска приёмников HITEC иапазона РСМ вполне приличное решение.😂

Как это так!!!😮 Я вот, в местном хобби-магазине листал новый хайтековский каталог (про Аврору😍) и там были и есть хайтековские QPCM приемники…
Вы где это прочли?

Р.С. видать у вас “Баян” на клаве, но все же у хайтека стандарт QPCM а не РСМ.😉 (хотя суть одна и таже)

AG
F_R:

Как это так!!!😮 Я вот, в местном хобби-магазине листал новый хайтековский каталог (про Аврору😍) и там были и есть хайтековские QPCM приемники…
Вы где это прочли?

Р.С. видать у вас “Баян” на клаве, но все же у хайтека стандарт QPCM а не РСМ.😉 (хотя суть одна и таже)

Читать внимательно “приёмники стандарта РСМ” для QPCM проблем пока нет.😠

F_R

А что у Хайтека когда-то был стандарт PCM? Я что-то пропустил? 😃
На сколько мне известно у хайтека есть РРМ приемники одинарного и двойного преобразования и цифровые - стандарта QPCM…вот сейчас появились 2.4Ggz с модуляцией - АFHSS…

aei66

У Призмы-7 был вроде как РСМ512… Ну и РРМ само-сабой. 😃

F_R

Во как… Не знал- не знал ‘_’ Пасиб:)
Хм…РСМ 512…очень древний формат… Интересно а почему хайтек потом стал называть QРСМ? (и главное не пишет сколько положений ручки он передает…чую что там 1024…)
А если набраться наглости:) и спросить ссылку на эту ‘призму’…чтоб поглядеть на нее…😃?