BAIT BOAT для рыбалки

vlad007
puss5:

как это чем?она же программируемая!,у него возможна установка порога банки от 2.7v до 3.7v кнопкой, ставьте порог повыше, например 3.3в или 3.4в, будет время обратно доехать,тем более токи разряда рыболодкой маленькие для лития, но без пишалок катать очень не рекомендую
а пищит так, что слышно даже в закрытой лодке

😁 что б вы нам были здоровы-это как будильник-решать то вам-встать сейчас,или повалятся 😉

Genrish
puss5:

не вал из бронзы делается,вал надо стальной, из нержавейки, подшипники нужно из бронзы, ,но не из обычной а спеченной из порошка
типа таких

Спасибо Сергей за ссылки, приму к сведению. Из своего старого опыта помню бронзо-графитовые подшипники, стояли раньше в стиральных машинках активаторного типа, наверное эти такие же.

Я имел в виду простая болванка из бронзы имеется 😃, коллега подогнал. А валы стальные от драмкартриджей панасоник, нержавейка в чистоте 5.0 мм.

alcoo

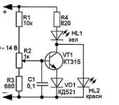
Вот такую схемку собрал для контроля аккумулятора.Платка размером как китайский вольтметр.Единственное пришлось подобрать R5-1,3 ком.

Правильно R3.

Genrish
puss5:

не маловато будет 12 в? всего 2600-2700 об без нагрузки, мотор то на 24в представляют

Сколько надо брать в чистоте обороты двигателя с учетом нагрузки, а то я что-то уже начал блудить между трех сосен. 😃

ALEX57
vlad007:

😁 что б вы нам были здоровы-это как будильник-решать то вам-встать сейчас,или повалятся 😉

Неуважение к аккумуляторам ли-по или ли-ион приводит в лучшем случае к их быстрой смерти, в худшем к пожару в доме 😃😆😵

Oluch
ALEX57:

Неуважение к аккумуляторам ли-по или ли-ион приводит в лучшем случае к их быстрой смерти, в худшем к пожару в доме 😃😆😵

У меня, тфу-тфу-тфу, до сих пор не было ни одного возгорания, хотя убитые и имеются. Я потому и взял для лодки LiFePO4, несмотря на то что у них немного хуже показатель ёмкость-вес, что они не горят. Убить их тоже сложно. Даже при разряде буквально в ноль, они спокойно потом работают, правда теряют часть ёмкости. Мне один аккумулятор пришёл полностью разряженный - было всего 0,3V. После зарядки-разрядки 2 раза, он восстановился и остаточная ёмкость у него стала 17,2Ah вместо 20Ah и это стабильно, т.е. его вполне можно использовать.

vlad007
ALEX57:

Неуважение к аккумуляторам ли-по или ли-ион приводит в лучшем случае к их быстрой смерти, в худшем к пожару в доме 😃😆😵

😃 ну какая связь-между уважением и пищалкой ?
Смысл шума,когда взглянув на индикатор понятно состояние батареи,да и проплывая мимо рыбака без ботика-полная иллюминация,да ещё со звуками,да если ещё и вам с рыбой больше повезло-что нибудь бросит. Это моё мнение и не руководство к действию.
И уважаю технику безопасности-я работаю с этими батареями.

Genrish
Oluch:

После зарядки-разрядки 2 раза, он восстановился и остаточная ёмкость у него стала 17,2Ah вместо 20Ah и это стабильно, т.е. его вполне можно использовать.

Это просто повезло. У меня на практике, если банка упала по напряжению, не сработала отсечка в устройстве, то теряет до 50% емкости

ALEX57
vlad007:

😃 ну какая связь-между уважением и пищалкой ?
Смысл шума,когда взглянув на индикатор понятно состояние батареи,да и проплывая мимо рыбака без ботика-полная иллюминация,да ещё со звуками,да если ещё и вам с рыбой больше повезло-что нибудь бросит. Это моё мнение и не руководство к действию.
И уважаю технику безопасности-я работаю с этими батареями.

Пищалка непосредственно напоминает об уважении, мало ли что с памятью случиться может. Работаете с аккумуляторами? Помниться вы до 28.03.2017 рекламу Ультрафайру делали, потом пришлось шляпу снимать. Все! Я лучше молчать буду.

Carpfish
Barmaley1850:

Есть ли возможность отключить тормоз на этих регуляторах?

По моему нет. И есть вариант что рег сгорит. Так как при изменении вращения без тормоза это как короткое замыкание.

vlad007
ALEX57:

… рекламу Ультрафайру делали, потом пришлось шляпу снимать. Все! Я лучше молчать буду.

😃 ну не реклама,а комментарий к рейтингу,если видели фото-там Файра нет где я работаю,были куплены лично мной за долго и не использованы (на фото они в найлоне),и признание ошибок-это не порок 😉

Genrish
Barmaley1850:

Кто подскажет? Есть ли возможность отключить тормоз на этих регуляторах?

А, за что там джампинги отвечают на регуляторе?

yadi.sk/d/NaRYFCPv3GUj4L

Genrish
Carpfish:

переключают батарейки.

Между Lion и ni-mh?

puss5
vlad007:

что б вы нам были здоровы-это как будильник-решать то вам-встать сейчас,или повалятся

что это было? или так ли против?

vlad007:

Смысл шума,когда взглянув на индикатор понятно состояние батареи,

вы ими пользовались?
если пользовались то должны знать,что они стабильно отдают почти всю энергию, почти не изменяя напряжения, а потом резко валятся ниже 3в ,и если этом момент просрать то можно его выкинуть,выше я перепак делал только из за того что не ставил пищалки,а катал только до отсечки самим безколлекторным регулятором , но он, как и все другие уменьшает мощность, на установленный порог в настройках,например 30%,лодка на малой скорости доходит до берега и кажется вуаля!но не тут то было!
регуль замеряет напряжение питания общее,например при 5S это 3.2в х 5= 16в но некоторые банки еще имеют по 3.4-3.5в , тогда 3.5в х4=14в ,а на той, что провалилась 16-14в=2в! вот вам и покойник! и все это прогрессирует с увеличением питания и количества банок…
можете посмотреть выше конец разряда моего перепака , одна банка 3.0в а остальные еще живы,так еще надо и доехать!
на литии при больших токах надо ставить 3.2в хотя бы, в рыболодке надо 3.3в, на новых батареях и рыболодочом потреблении, ниже по питанию в батарее не остается почти ничего из емкости, выше перепак отдал при токе 5-6А, до провала первой банки до 3V, 3200мач,а потом при сниженном токе до 2.2-2.5а отдал всего 200 мач, дальше разряжать не было смысла
тем более мерять напряжение без нагрузки на батареях бессмысленно, в холостом режиме на банках было 4.19-4.1в а при нагрузке 3.6в, и приехав к берегу вы будете удивлятся почему это сработали пишалки , если на банках еще 3.4-3.5в?
вот вам характеристика разряда литиевых акков,все видно,и чем меньше потребление тем легче попасть на батарею
для сравнения третий график свинец…

vlad007
puss5:

вы ими пользовались?..

😃 всё правильно написали,не пользовался,хотя накупил таких,потом решил и купил такие rcopen.com/forum/f68/topic138133/18740
Понятно,что перед заплывом батареи оттестирую и буду знать точное положение на данный момент 😉

puss5
Genrish:

Сколько надо брать в чистоте обороты двигателя с учетом нагрузки, а то я что-то уже начал блудить между трех сосен.

зависит от нужной вам скорости если взять 1.5-2.0 м в сек = 5-7.5км в час , и стандартных винтах 45-47мм с шаговым отношением 1.2-1.4 и проскальзыванием процентов 40-50 ,примерно от 3500-4000об в мин, ПОД НАГРУЗКОЙ , но надо точно знать все параметры нужную скорость, диаметр и шаг винтов скольжение, которое зависит от корпуса и размера винтов, так как слишком маленький винт и большие обороты резко его увеличивают…
вот здесь можно примерно все пробить, постоянно им пользуюсь www.offshoreelectrics.com/conversion.php

vlad007:

Понятно,что перед заплывом батареи оттестирую и буду знать точное положение на данный момент

мне просто непонятно ваше негативное отношение к пищалкам, умный человек придумал, да и цена халявная можно купить меньше бакса, в литии это последняя инстанция для безопасности батарей,пожалуйста, пользуйтесь традиционными методами,но и их поставьте, можете поверить просто на слово…

Oluch:

Я потому и взял для лодки LiFePO4

да эти более неприхотливы, раза три садил борт в ноль,потом заряжал вместо 1100мач стало 800-850 но работают до сих пор,точно не взрываются…

Genrish
puss5:

вы ими пользовались?

Сергей, моя мысль, чтобы избежать проблемы с не равномерной разрядкой литио-ионников, можно применить плату контроля АКБ. Я как-то переделал старый шуруповерт с одного типа батарей на литио-ионники использовал такую плату, я остался доволен.

puss5
vlad007:

потом решил и купил такие

там что то кроме приборов, и показаний на них,больше ничего не видно…

puss5
Genrish:

можно применить плату контроля АКБ. Я как-то переделал старый шуруповерт с одного типа батарей на литио-ионники использовал такую плату, я остался доволен.

не советовал бы,это не шуруповерт, если сел, то отключился, если не уследишь и батареи разрядятся , поплывешь за лодкой и как назло в самый дальний конец пруда…
у меня таких различных плат минимум два десятка, но только для бытовых целей ,типа фонарей и дрелей,где отключение не фатально…

vlad007:

И уважаю технику безопасности-я работаю с этими батареями.

противоречие 😎😃

vlad007:

всё правильно написали,не пользовался