Цифровой радиоканал для управления моделью

AlexAndr=
AlexAndr=:

Уже сейчас перешёл на 2-е частоты: передача на 2-х разнесённых каналах, приём на одном, если более 0,1сек помеха - перестройка приёмника на другой канал. Вариант пока тестируется.

На выходных погонял около получаса в надежде поймать помеху - ни разу запасною частотой приёмник не воспользовался. Видимо если помехи и есть, то меннее 0,1 сек, что имхо несущественно. Возникают сомнения, а стоит ли вообще ухищирятся с многократным резервированием канала, прыжками, сканированием диапазона…

v61:

А можно увидеть прошивку меги для приемника-передатчика?
Модули прикупил, хочется на дальность потестить…

Выкладываю исходник под иар 4.20. Это начальная версия, работает на фиксированной частоте, без обратной связи, файлсейвов, телеметрии и прочих радостей, тоесть просто чтоб запустить и проверить радиомодули.
Для передатчика Mode 0, для приёмника Mode 1. Ещё нужно установить паттерн и желаемую частоту. В принципе там всё комментировано, думаю разобраться можно.
Схема передатчика аналогична приёмнику, только без цепей телеметрии, вход РРМ на РВ0 микроконтроллера.
RX_TX.rar

1 month later
AlexAndr=

Здесь будет телеметрия:

Долой монохромные ЖКИ!!!

v61
AlexAndr=:

Здесь будет телеметрия:

Долой монохромные ЖКИ!!!

Hi
Дисплейчег от Siemens CX65?

Aleksey_Gorelikov

Жалко на такой дисплей ресурсы тратить… Я за принцип необходимой достаточности. Или вы на пропеллер перешли и под видеосистему целое ядро отдаете? А выводить сразу в дисплей будете, или в буфер сначала? Если в буфер, будет внешняя ОЗУ? Опишите, действительно интересно.

AlexAndr=
v61:

Hi
Дисплейчег от Siemens CX65?

Он самый!!! Если быть точным L2F50

Aleksey_Gorelikov:

Жалко на такой дисплей ресурсы тратить… Я за принцип необходимой достаточности. Или вы на пропеллер перешли и под видеосистему целое ядро отдаете? А выводить сразу в дисплей будете, или в буфер сначала? Если в буфер, будет внешняя ОЗУ? Опишите, действительно интересно.

Дисплейчик был выбран из-за его разрешения 176х132 и это при стоимости около 15$ - аналогичный монохромник(чтоб сразу с подсветкой) я просто ненашел.

Ресурсов да, жрёт немерянно, поэтому буду ставить отдельный МК(присматриваю Mega32) буфер в принципе не планируется.
Заодно пригружу его генерацией менюхи и пусть паралельно телеметрию сохраняет во внешнюю флешку, чтоб потом можно было всё неспеша просмотреть и проанализировать(на всё том же экране).

Ну и ещё много есть идей, например строить графики телеметрии в цвете - по нескольку параметров на одном экране, для большей наглядности 😃

Abu

Господа а модули RC 1240 допустимо использовать для реализации канала управления

AlexAndr=

RC1240 сильно медленно, недалеко и дорого… но можно 😃

Dominga
AlexAndr=:

Ресурсов да, жрёт немерянно, поэтому буду ставить отдельный МК(присматриваю Mega32) буфер в принципе не планируется.
Заодно пригружу его генерацией менюхи и пусть паралельно телеметрию сохраняет во внешнюю флешку, чтоб потом можно было всё неспеша просмотреть и проанализировать(на всё том же экране).

А почему тогда не посмотреть в сторону семейства SAM7? Производительности у них достаточно, чтобы одному со всем всправиться.
Причем у них есть модели со встроенными bootloader`ами, которые позволяют их грузить напрямую с компа через RS232 или USB.

Abu
AlexAndr=:

RC1240 сильно медленно, недалеко и дорого… но можно 😃

Спасибо! Значит Dp1250 это оптимал
да радиокрафт в 3 раза дороже
а xbee pro в 2

Abu:

Спасибо! Значит Dp1205 это оптимал
да радиокрафт в 3 раза дороже
а xbee pro в 2

20 days later
Abu

Есть вот такие штучки HM-TR433-TTL, есть приемники, передатчики и трансиверы. Как насчет их использования для связи. FSK модуляция, 9600, мощность конечно не фонтан, для аппы для микро самов мне кажется пойдёт.

Дасть фору всяким дешевым ISM аурелям и телеконтролли. что скажете?
Есть на терраэлектронике.

8 days later
alex_grach

А я тут по случаю закупил MRF24J40, попробую что-нить сварганить с прицелом на микро (ну может и не очень 😁 микро)…

AlexN

Имеем опыт производства устройства на другом интерфейсном чипе от Микрочипа (ENC28J60, SPI-Ethernet). Это был кошмар, где-то за год Микрочип раза три латал критические дыры в своём стеке протоколов, выпускал новую ревизию чипа… да так и не долатал - микрушка изредка зависала на уровне своих регистров насмерть.
После этого посмотрели на их новинку MRF24J40 - и держимся от нее подальше, благо для этого диапазона полно альтернативных вариантов 😁

Abu

Вот такая мысля…
Сварганить аппу типа наш ответ китайцам,
типа народная аппаратура начального уровня
с использованием современных технологий…

Мега 8 собирает данные с 4 резисторов, шлет пакет по Uart, на ISM модуль, в приемнике такой же принимает, на мегу, генерим шим для серв, можно и для моторчиков, можно микширование простенькое или что нибудь ещё

Требования дальность 500 метров, у модулей минимум FM модуляция, что бы недорогие были… до 500 р, иначе нет смысла
Собсно вопрос в выборе модулей… Всё остальное нетрудно…

Не знаю нужно ли это кому-нибудь, я лишь говорю что можно сделать
???

foxfly
Abu:

Вот такая мысля…
Сварганить аппу типа наш ответ китайцам,

Так что мешает?
Сваргань! Тем более- если “нетрудно”!
А благодарное человечество -памятник тебе поставит.
Может быть…😃

михалыч2

хм, а я делал радиоуправление на приёмо-передающем модуле TR1001 на часатоту 868.35мгц., на передатчике кодер на контроллёре, на приёмнике декодер на CD4017 как у меня что столько гемороя был с приёмником, там машинки лишь изредка слушали передатчик, а так они просто вжикали в разном направлении, после передающего модуля (поскольку без усилителя дальность метров 30) я поставил усилитель на 18ватт, но с ним тоже не смог разобраться (он тоже был в виде модуля)

Abu

я поставил усилитель на 18ватт

ЭЭээээ 18 ватт не может быть, может мВт…

Неужели все модули такое ГГГггг, что не берут и 30 метров, когда написано 300 метров ?

Нет я не верю, думаю уж на 300-500 метров можно сделать на них - для микро летающих, машинок, катеров, игрушек и т.д.

Трансиверы можно и не ставить, можно обойтись парой передатчик-приёмник, если только вам телеметрия не нужна 😃
Собственно можно и без модулей, а с вч частью классической схемы, но где СХЕМА ТАКОЙ чтоб мог каждый сделать?, а не типа: " возьмите контур от приёмника такого-то,
или намотайте сами, с сердечником из редкоземельного стержня который можно взять там то…" 😃

на приёмнике декодер на CD4017 как у меня что столько гемороя был с приёмником

Может декодер гнал? Я б на меге для чистоты эксперимента сделал…

Abu

Смысл не в попытке создать цифровой радиоканал взрослого уровня - конкурент аппе 2.4 Ггц, а попытка создать именно простенькую аппу с меньшей дальностью на современной базе.

Проблема в выборе именно подходящих модулей…Пока наверно выбор в пользу пары HM-T433-TTL и HM-R433-TTL…

И ещё бы усилок 😒

Abu

Товарищи, а кто нибудь юзал ISM-модули предназначенные для передачи аналоговых сигналов?
Имеют ли они преимущества по сравнению с цифровыми?..Скорее всего нет…
Тогда можно не UART, а PPM на них генерить

alex_grach
Abu:

Смысл не в попытке создать цифровой радиоканал взрослого уровня - конкурент аппе 2.4 Ггц, а попытка создать именно простенькую аппу с меньшей дальностью на современной базе.

Проблема в выборе именно подходящих модулей…Пока наверно выбор в пользу пары HM-T433-TTL и HM-R433-TTL…

И ещё бы усилок 😒

Усилок
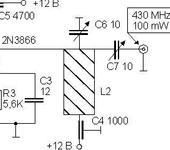
http://vrtp.ru/index.php?act=categories&am…amp;article=118
C1 - 3…35 пф, С2 - 8…60 пф,
C4…С5 - проходные конденсаторы,
С6…С7 цилиндрические пистонные подстроечники. L1 - 2 витка проводом 0,5 мм, диаметр катушки 6 мм, длина намотки 3 мм. L2 - полосковая линия из меди толщиной 0,5 мм. Ширина линии 12,5 мм, длина - 38 мм на расстоянии 3 мм от платы.

AlexN:

Имеем опыт производства устройства на другом интерфейсном чипе от Микрочипа (ENC28J60, SPI-Ethernet). Это был кошмар, где-то за год Микрочип раза три латал критические дыры в своём стеке протоколов, выпускал новую ревизию чипа… да так и не долатал - микрушка изредка зависала на уровне своих регистров насмерть.
После этого посмотрели на их новинку MRF24J40 - и держимся от нее подальше, благо для этого диапазона полно альтернативных вариантов 😁

Ну, надеюсь, все не так плохо 😃 Правда документация оставляет желать … В общем чипы куплены, софт почти дописан. Развел модули по образу и подобию MRF24J40MA, только 2-х сторонний вариант, единственное, дорожки получились 0.2 мм, посмотрим что получится с использованием ЛУТ…

AlexN
alex_grach:

Развел модули по образу и подобию MRF24J40MA, только 2-х сторонний вариант, единственное, дорожки получились 0.2 мм, посмотрим что получится с использованием ЛУТ…

Я правильно понял, что Вы переделали референс-дизайн устройства на 2.4ГГц с образцового четырехслойного под двухслойный? Смело, однако 😲 Параметры антенны и согласованных линий связи пересчитывали?
Что-то мне кажется, что… хреново это будет работать на двухслойке 😃

Abu

Усилочек зачётный! Спасибо!

Abu

А у вас нет такого же, но на 2.4 ггц? 😃