OSD на ATmega1281

smalltim
targetorsk:

“от зданий практически не шарахаеться” Это как?

Пара датчиков интегрирует 2 сектора неба с углом в 90 градусов, им отдельностоящий метрах в ста дом - доля процента.

msv
avisenja:

Может такой донор лучше?

Еще летом приобрел gmrs рации, хотел попробовать по ним ppm пустить. Что-то жалко ломать стало, ну и интересно попробовать цифру, FHSS какой-нибудь… rfm22b стоит копейки, уже классика для LRS, просто пошел проторенной дорожкой.
Модуль усилителя раскочегаривать на полную не планирую, сразу запитываю пониженным питанием (10В), ну и Vgate накручу, сколько захочется… Вся прелесть этих модулей, что заботливые японцы уже все настроили. В том числе выходной полосовой фильтр с подавлением 2-й гармоники <-60дб, что на коленках действительно мало реально сделать. Конечно их использование предполагает некоторую “культуру” исполнения, надеюсь смогу ее выдержать…

avisenja

Ломать не надо, РРМ - конечно надо малость модефицировать, стандартный через гнездо микрофона не полезет, и на приемной части то-же пошаманить.
Разбирал недавно почти такую, только двух диаппазонку, китаки там сильно голову не морочили, все платки приемников и передатчиков отдельные - ВОТ ЭТО КОНСТРУКТОР - для творчества!😁

msv:

выходной полосовой фильтр с подавлением 2-й гармоники <-60дб

Это они молодцы безспорно, но защиту от обратки делать прийдётся и обратку по выходной - тоже, а это петля связи нужна, плюс выходной контур (на всякий;)).

П.С. хотел показать фотку таких модулей - как они внутри, но гдейто затерял:(

Нашёл, только 30 ватник

avisenja

согласовка с антеннкой.

30-ник, конечно не 1-2ватта, но обратнея петля обязательно нужна.

msv

Может и действительно не так все просто… А что за “обратная петля”? Догадываюсь, защита оконечника от плохого КСВ? А может просто ток ограничить, ведь это аварийный режим?

avisenja

Так-же как и в унчиках, нужна петля ООС, иначе уровень на выходе совершенно непредсказуем, температура, напряжение, ксв и т.д. , в результате перегрев и как правило КИРДЫК модулю.

ИМХО
А вот побаловаться с модификацией РРМ сигнала, что-бы взял портативку, воткнул джек от пульта вместо гарнитуры - это перспективней…

Уже делал такие эксперименты, но есть мелкие тонкости, и вы, как толковый программист, могли-бы внести полезные мысли в алгоритм обработки сигнала.

Панкратов_Сергей
avisenja:

Так-же как и в унчиках, нужна петля ООС,

Что то путаете , вероятно. ООС в УНЧ стабилизирует усиление - для подобного модуля такое решение неприемлемо .
Скорее имеете ввиду АРУ или АРМ - но про ее необходимость Вы наверняка знаете ? У производителя нет данных о температурной и временной нестабильности.
А защита от отраженки с усложнением схемы - так это каждый для себя решает - нужна или нет , как защита от дурака.

avisenja

Бывает…, очепятался - нужна АРМ (автоматическая регулировка мощности).

Зачем сразу *на дурака*, много всяких ситуаций случается, а модуль менять утомительней, всёж, да и накладно будет.

Hrissto

Добрии ден всем. Я таких модулей вьидрал из мбилников BENEFON- SIGMA , GOLD.У насэщо можно наити такие антики. Там стоят 2-ватних модулей. Ползую ин по дата щиита. Правда греется но все таки ето 2-ватт.
Подскажите пожалуйста как прикрутит пдф-ку и изображение. PLS

msv

Как понял, в мобильниках стояли модули старого типа (кажется 3Вт), которые сейчас сняты с производства. А жаль… 3Вт максимальной мощности было бы самое то… за соответствующую цену, конечно. За RA07 пришлось выложить почти 20уе.
Просто конвертируйте PDF скажем в jpeg…

Hrissto

Здравствуйте всемл Вот и моя первая попитка публикувать фото - зачем пршу извините если не получилосл


Вот и из ориганлного докумеента модуляля RA07m4047. Кому-то нужен могу посилат на e-mail вес документ

А вот и что внутри в остаревшх модулей с мобилников-как заметил Сергей.

А вот как делали Flytron-троновцьи

Знаю что все это вне тему и адеюс что не забаните меня:)😃

ra07m4047m.zip

msv

Даташит на RA07 найти не сложно, а вот какой-нибудь апноут не удалось… Hristo, из какого документа верхняя схема?
За фотку внутренностей спасибо, любопытное зрелище… 😃

avisenja

Ну вот и подопытный *кролик* прискакал, Кенвуд с кит маркировкой КС-3308,

430-440МГц,
4Вт на выходе (а транз 2SK3476 на 7Вт -??? ),
синтез LMX2331
приемник с двойным преобразованием 31136 😒
и ещё много всяких вкусностей😁

Будем эксперементировать😵😁
П.С. Извиняюсь, если замусорил тему!

msv

Ну во первых радует, что судя по #548 Вы уже не настаиваете на необходимости АРМ. 😃 В самом деле, при стабилизированном питании, с нормированной мощностью входного сигнала, это имхо излишне, тем более для мощностей <1Вт которой хочу ограничится. LM2940, кроме собственно стабилизации напруги, защищает от переполюсовки и ограничивает ток. Ну и в крайнем случае надеюсь, что “пыхнет” она, а не модуль… 😃
В описании кит-а по ссылке конечно заманчиво звучит “5th order Chebychev 2nd harmonic -65dBc”… Те. обещают, что их двойной Пи-контур дополнительно к ПФ фильтру модуля зарежет вторую гармонику до -125 dBc, но боюсь это возможно только в теории… А если нужда заставит, в принципе можно доп. фильтр сделать отдельным блочком…
А вот резистивный аттеньюатор по входу действительно поставлю. Во первых эта развязка по опыту здорово увеличивает устойчивость всей системы, во вторых- появится возможность в более плавных пределах программно регулировать мощность.
Конечно выбранный модуль-сет трудно назвать оптимальным… Выбор rfm22 обусловлен уменьшением номенклатуры комплекта (для приемника буду использовать этот трансивер, в тч предусматривая его возможность работать маячком), при практически том же ценнике. Для УМ в принципе тоже достаточно было поставить один каскад с объвязкой, но лениво считать, настраивать…

avisenja

В своих самоделках - я обязательно использую АРМ - это аксиома!
Ваше решение, это - ваше решение. Каждый выбирает свой путь…
Согласовка по входу, это то-же аксиома, тут разговоров нет.

msv

От какой девайс родился:

Хоть еще без “души”, но вид весьма брутальный… rfm-ка исправно гонит 1мгц тактовой, и это все на что он пока способен. 😃
ЗЫ Не в первый раз накосячил с разводкой LM317, упорно развожу ее как простую кренку… Будем надеяться, что это единственный косяк… 😃

msv

Есс… Завел передатчик… Не сразу завелась мега, пока не вычитал даташите, что даже если не использовать АЦП, напругу на AVCC необходимо подавать.
Сделал пока двухчастотный fhss и тестовый режим с почти непрерывной передачей и небольшой девиацией для настройки АФУ и мониторинга gmrs рацией. Все конфигуряется простенькой программкой через rs232.
Кратковременное нажатие кнопки - переключаем между двумя уровнями мощности (задается в конфигураторе), длительное- в тестовый режим, удержание перед включением - передача биндинг-пакета приемнику с указанием текущей конфигурации.
К сожалению удивила низкая стабильность частоты, при прогреве град до 50, уходит больше 2кгц. Может придется делать программную коррекцию частоты по температуре. Еще от увеличения температуры увеличивается мощность на 10-15%. Объяснил увеличением напруги с LM2940 на несколько десятых вольта при нагреве.
Коаксиальный диполь согласовать толком почему-то не удалось, зато классическая четвертушка GP на магнитном основании настроился идеально.
Посмотрел влияние на TV-канал (1080). Для выхода 1W в диапазоне LPD влияние заметное. В диапазоне GMRS влияние очень сильное ( сказывается близость второй гармоники). Думаю попробовать дополнительный Пи-контур…
Развел плату приемника, надеюсь в этом году успеть попробовать…

Vlado

К сожалению удивила низкая стабильность частоты, при прогреве град до 50, уходит больше 2кгц. Может придется делать программную коррекцию частоты по температуре.

О поздравления а я тут тоже с антенным хозяйством… а у вас 433МГц как я помню. Поделюсь некоторыми не документированными соображениями.
Коснемся весьма важной стороны, задающий генератор .Первое, у вас чай не экономичный датчик чего то там, поэтому можно и внешний температурнокомпенсированный TCXCO. Второе, Норе RF ставит туда бог знает что, AT срез там 50ppm а по рекомендации СиЛаб, должен быть 20ppm и к тому же температурная компенсация уже есть внутри. Похоже происходит перекомпенсация, я делал следующее ставил внешние конденсаторы вокруг кварца а внутренние емкости выбирал меньшие и соответственно в регистр пишется не 7F а 50 или что то вроде того.
Кстати это распространенная диллема, Слон если что использовал приемник для контроля 30 МГц опоры.
На самом деле я был паражен стабильностью от напряжения питания и от температуры в.ч, я получил меньше 10 ppm это при их кварцах. И соответственно нужно выбирать соответствующую полосу пропускания приемного тракта но при внешнем можно спокойно получить пару ppm, да и 2кГц это около 5 ppm, это нормально. Да кстати что с софтом, что за протокол.

rfm-ка исправно гонит 1мгц тактовой,

не рекомендуют как такт для контроллера а то может и не завестись.
Мерил и фазовые шумы всего это хозяйства, прямо скажем не фонтан и ходилки говорилки конечно лучше в плане приемников. Но сущесвует еще и base band сигнал там тоже есть резервы для хорошей глазковой диараммы.

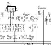
Vlado

Ой повнимательней прошелся по теме, ой вы же_ ребята всуе поминаете Benefon а ведь там были Ultra,Forte, Delta, Sigma, Sigma Gold, Dragon, это то что я припоминаю. Тут на картинке предыдущая от Delta ( не помню который). На выходе каплер типично для петли регулировки мощности. Кстати Эрики предпочитали командный
без петли способ регулировки, не знаю как сейчас. Кстати довольно приятные PA не генерят, если что. Кстати обратите внимание на шунтирующие емкости, там всего лишь одна нана мля а не 0.1 uF.

Еще от увеличения температуры увеличивается мощность на 10-15%.

Это скорее драйвер передатчика, от прогрева увеличивается ток при неизменном смещении и как следствии растет
возбуждение выходного какскада а там класс С, смещение не нужно.