Несправность зарядки IMAX B6, помогите
Спасибо.
на AREF, оно должно быть 2,500
На AREF показывает 2.485 думаю стоит подстроить.
7805,
Скажите,есть 7805 в SOT23?И если не секрет как они выглядят?
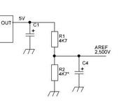
и поставил после неё делитель, выставил очень точно 2,5В
Можете нрисоать схемку делителя?
В SOT23 микросхемы 7805 нет, он есть в корпусе TO92, называется 78L05.
Ниже схема. Резисторы нужно подобрать очень точно, так что бы на выходе было 2,500В. Любым резисотром подбирай это напряжение. Подобрирать всё ровно придётся, т.к. стабилизатор даёт не точно 5В. По этому если взять 1% сопротивления и оба одинаковые то на выходе не будет такой точности как хотелось бы. По этому резисторы нужно по подбирать. Взять штук 20 5%-10% и их по подбирать.
Спасибо Сергей.
А я думал,что делитель это,что-то огого.А это так просто.
А что если поставить 10 кОм. подстроечник?
Подстроечник можно, то только !многооборотный!, и поставить его, последовательно с резитором R2, при этом резистор R2, поставить 4К, а подстроечник взять номиналом 1К, что бы перекрывать общее сопротивление 4,7К, как в + так и в -
Простым подстроечником ты не поймаешь тысячные.
TL431 (точность 1,6%) можно заменить на AIC431 (точность 0,5%), или на TL431A (точность 1.0%).
Сам TL431 - регулируемый (посмотрите даташит). Подстраивать не пробовали?
Меня учили, что подстроечник (по хорошему) должен быть не более 10% от требуемого номинала. Так что если нужен номинал близкий к 4К7, я бы взял подстроечник 470ом и резистор 4К3 (отобрав из нескольких с отклонением в плюс, ближе к 4К5). Или 4К7 (с отклонением в минус). В принципе - в ряду E96 имеется номинал 4К53.
Для неуемных перфекционистов - есть высокоточные источники опорного напряжения. Точность обещается порядка 0,2%.
Есть и на 2,5В. Можно взять и на большее напряжение - если с дополнительным делителем.
Например, LT6660HCDC-2.5.
TL431 подстороить не возмоно, т.к. это её внутреннее опорное напряжение. Я пробовал мне не удалось. Можно подстраивать выше того что она можте давать, т.е. выше 2,5В она постраивает но чем ближе к 2,5, она не хочет постраиваться, выдаёт свои 2,45-2,47. Кренкой и делителем я решил проблему на раз, и за копейки.
Благодарю за помощь!
Если не трудно подскажите его номер по схеме. За напоминание про нихром отдельное спасибо. думаю без особо точного прибора можно обойтись оценив сопративление косвенно по падению напряжения на нём.
я там не сопритивление измерял а ток заряда реальный подгонял к показанию зарядного устройства
Мне при ремонте повезло. Удалось найти в нашем посёлке измерительный мост с пределами измерений от 0,0001 Ом. После изготовления шунта ток заряда и напряжение на аккумуляторе после зарядки стали больше похожи на норму. Однако цифровому мультиметру не сильно верю поэтому не стал доводить до совершенства.
Причиной выхода из строя шунта считаю КЗ при заряде аккума.
Довелось и мне окунутся в дебри схемотехники данного произведения китайских мастеров 😃
Зарядка проработала 3 дня, периодически поглючивая, а на 4й просто не включилась. Гугление почему-то увело меня сразу на польский сайт, там я долго вникал в тонкости гуглоперевода, пока наконец оттуда по ссылке не вернулся обратно сюда и скачал схему)))
Первым делом сгорела кренка 7805, пришлось заменить её на LM317 в обвязке из двух резисторов на 300 Ом и 1кОм, на выходе ровно 5 вольт. Греется меньше, прослужит дольше, правда при монтаже я забыл что выход у нее на металлической основе как раз и благополучно закоротил его на корпус, прикрутив болтиком ее к корпусу для лучшего охлаждения )) Охлаждение улучшилось, лмка выдержала КЗ и не сгорела, только немного дым откуда-то пошел. Как потом оказалось это отдал богу душу VT14, но тогда я этого еще не знал.До этого я его проверял и обвязку его и двух биполярников, был живой.
Зарядка завелась, но при попытках что либо зарядить ругалась over voltage. Решив что может хотя бы разряд работает, я спалил с пиротехническими эффектами IRFZ40, разрядный полевик, причем пробило его накоротко, так что батарея начала разряжаться на резистор 0.5 Ом напрямую и раскалила его докрасна. Но опять же повезло, успел выдернуть батарею , резистор выжил и даже остался того же сопротивления, хотя конечно при случае надо заменить.
Причиной over voltage был VT14 пробитый накоротко и дающий на выходные разъемы напряжение питания с входного БП. Замена его решила проблему. Сейчас зарядка на тестировании. Так же были заменены остальные полевеки и LM393 за компанию 😃 Экран отпаян и вынесен на шлейф, так как не последний раз наверно я ее паял.
Зарядка доработана вентилятором на 24v от ксерокса, тихий и тонкий.
Подскажите, а сохраняет ли данная зарядка настройки? Например, отключение сигнала кнопок, ограничение емкости и т.д? У меня каждый раз при включении нужно все заново настраивать, это так надо или нет?
Если должна сохранять,но не сохраняет я так понимаю это глюк проца и спасет только перепрошивка?
Должна сохранять.
Спасибо, внесли ясность. Попробую прошить, я так понимаю это уже не хардварная, а софтовая проблема 😃
Уважаемые! Спасибо, что вы здесь пишите. Много интересного. Очень нужная ветка форума. Купил iMax-B6 COPY. Ожидал, что будет всё нормально. ЗУ работает и это хорошо.
Вопрос первый. При заряде NiMh акков все напряжения и токов показания совпадают, почти (я считаю в допуске), с ЗУ и двумя тестерами. НО. Емкость акков показываются неправильно. Например, акк энелуп 1900-2000mAh при разряде показывает 3990mAh. Т.е. явная ерунда. И др так же много. Акки Li-ION тоже не могу понять сколько же емкость акка? Величина огромная. Думал, что акки плохие, но потом понял, что iMax не настроен или поломка. Где и что “править”?! не могу понять. Подскажите…
Вопрос второй. При РАЗРЯДЕ величина тока разряда показывается вроде в ЗУ верно, но на практике по тестерам показания в 3,6-3,7 раза меньше на всём диапазоне тока. При зарядке - нормально показывает…
Помогайте, кто может… Толковых форумов нет. Надежда только на вас… 😃
Например, акк энелуп 1900-2000mAh при разряде показывает 3990mAh. Т.е. явная ерунда.
Нет не ерудна. Ты его, после заряда, через пару часов поставь на разряд, и он выдаст реальную ёмкость. А реальная ёмкость считается на разряде а не на заряде. Ещё если сразу на разряд поставить после заряда, будет больше ёмксоть, если через пару дней, сольётся меньше, т.к. у аккумов есть саморазряд. Только он у разнях аккумов разный. Если аккумы хорошие фирменные, то саморазряд минимальный, если аккумы г… то после 3-дней лежания они сядут более чем в два раза.
Вот и протестируйте свои аккумы после заряда сразу, и потом зарядите и разрядите через дня три, и увидите сколько сольётся. Это и будет реальная ёмкость.
Ёмкость, зарядка может врать только по двум причинам, если не настроен точно замер тока при заряде, и не правильно идёт время. Т.к. ёмкость она считает относительно тока и времени, т.е. ёмксоть это произведение тока на время. Но ток, как вы говорите показывает верно, значит ёмкость верна.
Вопрос второй. При РАЗРЯДЕ величина тока разряда показывается вроде в ЗУ верно, но на практике по тестерам показания в 3,6-3,7 раза меньше на всём диапазоне тока. При зарядке - нормально показывает…
Помогайте, кто может… Толковых форумов нет. Надежда только на вас…
Что прям в три раза врёт?
Что ставишь 1А, а в реале 300мА?
Ещё хочу сказать, она на разряде не даст больше чем 5 Ватт, т.е. если ты будешь разряжать 12В аккум, током 1А, т.е. максимальным, то она его сбросит так что бы мощность была не более 5 Ватт. У неё в характеристиках написано что она на разряде не более 5 Ватт.
Может у вас та же ситуация и была, что зарядка сбросила ток, но она тогда и на экране показывает что ток сбросился и он конечно будет совпадать с показанием прибора.
К примеру если 12,5В на аккуме и поставить разряжать током 1А, то получается мощность, которую она должна рассеять 12 х 1 = 12Ватт. Много… Зарядка сбросит ток так что бы было не более 5ватт. Т.е. ток будет 0,4А.
12,5 х 0,4 = 5 ватт.
Вот и получается что в три раза.
Спасибо, ubd, ответ…
Ты его, после заряда, через пару часов поставь на разряд
…я его на РАЗРЯДЕ и смотрю. И там огромные числа. Я знаю, что емкость заливаемая в акк больше емкосьт, которая выливается из акка. Я повторяю, что смотрю емкость на РАЗРЯДЕ акка. Там должно быть ну, в районе номинала энелупы новые, хорошие. емкость порядка 1800-2000mAh ожидаемая. Я и на BC-700 проверял и на MAHA C9000. Емкость разряда мой iMax-B6 показывает не ту… 3980mAh - это явно не та цифра. С акками я могу работать…
Что прям в три раза врёт?
Что ставишь 1А, а в реале 300мА?
Режим NiMh, разряд… Ну, данные вот такие:
выставляю 1,0А (на ЗУ) - приборы показывают 0,272А
1,21v =>1.24V
----
0.9A=>0.245A
—
0.8A=>0.217A
—
0.7A=>0.190A
—
0.5A => 0.135A
1.24v=> 1.261v
—
0.1A=>0.025A
1.24v=>1.082v
Да, ну ток отрицательный, там разряд же. Так вроде. ЗУ полярность не показывает, а прибор показывает “МИНУС”.
Ещё хочу сказать, она на разряде не даст больше чем 5 Ватт
Ну, акк я тот же разряжаю. NiMh АА формат, одна штука 1,2v на борту. При 1А мощность =1,2v*1A=1.2 Вт. Всего. Это не о чём!!!
Ясно. Вообще эта зарядка, если она не оригинал, то это загадка полная. Не известно что тебе попадёт после покупки. Эти зарядки кривые все… Их после покупки нужно калибровать и настраивать. Бывает попадаются экземпляры настроенные более менее, но зачастую кривые. Но врут они в основном только напряжение. Про ток я в первый раз слышу.
Ну давайте разбираться. На точность показания тока влияет сопротивление разрядного шунта или неправильные номиналы в операционном усилителе который усиливает напряжение, которое падает на шунте при разряде. Если есть знания в электронике, то можете настроить самостоятельно, мы поможем. Схема есть в этой ветке. Если нет то придётся купить оригинал, и забыть о проблеме. Или найти в вашем городе электронщика он поможет, если возьмётся.
Так что вот такая вот зарядка.
Я когда свою брал, то знал об этой проблеме, и был готов её настраивать. Настроил аж но 4 штуки, не только свою но и зарядки друзей и знакомых.
Ну давайте разбираться. На точность показания тока влияет сопротивление разрядного шунта или неправильные номиналы в операционном усилителе который усиливает напряжение, которое падает на шунте при разряде.
Попробую что-то поправить. Паяльник где-то был… Сомнения в резюках есть.
Они вот на фото
они слева направо по моим таблицам 5,8 Ом и 58 Ом. По схемам 0,1+0,1 Ом и 0,5 Ом. Пойду куплю, перепаяю. По схеме опять же 1 ватт. Ладно, что найду в продаже.
Есть сомнения вот здесь что-то накидано одним “волоском”

Один конец емкости “волоском” припаян к сопротивлению 2701 и далее к емкости за ним.
Резисторы заменил на те, что доверяю, что купил. 0,1+0,1 Oм для заряда. 0,51 Ом для разряда. Изменений в величинах ни напряжения, ни тока - нет. прикинул, что за резюки стояли. похоже, что поставили нормальные. МегаОметра нет. Обычный MS8221C показывает 0,4 Ом (как и то, что стояло). 0,1 - конечно не показывает. Посмотрел все детали. Пайка нормальная. Что смог - прозвонил. Не нашел в разряде VD2? В цепи разряда нет транзисторов. Кроме IRFZ44N, что снизу. Буду его смотреть.
Проверил IRFZ44N. Он в норме. Переключается. Закрывается и открывается.
R14 должно по схеме стоять 2 кОм, т.е. 2001. Припаяно другое 1002 = 10 кОм. Наверное, это то, что и гасит ток?! Вроде в пять раз больше. И ток в 4 раза показывает меньше. Напутали китайцы?! Надо заменить…
Да, всё правильно. Победил эту ошибку. Теперь токи и вольты показываются при зарядке и при разрядке, что на ЗУ, что на тестерах… ну, почти одни. Думаю, что нормально.
Про емкость пока молчу, она явна не правильная… и пока не знаю что делать. Где она считается? Кто обрабатывает? Не знаю.
Теперь ещё одна замечена ерунда. При заряде акка Ni-MH вольт должно быть не более 1,48 - 1,49. Эти данные я помню по ЗУ типа MAHA C9000. А в данном моём ЗУ вольты растут как грибы… Вот воткнул енелуп - он начал заряжаться сразу уже с 15,6 вольта. Это очень много. У кого есть какие предложения?! Черкните.
Вот воткнул енелуп - он начал заряжаться сразу уже с 15,6 вольта.
На одной банке? Что бы обеспечить заданный ток зарядка задает соответствующее напряжение… Такое напряжение может быть только в одном случае (при исправном ЗУ) - аккумулятор умер и не хочет “брать” ток. У меня такое было, аккумулятор был дейсвительно убитый…
Пробуйте другие аккумуляторы.
Спасибо, slonik141. Здест могу сказать, что акки у меня все под контролем, новые, номинальные емкости определены дважды и в BC-700? которая явно задирает емкость на 100-200mAh! И в ЗУ МАНА С9000. Поэтому ваше предположение, что виноват акк - это не верное предположение. За подсказку, конечно, спасибо. Но беда не в акках, беда пока в ЗУ с названием iMax-B6.
Вот кусок графика заряда
Если посмотреть на вольтаж, то видно - он завышен. Вроде так не долно быть?! Кто знает?! Подскажите…
Для тех, кто ещё пойдёт на … iMax-B6 привожу разрядную часть платы и схемы… LM2904… DA1:1 и DA1:2

найденная ошибка в обвязке R14 установлен номинал 1002 (10 кОм), должно быть 2001 (2 кОм).
Схему приведу … 
Да, и ещё нашел и VD2, R37 они находятся прямо на месте КРЕНки.
Полный график заряда достаточно нового Eneloop AA. Его емкость в пределах 2000mAh. Проверено. Заряд решил провести током 1А. График получился такой
Отключился заряд очевидно по дельта-пику. Там у меня стоит -5mB.
У меня вопросы
- напряжение 1,68V - почему такое большое?! Обычно должно быть до 1,5V
- емкость - всего 1600mAh. Явно занижено. Да ещё если понимать, что это емкость залива, которая всегда больше, а не емкость слитого с акка, которая всегда меньше…
Кто знает - отпишитесь…
Емкость у акка посчитал в MAHA C9000 в режиме “разряд”. Она составила 1560mAh. По графику заливалось 1600mAh. Я глазам не верю… но емкости совпадают… Для ясности и точности: заряд был током 1А, разряд был током 0,5А.
Мои сомнения по ВОЛЬТАЖУ при заряде отпали. Напрягая интернет и, конечно, мозги, можно вспомнить, что заряд у Ni-MH акков происходит ТОКОМ, а не напряжением. Поэтому главное при данном заряде, чтобы ток был тот, что мы выбрали. А напряжение - не обращайте большого внимания…