Самодельный передатчик (часть 1)

Nick_Shl
Aleksey_Gorelikov:

Сори, за полуоффтопик. Отдам в хорошие руки немецкий сигнал под модернизацию. Возможно даже с модулем на 40 мгц. Чтобы барахло не завалялось у кого-нибудь на полке - с единственным условием: вы должны продемонстрировать мне рабочий кодер и обещать, что не для перепродажи.
Забрать можно в Балашихе, возможно и Серпухове или в Москве, но чуть сложнее. Писать только в личку, тут не флудить!

Все равно пофлужу, ветка все равно не такая живая как раньше:
Ещё бы пару фоток выложил пооблизываться: снаружи и изнутри. Потому как все равно далеко и считаю, что плату лучше изготавливать под конкретный корпус.
А вопрос с неперепродажей легко решается выниманием платы штатного кодера.

koler

Ещё бы пару фоток выложил пооблизываться: снаружи и изнутри. Потому как все равно далеко и считаю, что плату лучше изготавливать под конкретный корпус.

Да, было бы здорово. Подаю заявку на переделку сего девайса (кодер уже в процессе изготовления)

Aleksey_Gorelikov
Nick_Shl:

Ещё бы пару фоток выложил пооблизываться: снаружи и изнутри.

Даже мысли не появлялось, ибо это классика… Лет 10-15 назад почти все на ней летали ( ну были еще супранары и новопропы). Короче, Сигнал или MFFS, 7 каналка на 27мгц. Черный или черно-белый корпус ( у мну черный), два стика с тримерами поворотом резисторов +3 проп. канала - рычежками. Между стиками показометр. Плата (с вч на 27) - 190*45мм

ubd

Не советую этот СИГНАЛ. Конструкция джойстиков у них г… редкостное, слишком примитивное и с люфтами. У самого такой валяется, не знаю куда деть. На тот момент когда была в моде эта аппаратура, конечно, это было круто. Но если сравнить джойстики с какими ни будь, другими современными джойстиками, да же от самой дешёвой аппаратуры, то проще купить самый дешёвый 4-х канальный передатчик на 35 или 40 мгц, например W-Fly, или подобный, и в него встроить компьютерный кодер, используя уже готовый ВЧ модуль. Это будет, более похоже на устройство, которое может конкурировать со многими заводскими передатчиками, подобного типа.

valera_o

я такой Сигнал переделал в пульт для фмс. подрихтовал джои, вынял усб-контроллер из е-ская 0905 и вставил внутрь. для отработки автоматизма хватает, а корпус от е-ская применил для передатчика с кодером от Focus’а и вч-частью от граупнера214. Работает отлично.

Aleksey_Gorelikov
ubd:

Не советую этот СИГНАЛ. Конструкция джойстиков у них г… редкостное

Редкосное г. там только пластмассовая пимпочка, которая стирается. А в основном - жить можно… Пимпу можно из бронзы, к примеру сделать самому… И люфтов тогда не будет. В остальном - ящик как ящик.

А вот современная дешевая аппа - беда. У того же хайтек фокус 4 пластмасса на джоях - точно г… за 3 года на двух комплектах у знакомых растрескалась сама по себе… Циакрин не на долго помогает. Так что тут подумаешь, что лучше. С маленьким люфтом, или без управления… Насчет вфлу и прочих китайцев - нее знаю, мож там пластик и лучше…

graham

Продолжаю потихоньку собирать. Подключил LCD от Nokia 3410, прошил. И увидел пустоту… ничего не изменилось, даже не моргнул. Как можно продиагностировать живой экранчик или нет?
Посмотрел осциллографом на SCL и SDA проскакивают пачки импульсов, D\C примерно раз в секунду устанавливается в 0 и обратно, RST не меняется. Напряжение на месте.

ubd

у тебя скорее всего нет контакта на экране. Такие экраны есть двух типов. У одних контакты позолоченные и прямо на стекло нанесены. Можно к ним припаяться, и контакт будет 100%. Есть второй тип. Он продаётся с металлической оправкой, которая крепиться на паннель с клавиатурой из прозрачной платмассы. В прозрачной панели вставленна панелька с контактами одной стороной она прижимается к стеклу экрана, на этом стекле нанесены еле видимые дорожки, а другая часть этой панельки выходит на ружу. И к ней можно припаять провода. Но может не заработать, т.к. возможен плохой контакт, между стеклянныи экраном и панелькой с контактами. Лечиться, просто. Нужно прижать эту панельку пальцем и подать питание на схему. Должно заработать. В последствии, в корпусе передатчика, нужно позаботиться о прижатии этой панельки к экрану. Только осторожно, экран очень хрупкий. Я два сломал…
Об этом писалось на форуме.
Ещё писали что экраны могут попадаться дохлые. Но это реже.

graham

Экранчик в железной оправе, с панелькой.
Взял спичку, положил на контакты, придавил. При включении, экран моргает и снова пустота. При выключении иногда сверху тоненькая полоска.

vit
graham:

Экранчик в железной оправе, с панелькой.
Взял спичку, положил на контакты, придавил. При включении, экран моргает и снова пустота. При выключении иногда сверху тоненькая полоска.

Проверь FUSE у Atmega.

Судя по симптомам они не прошиты.

graham

проверил, устанавливал их исходя из приложенной картинки в архиве с версией прошивки 2.0

SVS

Если правильно зашил, должен пикнуть бузер и пикать при нажатии кнопок управления.
По экрану, пробуй прижимать черную колодку с контактами, должон работать, проверено

vit
graham:

проверил, устанавливал их исходя из приложенной картинки в архиве с версией прошивки 2.0

Попробуй поставить галку M103C

SVS

Ставить галку нерекомендую, Сам тупанул с нею, незаметил, потом убрал, и все завелось.

graham

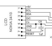
На плате ничего кроме минимума для запуска микроконтроллера (кварц, обвязка, стабилизатор напряжения, два кондера по 10uF, 22Ом на Vref) и разъемов под программатор и LCD. Fuses прошил как в CVProject_Final_v1_2.rar, Flash и eeprom взял из Coder_v2.rar. Прижимать пробую, не помогает. Выложите, пожалуйста, фотографии как у вас реализовано соединение к самому LCD. У меня получилось вот так.

vit:

Попробуй поставить галку M103C

Этот бит нужен только если прога под mega103 писалась, зачем он мне? 😃

SVS

Точно уверены что кондер тот, насколько Я помню он должон быть электролитик 1мк,
экран почти так, кондер меняй

ubd

Ну так же и у меня подключен LCD. Только прижать пришлось, иначе не показывал ни чего.

Может ты 1 вывод не там определил?

И посмотри, пикает ли пьезо-излучатель. При включении он должен пикнуть.

Раницы не должно быть, какой конденцатор. Лишь бы 1 мк. Хотя можно и поэкспериментировать. Но я уверен что разницы нет. Это не тот случай, где есть разница.

graham
SVS:

Точно уверены что кондер тот, насколько Я помню он должон быть электролитик 1мк,
экран почти так, кондер меняй

конденсатор поменял на электролит, не помогло

ubd:

Ну так же и у меня подключен LCD. Только прижать пришлось, иначе не показывал ни чего.

Может ты 1 вывод не там определил?

И посмотри, пикает ли пьезо-излучатель. При включении он должен пикнуть.

Раницы не должно быть, какой конденцатор. Лишь бы 1 мк. Хотя можно и поэкспериментировать. Но я уверен что разницы нет. Это не тот случай, где есть разница.

1й вывод я подписал маркером. На фотке видно плохо - провода закрывают. 1й у меня с той же стороны, где лаком на разъеме намазал.
завтра попробую пьезу подключить.

SVS

распиновка экрана, кр.точка 1 контакт
Все правильно , а подстроечники припаяны?
покрути их

ubd

Я же говорил, что нет разницы, какой конденсатор.

Причём тут подстроечники. Они на работу экрана не влияют.

SVS

один калибрует напр.бат. ,а второй Я непонял толком, поставил а нейтраль, но когда крутил один из них в крайнем положении гас экран 😕