Навигационные огни

jan

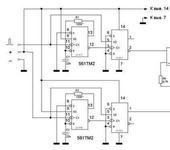
По просьбам трудящихся схема и плата в формате JPG.

JPG.zip

KATUAL

О, та же схема, а что то ча вторая микросхема поменьше? Транзистор?
Извиняюсь, думал вы на PIC-е сие собрали 😊

Morpheus
jan:

По просьбам трудящихся схема и плата в формате JPG.

По аналогичной схеме собрал выключатель накала.
На передатчике настроил трех-позиционный выключатель на сл. режимы :

  1. выключен всегда
  2. включен при положении ручки газа менее 50% (полеты на малом газу)
  3. включен постоянно (старт)

Активно используется.

jan
KATUAL:

О, та же схема, а что то ча вторая микросхема поменьше? Транзистор?
Извиняюсь, думал вы на PIC-е сие собрали 😊

Зачем PIC , если нужна только функция вкл/выкл, никакие стробоскопы тоже не нужны. Это все равно, что гвозди электродрелью забивать. 😋

KATUAL

Так и я о том же 😃
Показалось…

voraks
jan:

Попросили сделать такой девайс. Ничего нового не изобрел, но может кому и пригодится, тем более, что сейчас темнеет рано. 😁 Подключается на любой свободный канал. Питается как от приемника, так и от одельного аккумулятора.
Схема и печатка сделаны в DipTrace www.pcbdesign.us/rus/

Ваша схемка оказалась очень кстати 😃
Долго мучился с ПИКами, перепоганил наверное штук 5 безрезультатно 😦 .
После некоторых доработок вашей схемки под свои нужды получилось вот что:

Сделал 2х2 канала для светодиодов разных по вольтажу с регулировкой тока. Размеры платы получились 30(+8)х20мм.

7 days later
KATUAL

Итак, продолжается заседание “общества любителей логики” 😁
Пришла в голову идея, так сказать наш ответ PIC-ам, сделать БАНО многофункциональным, для начала реализовать функцию мигалки, для этого понадобиться свободный канал с трехпозиционнвм переключателем.

Идея: Два RC-свитча, один включается при среднем положении, второй при крайнем (первый остается включенным), далее второй запускает мультивибратор, далее элемент “НЕ” с двумя входами, тут я и споткнулся (не нашел нужную микросхему), далее транзюк и лампочки. Остался открытым вопрос об “НЕ” элементе, думаю идея понятна, может собрать его из других… идеально было бы использовать эту микросхему и для мультивибратора. В идеале все выходит в 3-4 микросхемы (зато как повышается самооценка 😁 .

Что скажут спецы?

Так же есть идея подобного устройства, с использованием счетчика>дешефратора, поставив паралельно тублеру кнопку, кол-ом нажатий выбираем нужный режим. вплоть до того, что в бано можно будет интегрировать и сирену для поиска. Ну это так, мысли вслух.

6wings

ваще-то есть светодиоды, которые сами мигают.
Хошь одним цветом, хошь разными.
Не подходит?

KATUAL

Да не, тут другое, можно мигать, а можно нет.
Конечно можно встроить и мигающий и немигающий, тогда две микросхемы заменяются на дополнительные провода 😃

voraks

Вот сотворил новый вариант, облагороженый 😃

теперь там 3 канала для 3-х вольтовых и 3 канала для 2-х вольтовых светодиодов,опять же с возможностью регулировки свечения (очень полезно если на канале висит несколько светодиодов)

Vic88
voraks:

Вот сотворил новый вариант, облагороженый :)

теперь там 3 канала для 3-х вольтовых и 3 канала для 2-х вольтовых светодиодов,опять же с возможностью регулировки свечения (очень полезно если на канале висит несколько светодиодов)

Я смотрю, у Вас нет отдельного плюсового провода. Это значит, что вся “гирлянда” питается от ВЕСа регулятора. При шести параллельных цепочках ток потребления будет 120 - 150 мА. А это сравнимо со средним током потребления одной машинки. Я все свои светодиодные цепочки подключаю плюсом напрямую к аккумулятору. При этом удобно использовать балансирный разъём - никуда “врезаться” не надо.
Всего наилучшего!
Виктор.

Vic88
KATUAL:

Итак, продолжается заседание “общества любителей логики” :grin:
Пришла в голову идея, так сказать наш ответ PIC-ам, сделать БАНО многофункциональным, для начала реализовать функцию мигалки, для этого понадобиться свободный канал с трехпозиционнвм переключателем.

Идея: Два RC-свитча, один включается при среднем положении, второй при крайнем (первый остается включенным), далее второй запускает мультивибратор, далее элемент “НЕ” с двумя входами, тут я и споткнулся (не нашел нужную микросхему), далее транзюк и лампочки. Остался открытым вопрос об “НЕ” элементе, думаю идея понятна, может собрать его из других… идеально было бы использовать эту микросхему и для мультивибратора. В идеале все выходит в 3-4 микросхемы (зато как повышается самооценка :grin: .

Что скажут спецы?

Ну, если для повышения самооценки…, то держите схему:

Номиналы, помеченные звёздочкой, подбираются по вкусу: пороги включения-выключения, частота мигания. Теперь паяльник в руки и - вперёд!
Удачи!
Виктор.

voraks
Vic88:

Я смотрю, у Вас нет отдельного плюсового провода. Это значит, что вся “гирлянда” питается от ВЕСа регулятора. При шести параллельных цепочках ток потребления будет 120 - 150 мА. А это сравнимо со средним током потребления одной машинки. Я все свои светодиодные цепочки подключаю плюсом напрямую к аккумулятору. При этом удобно использовать балансирный разъём - никуда “врезаться” не надо.
Всего наилучшего!
Виктор.

Вообще-то у меня там радышком с джампером стоит разъемчик для подключения бортового акку 😉
Если гирлянда большая, то можно запитывать от небольшого акку на 4,8В. Джампер переключает питание приемник/внешнее. А если убрать токоограничительные подстроечники, то нагрузку можно подключить до 30В и 13А (если я не ошибаюсь по даташиту силового ключа). Правда придется увеличить сечение дорожек на плате 😉 Иначе будет пшык 😈

2 months later
Byte

Люди, помогите по сабжу… Нужен супер-простейший RC-Switch для подключения 1 светодиода к приёмнику. На передатчике переключатель двухпозиционный. Мне нужно просто чтоб было ВКЛ и ВЫКЛ, никаких мигалок, никакого внешнего питания (думаю 1 светодиод не будет большой нагрузкой) вобщем ничего лишнего. С паяльником вроде давно знаком и нахожусь в хороших дружеских отношениях, но вот схему сам составить не могу… Я так понимаю схема из первого поста это и есть то что нужно, но тут пробегали фразы, что 2 микросхемы это лишнее итд…
Короче, если кто может составить такую простейшую схемку (или выкинуть лишнее из сабжа, например цепь доп. питания) буду очень благодарен…
Заранее спасибо.

benamur

У меня тоже собрано с этого сайта www.rc-cam.com/navlight.htm
Все работает, можно на посадочные огни повесить, что хочешь (реле, мощный транзистор и.т.д) и коммутируй на 5канале.
Есть еще пищалка, которая начинает пищать, когда пропадает сигнал от передатчика,
Так узнал что над головой на высоте ~ 60метров мертвая зона передатчик SANWA VG6000 до этого не понимал, почему модель начинала вести не туда.

Byte

Я так понял вот это самая простейшая схема… но вот тут возник вопрос: почему соединения к некоторым ногам микросхемы обозначены крестиком или кружком? Что это значит, и как это реализовать?

dmitryu
Byte:

почему соединения к некоторым ногам микросхемы обозначены крестиком или кружком? Что это значит, и как это реализовать?

Крестики и кружки обозначают назначение ног микросхемы (крестик - питание, кружок - инверсный выход).
При сборке схемы не обращайте на них внимания - смотрите только на номера ног.

Byte
dmitryu:

Крестики и кружки обозначают назначение ног микросхемы (крестик - питание, кружок - инверсный выход).
При сборке схемы не обращайте на них внимания - смотрите только на номера ног.

Спс, на выходных попробую собрать - потом отпишусь.

Byte

Собрал девайс - НЕ РАБОТАЕТ! Светодиод постоянно горит, не реагируя на комманды с пульта! По идее это значит, что транзистор всё время открыт… В чём тут может быть дело? Сам транзистор глючить может?
ЗЫ: Собрал точно по схеме , детали не перегревал, КЗ нигде нету… Странно…