Поделитесь схемкой индикатора бортового питания

JON

Нашел несколько схем на этом форуме. Пытался повторить каждую - результат отрицательный. Не работают, точнее работают но не так как надо. Причем почитав статьи
www.kkbweb.narod.ru/…/lm3914_15_16.htm,
rchobby.boom.ru/html/battest_ru.htm
понял что они как то противоречивы, про принцип работы LM3914, 3915,3916.
Пытался сделать еще и схему rcopen.com/files/421900ff9970730077159fc1 ,
Тоже не работает (в нужных диапозонах).
Не понятно почему у всех схем обсалютно разные значения резисторов, хотя схемы впринципе эдентичные, и все утверждают что они замечательно работают.
Может у кого есть схема с реальными номиналами и реально работающая ( без микроконтролеров)
Очень хочется сделать самому, фирменные есть.

Blaster
JON:

Нашел несколько схем на этом форуме. Пытался повторить каждую - результат отрицательный.

А у Вас “тестер” дома или на работе имеется ?
А не пытались ли Вы искать причину не работоспособности ?
(лично у меня, самодельного, ничего с разу не заработало, кроме “самодельного” фонарика … )
Без иронии !

Antenboy_E
JON:

Нашел несколько схем на этом форуме. Пытался повторить каждую - результат отрицательный.

Тоже не работает (в нужных диапозонах).
Не понятно почему у всех схем обсалютно разные значения резисторов, хотя схемы впринципе эдентичные, и все утверждают что они замечательно работают.
Может у кого есть схема с реальными номиналами и реально работающая ( без микроконтролеров)
Очень хочется сделать самому, фирменные есть.

Будет вам схема!

Напишите сколько банок и напряжение 100проц и 0проц заряда, десятипороговая индикация состяния я смотрю вас устраивает.

Будет и печать.

Евгений

BigDaddy
JON:

Пытался сделать еще и схему rcopen.com/files/421900ff9970730077159fc1 ,
Тоже не работает (в нужных диапозонах).

Индикатор по такой схеме у меня собран и работает. Но! В схеме есть ошибка - это раз, и номиналы получились после длительной подборки совсем не такие - это два.
У меня R6=1,22k, R5=49,1k и R4=945om.

ANDY_V

В доках к микрухе есть формулы для расчёта номиналов. Пересчитал под себя и всё работает.

JON
Blaster:

А у Вас "тестер" дома или на работе имеется ?
А не пытались ли Вы искать причину не работоспособности ?
(лично у меня, самодельного, ничего с разу не заработало, кроме "самодельного" фонарика … )
Без иронии !

Эсть у меня тестер, конечно.
Но я писал, что схемка работает, только не коректно. Т.е. резисторы подобраны не правильно.
Я использую LM3914N , она дает линейную зависимость, вроде все просто. Надо только подобрать резисторы, чтоб правильно выбрать диапазон и шаг.
Вот с этим и проблемма. На всех схемах (приведенных на этом форуме) значения резисторов отличаются в разы а то и на порядки, Но авторы пишут что все прекрасно работает.
У меня проблема заключается в правильных значениях резисторов.
Если кто может расчитать эти значения, помогите пожалуйста.
Нужны параметры для 5 и для 4 банок NiCD .
Вот схемка которую повторял последней, если можно подкоректируйте зачения

Володимир:

А наборы Мастер-Кит в Питере продают?

Не знаю, может и продают. Но там совсем другое входное напряжение, это раз. Значит опять надо все пересчитывать.
А во вторых , этот набор имет цену уже готового индикатора борта, и гораздо большую чем уже готовый индикатор для автомобиля.

BigDaddy:

Индикатор по такой схеме у меня собран и работает. Но! В схеме есть ошибка - это раз, и номиналы получились после длительной подборки совсем не такие - это два.
У меня R6=1,22k, R5=49,1k и R4=945om.

Эти сопротивления для скольки банок? И и где там ошибка?

JON
ANDY_V:

В доках к микрухе есть формулы для расчёта номиналов. Пересчитал под себя и всё работает.

Наверно где то все это есть , и наверно это все возможно. Впринципе наверно нет ничего не возможного.
Но сам электроникой никогда не занимался и наверно уже не буду, поэтому потратить несколько дней для изучения работы этой микросхемки …
Да и мозги уже не держат перегрузок - скрипят и быстро перегреваются.
Да и вы наверно когда учились летать не покупали себе умных книжек , типа аэродинамика, основы пилотирования ЛА и не поступали в авиационый институт, а пришли на поле спросили - и получили необходимую информацию. Ну или запустили симулятор, хотя без вопросов на поле думаю все равно не обходится.
Вот и я пытаюсь так же получить нужную мне информацию ( самым простым для меня путем)

ANDY_V
JON:

Наверно где то все это есть , и наверно это все возможно. Впринципе наверно нет ничего не возможного.

Вот описание индикатора с формулами . Я по нему собирал и пересчитывал.

Hotchek.rar

JON

Спасибо. Попробую эту схемку.
Только не понял, что там пересчитывать, там даны номиналы для 4, 5, 8 , 10 банок.
Буду надеяться что они реальные.

Volante24
ANDY_V:

В доках к микрухе есть формулы для расчёта номиналов. Пересчитал под себя и всё работает.

Попытался найти описание этой LB3914 – не получилось. Не могли бы Вы кинуть datasheet на нее?

Заранее спасибо.

SAN

LM3914
Только там зарегистрироваться надо.

Volante24
SAN:

LM3914
Только там зарегистрироваться надо.

Спасибо, взял datasheet оттуда. Полезная штука, но вроде ее никто у нас не продает! Во всяком случае, я не нашел. Или не там искал? Наверное, National Semiconductor не единственный производитель таких драйверов. Может, кто знает какие другие, которые свободно продаются?

SAN

Ну почему же не продает?
Вот
В ПИтере ЧипДип тоже есть.

BigDaddy
JON:

Эти сопротивления для скольки банок? И и где там ошибка?

Я собирал индикатор для 4-х банок. На схеме лишняя перемычка между первой ногой микросхемы и нижним выводом резистора R1. Т.е. на первой ноге должен быть только светодиод.

Volante24
SAN:

Ну почему же не продает?
Вот
В ПИтере ЧипДип тоже есть.

Виноват! На схеме в посте 7 написано LВ3914, вот я его и искал – немудрено, что ничего не выходило! Только сейчас понял, что смотрел не то.

JON
BigDaddy:

Я собирал индикатор для 4-х банок. На схеме лишняя перемычка между первой ногой микросхемы и нижним выводом резистора R1. Т.е. на первой ноге должен быть только светодиод.

Странно, но на схемеи Hotchek.rar есть аналогичная перемычка с резистором. А там вроде промышленная схема.
Хотя именно на эту перемычку я и грешил, потому что первый светодиод горит постоянно.
Теперь вообще не понимаю, на основе какой схемы паять. На одной схеме 100кОм на другой 2,21 кОм,- на мой взгляд большая разница.

Red_cat

Я конечно дико извиняюсь, может все дело в том, что хочется сваять самому но вот здесь это стоит 4$ + 3$ авиапересылка и будет Вам счастье 😃

Volante24
Red_cat:

Я конечно дико извиняюсь, может все дело в том, что хочется сваять самому но вот здесь это стоит 4$ + 3$ авиапересылка и будет Вам счастье 😃

Чего-то я слегка неуверен, когда вижу такие цены за пересылку из Америки в Россию. За что-то они ведь работать должны, а еще же им таможенные декларации писать для First Class International – с конвертом им дороже выйдет. Но вообще, если это правда, то неплохо. Конечно, только 7 LEDов против 10, на другие напряжения – нужно внутрь лезть, но если брать десяток, так что $40+3$ авиапересылка, то это действительно было бы неплохо, не дороже, чем самому паять.

Red_cat
Volante24:

Чего-то я слегка неуверен, когда вижу такие цены за пересылку из Америки в Россию.

Вот здесь расценки по почтовой пересылке “International Air Mail ($65 Limit) 0 - 100gr $3.09”

Лично сам заказывал себе интересный девайсик, так они вежливо так говорят: у вас до разрешенного веса в 100 гр есть еще запас в 88 гр. И выдали так товар на этот вес. Ну пришлось прикупить еще коннекторов 20 шт. (в смысле 10 пар) обошлись еще в 10 енотов. Не горюю, в магазинчике такие пара стоит около 4 - 5 долларов, а тут 10 по 1. Сижу вот жду посылку. Жалею что пожадничал 2 енотика и не заказал регистеред маил, его вроде трэкинговать можно.

Volante24
Red_cat:

Вот здесь расценки по почтовой пересылке “International Air Mail ($65 Limit) 0 - 100gr $3.09”

Лично сам заказывал себе интересный девайсик, так они вежливо так говорят: у вас до разрешенного веса в 100 гр есть еще запас в 88 гр. И выдали так товар на этот вес. Ну пришлось прикупить еще коннекторов 20 шт. (в смысле 10 пар) обошлись еще в 10 енотов. Не горюю, в магазинчике такие пара стоит около 4 - 5 долларов, а тут 10 по 1. Сижу вот жду посылку. Жалею что пожадничал 2 енотика и не заказал регистеред маил, его вроде трэкинговать можно.

Личный опыт – к этому я более серьезно отношусь, а их таблицу – как и американской международной почты – я и сам изучил, не велика премудрость. Так что отпишитесь народу, когда получите, пожалуйста (у нас принято от лица народа говорить!)

А вот что мне у них понравилось – так это LiPo для трансмиттеров по разумной цене $27, 2500mAh! Еще немного, всего пара баксов вниз, и я созрею, достали меня эти NiMH!

JON

Проблемма не с покупкой ( можно и в России купить по 200руб). В первом посту я уже писал что имею несколько фирменных индикаторов.
Хочется именно самому сварганить работающую вещицу ! Вот такая вот причуда.

Antenboy_E

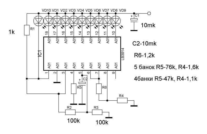
Вот схема для пяти банок никеля:

Индикация линейкой, LED ф3 мм яркие, на пониженном токе, полное потребление 20… mA, точно не помню, порог если нужно уточню.
Резисторы перед впаиванием проверялись на разброс по минимуму.

У меня с таким посуда бензиновая бегает. Светит - видно хорошо в солнечную погоду, когда пасмурно прямо слепит 😎

Евгений

Volante24
Antenboy_E:

У меня с таким посуда бензиновая бегает. Светит - видно хорошо в солнечную погоду, когда пасмурно прямо слепит 😎
Евгений

А какие цвета светодиодов? Вообще-то нужно больше для летающей, чем для бегающей.

JON

[quote=Antenboy_E;631367]
Вот схема для пяти банок никеля:

Я конечно не большой спец, но не понятно для чего стоит два последовательно резистора R1 и R2 .