2а регулятора паралельно по шотке
как будет выглядеть проблема?
скорей всего будет маленький ПЫХ 😃 идымовую шашку ставить не надо будет,а регули не из дешевых;)
скорей всего будет маленький ПЫХ 😃
Причина?😎 Я утверждаю, что ничего не произойдет, переубедите!😉 Никак не могу добиться вразумительного ответа.😈 Хотя бы кто-то может сказать, что когда то у него электроника выгорела именно по этой причине?
У меня работают два импульсных бека(один встроенный, другой внешний) по такой схеме на трех самолях без ПЫХа!😛
я имею ввиду если соеденить все провода от обоих регулей через Y без каких либо переделок,то возможен конфликт регулей между собой.так надеюсь будет более понятно,или я не прав?
или я не прав?
Скорее всего да
Нарисуйте выходные каскады включенные в параллель и думаю что и так всё сразу уведите
О вреде диодов
На первой “схмке” просто повтортиель на второй схема с диодом.
Ничего общего не замечаете?
А вот и ответ на мой вопрос!
Подключение источников с разными номиналами может привести к перекосу распределения мощности между блоками и, как следствие, возможной перегрузке какого либо из блоков.
Ведь в разных блоках могут стоять разные диодные сборки, разные дросселя групповой стабилизации и конденсаторы. Может, даже, в одном блоке стоят дополнительные дроссели по питанию, а в другом - нет. Частоты блоков и текущие длительности импульсов ШИМ, так же, могут отличаться. Всё это определяет выходное сопротивление каждого блока. Если эти сопротивления окажутся сильно разными, то на предельных токах нельзя будет получить равного распределения выходной мощности между блоками. Значит, один блок будет выдавать большее напряжение, чем другой. Перекос мощности, конечно же, скажется на надёжности работы. Но насколько опасен, такой перекос, сказать трудно, так как слишком от многих факторов он зависит.
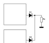
Параллельная работа блоков питания.
Часто рекомендуют при параллельном подключении блоков питания использовать включенные последовательно с каждым блоком диоды, которые предотвратят токи перетекания. Но условия равенства их выходного напряжения (максимальной близости) сохраняется.


Здесь необходимо учитывать, что выходное напряжение такого БП меньше на 0,3 -:- 0,8В (падение напряжения на p-n переходе диода при его прямом смещении) чем у БП без защитных диодов. Как видно из величины потери напряжения использовать эту схему для параллельного соединения отдельных БП не экономично. Велики потери мощности.
Ну это все из интернета, я думаю довольно доходчиво написано, кстати падение напряжения на диодах Шоттки 0.3-0.4В а с этим теряется смысл внешнего BEC как 6В источник питания для серв, короче выход такой, без диодов на свой страх и риск если необходимо питать сервы 6В и нагрузка на внешнем BEC не превысит допустимую для этого BEC (если превысит то будет это “КОНФЛИКТ”, а что произойдет даже гуру не знают), с диодами если 5.5В для вас достаточно, походу это самая надежная схема, без страха и риска выдергиваем красный провод и спокойно летаем на внешнем BEC ни о чем не заморачиваясь.
У меня есть два источника питания на борту. БЕК1 - можно регулировать выходное напряжение плавно, БЕК2 - либо 5В, либо 6В. Задача такая - реализовать схему питания таким образом, что бы основная нагрузка легла на БЕК2, а БЕК1 “включался” в работу только, если нагрузка сильно увеличивается.
Если я на БЕК1 выставлю выходное напряжение 5.9В, на БЕК2 выставлю 6В, поставлю последовательно по диоду шоттки - получится задуманное?
получится задуманное?
У диода Шоттки прямое падение напряжения- около 0,2 вольта…
Оно слегка изменяется в зависимости от тока нагрузки.
Т.е. выставлять надо 5,8 и 6в.
Но лучше-замерить под нагрузкой, сколько точно падает.
Прямо на самом диоде.
если превысит то будет это “КОНФЛИКТ”, а что произойдет даже гуру не знают
Ну, почему же “не знают”?
Диоды затем и вешаются (схема называется "монтажное “ИЛИ”), чтобы при разных напряжениях на выходе БЕК ов они не начинали “давить” друг друга, поскольку обратная связь, имеющаяся в каждом регуляторе не понимает, с чего на выходе (к примеру) на 0,3 в больше, чем должно быть по её разумению и начинает “поддавать жару”, пытаясь выставить нужное ей напряжение.
Поскольку и ОС в другом БЕК е занимается тем же, то и ставятся диоды для развязки.В этом случае БЕК видит только то напряжение, которое у него на выходе.
У диода Шоттки прямое падение напряжения- около 0,2 вольта… Оно слегка изменяется в зависимости от тока нагрузки. Т.е. выставлять надо 5,8 и 6в. Но лучше-замерить под нагрузкой, сколько точно падает. Прямо на самом диоде.
Не понял, а зачем?
По моей идее - после каждого бека по диоду. Т.е. приходить будет 5.7В и 5.8В. Ну суть даже не в напряжении, могу и поменьше поставить - не проблема. Мне главное понять принцип, получится ли таким образом реализовать задуманное? На сколько я понимаю - да, но мнение более опытных коллег тоже хочу знать, т.к. не достаточно силен в электронике, нужна страховка.
При одинаковом напряжении оба БЕКа будут работать параллельно, то есть поделят нагрузку по братски. Если будет разное напряжение БЕКов, будет работать только БЕК с большим напряжением, БЕК с меньшим будет заперт, при увеличении нагрузки будет увеличиваться падение напряжение на диоде, при определенном токе нагрузки напряжения на БЕКах сравняется и в работу вступит БЕК2.
По идее должно работать!
Гуру поправят если, что не так!
Подключение источников с разными номиналами может привести к перекосу распределения мощности между блоками и, как следствие, возможной перегрузке какого либо из блоков.
ИМХО
1 диоды в данной схеме опасны поскольку из-за их пускай небольшого сопротивления при работе нагрузки появляется помеха которая в общем не улучшает работу аппы.
2 В большинстве случаев когда нужно от двух регов зпитывать аппу можно разделить нагрузку по бекам соответственно их возможностям.
3 Если нагрузка настолько велика что её не могут переварить 2 бека (20W) то существуют куда более безопасные решения как то внешние беки пауэрбоксы и ли аналочные устройства.
PS
Видимо мой “прикол” попал на очень плодородную почву, коль народ уже больше двух лет на полном ерьёзе обсуждает эту тему.
что за прикол-то? второй раз уже об этом пишите
Видимо мой “прикол” попал на очень плодородную почву, коль народ уже больше двух лет на полном серьёзе обсуждает эту тему.
Интересно узнать, что за прикол? Если это по поводу двух согласующих диодах, так об этом известно лет двадцать по крайней мере, в инете статей не меряно как подключать параллельно источники питания, но все эти хорошо работающие схемы требуют навыков электронщика, которыми многие тут не обладают, а впаять два диода сможет любой, но возникают вопросы а настолько ли это все хорошо работает, а может есть другие альтернативы, поэтому обсуждать это мы будем еще долго, самое главное, что решения находятся.
Интересно узнать, что за прикол?
“Прикол” это установка тех самых диодов.
На самом деле изначально рассматривалась схема с возможностью использования бека и бортового акка хотя честно говоря даже такая схема на мой взгляд не нужна.
Потом просто ради первоапрельской шутки создали тему (которую в последствии удалили) вот а ней с серьёзным лицом и была высказана эта “идея” продолжение в этой и многих других темах.
Вы лучше на первое апреля пошутите перед своими родственниками , сказав им , что эти провода не подключены к розетке , суньте их себе куда нибудь)) По вспышке из глаз они поймут где надо смеяться…А в целом развязка диодами имеет право на жизнь, важно помнить о запасе по напряжению и току для диодов, если совсем правильно, то нужны балансные соротивления, роль которых могут выполнять силовые провода в принципе.Всех с наступающими))))))😉
А в целом развязка диодами имеет право на жизнь
Только в качестве первоапрельской шутки или как примера абсолютно бесполезного наворота.
Да хватит Вам путать пилотов -диоды необходимы,если вдруг один из регуляторов напряжения сгорит с коротышом или обрывом по питанию на выходе,то второй будет работать в нормальном режиме благодаря развязке на диоде.Лично использую на коптере питание на приемник с двух регуляторов через диоды,на всякий случай.
диоды необходимы
Не ожидал что эта моя шутка окажется такой живучей.
Может это вас разубедит
И что это…? Объяснение будет или это очередной вброс? Картинку вы уже постили, как и про вашу шутку. Неужели вы правда верите, что именно вы изобрели диодную развязку?
Неужели вы правда верите, что именно вы изобрели диодную развязку?
Зачетно!
если вдруг один из регуляторов напряжения сгорит
А если он сгорит на одномоторном?
И что это…?
Некоторого сходства не замечаете?
Если словами то между диодом и сервой при работе сервы возникает пульсация и причём не хилая в зависимости от потребления сервы до 0,5V говорят параллельно серве ещё куча других потребителей и питание которое может качаться на пол вольта явно будет “способствовать” “повышению” “надёжности” и “стабильности” работы.
ИМХО
Намного лучше распределить нагрузку на беки на каждый свои потребители, или просто поставить отдельный бек нужной мощности.
На моделях большого размера вообще можно борт ставить, на кторый можно вполне организовать зарядку от бека хотя даже такая схема честно говоря зауши притянута