Переключение кнопок на камере по сигналу с пульта без серв = как?
Возникла у меня мысла переделать Каркам Q2(и его клоны…) в FPV камеру.
Собственно с точки зрения переделок = минимум
а)покупка и установка нормального объектива мпикс. разрешения(народный Beward 3.6/1.8 с ИК фильтром)
б)вынос блока матрицы в напечатанном корпусе на гибком шлейфе ZIF 40 pin .5мм шаг
А вот дальше затык.
На основном блоке есть кнопки,в частности кнопка переключения режимов - Фото или Видео и кнопка спуска(начало/прекращение съемки видео и съемка фото соотв,в зависимости от режима)
Хочется сделать так,чтобы эти кнопки срабатывали по сигналу с пульта но БЕЗ использования сервомашинок,т.е. к противоположным контактам кнопки подпаиваемся и нужно,чтобы в момент передачи сигнала с пульта эти контакты замыкались.
Вопрос - КАК??
“… ну, вы, барин, задачку задали…” (С)
Используйте подходящий RC-Switch… . Не?
Да,пожалуй это мысля)
Цена,правда,негуманная,но…
идея
плата от сервомашинки,по сути,это и есть такой переключатель…
облом,плата от сервы не катит)
Тут возникает проблема развязки между кнопками (внутренним питанием камеры) и бортсетью. Эту функцию хорошо выполняют обычные или твердотельные реле. Если на кнопках чистое постоянное напряжение то вполне подойдет транзисторная оптопара. Управлять всей этой “музыкой” можно обычным килсвитчем коих великое множество
Если на кнопках чистое постоянное напряжение то вполне подойдет транзисторная оптопара
😃
облом,плата от сервы не катит
Катит. Добавить пару резюков, и, возможно диодиков.И оптопару. Для электронщика, живущего на “трупах” всякой электроники-вопрос одного часа. Серьёзному моделисту-заказать и дождаться спецдивайз. «jedem das seine», да простят меня жертвы фашизма.
Я не настолько продвинут пока.
Да,замерил напряжение на кнопках -2.5в
Что касается платы сервомашинки - если тестером прозванивать контакты при палатке,подключенной к приёмнику то на контактах сигназ входа и - выхода к потому сервы есть сигнал при переключении кнопки на пульте,напряжение в этот момент там 4.77в,при кнопке в исходном положении 0.15в Т.е. если повесить оптопару - то прокатит?
Ставим выходной вал сервы в среднее положение.
Отпаиваем провода от мотора.
Теперь, при отклонении ручки, на этих проводах будет появляться напряжение в полярности зависящей от направления отклонения ручки и величиной, пропорционально углу отклонения.
Берем 2 оптопары, ихние светодиоды(входа) соединяем встречно-параллельно, и через резистор 300-1000 Ом(зависит от конкретноя оптопары) припаиваем вместо мотора.
Теперь в среднем положении оба транзистора в оптопарах будут закрыты, а вправо-влево - один или другой открываться будут.
Оптопара - это слишком универсальное решение. Если питание предполагается общее, а у кнопок один из выводов висит на массе (общий минус питания),
то вместо оптопары можно обойтись одним резистором и транзистором.
Попробуйте в выключенном состоянии замерить сопротивление между массой и проводами, идущими на кнопки.
Еще, как вариант, на выход сервоусилителя можно подключить подходяшее миниатюрное 5-Вольтовое герконовое реле - получится полный аналог кнопки. И по сопротивлению контактов, и по отсутствию необходимости разбираться с полярностью включения.
Кнопки регулярно делают “аналоговыми”, чтобы сэкономить ноги проца и не ставить сдвиговые регистры.
Т.е. каждая кнопка закорачивает/обрывает резистор так, чтобы изменение напряжения от включения соседних кнопок отличалось вдвое.
Выход всей этой конструкции заводят на вход АЦП проца, а там каждый бит результата - это состояние соответствующей кнопки.
При таком раскладе геморра будет больше, зато можно будет управлять сразу всеми кнопками по одному проводу.
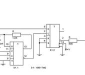
только что писал то же самое в соседней теме.
схема не моя, вот первоисточник.
в место транзистора ставим оптопару и готово.
Если вдруг не упоминалось еще: для мыльниц Canon есть замечательная прошивка CHDK. С помощью нее управление спуском сводится к кратковременной подаче напряжения на плюсовой вход USB разъема фотоаппарата. Проще не придумаешь.
Так, а почему не подойдет обычное рэлле? Пропустить сигнал с канала через Фнч, далее на простейший оу и в рэлле. Все вроде считается элементарно…
Оптопара или твердотельные реле решают проблему, реле можно включать как угодно, оптопару придётся ставить правильно. Ну и ессно нужен рц свиты на пару выходов. Те как выше и написали.
ардуино мини и транзистор.
тока вместо серв можно подпаятся на кнопки. мы читаем 1 канал и в зависимости положения стика нажимаем кнопочку с авиа аппой проще. каналово побольше
Те как выше и написали.
rcopen.com/blogs/99365/19080
Все уже украдено до нас 😃
hobby.msdatabase.ru/…/letausij-paparaci
6 дискретных каналов вместо пропорционального