Делаем из простого приемника Продвинутый-3 или универсальный модуль управления и индикации.
накопал за вечер только что на приёмнике с bevrc усилитель на ne592, и то без схемы
Спасибо,буду разбираться.
подобрал пару вариантов микросхем NJM2267 и NJM2561F1 взгляните пожалуйста, подойдут? 2561 со встроенным фильтром.
По сути там сигнал с модуля через режекторный фильтр 5.5 мгц
в даташите bss479laidf пишут -Input C/N =14dB (noise BW 27MHz)
white 100% video 16MHz p-p PAL
with audio subcarrier modulation
3.4MHz p-p DEV. @6.5MHz positive
video amplifier with de-emphasis should
be applied 100Hz~5MHz unweighted SN
FOR:power on reset indicator
фильтр брать 5.5 или 6.5 МГц?
Фильтр нужно брать на частоту, на которой поднесущая звука.
Какие знаю передатчики- у всех поднесущая звука на 5.5 мгц.
2561 со встроенным фильтром.
Этот фильтр не режекторный, поднесущую звука он не устранит.
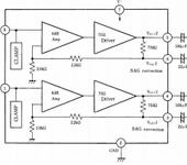
По поводу микросхем- усилителей видеосигнала:
по мне на транзисторах проще. Они есть в наличии всегда. А к усилителям еще нужно куча обвязки.
В аппаратах, выпускаемых миллионными тиражами- и там видеоусилители на транзисторах.
В канале видео вроде как я использовал XT5,5MB www.quartz1.com/price/model.php?group=440&mark=XT5…
Ребят! приветствую! можно в этой теме спрошу- купил на барахолке видео приемник 1.2 на базе модуля www.readymaderc.com/store/index.php?main_page=prod…
так вот там F разъем и не могу подобрать антену с таким разъёмом( подскажите возможно ли поменять сам штекер на модуле под антену с F на например RP-SMA ?т.к есть такие настроенные антены
пробовал с таким переходником www.ebay.com/itm/…/362126587862 -плохо( на 500м уже сильные помехи(
на другом приемнике эти антены только без переходника 5км до первых помех
тут точно не в переходнике дело. Они нормальные- из за них проблем не должно.
Единственно проверить, не разбито ли гнездо в F-разъеме.
У меня тож приемник с F разъемом и с переходником на 8 км летал.
проверить, не разбито ли гнездо в F-разъем
а как проверить это гнездо? и вопрос про перепайку штекера на другой возможен если F разъём разбит?
Посмотреть, проволочка как в него входит, диаметром как и штырек.
Я б не перепаивал.
Я вообще антенны делаю с F-разъемом и с RG6 кабелем. Потерь много меньше. Антенну можно спокойно за метра 3 относить.
а как проверить это гнездо?
заглянул в разъём-вроде все в порядке,центральный штырек переходника плотненько входит в F маму на приемнике
Да, необходимы. Это обратная связь, которая, ну если на пальцах: при достаточно малых значениях разделительных кондеров обеспечить необходимую полосу пропускания видеосигнала. Те кондеры, что вы указали, не сильно повлияют на качество, ставьте смело эти номиналы, все будет ОК
Немного отчитаюсь. Собрал, всё работает замечательно , огромное спасибо всем кто помогал и конечно Панкратову Сергею. Делал из того ,что было под “рукой” и навесным монтажом чтоб попроще, купил только микруху видеоусилителя njm2267 тк. оказалась рядом в магазине. НЕХ залил через USBASP без бутлоадера( не дружу я с ним). цифровая часть схемы как у автора, на RSSI повесил ёмкость 0.22мкф дабы дисплей успевал показывать последний знак RSSI. Видеоусилитель как писал на njm2267 . Входной дроссель был просто подобран (ненаучным путём) ,режекторный фильтр 5.5мгц от элт телевизора. Использовал оба усилителя микросхемы последовательно через ёмкость 22 мкф, выход через ёмкость 1000мкф SAG коррекцию не использовал. Конечно возможны ошибки, но картинка (на 32" телеке) в результате такая же как на приёмнике с BEVRC. Звук не делал. Потребление 250 ма ,батарея встроенная , должно хватить часов на десять.
Дисплей вполне легко читается метров с трёх (потому и был выбран) ,на мой взгляд вполне достойный экранчик,особенно если приёмник находится на мачте (например) .показалась немного неудобным, выбор частоты при смене канала (процесс несколько затянут), но это не сильно критично для меня.
Ну и пара картинок

