Как сделать громче звук на танках Хенг Лонг с платой RX-18.
По просьбам читателей даю краткую инструкцию.
1.Первым делом нужно подобрать динамик максимально возможной мощности и максимального размера, который только влезет в вашу модель.
Размер рупора динамика в данном случае имеет значение! 😉
Если сделать для НОВОГО динамика коробку из фанеры, то звук будет еще громче.
(прим.) Старый динамик 0,25Вт при этом летит фтопку, ничего из него не выжмешь!
fotki.yandex.ru/users/tankoman/view/404433/
Можно взять два динамика. Обратите внимание на мощность 2*3Вт!
fotki.yandex.ru/users/tankoman/view/406827/
…продолжение следует…
Сергей ждём с нетерпением и нетерпение ждёт тоже 😃
Далее, самое простое что можно сделать.
Это подключить нофый большой динамик, непосредственно к тому же разъему, где был включен старый.

Но ожидаемого эффекта ОГРОМНОГО увеличения громкости не получится.
На плате находится микросхема усилителя громкости (УНЧ) на фото цифра2
Название схемы УНЧ типа LM386N-1 PDIP8 выходная мощность 0,35Вт.
Можно подключить динамик хоть на 1000000Вт но громче чем 0,35Вт на выходе не будет!!!
К фоткам я бы добавил бы только
-
Динамики надо искать не столько с бОльшей мощностью при данном размере, сколько с бОльшей акустической отдачей по звуковому давлению на подаваемый 1 Ватт мощности при том же размере. Но, к сожалению, сейчас редко какой производитель, а уж торговец - точно - дает этот параметр динамика в технических данных. Поэтому - главный показатель - размер и, если не ставить дополнительный усилитель и дополнительные акки для усилителя звука - то сопротивление и мощность нового динамика должны быть примерно (мощность - чуть больше) такими же, как и у штатного, а вот диффузор - чем больше - тем лучше.
-
При использовании отдельного (дополнительного акка) можно оторвать питание штатного усилителя 18 платы и подать с доп вольт добавкой, мощность и громкость возрастет - но при этом - надо будет обеспечить микросхеме УНЧ - дополнительный теплоотвод - как это сделано на платах Пилотажевских танков . При этом - все изменения - порезать одну дорожку и вместо нее бросить проводок на доп акк. Ну и … радиатор для микросхенмы
Сергей я дико извиняюсь!
1.Первым делом нужно подобрать динамик максимально возможной мощности и максимального размера, который только влезет в вашу модель.
(прим.) Старый динамик 0,25Вт при этом летит фтопку, ничего из него не выжмешь!
обращаю ваше внимание на то сколько динамик Ом
Название схемы УНЧ типа LM386N-1 PDIP8 выходная мощность 0,35Вт.
Можно подключить динамик хоть на 1000000Вт но громче чем 0,35Вт на выходе не будет
для информации - параметры LM386
Uпит=5-15вольт
Rн=8ом
Pвых(мах)=3Вт
Существует 3 модификации микросхемы:
LM386-N1 300mW
LM386-N3 500mW
LM386-N4 700mW
Проще обвязку поменять на плате, чем городить второй усилитель
схема включения с коэффициентом усиления 200

Забыл добавить.
Операции потребуют умение обращаться с паяльником, а
так же изучение технических характеристик и описаний микросхем УНЧ.
www.chipdip.ru/catalog/ic-lf-amps.aspx
…У лиц страдающих паяльникофобией возможны приступы тошноты, рвоты, непроизвольные судороги и диария (шутка) 😉
Поэтому предлогается более простой вариант.
Подобрать новый готовый усилитель.
www.chipdip.ru/catalog/show/bass-amps.aspx?gq=УНЧ
или
www.masterkit.ru/main/bysearch.php?search=���
С подбором нового усилка нужно быть ОЧЕНЬ ВНИМАТЕЛЬНЫМ.
Как выяснилось, подавляющее большинство усилителей рассчитано на НАМИНАЛЬНОЕ напряжение 12 В, хотя «наимудрейшие» дилеры заявляют напряжение питания в широких пределах от 6 до 18…24 В.
Естественно, что при 7,2В выдаваемая мощность будет меньше, но не в два раза, как это можно было бы подумать, а практически в четыре. Самый простейший выход это поставить второй аккумулятор, соединить последовательно с первым, получив 14 вольт и запитать этим напряжением НОВЫЙ усилитель
700mW=0,7Вт - мало
Нужно НЕ МЕНЕЕ 5Вт на выходе, как в Тамии.
Подавляющее большинство усилков расчитено на динамики сопротивлением 8 Ом.
Продолжение следует…
а возможно ли это сделать как то попроще без второго аккума? ага так почему же в тамии так орут динамики? там что тоже усилок?
Тамии в руках - не было, поэтому как там это сделано - не знаю. Но
Можно и без второго акка. Есть микросхемы и готовые платы на них ( в продаже) , которые из входного напряжения постоянного - делают выходное постоянное в заданное количество раз больше. Другой вопрос с КПД и потребляемыми токами. Может и дешевле, и легче - второй акк поставить.
Забыл добавить.
Операции потребуют умение обращаться с паяльником, а
так же изучение технических характеристик и описаний микросхем УНЧ.
www.chipdip.ru/catalog/ic-lf-amps.aspx
…У лиц страдающих паяльникофобией возможны приступы тошноты, рвоты, непроизвольные судороги и диария (шутка) 😉Поэтому предлогается более простой вариант.
Подобрать новый готовый усилитель.
www.chipdip.ru/catalog/show/bass-amps.aspx?gq=УНЧ
или
www.masterkit.ru/main/bysearch.php?search=���С подбором нового усилка нужно быть ОЧЕНЬ ВНИМАТЕЛЬНЫМ.
Как выяснилось, подавляющее большинство усилителей рассчитано на НАМИНАЛЬНОЕ напряжение 12 В, хотя «наимудрейшие» дилеры заявляют напряжение питания в широких пределах от 6 до 18…24 В.
Естественно, что при 7,2В выдаваемая мощность будет меньше, но не в два раза, как это можно было бы подумать, а практически в четыре. Самый простейший выход это поставить второй аккумулятор, соединить последовательно с первым, получив 14 вольт и запитать этим напряжением НОВЫЙ усилитель700mW=0,7Вт - мало
Нужно НЕ МЕНЕЕ 5Вт на выходе, как в Тамии.
Подавляющее большинство усилков расчитено на динамики сопротивлением 8 Ом.Продолжение следует…
тут вопрос
усилок первичный уже есть, и подобрать второй без искажения звука, придется к танку еще тележку цеплять, с платой звука, вентиляторами и аккумуляторами, и про питание не забывайте в танке 7,2-7,4 Вольта, только у меня 14,4 Вольта (2 LiPo)
не все усилки на 8 Ом , есть на 4 Ом, 16 Ом, 32 Ом
у ТАМИИ реальные 5Ват или все же реактивные (в момент нагрузки 1.5 мс)
т.е. вы считаете что 0,7Ват для танка это мало, вы хотите заглушить стадион?
а возможно ли это сделать как то попроще без второго аккума? ага так почему же в тамии так орут динамики? там что тоже усилок?
без второго акка можно, поставить преобразователь, но, сами то разберетесь что и где на плате RX18 резать и куда напряжение подавать?
Тамию в руках не крутил, но думаю там просто микросхема в ключевом режиме, а не как у китайцев, лишь бы работала.
Вопрос об увеличении громкости звука возник от того что при совместных боях и покатушках «японцы» (тамия) полностью заглушает «китайцев» (хенг лонг).
Реальная мощность динамика у Тамии именно 5Вт. Причем при езде с максимальной громкостью заметна повышенная разрядка аккумулятора…почти в два раза.
Стоит ли заниматься повышением громкости, или нет, каждый решает сам.
Пока что подведем предварительные итоги.
Если в модели есть свободное место для дополнительного аккумулятора, то самый простой вариант купить готовый усилитель из предложенного выше списка и не морочить себе голову. Самое главное, что бы мощность и сопротивление нагрузки НОВОГО усилителя не превышали мощность и сопротивление выбранного БОЛЬШОГО динамика!
Если же места в модели, под дополнительный аккумулятор нет, то задача несколько усложняется. Подозреваю, что « в природе» существует микросхема УНЧ, которая выдает 5Вт при напряжении 7,2В. Но эти данные можно узнать только из графиков и схем технического описания. (datasheets). Интернет вам в помощь…
Причем, если делать усилитель самому, то можно прилично сэкономить. Весь усилитель состоит фактически из одной микросхемы, плюс несколько штук конденсаторов и сопротивлений.
Далее, ВАЖНО.
Не стоит подключать НОВЫЙ усилитель к разъему, где был старый динамик.
Будут очень сильные искажения звука.
Сигнал на вход нового усилителя нужно брать с точки указанной на фото.
При этом егулятор “громкость” остается штатный (китайский).
Вопрос об увеличении громкости звука возник от того что при совместных боях и покатушках «японцы» (тамия) полностью заглушает «китайцев» (хенг лонг).
Извини Серег, но ты как был далек от электроника, так и остался.
для меня эта тема закрыта
счастливых экспериментов.
Сергей, мощность отдаваемая в динамик зависит не от микросхем как таковых и не транзисторов в усилителях а от в первую очередь оммического сопротивления нагрузки (динамика) и напряжения питания усилителя, и считается для полумостовой схемы (приближенно) (Uпит/2)*Iнагр = (Uпиn)в квадрате/4Rнагр
к параметрам усилителя относится только то что он может работать при таком то напряжении и обеспечить допустимый уровень искажений для такой то мощности на нагрузке и не больше. поэтому чисто арифметически, максимальную мощность которую вы можете получить использую классическую (полумостовую) схему усилителя при питании от 7,2в на нагрузке 4 ома - всего 3,24 ватта, при мостовой схеме можно добиться более высоког показателя - в четыре раза большую. Но!!! громкость и мощность связаны между собой одним устройством от которого и зависит на самомделе ГРОМКОСТЬ - это динамик, есть образцы динамиков которые при подаче на них всего двух ват кричат (по субъективным ощущуениям и не только) как на другом образце при подаче пяти а то и 10 ватт. На уровень громкости сильно влияет то место где и как расположен динамик!!! я не считаю что для танка нужна мошность в пять - десять ват и не нужны такие усилители, - нужно подобраь динамик и место его расположения. вспомните носимые радиоприемники - всего полвата а слышно было всему пляжу 😃…
Господа-товарищи.
Заниматься чисто теоретическими изысканиями и мериться письками “кто круче”,
можно до бесконечности.
В Тамиевских танках стоит динамик на 5 ватт. Это факт
Можно-то, можно-сё… “можно в космос полететь, если очень захотеть”
Предлагайте КОНКРЕТНЫЕ, лучше опробованные, варианты.
и ВНИМАТЕЛЬНО читайте название темы!!!
Резюмируя все вышесказанное и вспоминая то, что уже говорилось.
- В Хл и Пилотажевских платах стоит одна и та же микросхема УНЧ.
- Она в обоих палатах включена по стандартной, предложенной фирмой изготовителем мостовой схеме включения.
- Отсюда имеем для 8 - 16 омных динамиков, которые обычно используются с такими микросхемами (из-за максимально возможного тока нагрузки через микросхему) 3 (1,5) Ватта ХЛ и 6 (3) Ватта Пилотаж. Думаю что все таки - динамики у наших танков по 16 ом - наизусть и с работы - не помню, потому что 6 ватт для этой микросхемы отдачи в нагрузку - явно многовато будет.
- Т.е. динамики надо искать для ХЛ без использования дополнительного акка - сопротивлением 8 Ом, мощностью 3 - 5 Ватт и с возможно большей площадью диффузора. В случае использования дополнительного акка - сопротивление динамика - 16 ом и обязательно приделывать на микросхему радиатор, как на Пилотажевских танках. Как и куда цеплять доп акк для питания микросхемы УНЧ - если надо (думаю, что - нет) - фотку сделаю из дома.
- В многих ХЛ танках ( КВ-1) динамик (нагружен) работает на внутренний замкнутый объем танка. В Тигре - к примеру - ХЛ динамик в коробочке стоит почти правильно. Но - почти. На приведенных фотках Танкомана Сергея - показано - как желательно правильно ставить динамики. К сожалению, хороший звук и герметичность танка для езды по грязи - местами - взаимоисключающие желания. Т.е. надо использовать в качестве корпуса акустической колонки сам корпус танка и диффузор динамика крепить к вент решеткам танка, так, что бы не было короткого замыкания по воздуху между рабочей стороной диффузора и тыльной. Как это сделать на танке КВ-1 - представляю себе с трудом.
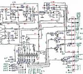
Описание картинок -
- Схема ИК боя и УНЧ танков Пилотаж при 12 вольтах питания. В середине рисунка по высоте и в левой стороне - как раз - схема УНЧ на двух усилителях по мостовой схеме, что стоя в одном корпусе микросхемы
- Даташит микросхемы, что используется для УНЧ в танках ХЛ и Пилотаж
Например конкретный вопрос.
Вася Пупкин из далекого Мухосранска спрашивает:
" Неужили вот такой вот усилитель
www.masterkit.ru/main/set.php?code_id=28662
не выдаст 5ватт при напряжении 7,2 вольт ?
Кто ответит Васе Пупкину?
Например конкретный вопрос.
Вася Пупкин из далекого Мухосранска спрашивает:
" Неужили вот такой вот усилитель
www.masterkit.ru/main/set.php?code_id=28662
не выдаст 5ватт при напряжении 7,2 вольт ?Кто ответит Васе Пупкину?
Конкретно отвечаем Васе Пупкину
- При рассматривании схемы включения микросхемы в этом усилителе видим - усилитель сделан не по мостовой схеме включения - значит при напряжении питания Up - 7,2 вольта - сигнал будет Us= (Up - 0,2 (0,4))/2= 7/2=3,5 Вольт.
- Рассчитываем мощность, которая будет рассеяна на нагрузке в Rd = 4 Ома - P(4) = (Us x Us)/(2 x Rd)= (3,5 x 3,5)/(2 x 4) = 12 /8 = 1,5 Ватта. Обратите внимание - что именно такую же мощность выдаст нам и микросхема УНЧ в 18 плате. на 16 ти омной нагрузке …и без дополнительных затрат.
- Если внимательно посмотреть даташит микросхемы, что стоит в предложенном Васей Пупкиным и в нем найти, что микросхема может работать на нагрузку в 2 Ома (думаю, что именно ЭТА микросхема - не может, но есть авто микросхемы , что могут работать и на 2 Ома), то в этом случае мы получим уже 3 Ватта - что ооять же - не больше того, что выдает стандартный усилитель 18 платы на 8 омной нагрузке
Вася Пупкин - удовлетворен ответом ?😃
Сергей, я отвечу - не даст - он просто может не включится - у него минимальное напряжения питания если вы обратите внимание на характеристики начинается от 10 вольт (причем питание двухполярное). а как получить пять ват я написал. т и так что бы получить пять ват на выходе при питании от 7,2 вольт нужно соблюсти несколько условий (при использовании обычных динамиков, тоесть выпускаемых серийно) 1) при использовании класической схемы (не мостовой) необходимо использовать динамик с сопротивлением обмотки - 2 ома, при использовании усилителя по мостовой схеме нужно использовать динамик с сопротивлением 8 ом. 2) подобрать усилителькоторый МОЖЕТ стабильно работать на напряжении 7,2 вольт например TDA2003. 3) обязательное условие, мощность заявленая на усилителе должна быть выше чем нужная вам - иначе возникнут проблемы с надежностью (про искажения я уже не говорю).
на основе выше сказанного может работать реально - только мостовая схема (найти динамики с 2 ом сложно).
здесь я не учитывал потери в самом усилителе.
TDA2003
www.chipdip.ru/product/tda2003.aspx
Смотрим что нам пишут дилеры в таблице про напряжение питания.
Еще варианты???
зачем торговцы? pdf1.alldatasheet.com/…/TDA2003.html
по опыту - работает она при таких напряжениях. Но, что бы получить 5 ватт нужно ставить их две, по мостовой схеме. Эту микруху указал - первая в галову пришла, номенклатура сейчас еще больше, чем была тогда когда я занимался рмонтом автомагнитол в частности и звука в общем.
TDA2003
www.chipdip.ru/product/tda2003.aspx
Смотрим что нам пишут дилеры в таблице про напряжение питания.Еще варианты???
Да - я подозреваю, что при 7 вольтах она может работать и если да то - две таких микросхемы в мостовом включении. Дадут на 4 омах - 6 Ватт При этом - будут холодны как лед - не критические для них режимы работы. Уменьшая сопротивление нагрузки - динамики в параллель - даст и увеличение мощности в два раза - 12 Ватт и аккустической мощности в два раза. Весь тогда вопрос - куда эти динамики пихать в маленький объем танка.
Но в принципе - согласен с предидущим оратором 😃 Я точно так же - давно не брал шашек в руки ( не чинил и не разрабатывал УНЧ для авто) и поэтому - надо искать современные микросхемы, что гарантированно работают при 6 вольтах питания
вот мы и пришли к главной проблеме - не как создать эти несчастные пять ват - это не проблема, а как их превратить в звук с наименьшими потерями…
…желание показать свою “крутизну” в людях неистребимо!
(никого конкретно не имею в виду, сам такой 😉 )
список микросхем УНЧ
www.chipdip.ru/catalog/ic-lf-amps.aspx
Только изучив все datasheets, можно сделать вывод о РЕАЛЬНОЙ мощности при напряжении 7,2вольт!
.
список микросхем УНЧ
www.chipdip.ru/catalog/ic-lf-amps.aspx
Только изучив все datasheets, можно сделать вывод о РЕАЛЬНОЙ мощности при напряжении 7,2вольт!
вот к примеру из этого списка - lib.chipdip.ru/076/DOC000076544.pdf - BA5406 в даташите, правда - нет схемы включения в мостовом варианте - но это не есть страшный секрет
Сергей, вы не правы.
я уже говорил выше, как и за счет чего можно получить нужную мощность и микросхема либодискретный усилитель либо даже лапмповый - роли не играет - он всего лишь преобразователь постоянного напряжения батареи ( точнее ее мощности) в переменно напряжени (мощность) для динамика.
выбор микросхемы в данном сллучае ограничивается возможностью ее создать на нагрузке нужную мощность, подбор ее по нагрузочной способности (оптимизирована на какое то определенное сопротивление нагрузки) частотный диапазон (хотя здесь все микросхемы перекрывают с большим запасом), допустимые нелинейные искажения и т.п. ну и конечно сможет она работать на таких напряжениях или нет - это дела справочные.
укажите точно что имено вы хотите. получить пять ватт пи напряжении 7,2 или вам нужна конкретная схема которая обеспечивает это?
pdf1.alldatasheet.com/…/BA5406_05.html
обеспечивает нужные условия, включать по мостовой схеме.
фигура 7 на стр 4/8



