Activity
Всем доброго времени суток.Собрался делать квадрик на Arduino pro mini+Wii
motion+nunchuck. Wii брал на хобикинге. На нунчаке стоит другой DMT ARD07 акселерометр. Вопрос: подойдет этот аксель на квадрик или нет, если да то поясните как и куда его подключать? Платку ребенок поломал , но думаю востановить можно или аксель отдельно вырезать?
Не смог загрузить датащит на ARD 07, вот линк www.domintech.com.tw/UserFile...eet V1.0.pdf
схемами можете помочь,или линки схем на пропорциональную апаратуру.
можно, я этим и заморочился. машинка китайская, типа ваз 2108, подарена мне на др. один знакомый серву подогнал, второй стоковый пульт от саваги, третий дал кварцы и приемник, регуль я тамиевский на ебее купил. немного колхоза и все ездит 😃 бюджетненько, но можно пока понять что как работает и копить бабло на хорошее шасси 😃
вот к этой схеме можно присабачить регуль
дорогие моделисты объясните пожалуста, возможно ли к обычной китайской машинке приделать регулятор скорости с реверсом, и если возможно то какой регуль и как?😇
К соалению lay не осталась. Я делал лазерно утюжной технологией,
если не ошибаюсь то размер рисунка уже подогнан, остается только
выпечатать. печатать в зеркале. попробуй пару выпечатать и подогнать по
ножкам микрухи если размер не тот.
А можно пример алгоритма?
скажите пожалуста какие пины надо задействовать?
я подключал 1-й мотор к 2-3-4-5
2-й к 6-7-8-9
3-й к 1-14-16-17
но у меня ничего не закрутило, только моторы каменели,
может в настройках не то сделал.
там на управлении фазами ххххххх стоят, как настроить правильно?
ххххххх
спасибо за ответ
буду эксперементировать
там в трансформаторе дырка то не залеплена, можно сверхк отдельную обмотку намотать для 5 вольт и сделать выпрямитель-стабилизатор гальванически развязаный от блока.
А сколько витков надо намотать приблизительно.
И кто нибудь делал так?
Можно ли использовать блок питания от компа?
Тут уже кто-то где-то спрашивал не помню где.
там 12 в и 5 в
дайте линк по этой теме, или подробнее раскажите если
надо что в блоке переделывать.
заранее спасибо
Импульсник попробовал на 5 в , сразу заработало
В блоке питания думаю, импульсный поставил
на 5 вольт,сразу закрутил движки рукой трудно остановить, на 12 в
думаю будет хорошо таскать
Все Hekk заработало спасибо за советы
Наступил момент радости, мой контролер заработал.
Хочу ВСЕХ поблагодарить за оказанную помощь и
советы.
Спасибо народ
да вроде не перепутал, движок на 6 выводов , два средних
вывода откидываю а остальные подключаю,выводы менял
все равно ничего пищит, гудит и дрыгается.
Блок питания обычный был,сейчас буду искать подходящий
тороид.может в проге дела,пробовал jala cnc, kcam
собрал контролер на L297/L298, схема стандартная.
возникла такая проблема при включении мотор гудит и вибрирует,
подстроечник кручу, гудение и вибрация изменяется . подавал 15 вольт грелась микруха и мотор,
уменьшил до 10 вольт греться стали слабо . мотор ДШИ-200.
Еще вопрос:
Насчет блока питания, обязательно он должен быть импульсным, я тут вроде где-то читал что да,
может моя проблема в этом, не знаю я в электронике не силен.
Люди добрые обьясните причину.
собрал контролер 1 канал. движок дергается и вибрирует
и греется с микрухой подстроечник покручу слегка начинает пищать, дрыгаться
а дальше ничего.напругу уменьшаю до 10.5 вольт греться перестает.
что посоветуете?
резстор 0,22ом 0,5 небыло,допуски есть по резисторам или нет?
сопротивление обмоток двигла 66 ом.
еще хочу спросить какие требования к блоку питания
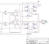
Здраствуйте собрал контролер по приведенной выше схеме
разводку сам сделал,L6210 не достал и поставил диоды.
У меня проблема,при подаче питания сильно греется + провод и диоды,шаговик не дергается,
народ помогите, я проверял вроде все правильно.
Вот разводка может кто что посоветует.
Жду ответов от всех, спасибо заранее.
Да тонкие полоски это перемычки
Здраствуйте собрал контролер по приведенной выше схеме
разводку сам сделал,L6210 не достал и поставил диоды.
У меня проблема,при подаче питания сильно греется + провод и диоды,шаговик не дергается,
народ помогите, я проверял вроде все правильно.
Вот разводка может кто что посоветует.
Жду ответов от всех, спасибо заранее.
Да тонкие полоски это перемычки
Всем привет.
Наверное нашел способ решения проблем с ходовыми винтами.
покупать или делать на заказ выходит дорого,как быть?
долгое время изучая материалы и способы изготовления механики
меня посетила идея использовать ходовой винт от простого
советского домкрата.длина около 40см,шаг 2мм и сталь кажись
каленная.Для малогабаритного ЧПУ вполне думаю хватит,
и таким начинающим как я легче будет.
Спецы оцените пожалуста идею,реально или нет.
Георгий
А кд212 или им подобные советские можно использовать?
Если да то какие конкретно.
Здраствуй друг.
Получил ответ на мою тему и вариант твоей схемы.
Нужен совет,какие лучше использовать диоды
вместо L6210. У нас дефицит с деталями, L6210
не достать.
С уважением георгий.
Жду ответа.
Благодарю Всех за ответы,спасибо
Подскажите пожалуста какой контролер лучше собрать на 3 канала.
Перечитал почти все но так и не понял что выбрать.Собирал на
ULN2803 не могу с прогами состыковать движки только гудят
(пробовал KCAM, JALACNC,TURBOCNC)
Собираюсь на L297-L298, (или 7409+IRF44 вместо L298)подскажите
пожалуста стоит или нет.Может подаст кто нормальную схемку.
У нас проблема с деталями (я из Грузии),выше перечисленное
имеется,можно с этого нормальное что-то склепать или не стоит?
Уж больно сильно я этим загорелся.
Жду Вашей помощи. С наилучшими пожеланиями.
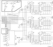
Обьясните пожалуста какую роль выполняет выделенная верхняя часть схемы,
и как использовать разъем HDR2 (C Axis Expansion) что к нему подключается?
Если кто собирал опишите поподробнее какой он в работе или ссылку дайте
где можно почитать.
Помогите новичку,заранее всех благодарю.
С наилучшими пожеланиями.
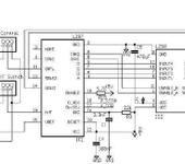
Люди помогите начинающему. Кто нибудь знаком с этим контролером?
сайт www.imafania.boom.ru/contr1.htm
Если кто сталкивался посоветуйте какой он в работе.
Заранее благодарю.
ПОДСКАЖИТЕ ПОЖАЛУСТА С КАКИМ СОФТОМ РАБОТАЕТ ЭТОТ КОНТРОЛЕР
Всем привет.
Кто нибудь знаком с прогой “CSTEP”
link www.luberth.com/plotter/ditwasplotter.htm
контролер на ULN2803
если кто знаком помогите PLEASE
заранее благодарю.
мыльте lexa290@yandex.ru