Выключатель борта на электричке.
Вопрос, собственно, в названии темы. Посоветуйте как организовать отключение питания на электромоделе?
Самое простое это вывести разъемы одного из проводов ака и соответствующего от регулятора и использовать съемную перемычку.
Это могу сделать.
Регулятор у меня (YEP 100) без выключателя. Может можно поставить в провод БЕКА? Но наверное он должен быть особым, размыкать и соединять три провода “+” “-” “сигнал”, и можно ли так делать?
Спрашиваю потому что на самолете доступ к электронике через снятие крыла, что сами понимаете, требует не очень удобных манипуляций.
использовать съемную перемычку.
Какой ток потребления будет у Вашей модели?Если не больше 60 А то можно было-бы использовать разъём ХТ-60.,если больше то и разъём надо больше(ХТ-90).
Вариант с размыканием провода от аккумулятора общепринятый и самый простой. Использовать его пока не хочу по причине неудобного доступа к аккумулятору. Интересны иные варианты.
Почему то некоторые регуляторы и UBEС идут с выключателем а другие нет?
можно было-бы использовать разъём ХТ-60.,если больше то и разъём надо больше(ХТ-90).
С подбором перемычки вопросов нет
вот так
Апексей,а ссылку можно на это чудо.Спасибо.
Апексей,а ссылку можно на это чудо.Спасибо.
Присоединяюсь.
Возможно вот так
IRFS7430-7P, AUIRFS8409-7P
Сопротивление открытого канала 0,75мОм. Ставим 2-3шт. параллельно таких транзисторов, можно даже без радиатора и, спокойно гоним через них около 100А без нагрева
вот так
Интриган…
Алексей,а ссылку можно на это чудо.Спасибо.
Присоединяюсь.
да простят меня модераторы…
lindinger.at/…/emcotec-sps-safety-power-switch-34v…
70 эвро при себестоимости 7-8… Я тоже такой бизнес хочу.
Уговорили, принимаю заказы на изготовление, минимальная партия на изготовление десяток, меньше не имеет смысла запускать в производство. Пересылка за ваш счет, цена… ну пусть будет 30 баксофф.
…ДА уж
Почему нужно размыкать цепь именно от силового аккумулятора? Смысл этого выключателя подстраховаться от случайного пуска эл двигателя в период замены аккумулятора и очереди на полет.
Почему нельзя разомкнуть цепь питания от бека к приемнику? В электронике не силен, но предполагаю, что разрывать выключателем сигнальный провод нельзя? Поставить простой механический выключатель на плюсовой и минусовой провод или один из них на на выходе от БЕКа регулятора к приемнику?
да простят меня модераторы…
lindinger.at/…/emcotec-sps-safety-power-switch-34v…
юзаю такой на 2.2м уже 8 лет. удобно. при выборе уточняйте у дистрибьютора (Хакер моделс) вес платы. И капля дегтя: в этом году тихо умер геркончик внутри гнездышка с подсветкой. Обидно и неудобно тк в европе только под заказ -тащил из США из остатков, ну и цена…
70 эвро при себестоимости 7-8… Я тоже такой бизнес хочу.
Когда Ваше имя будет знать столько людей, сколько знает имя Эмкотек, тогда будет у Вас такой бизнес и я буду платить вам десятикратную маржу. А пока тренируйтесь на своих моделях.
…ДА уж
Почему нужно размыкать цепь именно от силового аккумулятора? Смысл этого выключателя подстраховаться от случайного пуска эл двигателя в период замены аккумулятора и очереди на полет.
Почему нельзя разомкнуть цепь питания от бека к приемнику? В электронике не силен, но предполагаю, что разрывать выключателем сигнальный провод нельзя? Поставить простой механический выключатель на плюсовой и минусовой провод или один из них на на выходе от БЕКа регулятора к приемнику?
Я тоже не особо силён, но отрубать питание приемника в электричке нельзя…
Что будет если подать питание на мотор без приемника? Мотор либо стартует, либо срабатывает файл-сейв. Этот выключатель не только отключает силовую цепь, но и не допускает искры при подключении аккумулятора. А на десяти банках она ОГОГО-какая)))
А на десяти банках она ОГОГО-какая)))
ОО!электросварщик!
ОО!электросварщик!
у мя 12. полет нормальный. 8 замыкать терпимо. 12 уже шумно
да простят меня модераторы…
Вот надыбал :ru.aliexpress.com/item/…/32885853793.html?mall_aff…9Н (Не реклама!)сравнительно дёшево и сердито…
Вот надыбал
Это не силовой выключатель. Это обычный фейл-сейф. У меня такой стоит на ДВС ЯКе.
А вообще экономить на электронике когда цена одного только планера уходит за тысячу евро я считаю не комильфо…
Вот надыбал :ru.aliexpress.com/item/RC-Fi...db1a6cb19d63ae9Н (Не реклама!)сравнительно дёшево и сердито…
это для регулятора напряжения www.lindinger.at/…/dualsky-vr-pro-linear-10a-bec
…ДА уж
Почему нужно размыкать цепь именно от силового аккумулятора? Смысл этого выключателя подстраховаться от случайного пуска эл двигателя в период замены аккумулятора и очереди на полет.
Почему нельзя разомкнуть цепь питания от бека к приемнику? В электронике не силен, но предполагаю, что разрывать выключателем сигнальный провод нельзя? Поставить простой механический выключатель на плюсовой и минусовой провод или один из них на на выходе от БЕКа регулятора к приемнику?
Потому что подключенный мотор расходует заряд, бек расходует заряд, сервы расходуют и т.п.
Это как стоять на заведенной машине на месте. Вроде стоишь на одном месте, а вроде запас хода уменьшается…
Потому что подключенный мотор расходует заряд, бек расходует заряд, сервы расходуют и т.п.
Это само собой! Вопрос в другом. Как это сделать не выдергивая штекеры силовых проводов из регуля? Один вариант www.lindinger.at/en/airplane...ch-34v-60-120a Алексей озвучил, но девайс кусается по цене. Вопрос остается открытым
Выше писали - транзистор. Подходящий в лакшери чипдипе будет стоить порядка 500р.
Выше писали - транзистор.
А схемкой можно разжиться?
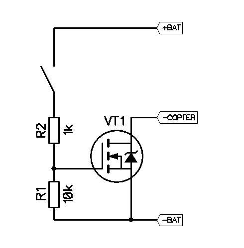
В общем случае так.
Нагрузка на схеме - это “лампочка” 😃
Когда кнопка замкнута - нагрузка отключена.
Когда кнопка разомкнута - нагрузка включена.
Зачем так? Если использовать кнопочные выключатели, то под вибрацией он может “отстрелить” и выключить самолет. (считаем что в нажатом положении - замыкает, в отжатом - размыкает контакты).
Впрочем схему легко переделать под любое поведение в том числе чтобы вырубал не сразу, а через некоторое время. Например если под вибрацией кнопка “не контачит”
Транзистор и резистор к нему нужно подбирать согласно требуемому току и цене. Например вместо одного супер-мощного-дорогого поставить несколько дешевых но послабее, как это делают в регуляторах.
Да и ещё один момент. Эта схема отключает минусовой провод. Это нужно учитывать т.к. в некоторых случаях это может быть не то что хочется. Тогда можно использовать другой транзистор (P вместо N). Схема получится зеркальной.
Посимулировать можно тут:
online-electric.ru/virtlab/circuit/…/index.php
После того, как однажды у меня воспламенился регулятор, глубоко вставленный в фюзеляж Цесны, и выгорело пол самолета пока я добирался до силовых разъемов, на все свои модели я ставлю силовой ключ IRF1405PBF, 55В 133А. В “Чипе и Дипе” он стоит 70 рублей.
Схема примитивная.
К тумблеру можно добавить схемку подавления дребезга контактов. Будет вообще кучеряво.
Как он связан с электроникой самолета? ( так … для тех кто в танке)