Короткое замыкание

SAN

Для телескопа не подошло - кривое немного вышло

Дык телескопные зеркала из двух кусков стекла шлифовались.
В МГДПШ и кружок такой был. Вроде до 30см рефлекторы ребята делали.

Constantine
mikkap:

Для телескопа не подошло - кривое немного вышло, а денег на еще 5 литров эпоксидки у меня не было. Зато отлично выжигало солнечным зайчиком 😃 ! Серебрил же я поверхность по нормальной технологии с применением азотнокислого серебра.

будете смеяться но я вот для солнечного зайчика собрался воспользоваться блестящей пленкой и женским набором для вышивания(знаете такой обод в него ткань вставляется натягивается и вышиванием занимаются наши милые дамы…
так вот, две пленки, одна прозрачная другая блестящая,
скотчь
тонкое сверло, плюч циакрин для герметизации и штуцер для накачки.
(надеюсь получится))))

да кстати.
ждем ждем ждем новостей от народа с пушкой

SAN:

Дык телескопные зеркала из двух кусков стекла шлифовались.
В МГДПШ и кружок такой был. Вроде до 30см рефлекторы ребята делали.

дык значительно проще поставить в кастрюле эпоксидку застывать (на к примеру проигрывателе пластинок) чем двести лет иллюминаторы от всякой водной техники точить.

mikkap

Да, при вращении емкости с эпоксидкой получается строгая парабола, причем диаметр ограничен только количеством имеющейся смолы. Шлифовкой же стекла относительно несложно можно получить сферу. Параболу же получить в кустарных условиях почти нереально. Плюс нужен метод контроля формы поверхности. В идеале отклонение от расчетного профиля должно быть не более 1/10 длины волны света (0,05 микрон)

SAN

Плюс нужен метод контроля формы поверхности.

Так это дело известное - теневой, кажется, называется.
В книге Максутова (?) по телескопостроению вся методика изготовления описана.

serj

в " почти серийной" российской электромагнитной винтовке использованы именно конденсаторы. выстрел почти бесшумный, энергия- как у пневматики. где- то проскакивала ссылка на сайт и видео…

pakhomov4
serj:

в " почти серийной" российской электромагнитной винтовке использованы именно конденсаторы. выстрел почти бесшумный, энергия- как у пневматики. где- то проскакивала ссылка на сайт и видео…

Серёга. объясни, что значит - почти как у пневматики? Есть же ведь БОЕВАЯ пневматика, о которой, правда, очень мало известно 😛 А полностью звук выстрела ПОКА убрать не получается…

pentajazz

если пуля имее сверхзвуковую скорость -более 330 м/с, если не ошибаюсь, - то хлопок будет полюбому.
именно по этому все малошумные стрелковые системы имеют дозвуковую скорость пули. а со коростью 270 м/с например, особенно не разгонишься, надо пулю тяжелую, 10-15 грамм.

Constantine
pentajazz:

если пуля имее сверхзвуковую скорость -более 330 м/с, если не ошибаюсь, - то хлопок будет полюбому.
именно по этому все малошумные стрелковые системы имеют дозвуковую скорость пули. а со коростью 270 м/с например, особенно не разгонишься, надо пулю тяжелую, 10-15 грамм.

с вашего позволения воспользуюсь параметрами выписанными вами:
скорость - 270м/с
V=sqrt(2*a*s) где а- ускорение в метрах в секунду, s - длина “ствола”
у магнита считаем есть некоторая максимальная сила притягивания,
насколько я знаю, эта сила не более 300 своих же весов.(т.е. 300 же, т.е. 3 000 м/с^2)
находим для этого значения(максимального) длину ствола, чтобы получить скорость 270 м/с

S=(V^2) / (2*a)

S= 5.4 м

хороша воздушка…

хотя вы меня заразили, я наверное что нибудь попробую сделать)))

pentajazz

если такая будет, валить будет до 200 метров замечательно.
даже если сделать пульку 6,2 грамма - получиться как пистолет ПБ.
все равно не слабо.
хе-хе.

Constantine
pentajazz:

если такая будет, валить будет до 200 метров замечательно.
даже если сделать пульку 6,2 грамма - получиться как пистолет ПБ.
все равно не слабо.
хе-хе.

длина ПМ - 15 см, длина эл, пушки 5.4 метра…

hcube

Сайт www.emgun.ru . Но по моему, это боян - поставляют по предоплате, и подозрительно дешево 😉

А вообще скорость шарика воздушки - 200 м/с. Дистанция торможения - порядка 50 метров.

pentajazz
Constantine:

длина ПМ - 15 см, длина эл, пушки 5.4 метра…

я имел в виду ПБ, это на базе ПМ безшумный пистолет, снаряженный более чем в 2 раза длиннее ПМ.
правда все равно короче 5 метров 😃

serj

не, это не боевая пневматика, они банку пивную с трудом с 20м пробивают…😃

pentajazz

это вы о чем?
если о ПБ, то это 9мм пистолет с глушителем…

romychs

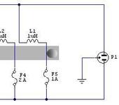
Да, что там схема… Ща, одной левой… 😃

Предохранители - по вкусу.

SAN

Таймеры на предохранителях - это лихо!
😃 😁

Constantine
romychs:

Да, что там схема… Ща, одной левой… 😃

Предохранители - по вкусу.

а не проще взять пульку(магнит)
взять трубку медную разрезаную вдоль и поперек на сектора, и с намотанными поверх катушками, пулька движется по этой конструкции и замыкает соответствующие сектора, которые соединены с катушками(в итоге, вставив пульку в начало трассы, и подув с соответствующего торца(хоть через трубку чтоб не получать проблемм,) пулька начинает двигаться и замыкать секции и разгоняться и разгоняться и замыкать…
тогда можно и секции намотать разным проводом чтоб более эффективно выкачать энергию с разряжаемого бооооольшого конденсатора

Егор1500

а не проще взять пульку(магнит)
взять трубку медную разрезаную вдоль и поперек на сектора, и с намотанными поверх катушками, пулька движется по этой конструкции и замыкает соответствующие сектора, которые соединены с катушками(в итоге, вставив пульку в начало трассы, и подув с соответствующего торца(хоть через трубку чтоб не получать проблемм,) пулька начинает двигаться и замыкать секции и разгоняться и разгоняться и замыкать…
тогда можно и секции намотать разным проводом чтоб более эффективно выкачать энергию с разряжаемого бооооольшого конденсатора

этот вариант долго и упросно рассматривался, но я его все таки не стал оставлять
во первых поле плавает и тяжело поймать точку отключения во вторых внутренняя баллистика ооочень страдает
втретьих увеличивается дороговизная изделия
в четвертых ствол долго не протянети надо будет менять его из за нагаров, а чистить его практически не возможно
вобщем идея хорошая когда пуля сама отключает текущий магнит и включает следующий, но слишком много закорючек

romychs

пулька движется по этой конструкции и замыкает соответствующие сектора, которые соединены с катушками

Токопроводящий магнит - хреновый проводник, на выходе пушка выплюнет каплю расплавленного металла, если, конечно не расплавится/сгорит еще на первых контактах 😃

SAN

на выходе пушка выплюнет каплю расплавленного металла

Так этож и хорошо - поражающий эффект увеличится!
😃