High current DC-DC преобразователь

BERSERK80

Привет
Вопрос о не рекуперации ?
(зарядка акума от торможении мотором )
Думал и о таком контексте … с низким напряжением , очень сложно знаний не хватает увы .

AlexAndr=
BERSERK80:

Вопрос о не рекуперации ?
(зарядка акума от торможении мотором )

Это 50% назначения 😃

И всёже терпеливо жду советов по рещению возникших траблов 😇

Ghost
AlexAndr=:

Это 50% назначения 😃

И всёже терпеливо жду советов по рещению возникших траблов 😇

Да уж.

ИМХО на выходе стоит брать настоящий синхронный выпрямитель. В вашей схеме трудно управлять моментом открывания 3713.

На входе не видать цепей отсечки тока.

Что до помех, то лучше брать схемы без смены направления тока в катушках, ну и многофазные конечно.

Алксандр
AlexAndr=:

Это 50% назначения 😃

И всёже терпеливо жду советов по рещению возникших траблов 😇

Посмотрите апноут от ONSEMI AND8105, все уже придумано. Там как раз токи которые Вам нужны. Идеология с выпрямителем будет такая же, только подправите под свои нужды.

  1. либо использовать дополнительный транс для управления затворами (от силового лучше не делать, индуктивные выбросы не получится побороть на всех режимах).
  2. либо сделать запитку выходной обмотки не от 7,2В а от 0В, Соответственно напряжение на обмотке вырастет и тогда можно делать выпрямитель как на X3 с 12-го листа

AND8105_D.zip

hivolt

1211 сюда не пойдет, на таких таких токах без обратных связей делать нечего. Эт я как разработчик и производитель этой самой 1211 говорю 😃.
Про помехи - попробуйте организовать околорезонансный режим коммутации. потому как треугольник на частоте 200кгц и 50 амперах — 😂 никакого генератора помех не надо.
то есть резюмируя
1 двухтактник.
2 сихронный выпрямитель
3 синус или около него на трансформаторе.
4 диоды - только в качестве шунтов для ключей.
В принципе можно и однотактник квазирезонансный сотворить но боюсь это будет уже сложновато.

IVАN
AlexAndr=:

😦 Ну подскажите хоть как с помехой боротся, может какой-нить фильтр поцепить или заэкранировать? Непонятно всёже почему помеха даже при холостом ходу преобразователя.

Я как понимаю-при раздельном питании(отдельно приемник , серва…,и отдельно питание Dc-Dc)даже если они расположены рядом-все нормально работает,но при попытке обьединить питание(даже одним проводом(ну напр. массы соединить))помеха проходит в приемник.
Знающие подскажите эффективный фильтр от ВЧ который можно вставить в разрыв проводов питания приемника,ну и по постоянке чтоб низкое было R.

Psw

Опять у меня нету никаких конструктивных мыслей, только скепсис.
Мне кажется всё-таки, что в махоньких габаритах с такими мощностями - лучше всё то же самое, но напругу выше, а ток меньше.

hivolt:

2 сихронный выпрямитель

Синхронный выпрямитель (правда не знаю образчиков готовых микрух управления ключами для ентого случая, однако Серж как-то говорил, что поигрался с синхронными выпрямителями достаточно.) при токе в 50 А что-бы не грелся должен быть около 1 мОма=2,5 Вт рассеивания, а енто примерно 20 SOIC-8 жучков, если P-канальные брать (для примера глядел в параметры IRF7416, ну или 2х2 IRL3713, если уж на N каналах делать). А P-канальные мне кажутся схемотехнически удобнее в данном случае, хотя они и дороже и сопротивление канала выше. И енто только при идеальной коммутации затворов (которой трудно достигнуть при управлении ентими затворами с силового транса) с общей емкостью 1.7*10=17 нано фарадец. Соответственно, без драйверов никуда - тоже цена/вес. И по причине высокой ёмкости затворов на высокую частоту в сотню-другую килогерц коммутации трудновато будет выйти, а енто означает большой много витковый (авто) трансформатор проводком диаметром пару мм свой вес заберёт, и конденсаторы фильтра на импульсные токи в 50А тоже будут весить/стоить.
Кстати, при решении отдалённо схожей (только гораздо более простой - обычный понижающий преобразователь без гальванической развязки, под который есть стандартные схемы управления и синхронным выпрямителем в тч) задачи ( сделать 6 вольт 5А из 7-35 вольт) некто Маркус в своём pulse BEC так от помех приёмнику окончательно и не избавился, тот же Серж на него жаловался. Прилагаемое колечко лично я конечно намотал на вход как рекомендовано в инструкции, но на реальную дальность пока не проверял - холодно. Да и не особо енто важно на верте при визуальном управлении.
Так что борьба с помехами - это ещё тот зверь.

AlexAndr=
Алксандр:

Посмотрите апноут от ONSEMI AND8105, все уже придумано. Там как раз токи которые Вам нужны. Идеология с выпрямителем будет такая же, только подправите под свои нужды.

  1. либо использовать дополнительный транс для управления затворами (от силового лучше не делать, индуктивные выбросы не получится побороть на всех режимах).
  2. либо сделать запитку выходной обмотки не от 7,2В а от 0В, Соответственно напряжение на обмотке вырастет и тогда можно делать выпрямитель как на X3 с 12-го листа

Уже читаю, принцип выпрямления то что надо, только наверно буду делать двухтактник. Походу непонял назначение Х4, не расталкуете?
Запитать от 0В 😕 , впринципе позволилоб ставить N-канальники по схеме с апл.нота, но проблемнее зарулить связь с ТЛ-кой, и дальше в используемом агрЫгате проблемы будут.

hivolt:

1211 сюда не пойдет, на таких таких токах без обратных связей делать нечего. Эт я как разработчик и производитель этой самой 1211 говорю 😃.
Про помехи - попробуйте организовать околорезонансный режим коммутации. потому как треугольник на частоте 200кгц и 50 амперах — 😂 никакого генератора помех не надо.
то есть резюмируя
1 двухтактник.
2 сихронный выпрямитель
3 синус или около него на трансформаторе.
4 диоды - только в качестве шунтов для ключей.
В принципе можно и однотактник квазирезонансный сотворить но боюсь это будет уже сложновато.

Простите мою некую неграмотность, где можно почитать про “околорезонансный режим коммутации” (и про “цепеи отсечки тока на вход”)?

Конструктивно транзюки всё равно будут ТО-220, 2,5 Ватта рассеют влёгкую, наверно всётаки оставлю
N-канальные и помудрю с цепями управления, уже есть идея драйвер на них поставить. Что получится, сюды на критику выложу …

Алксандр
AlexAndr=:

Уже читаю, принцип выпрямления то что надо, только наверно буду делать двухтактник. Походу непонял назначение Х4, не расталкуете?
Запитать от 0В 😕 , впринципе позволилоб ставить N-канальники по схеме с апл.нота, но проблемнее зарулить связь с ТЛ-кой, и дальше в используемом агрЫгате проблемы будут.

Схема из апноута - это обычный понижающий преобразователь НО с гальванической развязкой. То есть вместо n-канального ключа между первичным питанием и дросселем L2 (если бы небыло гальв. развязки) стоит прямой трансформатор.
Соответственно при замыкании первичной обмотки (1-я фаза - передача энергии) возникает напряжение на вторичной - коммутируется через диод выполненный на транзисторе X3. Это вообще классическая схема замены диода, можете ее посмотреть в схеме моего зарядника по входу, для защиты от переполюсовки питания.

На второй фазе - (когда входной ключ размыкается) диод на X3 запирается обратным напряжением но в дросcеле L2 присутствует ток 30А, его надо куда-то деть. вот этот ток утекает во второй диод выпрямителя, но сделанный на синхронном транзисторе X4. (посмотрите схему понижающего преобразователя, в нем есть диод между истоком и землей - вот это X4)

И в чем проблема запитать выходную обмотку не с 7,2 а с 0В? Ничего не изменится. Конечно увеличится кол-во витков во вторичной обмотке и возрастут потери в трансе, но если нормальный провод - то разницы большой не будет. Во всем остальном схема останется абсолютно той же и с тем же функционалом.
И еще. Без дросселя по выходу (перед конденсаторами) это схема работать не будет. ну точнее говоря будет работать, только не долго и плохо 😃
Возьмите кольцо из компьютерного блока питания, оно как раз рассчитано на такие токи. кол-во витков - как на обмотке 3,3В (там где самый большой ток)

Psw

А я опять не смог побороть приступ графо манства.

AlexAndr=:

где можно почитать про “околорезонансный режим коммутации”

Ну вот сфотал бумажку:

Думаю, что ХайВольтик имел ввиду конденсатор параллельно первичке, образующий с её индуктивностью (ну и паразитными емкостями силовых диодов/ключей) колебательный контур с частотой слегка выше частоты задающего генератора.
Кроме всего протчего, не знаю как с точки зрения простоты изготовления, но с точки зрения КПД первоначальную схемку вполне можно сделать авто трансформаторной - хоть на каплю КПД но выше должен быть.
А ещё встроенные в силовые ключи бесплатные Шоттки диоды слегка хуже нормальных силовых Шоттки.
Так что если в уже работающий испытательный конструктив поставить по парочке супер низко омных ключей в каждое плечо синхронного выпрямителя и подстраховать их нормальными силовыми Шоттки, то вполне может оказаться, что итоговый КПД всей ентой штуки будет не так уж и плох. А огрехи коммутации ключей синхронного выпрямителя при управлении ими обмоткой силового транса будут подстрахованы обычными диодами - есть надежда выйти на приемлемую рассеиваемую мощность.
Ну и допустимое напряжение на затворах ключей выпрямителя ± 20 вольт, так что обрезающий отрицательное диодик с резистором можно и не ставить - пускай ключ запирается по быстрее.

AlexAndr=:

Конструктивно транзюки всё равно будут ТО-220, 2,5 Ватта рассеют влёгкую, наверно всётаки оставлю
N-канальные и помудрю с цепями управления

Ну вот о том и разговор, что простые схемки красивее/интереснее.
Хотя быть может это только мне, потому как не умею анализировать сложные.
Правда и капризнее в настройке - потому как настроишь макс КПД на режиме 7/9 вольт 50А к примеру - а на других режимах КПД будет ухудшаться.
Кстати, при отсутствии генерации весь ток потечёт через обычные диоды с их соответствующим нагревом.
Ну и для борьбы с излучением помех конструктив должен быть приспособлен для экранирования - заземлённый радиатор всех тепло выделяющих элементов с одной стороны, заземлённая фольга по самые конденсаторы с другой, вход/выход витая пара. И тогда имеющимся внутри ентого зверя высоким частотам достаточно сложно будет наружу излучится.

AlexAndr=
Алксандр:

И в чем проблема запитать выходную обмотку не с 7,2 а с 0В?

Тоесть все 9 Вольт генерить трансом?Мощность транса будет 9*50=450Вт против 2*50=100Вт при вольтдобавке. Наверно будут потери больше, габариты и вес тоже прилично увеличатся.
-------------------
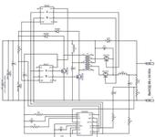
Вот добавил индуктивности L1,L2 но немного не как на фотке(через L1 не течёт основной ток, автотранс немного неполучился), там я ещё VD1 впихнул - назначение шунтировать всю систему при пропаже генерации или неидеальной коммутации выпр. транзисторов. Вообщето очень хочется L1,L2 повыкидовать(лишний вес), или хотябы L1.

Ещё по коммутации выпр. транзисторов есть идея вот так сделать:

Думаю над двумя вариантами коммутации:
1.Как показано на схеме, драйвер IR4426(инвертирующий) держит оба IRL3713 открытыми, закрываются по одному при открытии соотв. IRL2203N.
2.Вместо IR4426 ставить IR4427(неинвертирующий), в исходном состоянии оба IRL3713 закрыты, открываются синхронно с IRL2203N.

Кстати, а как лутше коммутировать IRL2203N, если драйвер питается от 7,2(как на предыдущих схемах) или от удвоенного напряжения(открыватся понятное дело будет быстрее, но возможно закрытие хуже - разряжать ёмкость затвора прийдётся с более высокого напряжения, время разряда увеличится)? Может вместо IRL2203N чтото другое поставить, например IRL3713(хотя у них больше ёмкость затвора)?

Хотелось бы услышать мнения по поводу всего этого.

Алксандр
AlexAndr=:

Тоесть все 9 Вольт генерить трансом?Мощность транса будет 9*50=450Вт против 2*50=100Вт при вольтдобавке. Наверно будут потери больше, габариты и вес тоже прилично увеличатся.

Вообщето очень хочется L1,L2 повыкидовать(лишний вес), или хотябы L1.

Кстати, а как лутше коммутировать IRL2203N, если драйвер питается от 7,2(как на предыдущих схемах) или от удвоенного напряжения(открыватся понятное дело будет быстрее, но возможно закрытие хуже - разряжать ёмкость затвора прийдётся с более высокого напряжения, время разряда увеличится)? Может вместо IRL2203N чтото другое поставить, например IRL3713(хотя у них больше ёмкость затвора)?

Хотелось бы услышать мнения по поводу всего этого.

Сразу по схемам - зачем 2 диода с выхода первичных обмоток? там на обмотке удвоенное напряжение при работе, эти диоды излишни. Точнее они совсем не правильные. Лучше поставить хорошие шотки в параллель к транзисторам, вот они лишними не будут.

Несомненно, габаритная мощность трансформатора возрастет, если делать не вольтдобавку.
Если требуется стабилизация выходного напряжения - то без дросселя по выходу не обойтись (особенно на таких мощностях). Габариты этого дросселя будут примерно такие же как и у транса, а то и больше (посмотрите упомянутый аппноут и габариты моточных изделий, или например выходной дроссель копьютерного БП).
От входного дросселя в принципе можно отказаться, если импульсные токи по входу не очень критичны

При управлении затворами лучше придерживаться требуемых величин, от излишнего заряда будет только хуже. Скорость открытия определяется не конечным напряжением, а динамическим током затвора.

Терзает вопрос 😃 для чего этот монстрик? вдруг оно мне тоже нужно? 😉

AlexAndr=
Алксандр:

Сразу по схемам - зачем 2 диода с выхода первичных обмоток? там на обмотке удвоенное напряжение при работе, эти диоды излишни. Точнее они совсем не правильные. Лучше поставить хорошие шотки в параллель к транзисторам, вот они лишними не будут.

Несомненно, габаритная мощность трансформатора возрастет, если делать не вольтдобавку.
Если требуется стабилизация выходного напряжения - то без дросселя по выходу не обойтись (особенно на таких мощностях). Габариты этого дросселя будут примерно такие же как и у транса, а то и больше (посмотрите упомянутый аппноут и габариты моточных изделий, или например выходной дроссель копьютерного БП).
От входного дросселя в принципе можно отказаться, если импульсные токи по входу не очень критичны

При управлении затворами лучше придерживаться требуемых величин, от излишнего заряда будет только хуже. Скорость открытия определяется не конечным напряжением, а динамическим током затвора.

Диоды чтоб снимать удвоенное напряжение для питания тл-ки. Стабилизация питания и пульсации некритичны(если это невызовет помех), может тогда дросселя можно выкинуть?
Транзисторы уже взял, выбирал из наличия: для преобразователя IRF1404, для выпрямления IRL3713. Колечко тоже купил 25х15х10 проницаемость 10 000НМ, должно хватить.

Алксандр:

Терзает вопрос 😃 для чего этот монстрик? вдруг оно мне тоже нужно? 😉

Именно это ненужно, там ещё дополнительной обвязки дофига, а вобщем идёт на электро-автомодель, причём только шоссейную(там перегазовки чаще), сомневаюсь что комуто кроме меня это вообще интерестно.

Алксандр
AlexAndr=:

Диоды чтоб снимать удвоенное напряжение для питания тл-ки. Стабилизация питания и пульсации некритичны(если это невызовет помех), может тогда дросселя можно выкинуть?
Транзисторы уже взял, выбирал из наличия: для преобразователя IRF1404, для выпрямления IRL3713. Колечко тоже купил 25х15х10 проницаемость 10 000НМ, должно хватить.

Именно это ненужно, там ещё дополнительной обвязки дофига, а вобщем идёт на электро-автомодель, причём только шоссейную(там перегазовки чаще), сомневаюсь что комуто кроме меня это вообще интерестно.

С диодами понял. Просто точки пересечений проводов на схеме мелковаты, вот и возникла неясность.
Если стабилизация выходного напряжения не требуется - загоняй TL-ку в длительность импульсов 0,4-0,45 и выкидывай дросселя. Дросселя нужны только для того режима, если скважность меняется в больших пределах, для обеспечения интегрирования входных импульсов

Зачем кольцо с такой проницаемостью? или оно разрезанное? или будешь сам его резать? на такую мощность проницаемость 60 нужна.

AlexAndr=
Алксандр:

Зачем кольцо с такой проницаемостью? или оно разрезанное? или будешь сам его резать? на такую мощность проницаемость 60 нужна.

Тоесть чем меньше будет проницаемость тем лутше? Я так прикидывал что наоборот, и взяв бОльшую проницаемость можно будет уменьшить габариты транса.
Какую проницаемость, размеры кольца и кол. витков можете посоветовать для данной мощности(у меня была первичка 2х8витков вторичка 2х3витка)? Какой результат может дать разрез кольца?

Алксандр
AlexAndr=:

Тоесть чем меньше будет проницаемость тем лутше? Я так прикидывал что наоборот, и взяв бОльшую проницаемость можно будет уменьшить габариты транса.
Какую проницаемость, размеры кольца и кол. витков можете посоветовать для данной мощности(у меня была первичка 2х8витков вторичка 2х3витка)? Какой результат может дать разрез кольца?

НУ так уже что-то работает? какой КПД получается с таким колечком? 😃?

Не хочется сыпать терминами на память, школьный курс был давно и успел позабыться… могу наделать ошибок, общий смысл такой.
Трансформатор (как и дроссель) характеризуется индукцией насыщения (магнитная индукция 😎.
H - напряженность магнитного поля
H и B связаны зависимостью
B=H*m*m0
m0 = магнитная постоянная
m - магнитная проницаемость материала.

Таким образом чем меньше m материала - тем лучше (при условии что одинаковая индукция насыщения), так как насыщение наступит при большем поле
Но сильно снижая m мы увеличиваем индуктивность рассеивания (поле меньше концентрируется в трансе) так что надо знать меру.
Проницаемость материала можно менять вводя в него зазор. Эквивалентная проницаемость будет (примерно) равна отношению средней длинны к величине зазора (если изначально проницаемость была велика). Таким образом мы заставляем насыщаться индук-ть при значительно большем поле.
как пример - БП от компа. Я бы рекомендовал взять транс (сам каркас с ферритом) от него. Там и зазор что надо, и 300Вт тянет. Можно пару вместе сложить.
А еще лучше взять кольцо из пресспермаллоя или другого материала, с изначально малым m. Можно опять же поэксперементировать с тором фильтра от компа. Думаю минимум 250Вт протянет
я пользуюсь материалом кул-мю этой фирмы:
mag-inc.com/powder/powder_cores.asp
Типа нашего МП-140 только гораздо лучше.

Как вывод. можно взять кольцо 10000, распилить его, сделать зазор равный 1/100 от Lсредн. или взять кольцо от кул-мю таких же размеров. На кольце от кул-мю мощность можно получить раза в 2 выше, так как у него индукция насыщения выше чем у феррита.

Psw
Алксандр:

Терзает вопрос 😃 для чего этот монстрик? вдруг оно мне тоже нужно? 😉

Меня ентот вопросик не особо терзал, но сегодня я понял - что ентот конструктив силы - близкое к идеальному частное решение мощной скоростной 15 минут зарядки литий-фосфата 5-7S ( типа А123 из блока Deem ). Ну то есть - токи конечно будут не 100 амперов, а скорее 20 максимум, но тем не менее - такая сила вполне могет быть интересна не только отдельному авто моделисту. Я просто прикинул, что мне с моим свифтом/моторчиком могет стать интересна тема 5S2P ентих А123М1 баночек. Аккурат 20А зарядный ток будет. Ну и зарядка исключительно самодельная - потому как фирменные зарядки/балансиры пока что Литий-Фосфат с его 3,6 вольта на банку не поддерживають. Одно спасение - самодел.

Алксандр
Алксандр:

Трансформатор (как и дроссель) характеризуется индукцией насыщения (магнитная индукция 😎.

Забавно, обычный текст был - а форум его на смайлик заменил.
там не улыбочка, а латинская буква B вместо смайла. ну и далее по тексту.

AlexAndr=
Psw:

Меня ентот вопросик не особо терзал, но сегодня я понял - что ентот конструктив силы - близкое к идеальному частное решение мощной скоростной 15 минут зарядки литий-фосфата 5-7S ( типа А123 из блока Deem ).

Назначение предполагалось немного другое(установка на модель), но возможно подойдёт и для других целей, например для питания повышенным напряжением зарядников от аккума 12В.

Вчера пробовал с разрезанным кольцом - проницаемость была 6000 разрез получился около 1/50.
До разреза потребление на Х.Х. было 0,08А, с разрезом 2,1А
при подкл. нагрузки около 1А - до разреза потребление было 1,4А, с разрезом 2,2А
Вобщем с разрезом КПД какойто непредсказуемый, буду ещё пробовать ставить неразрезное кольцо на 10000 посмотрю что будет.
Ещё попутно вопрос: обмотку на ферритовых торах можно делать двойным проводом?

Алксандр
AlexAndr=:

Вчера пробовал с разрезанным кольцом - проницаемость была 6000 разрез получился около 1/50.
До разреза потребление на Х.Х. было 0,08А, с разрезом 2,1А
при подкл. нагрузки около 1А - до разреза потребление было 1,4А, с разрезом 2,2А
Вобщем с разрезом КПД какойто непредсказуемый, буду ещё пробовать ставить неразрезное кольцо на 10000 посмотрю что будет.
Ещё попутно вопрос: обмотку на ферритовых торах можно делать двойным проводом?

Это все не показатель, точнее не правильный рассчет. Ток ХХ тут совсем не показателен. Если максимальная мощность транса 200Вт и ХХ 2,1А - то это нормально, и никогда не будет 0,08А.
А вот если 20Вт - то нормальным будет 0,08А. Разницу видишь?
На не разрезанном кольце - индуктивность огромная, естественно ток ХХ не велик. А мощность мала.

Отними мощность на ХХ - получится прирост тока в первом случае 1,32А
А во втором случае - всего 0,1А. Надо мерить на других мощностях.
В общем для начала выйди на спад характеристики по КПД, скажем ниже 85-90%, где пойдет явный завал, вот тогда станет ясна и номинальная мощность транса, и тогда можно токи ХХ оценивать.
Обмотку НАДО делать двойным, а лучше тройным или десятерным проводом! Там уже во всю скинэффект. Для 100кГц толщина скинслоя не превышает 0,2мм, так что провод не толще 0,4мм. В общем считай сечения, сопротивления и в путь. на одиночном проводе мощность не получишь

AlexAndr=

Вчера испытывал енту штуковину - пока ездил с нормальной нагрузкой всё было замечательно, помех нет вообще, требуемую нагрузку тянет, практически негреется(отсилы 50 градусов)
Потом решил проверить на перегрузку(больше 100А в нагрузке), вот результат:

Дыму было немеряно, пробился транзюк преобразователя. Пока причины не выяснял, есть подозрения что при таком токе непотянуло удвоение напряжения для питания драйвера и ТЛ-ки.

Вобщем главное что вопрос с помехой решён, теперь думаю дальнейшие проблемы уже переходят в разряд немодельной электроники и тему можно считать закрытой. Всем огромное спасибо за помощ, особенно Александру.