Не получается прошить контроллер, что не так делаю ?

Сергей_Хлупин

Объясните чайнику, контроллер ATMEGA8-16PI, схема программатора , программа для прошивки - PonyProg 2.06c.
Порт LPT пропаял как положено, а вот к контроллеру подключил так:
RES- подсоединил к 1 ножке контроллера
SCK- подсоединил к 19 ножке контроллера
MISO- подсоединил к 18 ножке контроллера
GND- подсоединил к 8 и 22 ножке контроллера
MOSI- подсоединил к 17 ножке контроллера

Всё подсоединил, в программе, в меню “Установки - настройка оборудования” выбрал порт параллельный, выбрал файл для загрузки, выбрал тип контроллера.
Нажимаю кнопку “Записать программу” , после чего выходит сообщение- " порт недоступен или отсутствует".
ЧТО НЕ ТАК Я ДЕЛАЮ, ПОДСКАЖИТЕ ПОЖАЛУЙСТА.

Ricaro
  1. А порт работает (принтер печатает)?
  2. Попробуй поставить для ЛПТ порта режим SPP (делаетс в БИОСе) и посмотри адрес порта (0x378).
  3. Попробуй временно снести драйверы принетра (если есть) - вроде где-то было, что они могут (но не обязательно) мешать.
Ricaro

Тогда ЛПТ-порт скорее всего банально отключен в БИОСе.
И еще - ЛПТ очень нежный, спалить пины можно. Правда, их можно переназначить, но все-таки токоограничивающие резисторы не помешают.
Типа тех, что там на схеме.

ubd

Лучше такой программатор. Тоже самое что и 5 проводков, только надёжнее.
Пользуюсь PonyProg`ом.

А проц новый? Или уже прошивал?

Бывает такое, что из-за какой ни будь помехи по сети, выставляются кривые биты конфигурации. А точнее высталяется работа от внешнего тактового генератора. А если к процу подсоединён кварц, или нет кварца, то проц невозможно не прошить не считать, да же биты поменять. Нужен обязательно тактовый импульс. У меня так было. Я собрал простейший тактовый генератор на К155ЛА3, подал импульсы на соответсвующую ногу 7 ли 8 не помню, и всё заработало. Поставил биты конфигурации как нужно, откинул генератор на ЛА3, и всё заработало.

Бывает что случайно биты выставишь не так. У меня от момехи было.

dollop

А еще бывет, что Вынь ХР прямой доступ к портам закрыт. И тогда программы типа avreal, ponyprog не могут до порта добраться и вы получаете ошибку. Тогда надо использовать программу, открывающую прямой доступ программ к портам - например DLPortIO или UserPort.
Я тоже пользуюсь понипрогом. Но если чего-то наплужу с фьюзами, то использую avreal с адаптером как ubd прикрепил - потому тогда можно программно генерировать тактовые импульсы прямо с LPT порта по линии LED (ее к XTAL2 контроллера подключаешь) и тогда никакие (почти) глюки с фьюзами не страшны!

Сергей_Хлупин

Спосибо за такие квалефицированные советы, проблема в том, что я практически ни когда не сталкивался радио деталями и всем остальным.
Я хочу собрать для хороших людей, моих коллег авиамоделистов вот такой шнурок для симулятора-.
Вся проблема встала за проршивкой контроллера, с остальным я разабрался.
Хотелось бы лёгким и доступным для меня языком все разъяснения, если можно 😃 .
И сразу большое спасибо всем откликнувшимся 😁 .
Да вот ещё вопросик, а может надо подать +5 вольт на Vcc (7 ножку) ?

SGordon

шил эту схему через парралельный порт вроде понипрогом, работает нормально …

PigTail
Сергей_Хлупин:

…Да вот ещё вопросик, а может надо подать +5 вольт на Vcc (7 ножку) ?

Конечно! Кстати залез в даташит, по нему при последовательном программировании и AVcc (20) нога должно присутствовать…

Сергей_Хлупин
PigTail:

Конечно! Кстати залез в даташит, по нему при последовательном программировании и AVcc (20) нога должно присутствовать…

Так, об этом плиз поподробнее, 5 проводков на ЛПТ у меня есть, что откуда и куда ещё мне надо подсоединить?

И ещё один бональный вопрос, вот рисунок , там на контроллере есть стрелочка, если она находится вверху, то ножка №-1 находится вверху слева, я правильно понимаю ?

dollop

не по стелочке определяют первую ногу у микросхем, а по вот той выемке в корпусе - на фото в нижней части. Если взять микросхему в руки так чтобы выемка (ключ) была вверху, то первый вывод - это самый верхний, находящийся слева.
Ты его определил правильно.
Ну подсоедини к +5 еще и AVCC (это 20-я нога)

Сергей_Хлупин

Ты его определил правильно.
Ну подсоедини к +5 еще и AVCC (это 20-я нога)
[/quote]
А откукда запитаться ?
И питание только на 20 ногу ?, на 7-ю не надо ?

dollop

на 7 обязательно и на 20 тоже. То есть возьми и припаяй 20 вывод к 7-му. Запитаться можно от LPT (если программа-программатор поддерживает). или от любого внешнего источника с напряжением 3 - 5,5В
И вообще! Онож у тебя в ЮСБ втыкается. Возьми подключи шлейф программрования в ЛПТ, подключи агрегат в ЮСБ, и прошивай спокойно. Это и будет то самое “внешнее питание”.

Ricaro

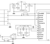
У меня вот такая прошивалка. Сначала делал ее под СОМ, но не получилось - переделал на ЛПТ.
5 вольт - только на 7 ноге. Работает с Пони без проблем.

Сергей_Хлупин
Ricaro:

У меня вот такая прошивалка. Сначала делал ее под СОМ, но не получилось - переделал на ЛПТ.
5 вольт - только на 7 ноге. Работает с Пони без проблем.

Глядя на эту схему я немного запутался, 5 вольт подавать надо на ноги (7 и 20) только (+) контакт или ещё и (-) кудато надо подсоединить ?