Не получается прошить контроллер, что не так делаю ?

Ricaro
Сергей_Хлупин:

Теперь следующий вопросик 😎 , как в программе Sprint-Layout мне сделать схему платы, вот сейчас сежу с карандашом и пытаюсь всё соединить и развести, чтобы это всё не пересекалось 😃 , пока неполучается 😒 :
Так как без ваших советов мне опя необойтись 😃 .

Тебе плата нужна под УСБ-кабель? Какую тебе версию выложить, с 5В на микросхему или с 3.3В?

Сергей_Хлупин
Ricaro:

Тебе плата нужна под УСБ-кабель? Какую тебе версию выложить, с 5В на микросхему или с 3.3В?

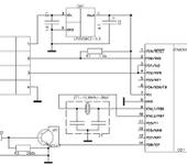
Вот эту схему надо

Сергей_Хлупин

Вот что получилось в этой программе Sprint-Layout , вид сверху с деталями, детали просто вставлены для вида и многие несоответствуют.
Дайте плиз ответ, правильно илине (как получилось) 😁

Ricaro

Прежде чем делать этот адаптер, рекомендуется прочесть вот этот топик - станет понятно про варианты схемы. Там же в середине есть разметки платы в Sprint-Layout.
От себя скажу, что вариант с 3.3В на микросхему у меня с АТMega8-16 PU работал неустойчиво, и я переделал себе под 5В на микросхему (со стабилитронами и конденсаторами в сигнальных цепях).

Сергей_Хлупин
Ricaro:

Прежде чем делать этот адаптер, рекомендуется прочесть вот этот топик - станет понятно про варианты схемы. Там же в середине есть разметки платы в Sprint-Layout.
От себя скажу, что вариант с 3.3В на микросхему у меня с АТMega8-16 PU работал неустойчиво, и я переделал себе под 5В на микросхему (со стабилитронами и конденсаторами в сигнальных цепях).

Эта схема (шнурок для авиамодельного симулятора), работает от USB, а как надо я не знаю.
Наверное как посоветуете так и сделаю.
И немогу пока найти в продаже вот эти детали LP2950CZ-3.3 и ZTT-12.0MHz-30pF может можно на что нить заменить ?

Сергей_Хлупин

И ещё такой вопросик в PonyProg надо только нажимать команду “Записать программу” ? или ещё после этого “Записать данные” ?

Ricaro
Сергей_Хлупин:

Наверное как посоветуете так и сделаю.
И немогу пока найти в продаже вот эти детали LP2950CZ-3.3 и ZTT-12.0MHz-30pF может можно на что нить заменить ?

Там фото девайса и плата под 5В на микросхему (которую я рекомендую).
Схема отличается от той, что у вас - LP2950CZ-3.3 там нет, другой набор резисторов, добавлены стабилитроны (любые на 3.3 вольта.) и конденсаторы в сигнальных цепях. Все подписано - разобраться не проблема.
ZTT-12.0MHz-30pF можно заменить на кварцевый резонатор (ТОЧНО 12 МГц!) плюс два конденсатора (номиналы подбираются в зависимости от того, что купите, у нас продаются под 20 пФ). Схема включения - там, внизу справа. Плату придется доработать - попрактикуетесь.
При прошивке - “прошить все”. 😁 Не забыть прошить сигнальные биты - все флажки снять.

Сергей_Хлупин
Ricaro:

Плату придется доработать - попрактикуетесь.
При прошивке - “прошить все”. 😁 Не забыть прошить сигнальные биты - все флажки снять.

Это как?, как прошить всё и сигнальные биты и где снять флажки- обэтом плиз поподробнее 😁

Ricaro

Command - Write All. 😃
Сигнальные биты: Command - Securety and Configurations Bits, далее все флажки снять и нажать Write. Имейте ввиду - после прошивки микросхема не будет откликаться, пока не будет подключен внешний кварц (один из битов снимает работу от встроенного таймера).

Сергей_Хлупин
Ricaro:

Command - Write All. 😃
Сигнальные биты: Command - Securety and Configurations Bits, далее все флажки снять и нажать Write. Имейте ввиду - после прошивки микросхема не будет откликаться, пока не будет подключен внешний кварц (один из битов снимает работу от встроенного таймера).

Роман, программа Пони Прог у меня руссифицированая.
А там где вы указали ссылку на ваш шнурок, там только фото и прошивка для контроллера, если не составит вам труда, будте добры схемку. 😃

Ricaro

Вообще-то там не прошивка, а разметка платы. 😉 Во всяком случае я сейчас еще раз скачал и открыл - там файл разметки платы.
Схема, которая там реализована - из публикции с этого сайта (альтернативный вариант) плюс добавлены конденсаторы в сигнальных цепях (параллельно стабилитронам), как советуют разработчики устройства.
Насчет прошивки - там же есть иконка “прошить все”, и команда такая же в меню. Сигнальные биты - иконка с замочком.

Сергей_Хлупин
Ricaro:

Вообще-то там не прошивка, а разметка платы. 😉 Во всяком случае я сейчас еще раз скачал и открыл - там файл разметки платы.

Да вообщето 😒 , извиняюсь, спасибо попробую ваш вариант.

Ricaro

Подождите, я только сейчас сообразил… У вас же АТМега PI, надо даташит посмотреть. Сейчас гляну.
Добавлено.
Да, стоит попробовать. Там дело в напряжении питания на микросхему. Производитель заявляет от 4,5 - 5,5 В, а в основном варианте схемы идет 3.3 В. Микросхема может работать уверенно, может не работать вообще (не запускается), а может через раз (как было у меня). В альтернативном варианте на микросхему подается 5В с УСБ, а напряжение в сигнальных цепях (которое должно быть 3.3.В) регулируется стабилитронами - такая схема у меня заработала с первого раза и пока без проблем.

Сергей_Хлупин

Роман ещё несколько вопросов к вам:

  1. как лутше изготовить плату (вырезать дорожки)
  2. я преобрёл стабилитроны на 5.6V-1.3W, пойдут? и как их правельно впаять?
AlexN

Стабилитроны нужны на 3.3В, а не на 5.6 😉

Сергей_Хлупин
AlexN:

Стабилитроны нужны на 3.3В, а не на 5.6 😉

Понял, спасибо, а вот если на нём чёрная полоса сверху (к примеру) то значит он пропускает снизу вверх ?

Ricaro
Сергей_Хлупин:

Понял, спасибо, а вот если на нём чёрная полоса сверху (к примеру) то значит он пропускает снизу вверх ?

Да, это катод. Паять полоской на стабилитроне как полоска на схеме - он работает в обратном режиме, “на пробой”.

Сергей_Хлупин
Ricaro:

Да, это катод. Паять полоской на стабилитроне как полоска на схеме - он работает в обратном режиме, “на пробой”.

ОК 😃 , а плату как изготовить и вырезать дорожки (лутьше и аккуратнее)

Ricaro

Вот так.
Какие дорожки плохо получатся - подрисовать разведенной нитро и зубочисткой.

SGordon

А надо ли разводить? Такую схему прощще напаять на макетке, не скорость не влияет -))

dollop

Контроллер припаивать так же как и остальные детали - паяльником. 😃 Ни куда он не денется. Чтоб его спалить - еще постараться нужно. Мощность паяльника конечно не должна привышать ватт 40. ну это ИМХО. Некоторые и 60Вт паяют и нормально.
Ну а если все же боишься, то паяй панельку, а в нее потом будешь контроллер сувать (если контроллер у тебя не TQFP - поверхностного монтжа, конечно)

Сергей_Хлупин

Роман всё сделал как положено, при подключении пишет порт неопознан, что может быть не так ?

Ricaro

При подключении чего? Там про порт ничего не должно быть. Поподробнее, плз.

Сергей_Хлупин
Ricaro:

При подключении чего? Там про порт ничего не должно быть. Поподробнее, плз.

При подключении кабеля к USB разъёму, в окне текущих элементов (внизу справа) выскакивает диалоговое окно, со следующим приблезительным содержанием - неопознаный USB порт, попробуйте установить подходящий драйвер для нормальной работы.
Приблизительно так и AFPDшка его невидит.
ЧТО МОЖЕТ БЫТЬ НЕТАК ?