Самодельная серва

lecsus

похоже схемку не дождемся .может кто делал. киньте схемку или ссылочку где посмотреть

wkaktuz

Схему выложу обязательно, проблема со сканером.

wkaktuz

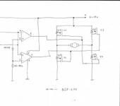
Выкладываю обещенную схему. Компаратор использовал из телефона самсунг, транзисторы любые полевые. Если возникнут вопросы постараюсь ответить.

SAN

Это полуфабрикат какой-то…
Сигнал-то от приёмника подать некуда.

wkaktuz

Сигнал подается в место подключения первого переменного сопротивления, второй переменник виситна шестерне редуктора сервы.

SAN
wkaktuz:

Сигнал подается в место подключения первого переменного сопротивления

Сигнал прямо с приёмника?! Там же импульс…

Виктор

Но если ШИМ сигнал проинтегрировать, то там появляется постоянная составляющая, наверное с ней и работают, но по схеме этого не видно.

wkaktuz

На вход схемы в место первого переменника я подключал шим генератор с изменяемой частотой.

SAN

Тогда у вас двигатель постоянно находится под полным напряжением питания; то в одной, то в другой полярности.

wkaktuz

Совершенно верно, но не под полным напряжении а на частичном и в импульсном режиме. Это стандартная схема, любая серва работает в таком режиме.

Виктор

Только она будет электричества кушать немерянно, но кто его теперь считает при таких аккумах.

V_Alex
wkaktuz:

Совершенно верно, но не под полным напряжении а на частичном и в импульсном режиме. Это стандартная схема, любая серва работает в таком режиме.

В Вас чувствуется серьезный творческий потенциал. Вы воспроизвели на современной элементной базе и доработали до полномостовой схему аналоговой (именно настоящей аналоговой, а не той, что сейчас называют аналоговой) сервы Digimatic-R. Если на данном этапе Вы полистаете Войцеховского и Миля, то можно будет смело двигаться дальше.

Iskander

А где у Вас цепи демпфирования? Без демпфирования сервопривод при подходе к нулевой точке зачастую входит в автоколебательный режим ( в виду инерции якоря двигателя).

wkaktuz
Iskander:

А где у Вас цепи демпфирования? Без демпфирования сервопривод при подходе к нулевой точке зачастую входит в автоколебательный режим ( в виду инерции якоря двигателя).

Ниразу колебаний небыло!

SAN
wkaktuz:

, но не под полным напряжении а на частичном и в импульсном режиме

Если не под полным, значит какие-то тразисторы не до конца открываются. (скорее всего верхние)

Канальный импульс с приёмника выглядит примерно так:
__П_________П_________П__
В какие моменты относительно этого сигнала у вас двигатель НЕ под напряжением?

wkaktuz

На клемах мотора всегда будет какой то потенциал, даже когда он не двигается иногда слышно звук генерации сервотестера. Так работает любая аналоговоя серва.

V_Alex

А схема правильно нарисована? Там от средних точек обоих потенциометров сигнал в одну точку сходится. Их по разным входам развести не нужно? И диод на входе операционника фактически в воздухе висит.

SAN
wkaktuz:

На клемах мотора всегда будет какой то потенциал, даже когда он не двигается иногда слышно звук генерации сервотестера.

То есть осциллографом вы схему свою не смотрели?! 😮

anatol=
wkaktuz:

и мне не жалко будет если при первом полете я его воткну в землю

Ох как ошибаетесь… Денег за разбитый покупной самолет, может быть и не жалко. Но вот собственный труд хоронить - очень бьет по психике…

wkaktuz
V_Alex:

А схема правильно нарисована? Там от средних точек обоих потенциометров сигнал в одну точку сходится. Их по разным входам развести не нужно? И диод на входе операционника фактически в воздухе висит.

Совершенно верно, это моя ошибка извиняюсь, сопротивление 1к подключается между 5 выводом микрухи и диодом

SAN:

То есть осциллографом вы схему свою не смотрели?!

Честно сказать нет

anatol=:

Ох как ошибаетесь… Денег за разбитый покупной самолет, может быть и не жалко. Но вот собственный труд хоронить - очень бьет по психике…

Труд возможно жалко, зато буду иметь определенный потенциал знаний

SAN
wkaktuz:

сопротивление 1к подключается между 5 выводом микрухи и диодом

Может всё-таки к 8 ноге (к +питания)?
Должен быть ещё один резистор между движком верхнего потенциометра и входом компараторов, чтобы честный сумматор получился.

wkaktuz:

Честно сказать нет

wkaktuz:

буду иметь определенный потенциал знаний

Не видя что творится в вашей схеме, не получите вы потенциала 😃